Скачать Типовой проект 705-4-55 Альбом II. Проект производства работ на монтаж резервуаров емкостью 50, 80, 125, 320, 500, 800 куб. м. Технологическая частьДата актуализации: 01.01.2021
|
| Обозначение: | Типовой проект 705-4-55 |
| Обозначение англ: | 705-4-55 |
| Статус: | действует |
| Название рус.: | Альбом II. Проект производства работ на монтаж резервуаров емкостью 50, 80, 125, 320, 500, 800 куб. м. Технологическая часть |
| Дата добавления в базу: | 01.10.2014 |
| Дата актуализации: | 01.01.2021 |
| Дата введения: | 25.10.1975 |
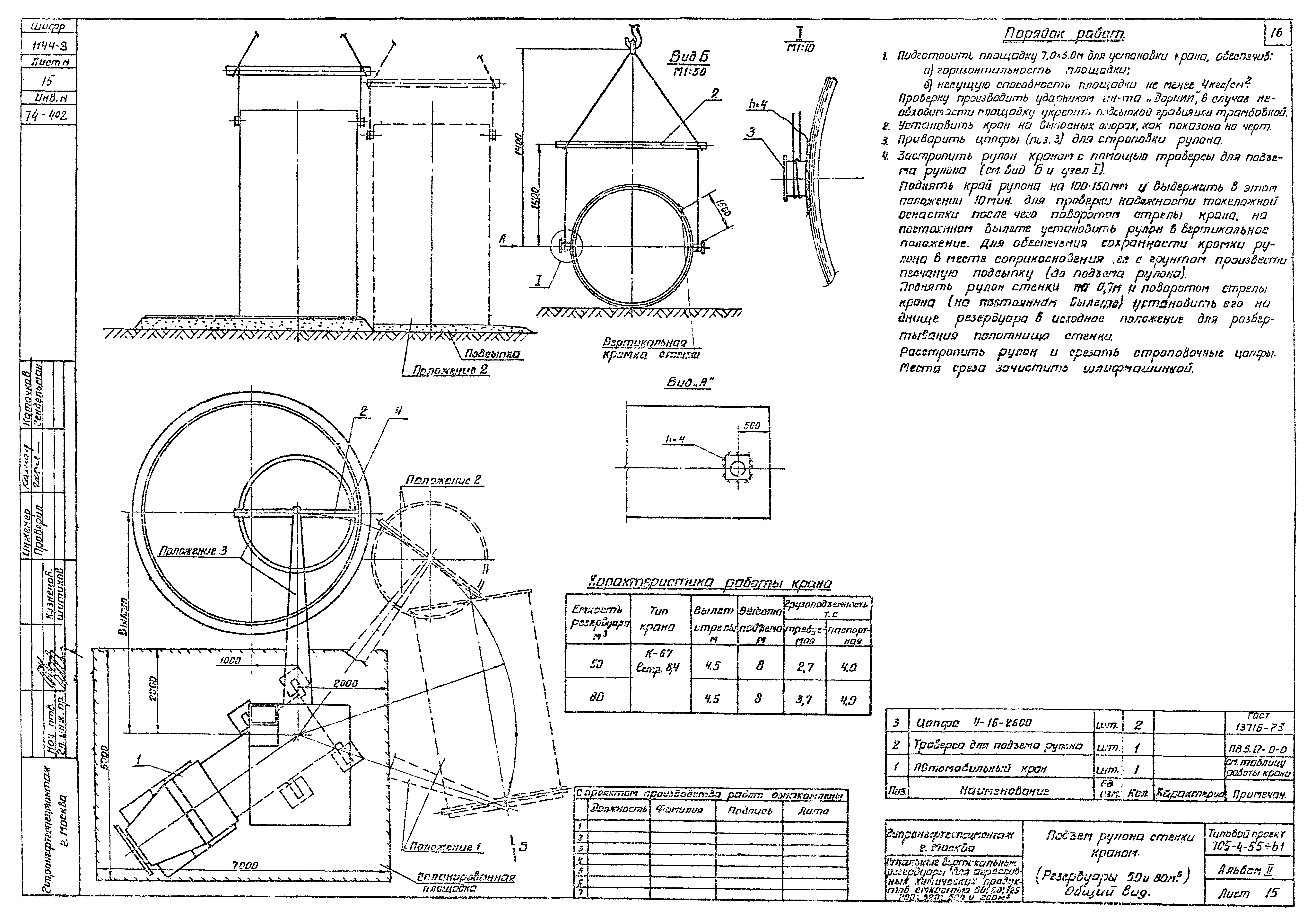
| Оглавление: | Содержание Пояснительная записка Общий вид резервуаров Общий вид (таблицы) Укладка рулона на основание Развертывание днища, состоящего из одного полотнища Развертывание днища, состоящего из двух полотнищ Технологическая карта сварки днища резервуара (800 куб. м) Разметка днища резервуара (50, 80, 125 и 200 куб. м) Разметка днища резервуара (320, 500 и 800 куб. м) Подъем рулона стенки краном (резервуары 50 и 80 куб. м). Общий вид Подъем рулона стенки краном (резервуары 125, 200, 320, 500 и 800 куб. м). Общий вид Подъем рулона стенки краном (резервуары 125, 200, 320, 500 и 800 куб. м). Узлы Установка монтажной стойки (320, 500, 800 куб. м). Общий вид Установка монтажной стойки (320, 500, 800 куб. м). Узлы Монтаж стенки резервуара (50, 80, 125 и 200 куб. м). Общий вид Монтаж щитов покрытия (50, 80, 125 и 200 куб. м) Развертывание полотнища стенки резервуара (320, 500, 800 куб. м). Общий вид Развертывание полотнища стенки резервуара (320, 500, 800 куб. м). Узлы Развертывание полотнища стенки резервуара (320, 500, 800 куб. м) (монтаж щитов покрытия 320, 500, 800 куб. м) Развертывание полотнища стенки резервуара (320, 500, 800 куб. м). Техника безопасности Сборка постамента Замыкание вертикального монтажного стыка стенки резервуара Технологическая карта сварки стенка-днище Технологическая карта сварки вертикального стыка стенки резервуара Технологическая карта сварки щитов покрытия между собой и к стенке резервуара (50, 80, 125 и 200 куб. м) Технологическая карта сварки щитов покрытия между собой и к стенке резервуара (320, 500 и 800 куб. м) Демонтаж монтажной стойки |
| Разработан: | Гипронефтеспецмонтаж Минмонтажспецстроя СССР (Giproneftespetsmontazh, Minmontazhspetsstroy (USSR) ) |
| Утверждён: | 06.08.1975 Министерство черной металлургии СССР |


































