Скачать Типовой проект 902-3-90.90 Альбом 3. Конструкции железобетонные (из ТП 902-3-89.90)Дата актуализации: 01.01.2021
|
| Обозначение: | Типовой проект 902-3-90.90 |
| Обозначение англ: | 902-3-90.90 |
| Статус: | не определен законодательством |
| Название рус.: | Альбом 3. Конструкции железобетонные (из ТП 902-3-89.90) |
| Дата добавления в базу: | 01.10.2014 |
| Дата актуализации: | 01.01.2021 |
| Дата введения: | 09.10.1990 |
| Дата окончания срока действия: | 30.06.2003 |
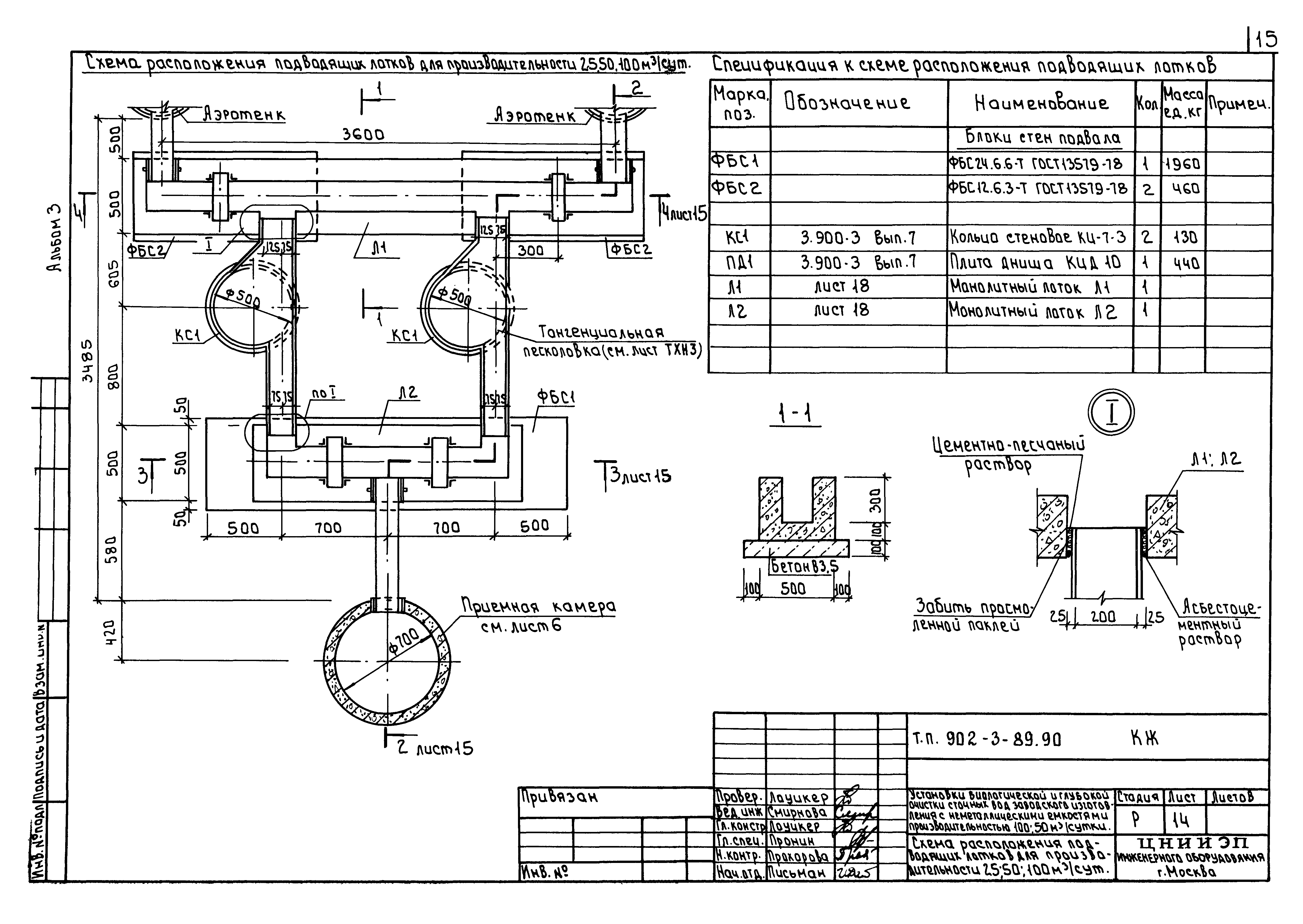
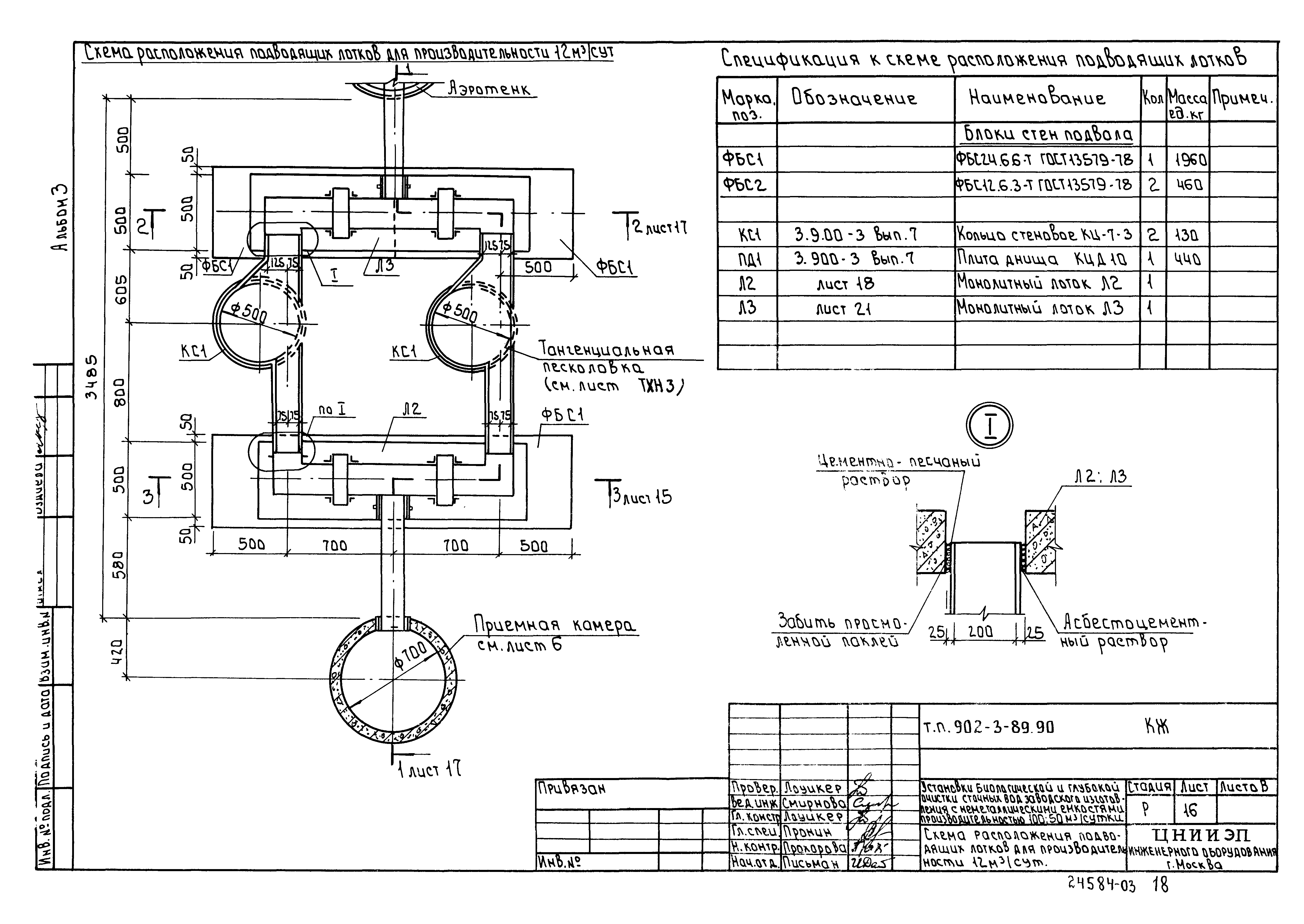
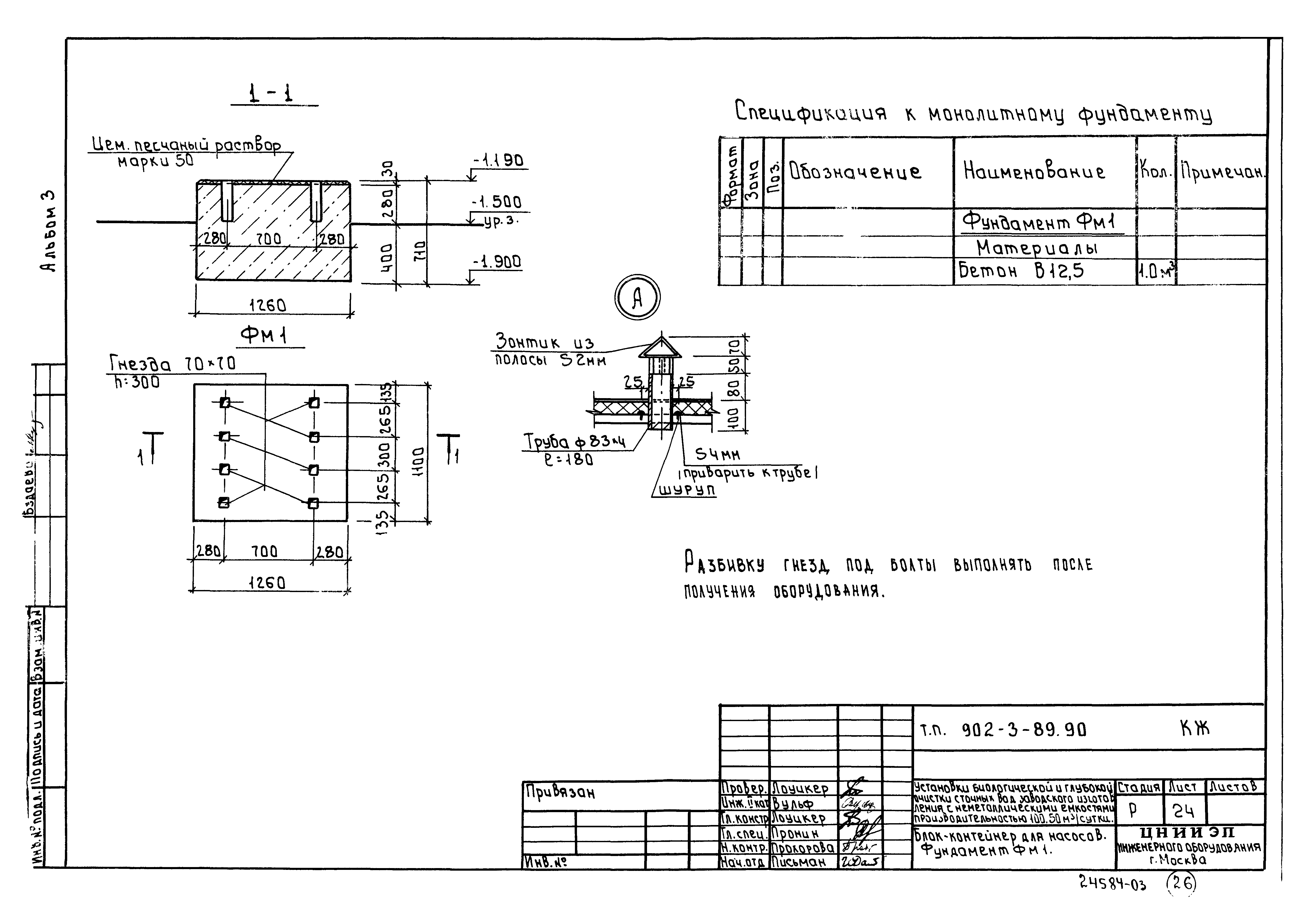
| Оглавление: | Общие данные Аэротенки А1 - А15. Разрез 1-1 Отстойники От1 - От3. Разрез 1-1 Отстойники От5 - От8. Разрезы Контактные резервуары Кр1 - Кр5. Камера переключения Кп1. Приемная камера Пк1 Спецификация элементов к сооружениям Детали крепления эжектора, трубопроводов. Деталь заделки трубопровода в патрубок Детали установки технологического трубопровода, крепление струенаправляющего щита и решетки в аэротенке Детали крепления кругового лотка, плавающей загрузки, эжектора Схема расположения подводящих лотков для производительности 25, 50, 100 куб. м/сутки Схема расположения подводящих лотков для производительности 25, 50, 100 куб. м/сутки. Разрезы Схема расположения подводящих лотков для производительности 12 куб. м/сутки Схема расположения подводящих лотков для производительности 12 куб. м/сутки. Разрезы Монолитные лотки Л1 и Л2. Опалубочный чертеж. Разрезы Монолитные лотки Л1 и Л2. Армирование. Разрезы Монолитные лотки Л1 и Л2. Спецификации Монолитный лоток Л3. Опалубочный чертеж. Армирование. Разрезы Монолитный лоток Л3. Спецификации Блок-контейнер для насосов. План. Разрезы Блок-контейнер для насосов. Фундамент Фм1 |
| Разработан: | ЦНИИЭП |
| Утверждён: | 09.10.1990 Госкомархитектура (167) |
| Издан: | АПП ЦИТП (1991 г. ) |
| Заменяет собой: |
|


























