Скачать Типовой проект 407-4-42 Альбом I. Пояснительная записка. Указания по применению проекта. Установочные чертежиДата актуализации: 01.01.2021
|
| Обозначение: | Типовой проект 407-4-42 |
| Обозначение англ: | 407-4-42 |
| Статус: | действует |
| Название рус.: | Альбом I. Пояснительная записка. Указания по применению проекта. Установочные чертежи |
| Дата добавления в базу: | 01.10.2014 |
| Дата актуализации: | 01.01.2021 |
| Дата введения: | 01.12.1972 |
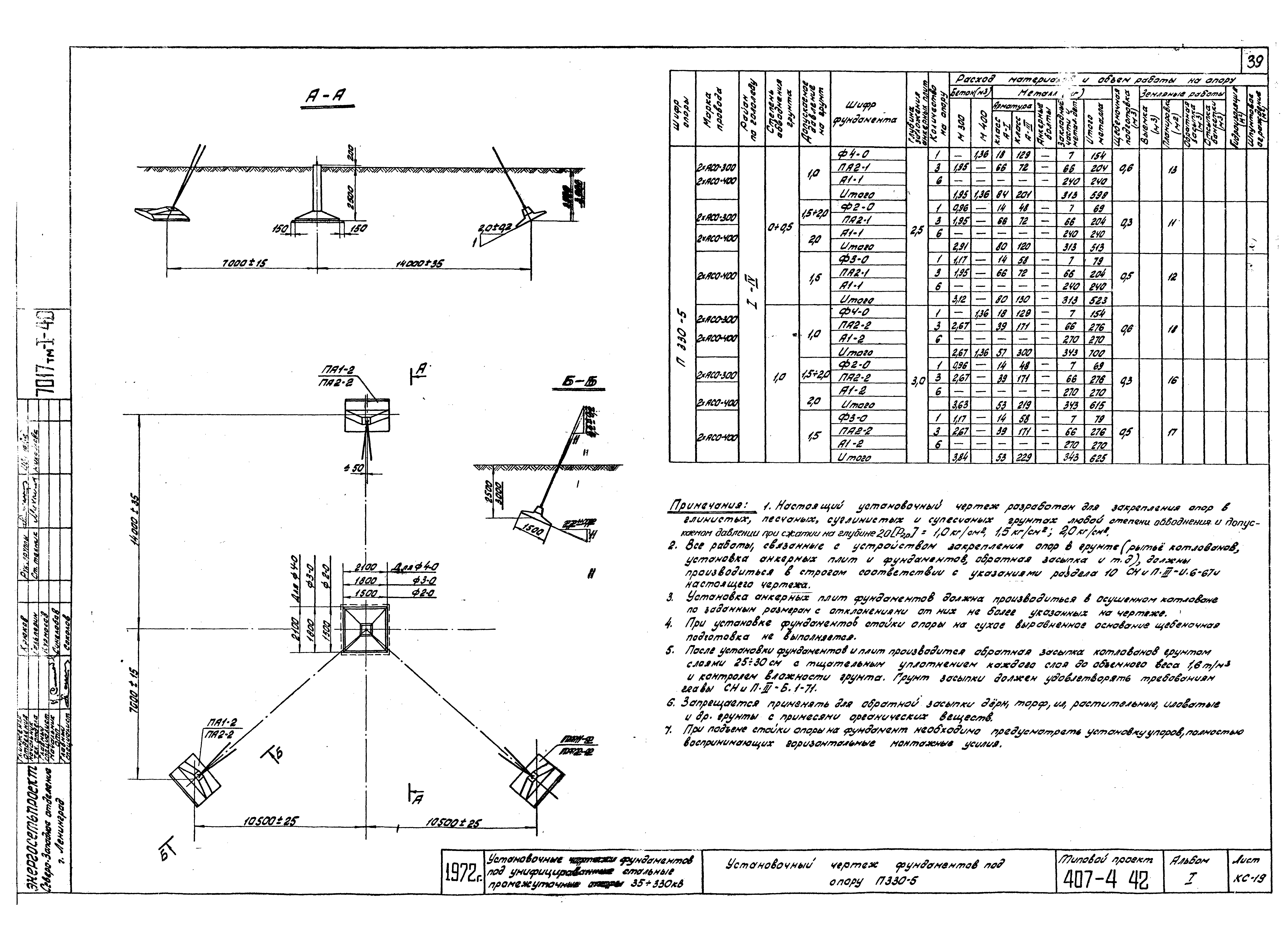
| Оглавление: | Перечень листов Пояснительная записка Указания по применению проекта Графики и таблицы для подбора фундаментов Графики и таблицы для подбора фундаментов под промежуточные опоры по несущей способности оснований. Грунт необводненный Графики и таблицы для подбора фундаментов под промежуточные опоры по несущей способности оснований. Грунт полуобводненный Графики и таблицы для подбора фундаментов под промежуточные опоры по несущей способности оснований. Грунт обводненный Графики несущей способности оснований фундаментов под промежуточные опоры при любых степенях обводнения СО от 0 до 1,0 Графики и таблицы для подбора фундаментов под промежуточно-угловые опоры по несущей способности оснований Графики и таблицы для подбора анкерных плит и фундаментов под промежуточные опоры с оттяжками Графики для подбора фундаментов по прочности, исходя из несущей способности стоек и анкерных болтов Графики для подбора фундаментов по прочности, исходя из несущей способности плит Установочные чертежи фундаментов под промежуточные опоры Сводная ведомость фундаментных конструкций под промежуточные опоры и номера установочных чертежей Установочный чертеж фундаментов под опоры П35-1, П35-2 и ПС35-2 Установочный чертеж фундаментов под опоры П110-1, П110-2 Установочный чертеж фундаментов под опоры П110-3, П110-5, П110-4, П110-6, П150-1, П150-2, ПС110-3, ПС110-5, ПС110-4, ПС110-6 Установочный чертеж фундаментов под опоры П110-1, П110-2 с подставками Установочный чертеж фундаментов под опоры П110-3, П110-5, П110-4, П110-6 с подставками Установочный чертеж фундаментов под опоры П150-1, П150-2 с подставками Установочный чертеж фундаментов под опоры П220-2, ПС220-2 Установочный чертеж фундаментов под опору П220-2 в обводненных грунтах Установочный чертеж фундаментов под опоры П220-3, ПС220-3 и опору П220-3с подставкой Установочный чертеж фундаментов под опоры П220-3, ПС220-3 в обводненных грунтах Установочный чертеж фундаментов под опору П330-3 Установочный чертеж фундаментов под опору П330-3 с подставкой Установочный чертеж фундаментов под опору ПС330-7 Установочный чертеж фундаментов под опору П330-2, ПС330-6 Установочный чертеж фундаментов под опору ПС330-5 и опоры П220-2 и П330-2 с подставками Установочный чертеж фундаментов под опоры П110-7 и ПС110-7 Установочный чертеж фундаментов под опоры П220-1 и ПС220-1 Установочный чертеж фундаментов под опору П330-5 Образцы установочных чертежей фундаментов под промежуточно-угловые опоры Образец установочного чертежа фундаментов под опору ПУС110-1 Образец установочного чертежа фундаментов под опору ПУС110-2 Образец установочного чертежа фундаментов под опору ПУС220-1 |
| Разработан: | Северо-западное отделение института Энергосетьпроект |
| Утверждён: | 01.12.1972 Энергосетьпроект (Energosetproject 190) |











































