Скачать Типовые проектные решения 704-3-056.93 Альбом III. Строительные изделия (из ТПР 704-3-055.93)Дата актуализации: 01.01.2021
|
| Обозначение: | Типовые проектные решения 704-3-056.93 |
| Обозначение англ: | 704-3-056.93 |
| Статус: | справочные материалы, мп, тпр |
| Название рус.: | Альбом III. Строительные изделия (из ТПР 704-3-055.93) |
| Дата добавления в базу: | 01.10.2014 |
| Дата актуализации: | 01.01.2021 |
| Дата введения: | 28.12.1993 |
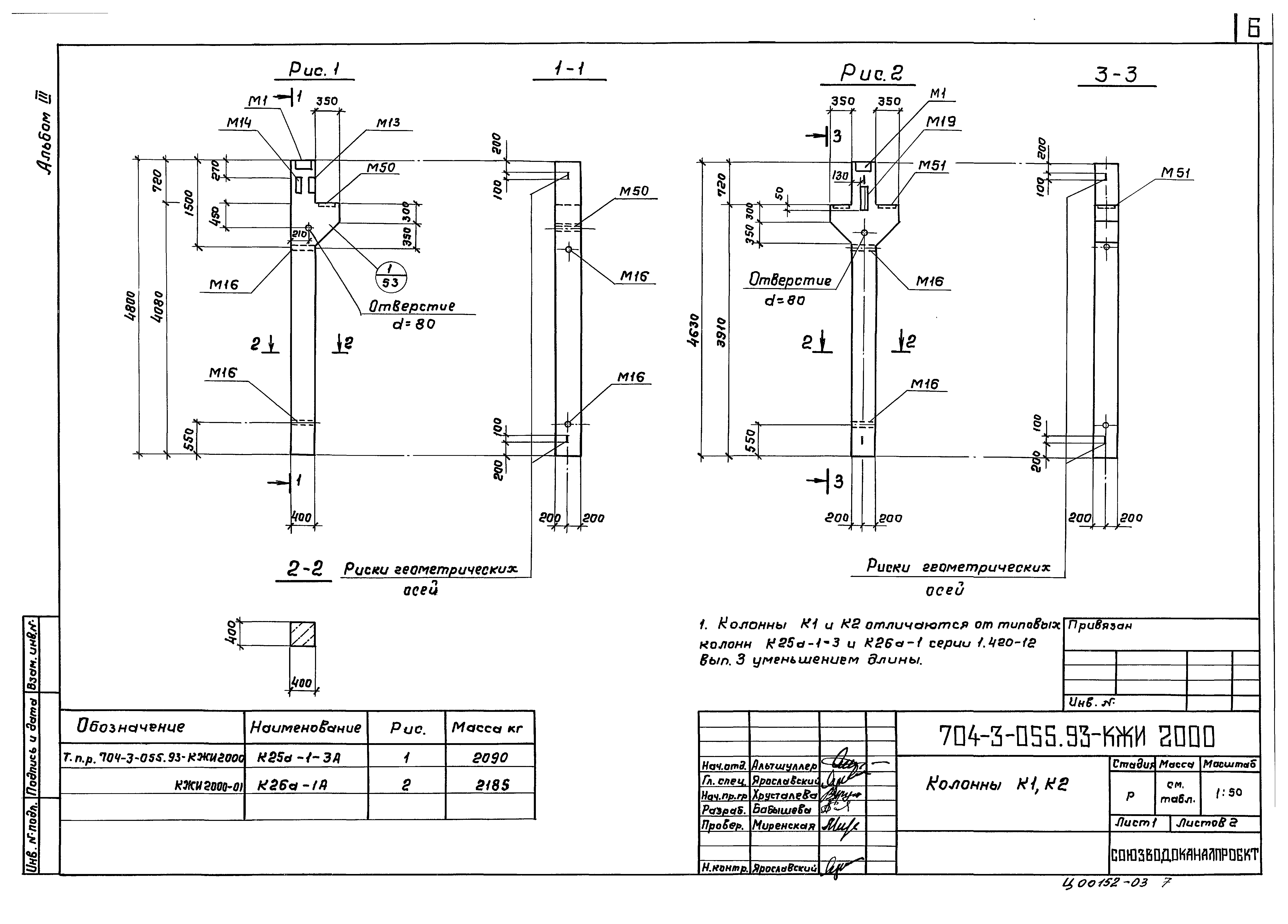
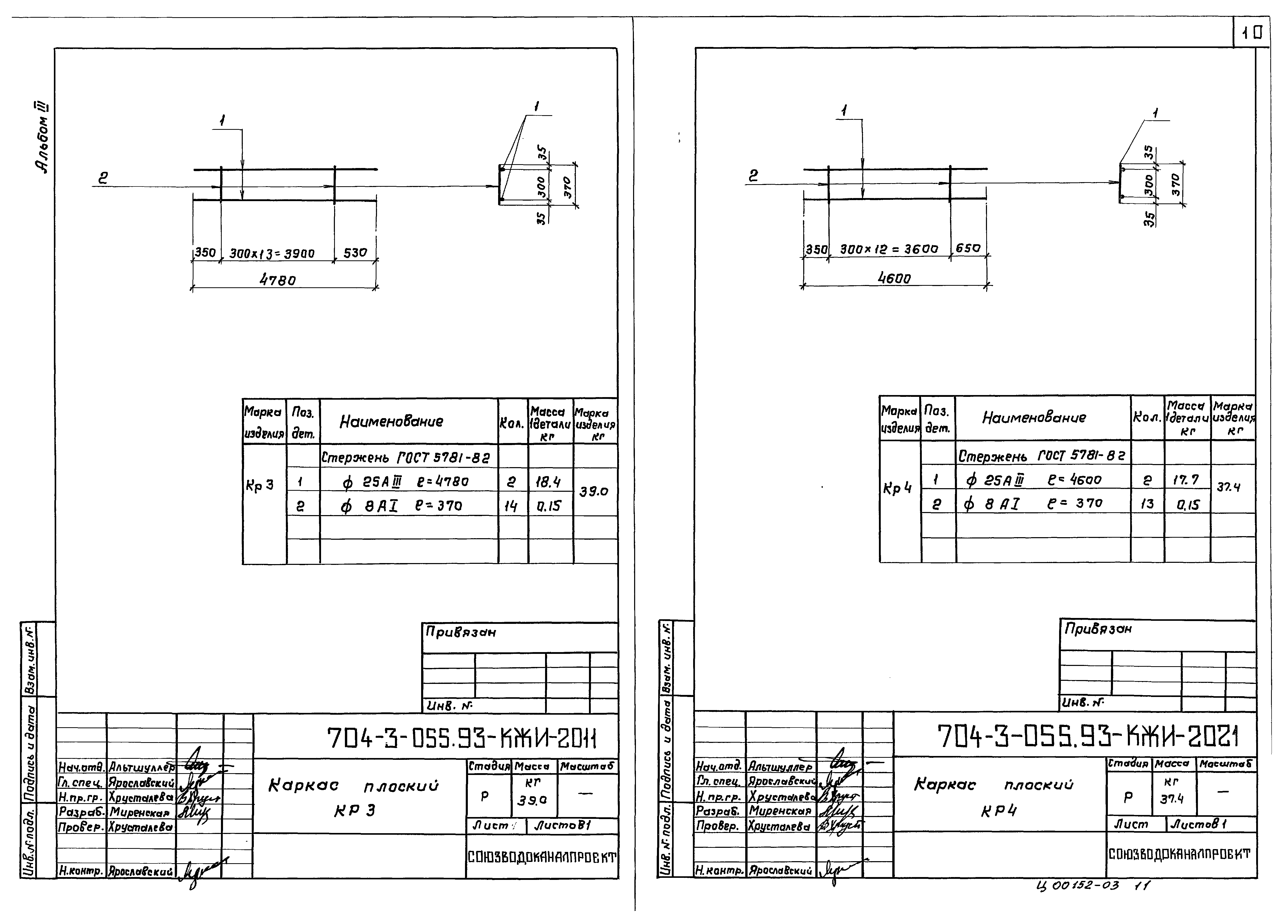
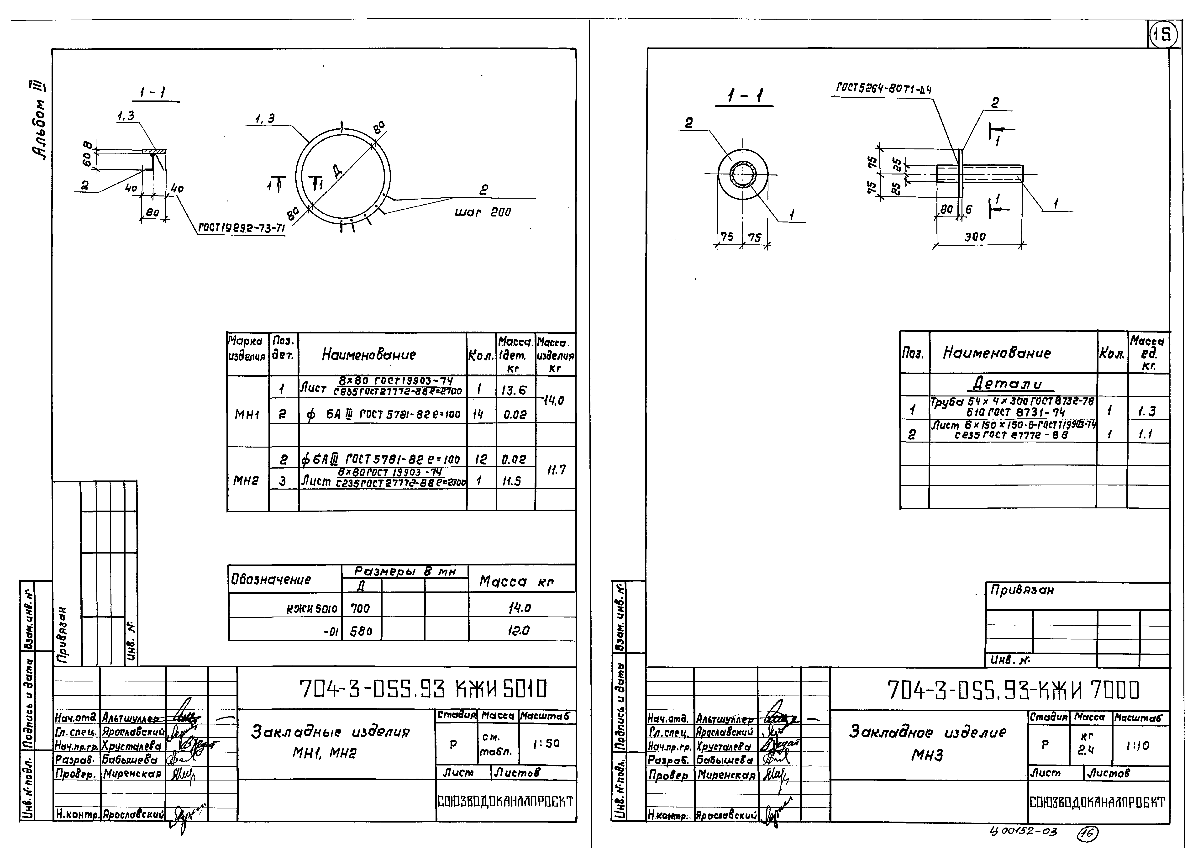
| Оглавление: | Содержание альбома Технические требования Каркас КР1 Каркас КР2 Сетки С1, С2, С3 Колонна К1, К2. Опалубочный чертеж Колонна К1, К2. Арматурный чертеж Пространственный каркас ПК1-3А Пространственный каркас ПК-3А Каркас плоский КР3 Каркас плоский КР4 Ригель Б8-1 Ригель Б9-2А Стеновая панель ПС1 Стеновая панель ПС2 Стеновая панель ПС3 Стеновая панель ПС4 Плита перекрытия ПН15А Опорное кольцо КО6А Закладные изделия МН1, МН2 Закладное изделие МН3 |
| Разработан: | ГПИ Союзводоканалпроект |
| Утверждён: | 16.12.1993 Госстрой России (Russian Federation Gosstroy 9-3-3/288) |















