Скачать Типовой проект 708-76.93 Альбом 6. Конструкции металлическиеДата актуализации: 01.01.2021
|
| Обозначение: | Типовой проект 708-76.93 |
| Обозначение англ: | 708-76.93 |
| Статус: | не определен законодательством |
| Название рус.: | Альбом 6. Конструкции металлические |
| Дата добавления в базу: | 01.10.2014 |
| Дата актуализации: | 01.01.2021 |
| Дата введения: | 06.12.1993 |
| Дата окончания срока действия: | 30.06.2003 |
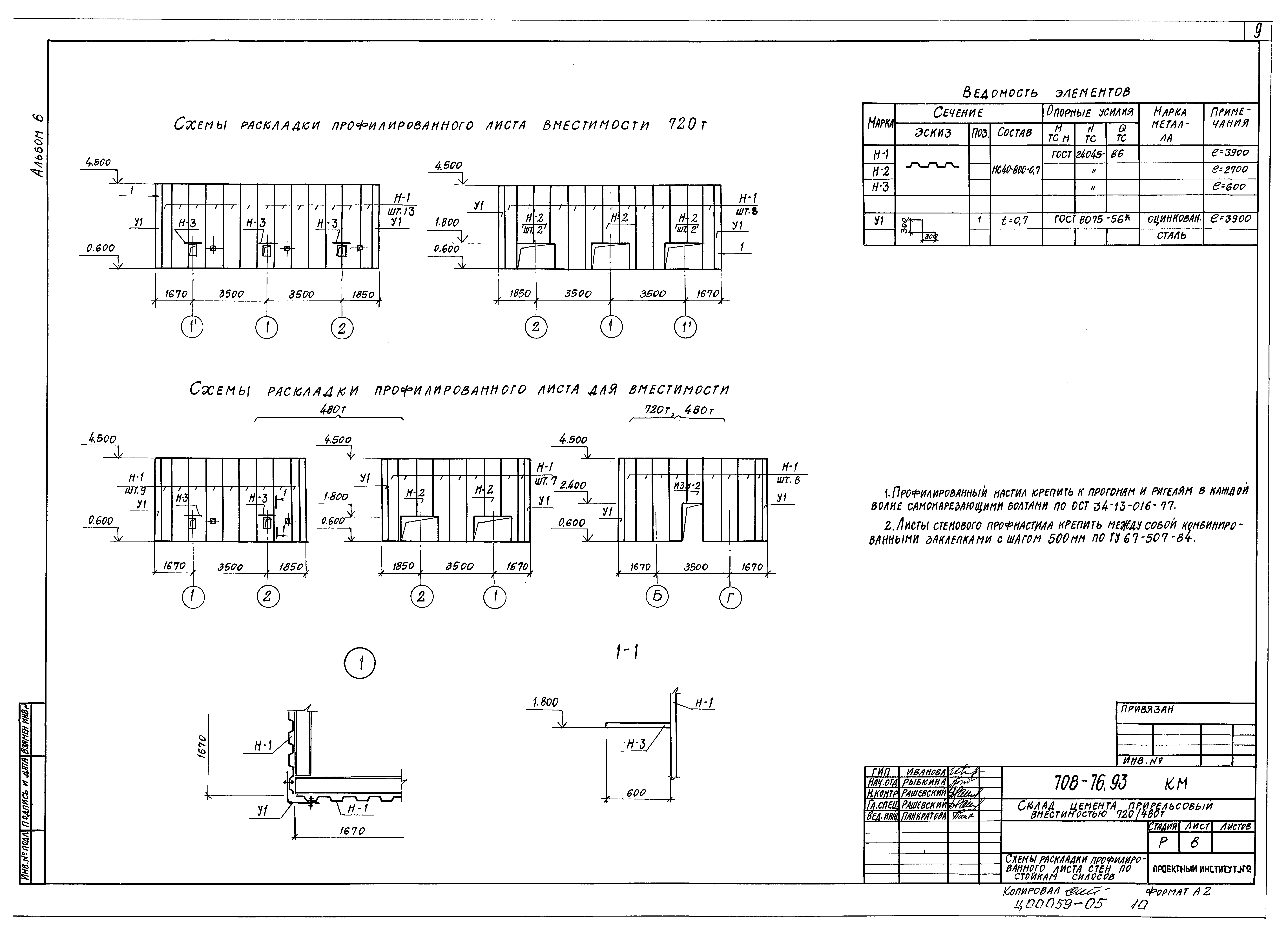
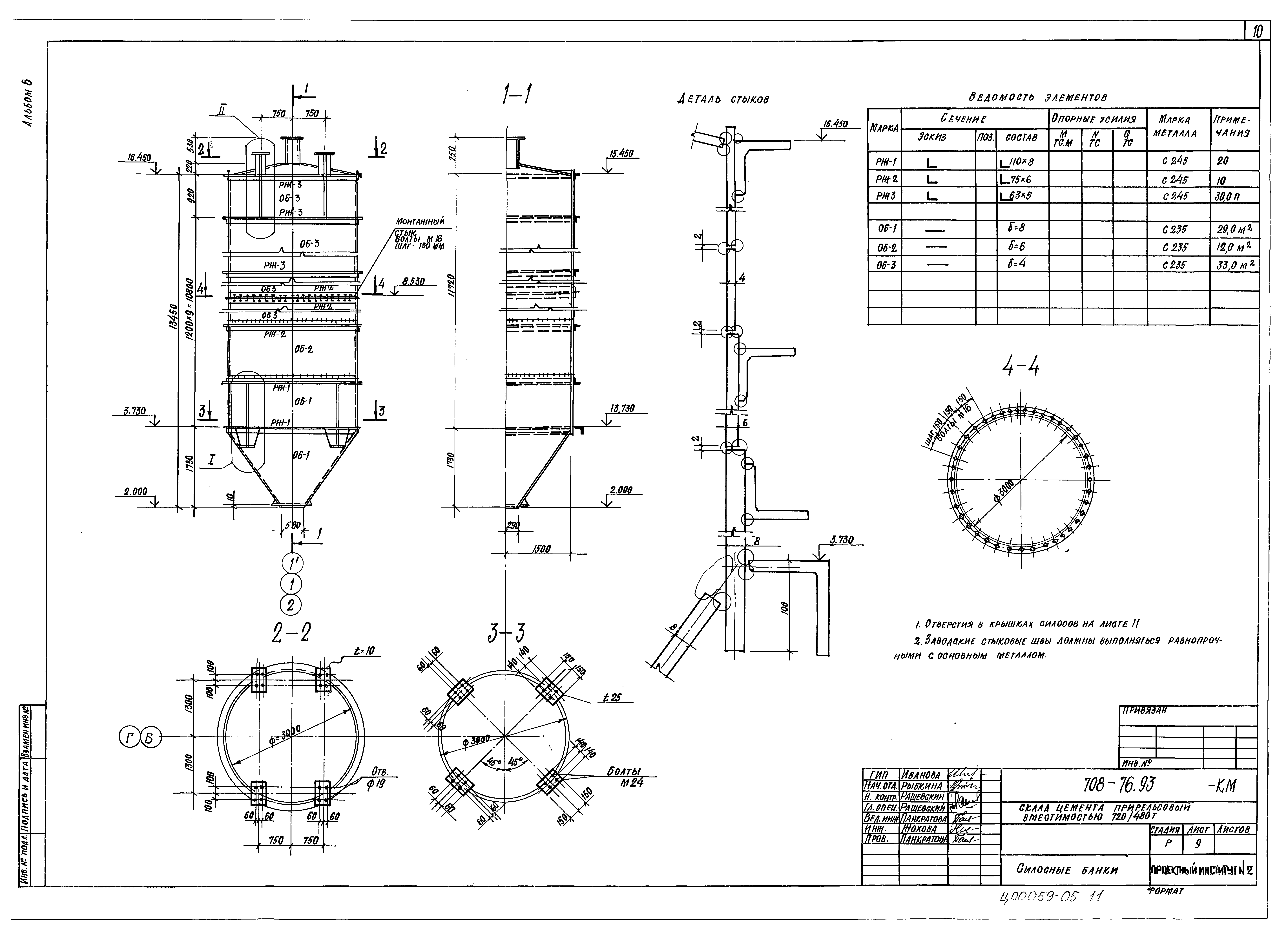
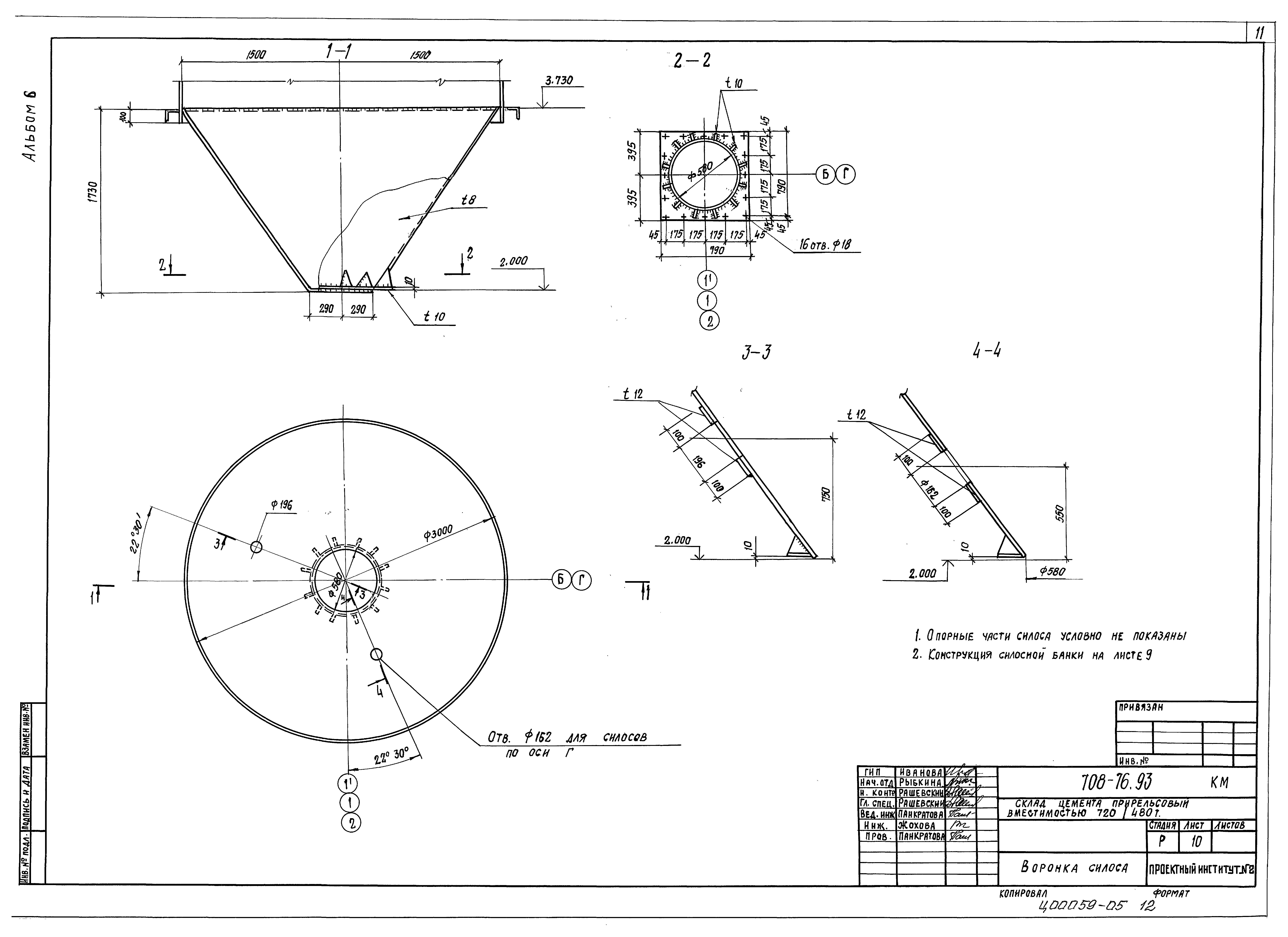
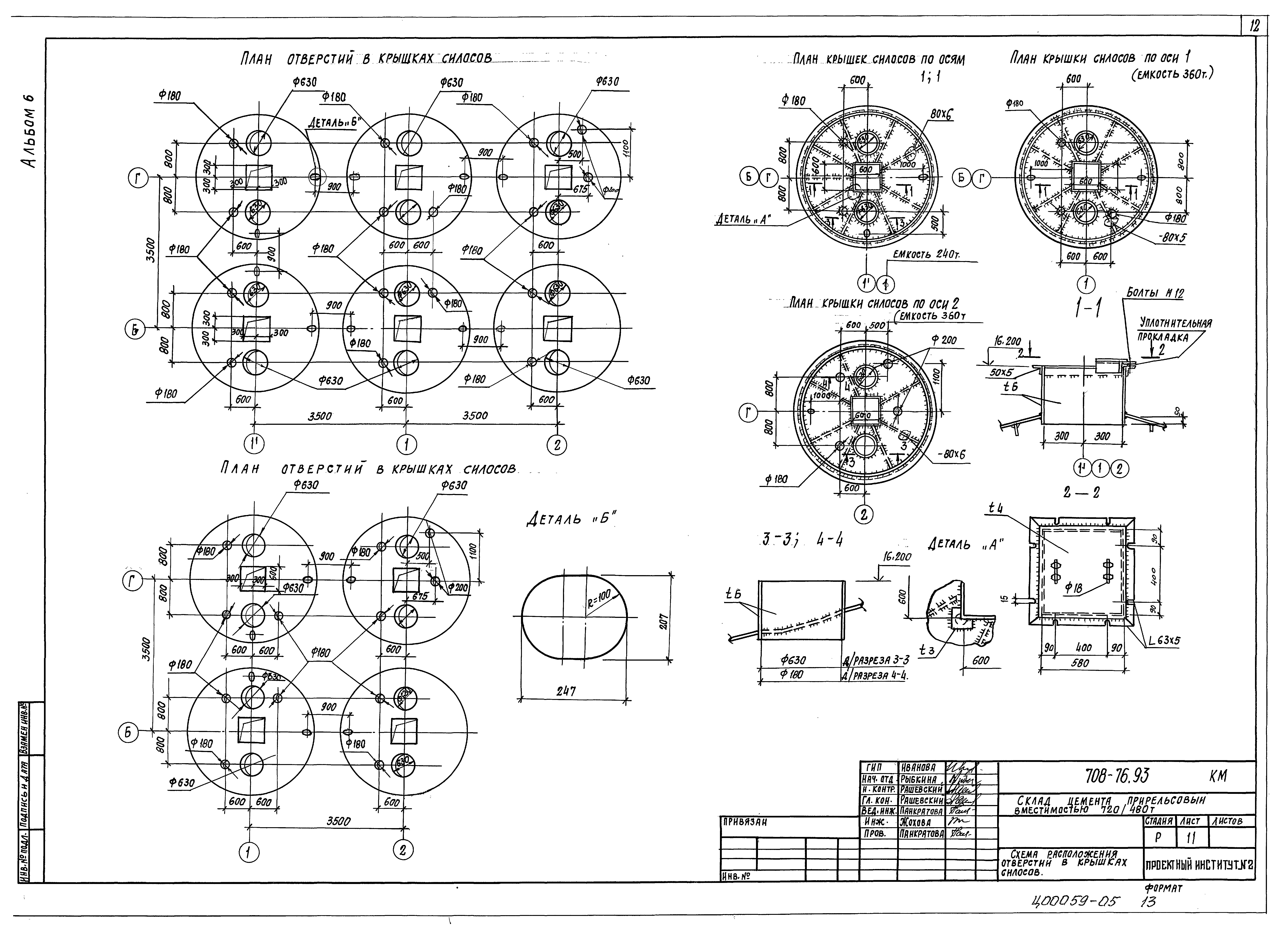
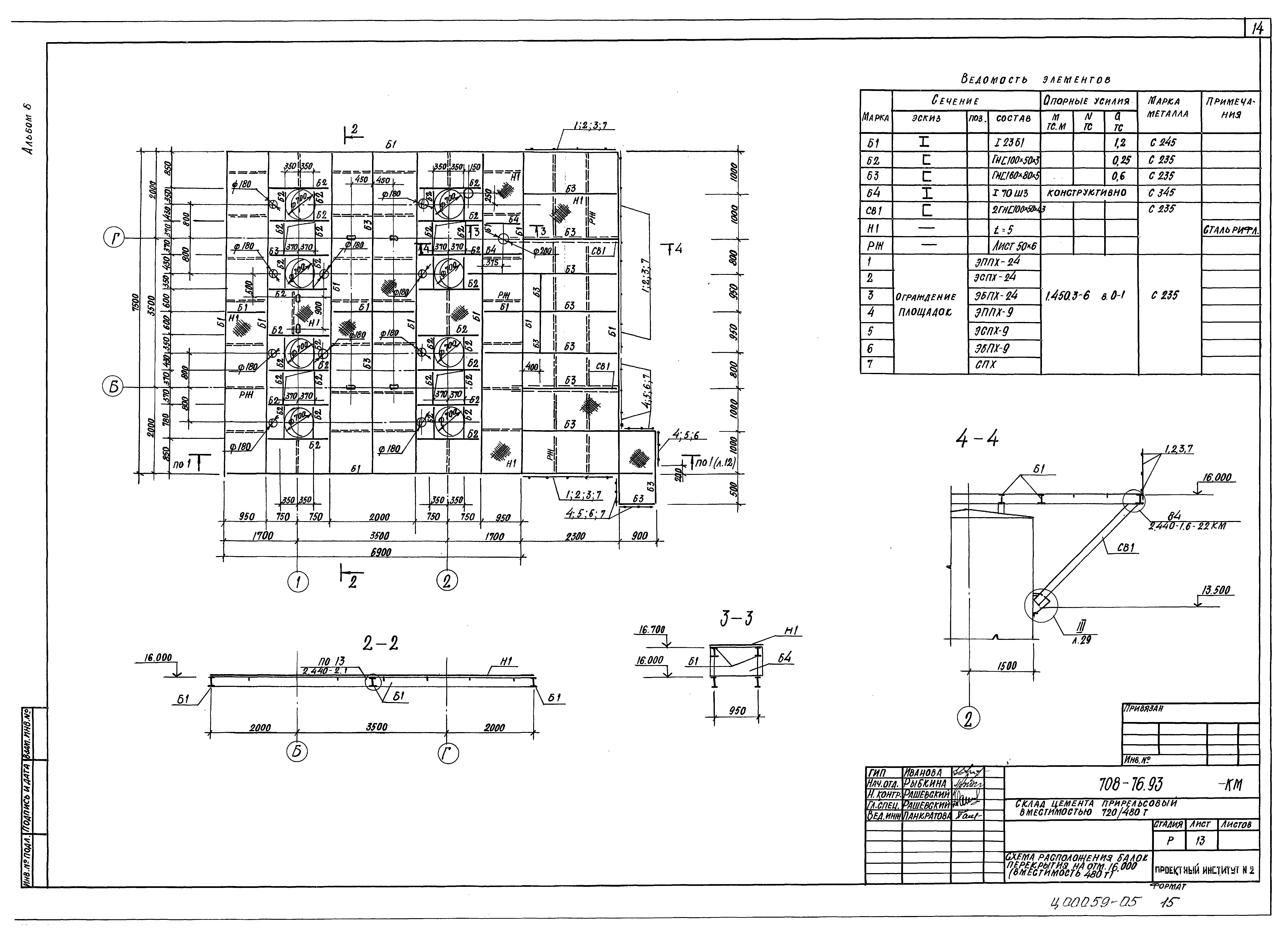
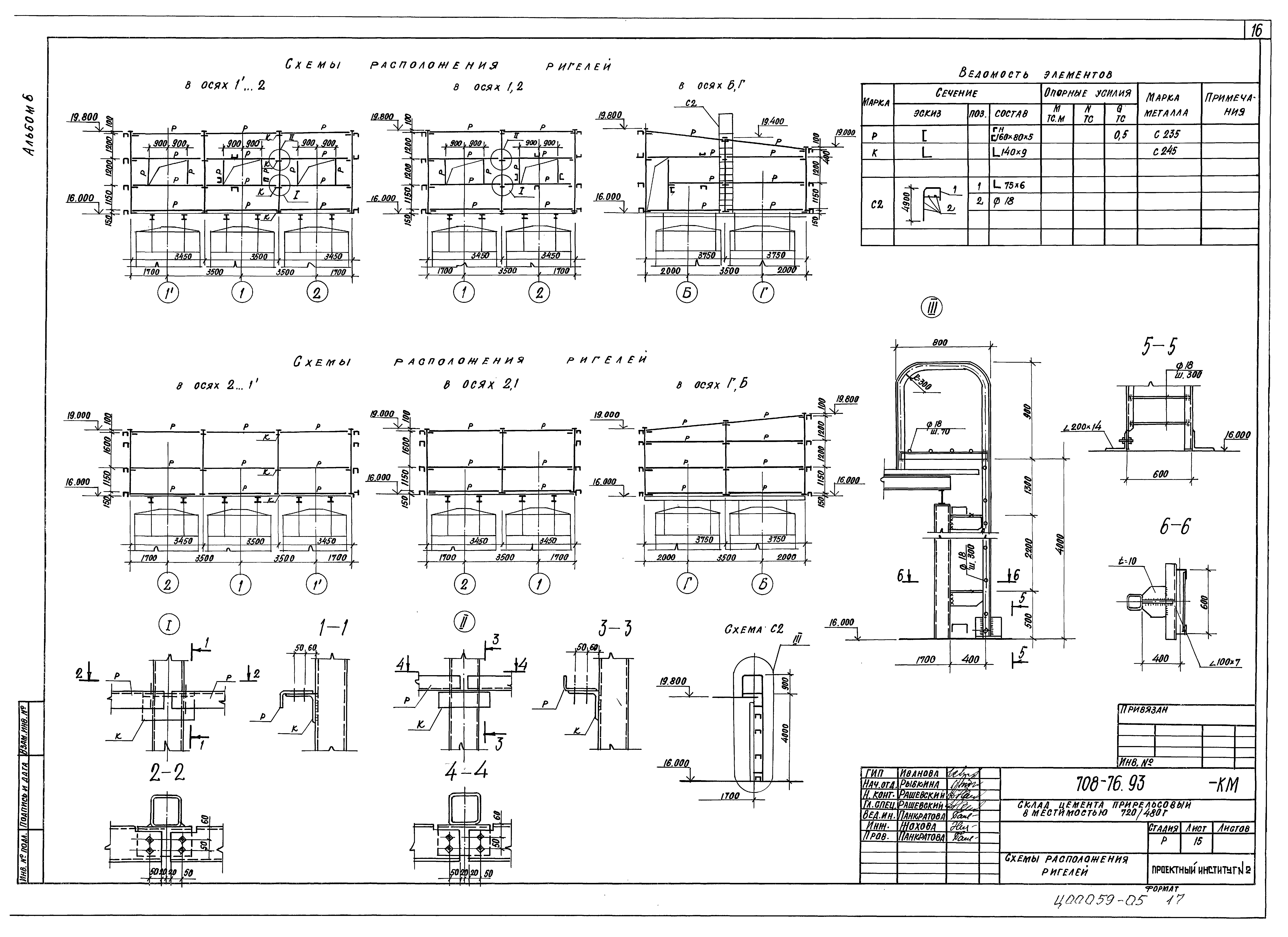
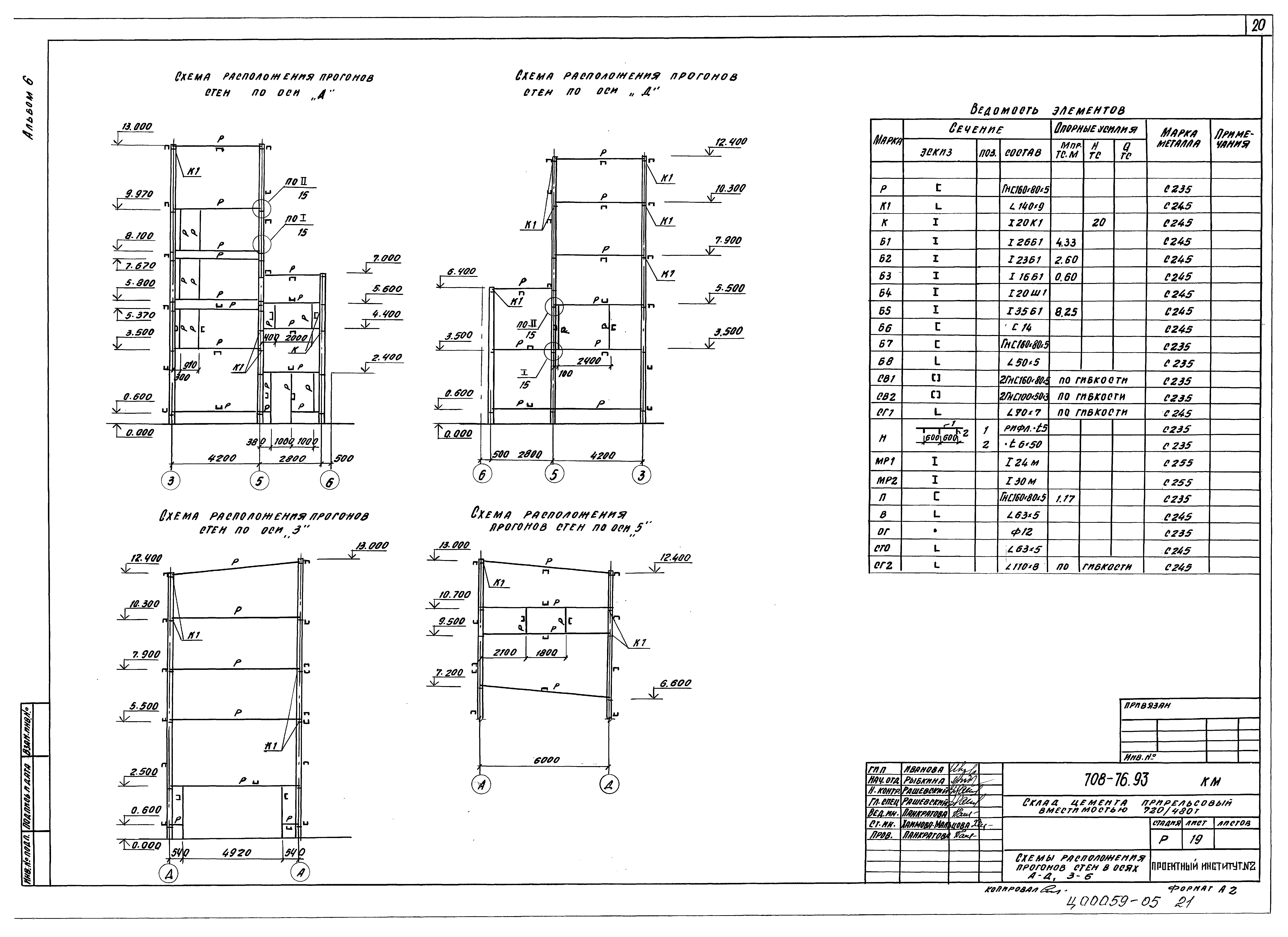
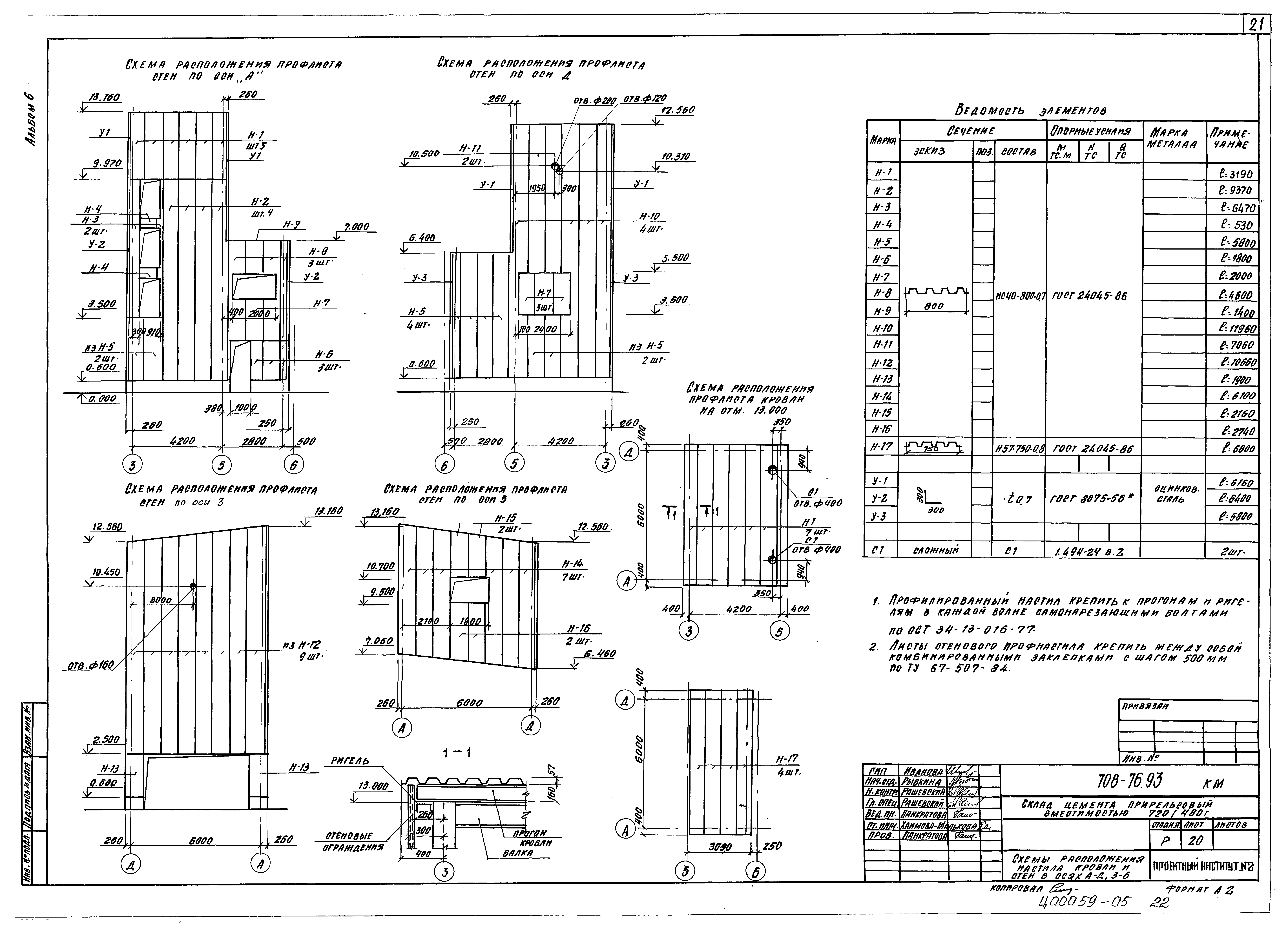
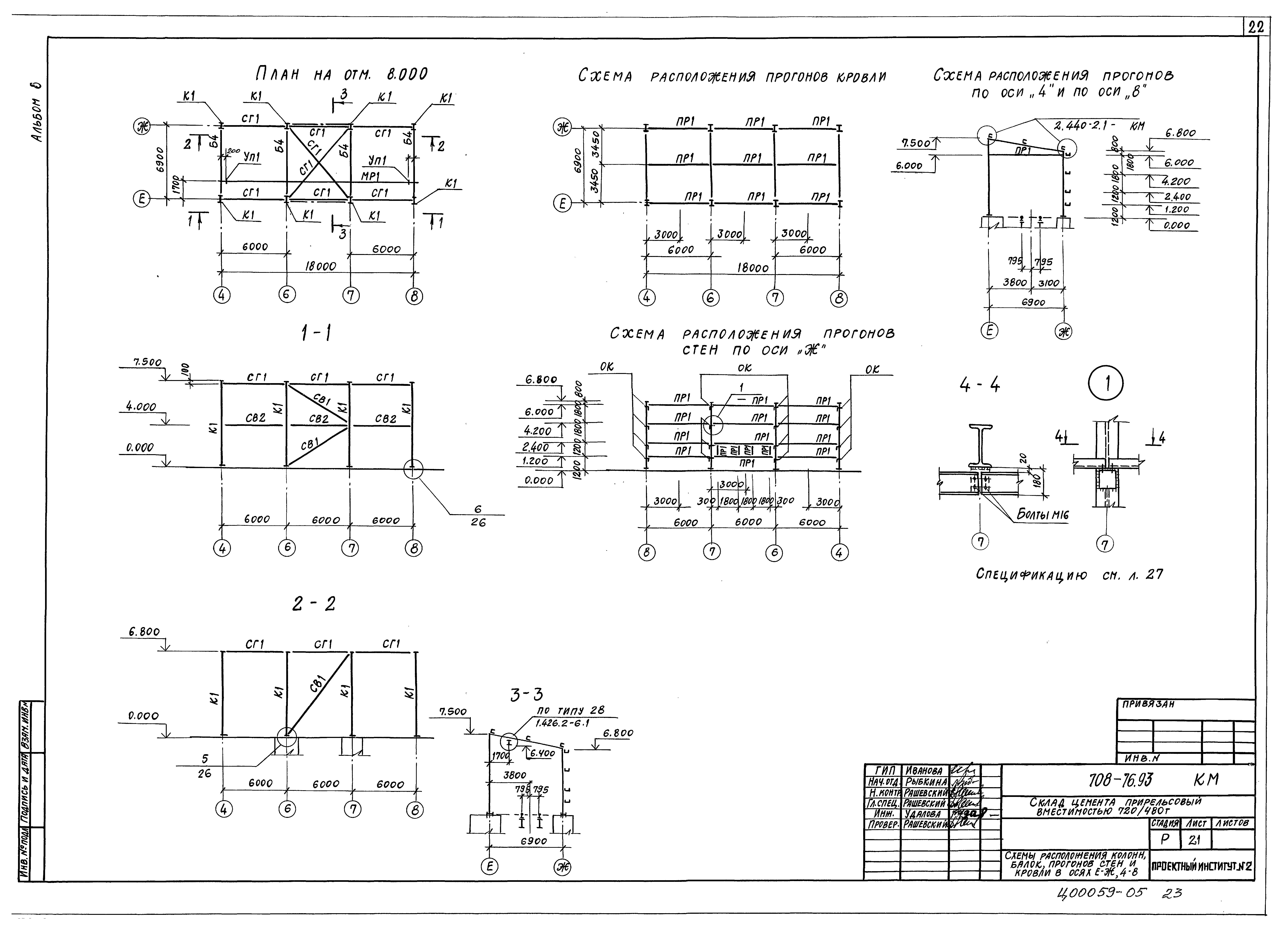
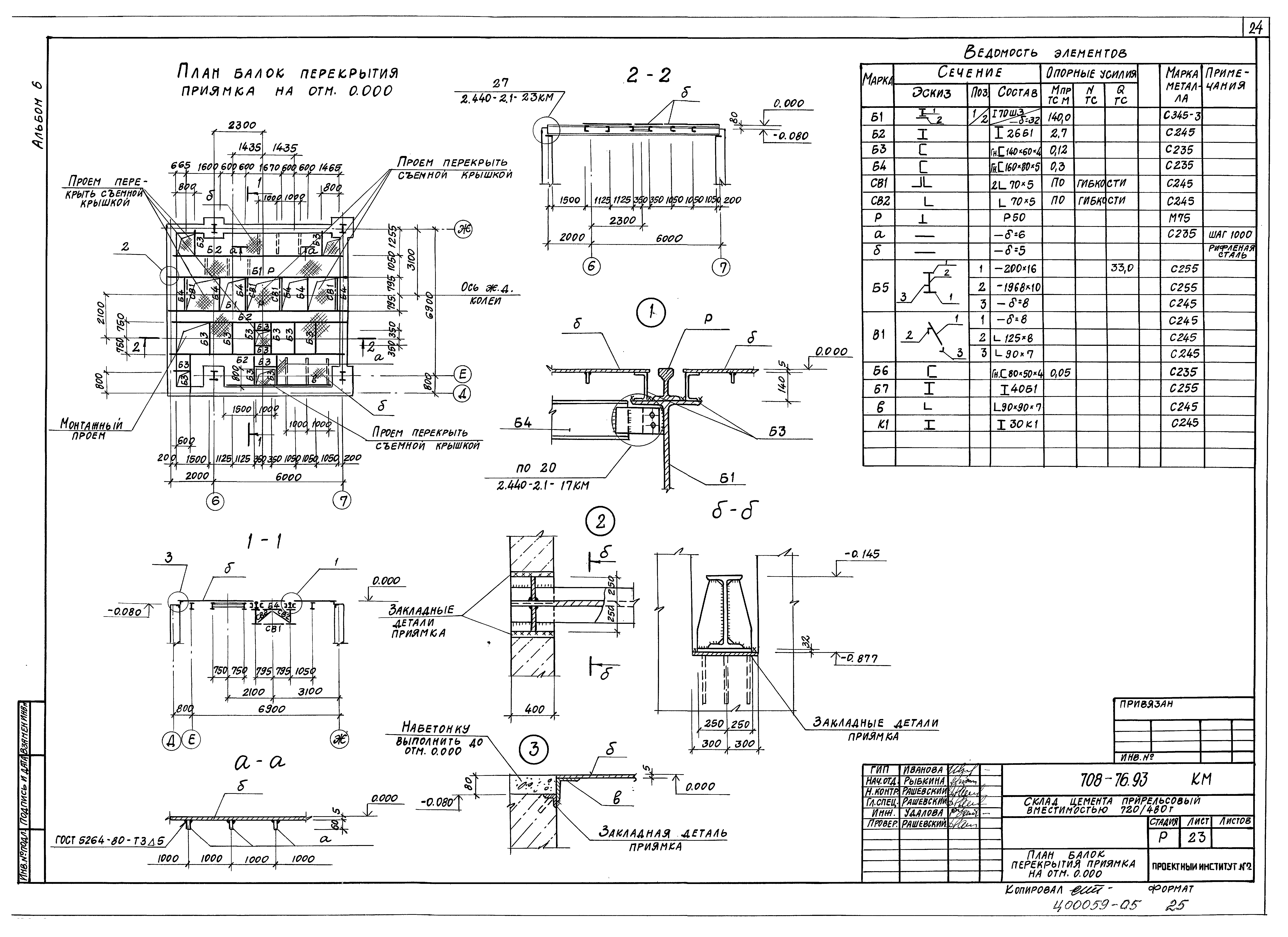
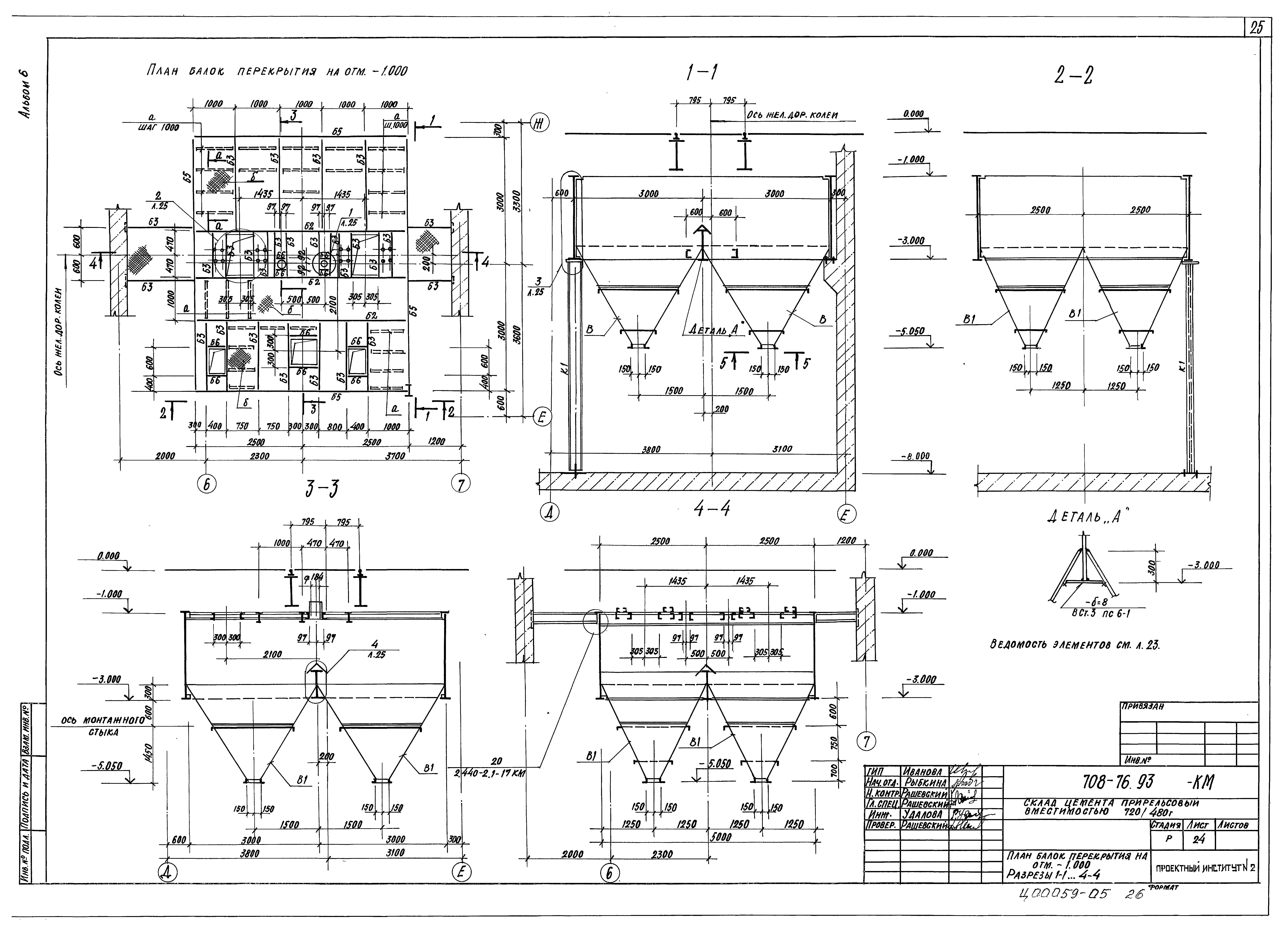
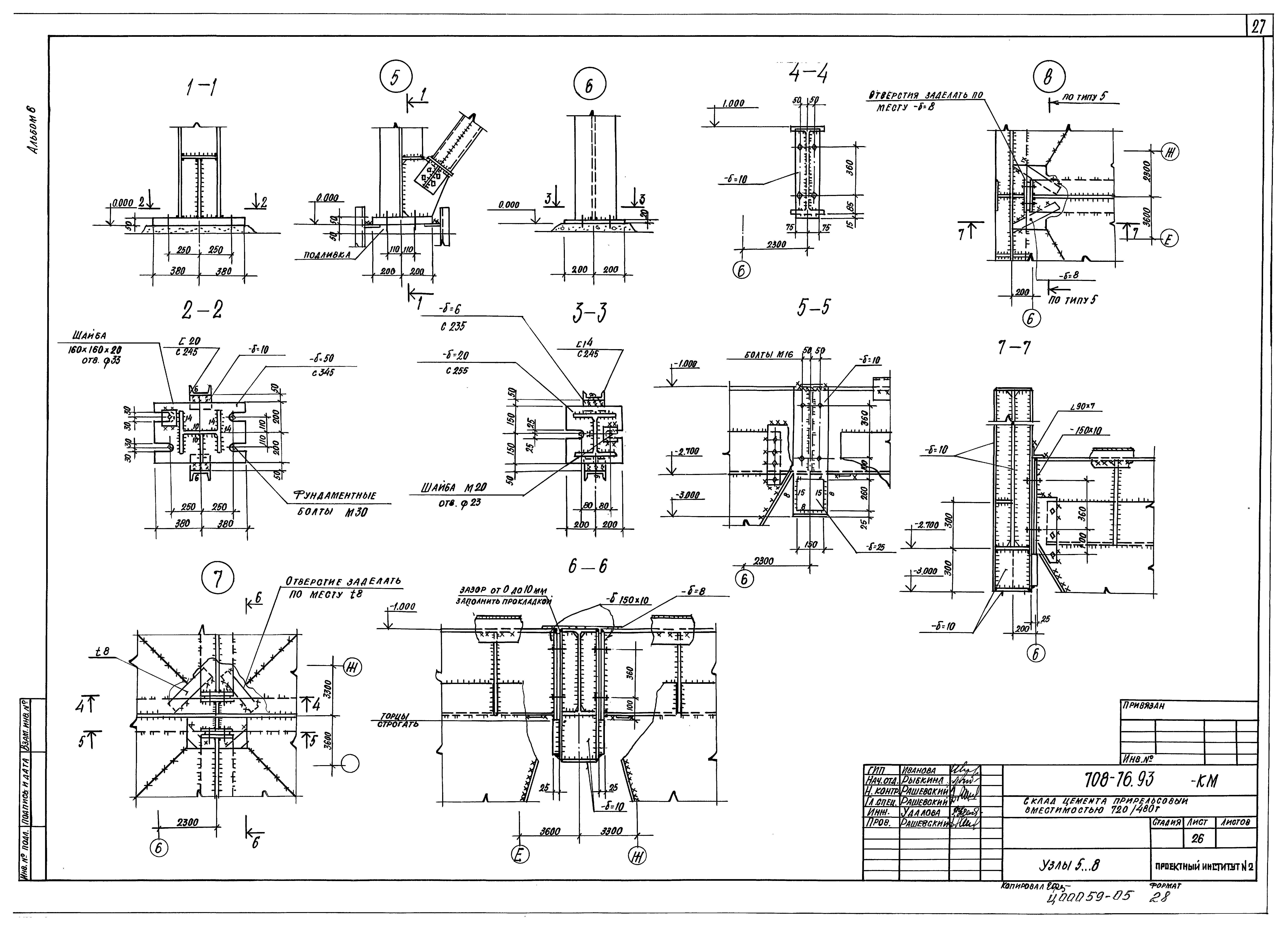
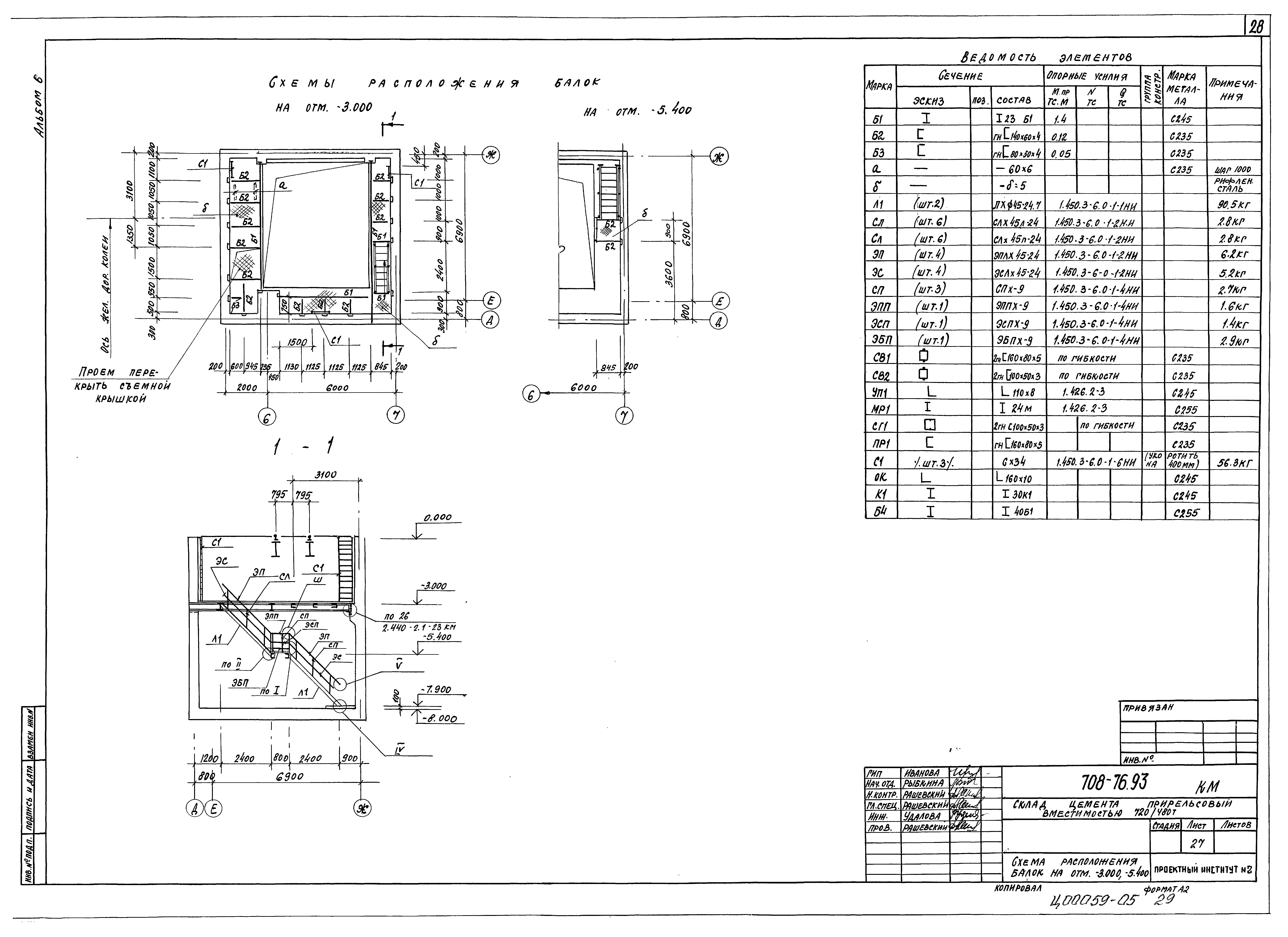
| Оглавление: | Общие данные Техническая спецификация металла Ведомость металлоконструкций по видам профилей Схема расположения балок на отм. 4.500 Опора ОП1 Схемы расположения прогонов стенового ограждения по стойкам силосов Схемы раскладки профилированного листа стен по стойкам силосов Силосные банки Воронки силоса Схемы расположения отверстий в крышках силосов Схема расположения балок перекрытия на отм. 16.000 (вместимость 720 т) Схема расположения балок перекрытия на отм. 16.000 (вместимость 480 т) Схемы расположения колонн, балок, прогонов и связей Схемы расположения ригелей Схемы расположения настила кровли и стен ограждения Схемы расположения балок, прогонов покрытия в осях А - Д, 3 - 6 Разрезы 1-1 - 9-9 Схемы расположения прогонов стен в осях А - Д; 3 - 6 Схемы расположения настила кровли и стен в осях А - Д; 3 - 6 Схемы расположения колонн, балок, прогонов стен и кровли в осях Е - Ж, 4 - 8 Схемы раскладки профлиста по покрытию и стенам План балок перекрытия приямка на отм. 0.000 План балок перекрытия на отм. - 1.000. Разрезы 1-1…4-4 План воронок. Узлы 1…4, А Узлы 5…8 Схема расположения балок на отм. - 3.000; - 5.400 Лестница Л1 Узлы I - III |
| Разработан: | Гипростроммаш Проектный институт №2 |
| Утверждён: | 30.11.1993 Главпроект Госстроя России (9-3-1/254) |






























