Скачать Типовой проект 708-76.93 Альбом 7. Строительные изделияДата актуализации: 01.01.2021
|
| Обозначение: | Типовой проект 708-76.93 |
| Обозначение англ: | 708-76.93 |
| Статус: | не определен законодательством |
| Название рус.: | Альбом 7. Строительные изделия |
| Дата добавления в базу: | 01.10.2014 |
| Дата актуализации: | 01.01.2021 |
| Дата введения: | 06.12.1993 |
| Дата окончания срока действия: | 30.06.2003 |
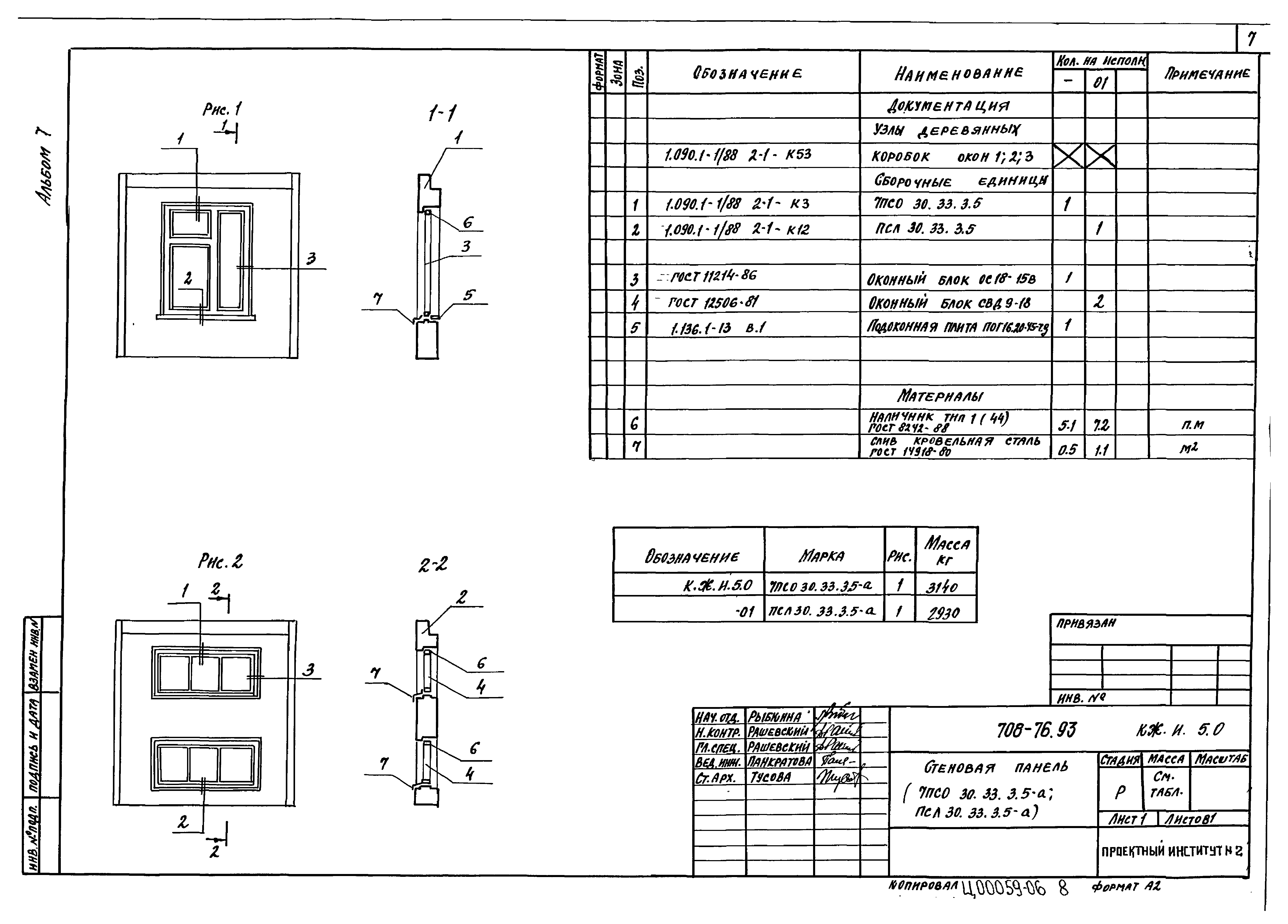
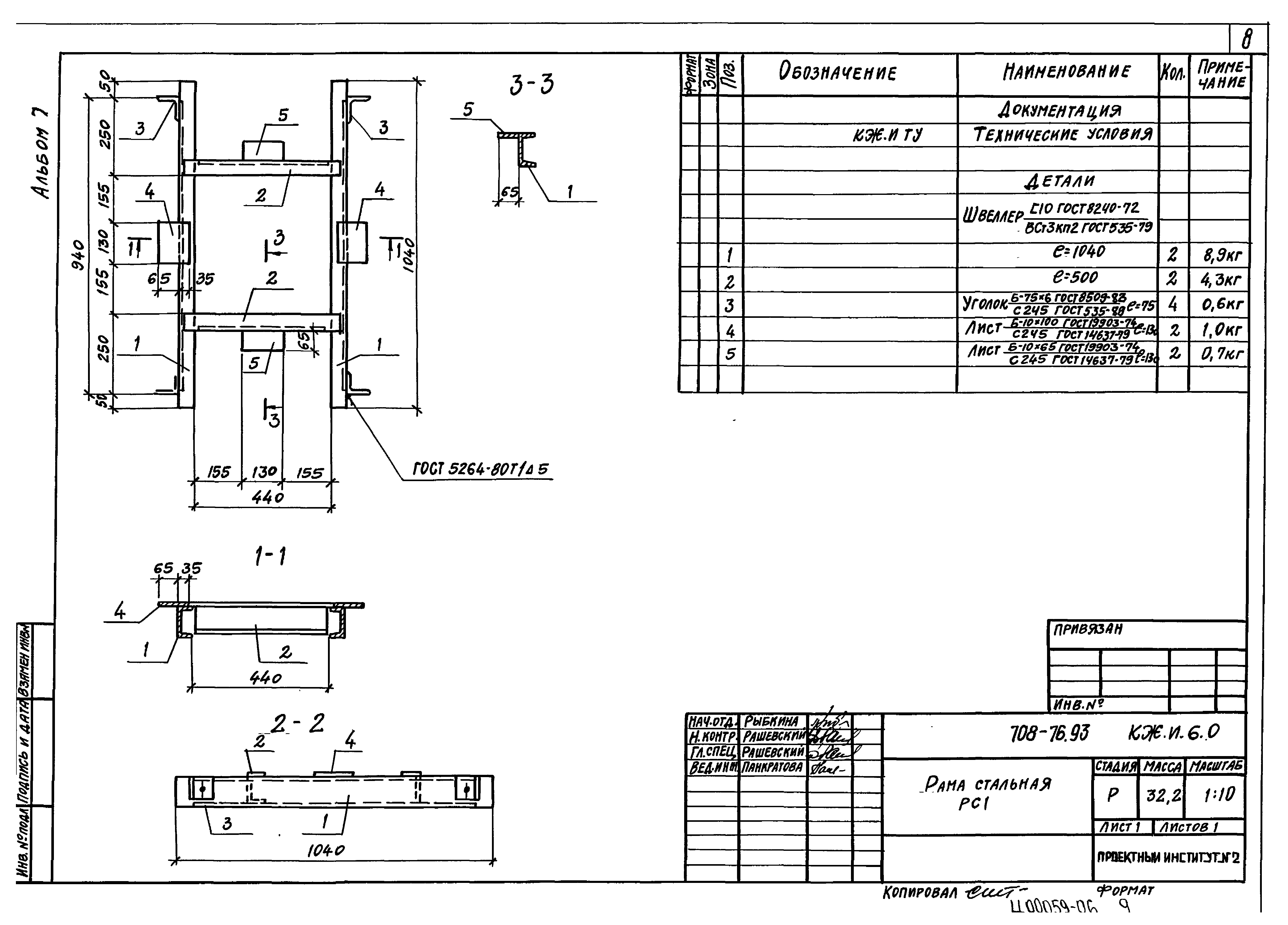
| Оглавление: | Содержание Технические условия на изготовление арматурных и закладных изделий Изделие закладное МН1 Фундамент Ф1 Колонна К1 Плита (ПР60.15-6АтV-а; ПР60.15-6АтV-б) Стеновая панель (7ПСО30.33.3.5-а; ПСЛ30.33.3.5-а) Рама стальная РС1 Изделие соединительное МС1. Изделие закладное МН2 Анкерный болт А1 Изделие закладное (МН3, МН4) Анкерный блок (А2, А3) Каркас пространственный (КП1, КП2) Сетки арматурные (С1…С7) |
| Разработан: | Гипростроммаш Проектный институт №2 |
| Утверждён: | 30.11.1993 Главпроект Госстроя России (9-3-1/254) |













