Скачать Типовые проектные решения 820-2-035.92 Альбом 2. Металлические узлы и деталиДата актуализации: 01.01.2021
|
| Обозначение: | Типовые проектные решения 820-2-035.92 |
| Обозначение англ: | 820-2-035.92 |
| Статус: | справочные материалы, мп, тпр |
| Название рус.: | Альбом 2. Металлические узлы и детали |
| Дата добавления в базу: | 01.10.2014 |
| Дата актуализации: | 01.01.2021 |
| Дата введения: | 18.03.1992 |
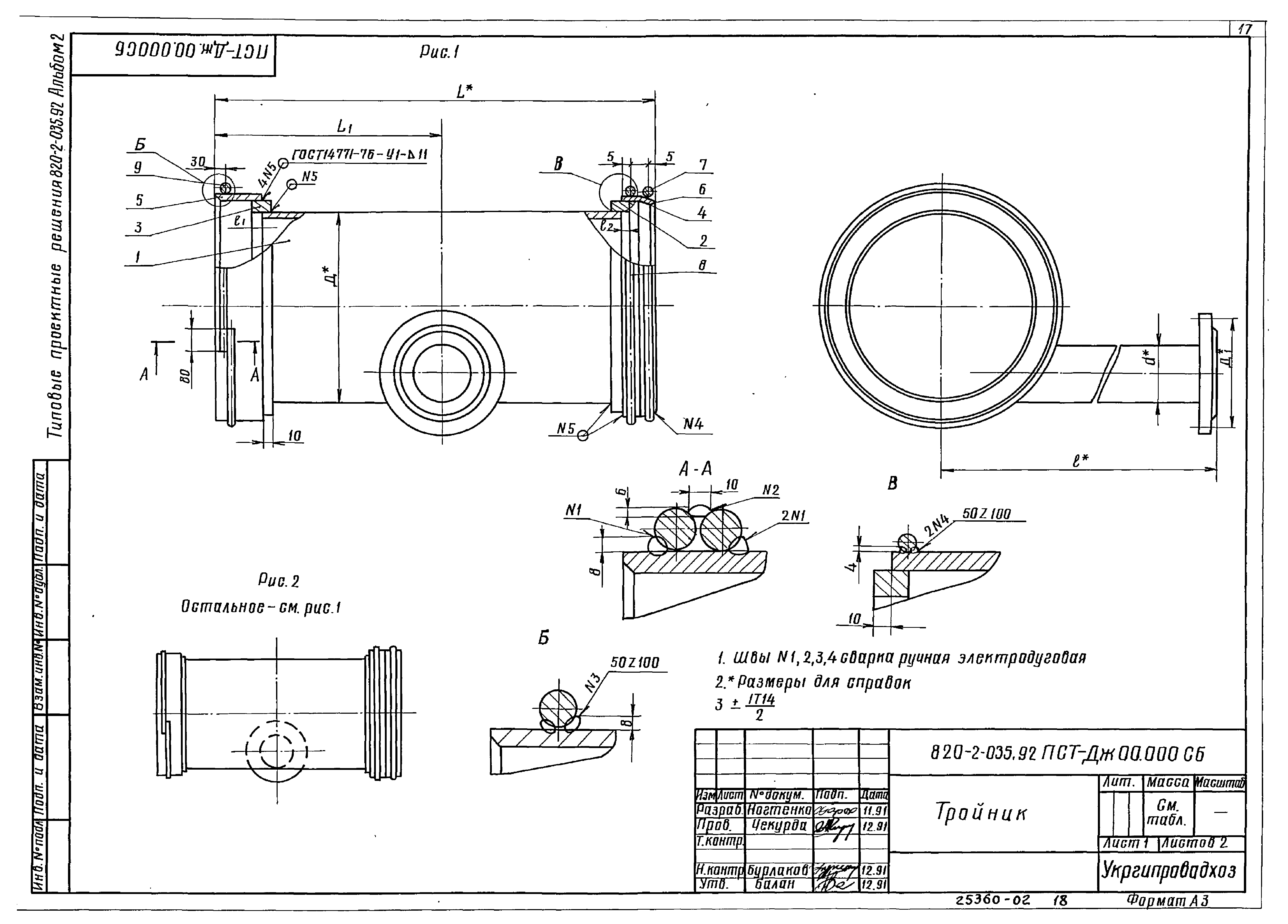
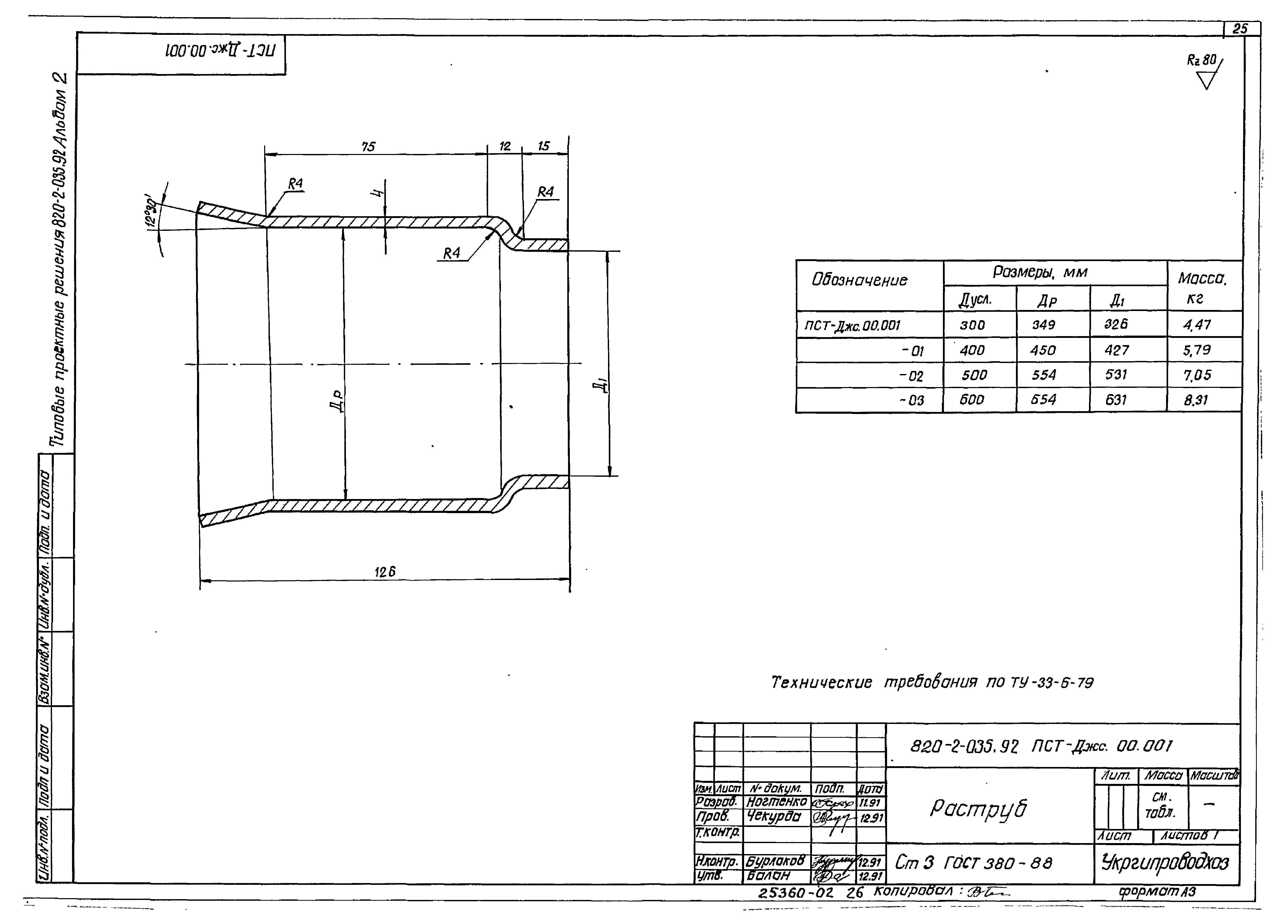
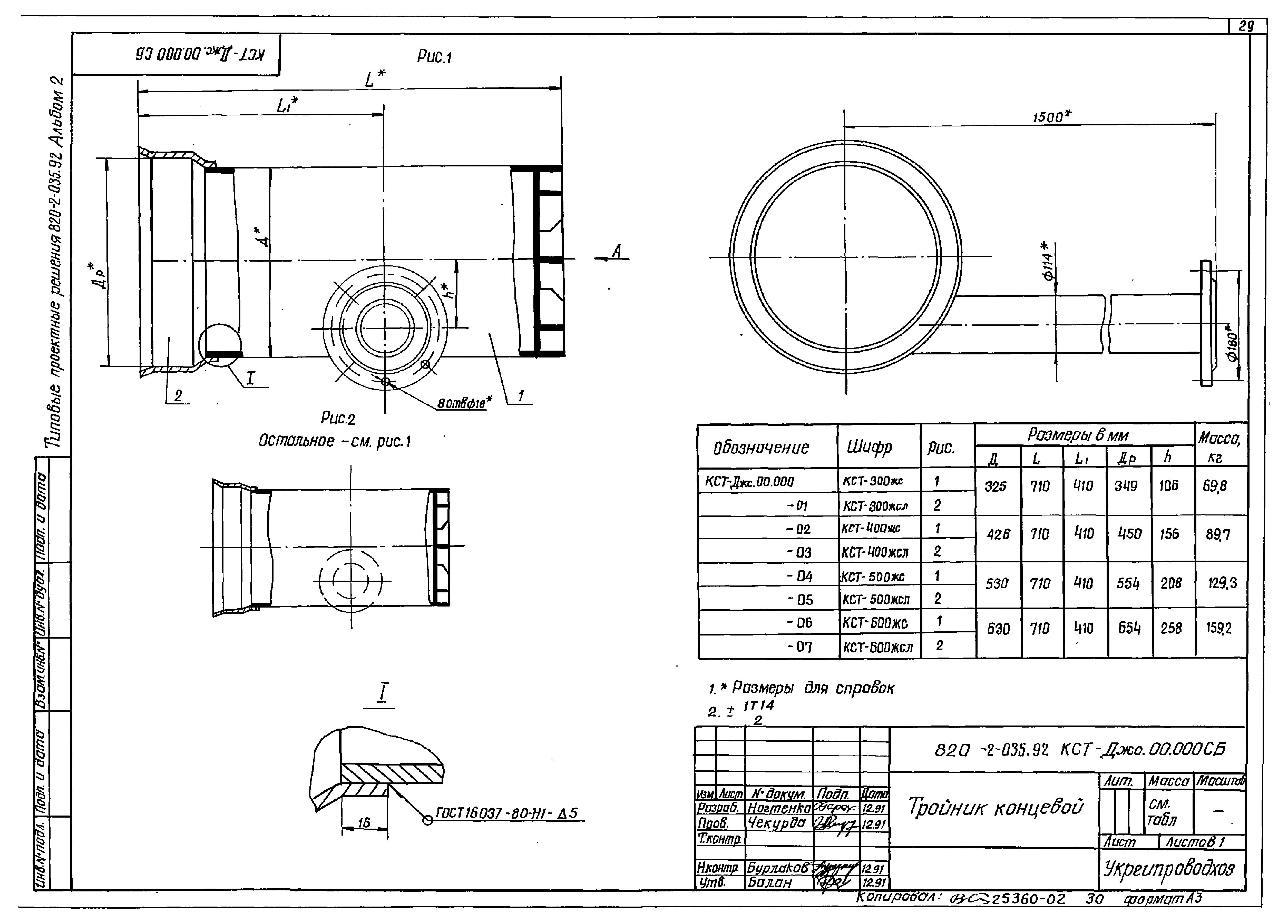
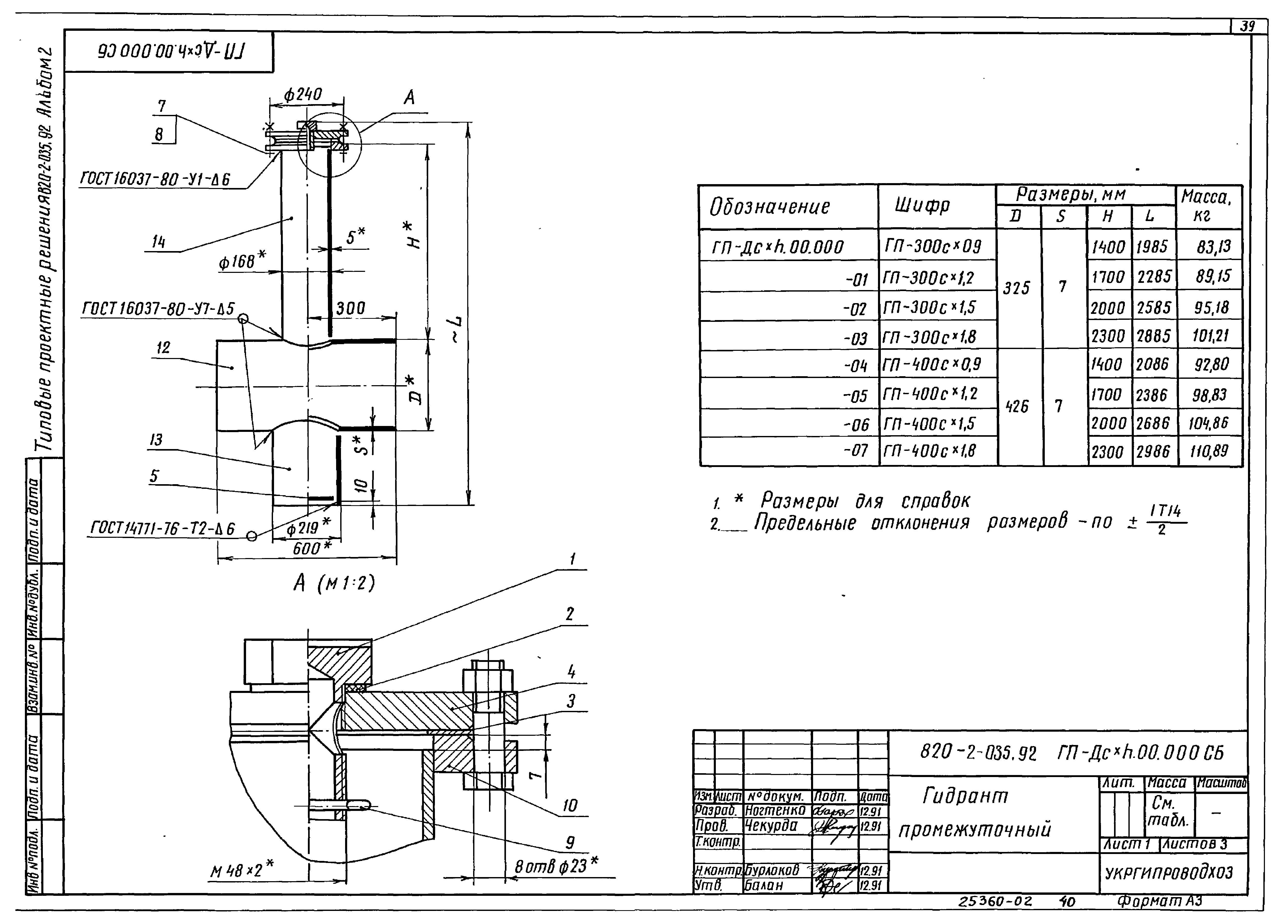
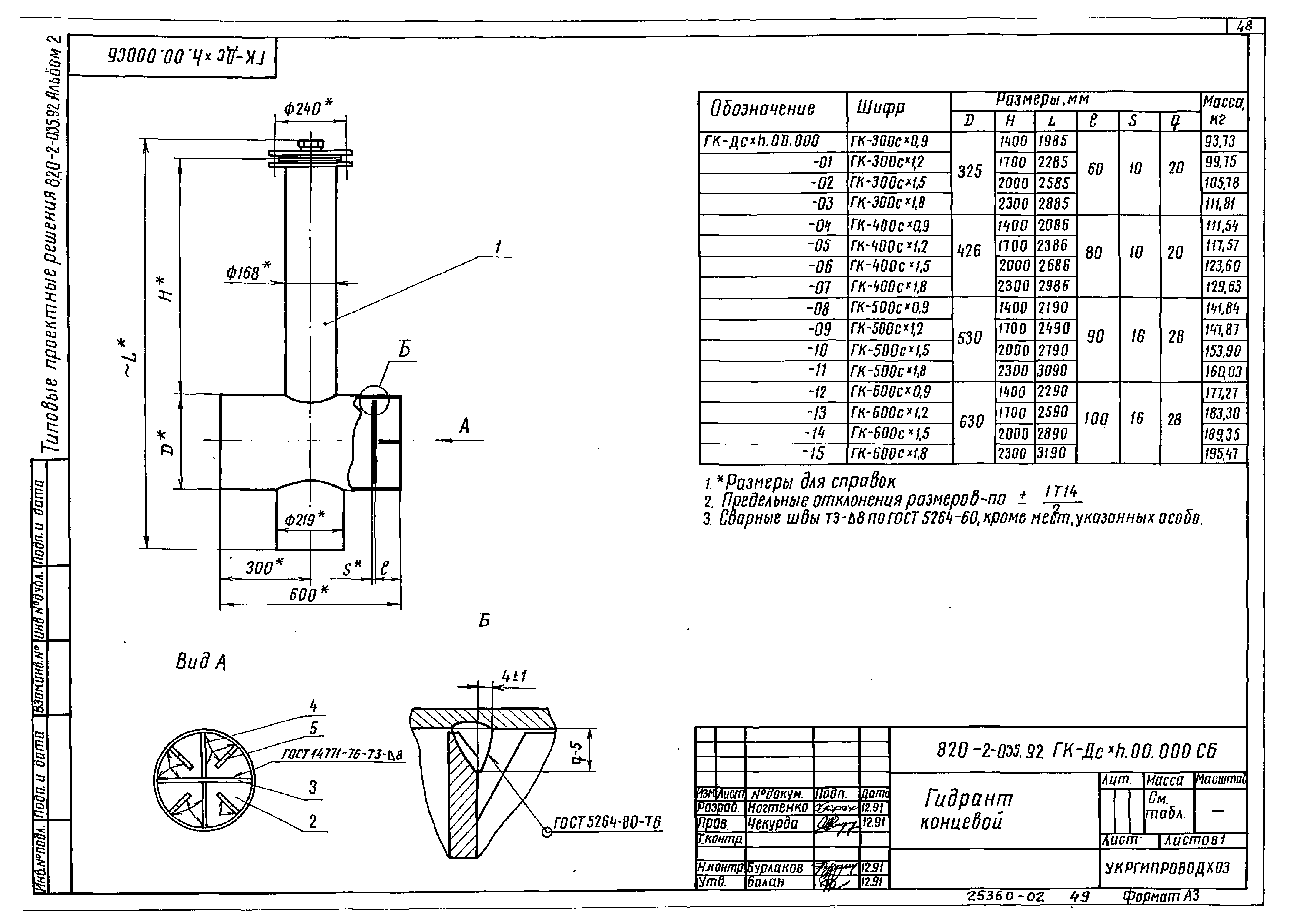
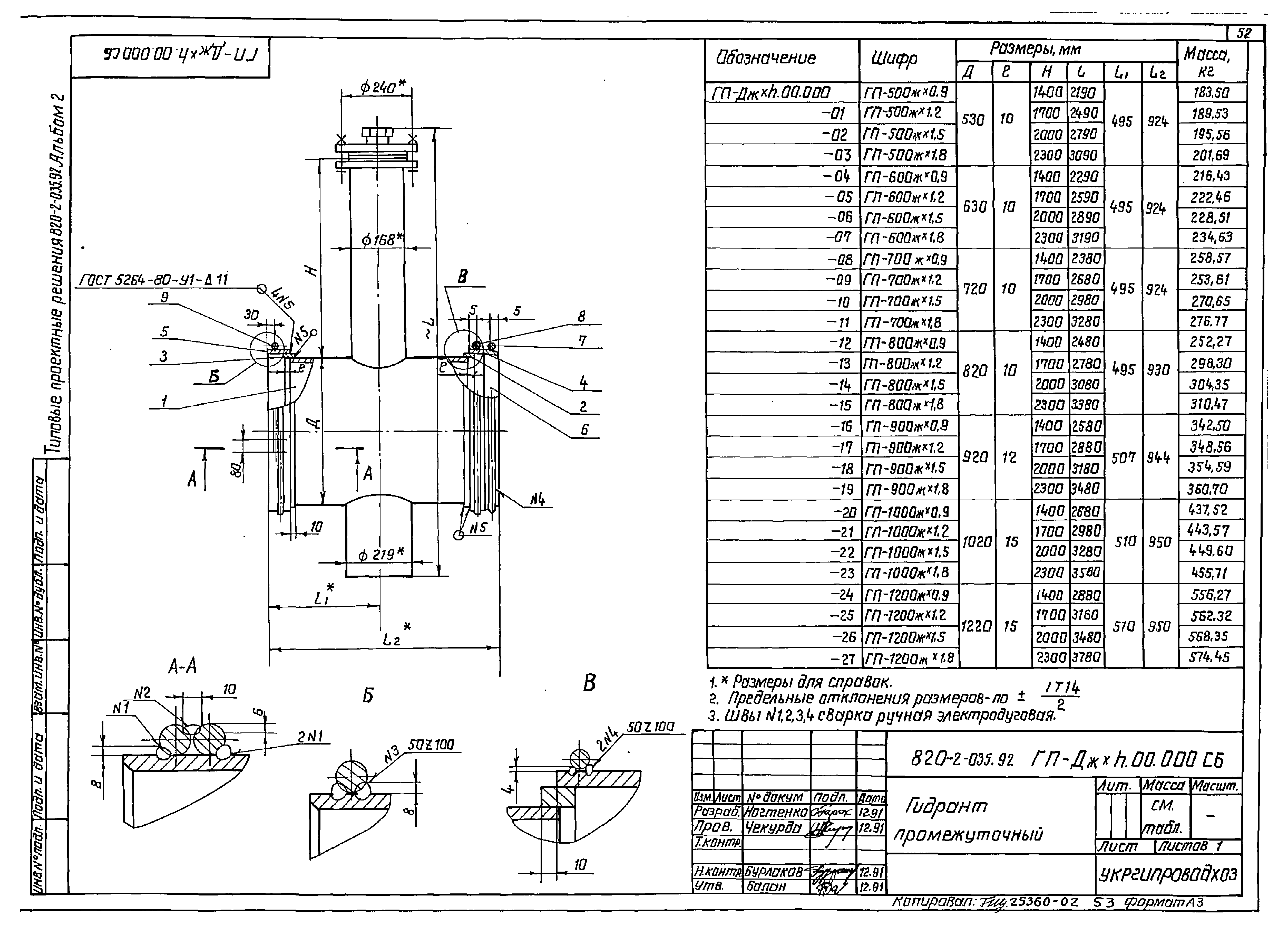
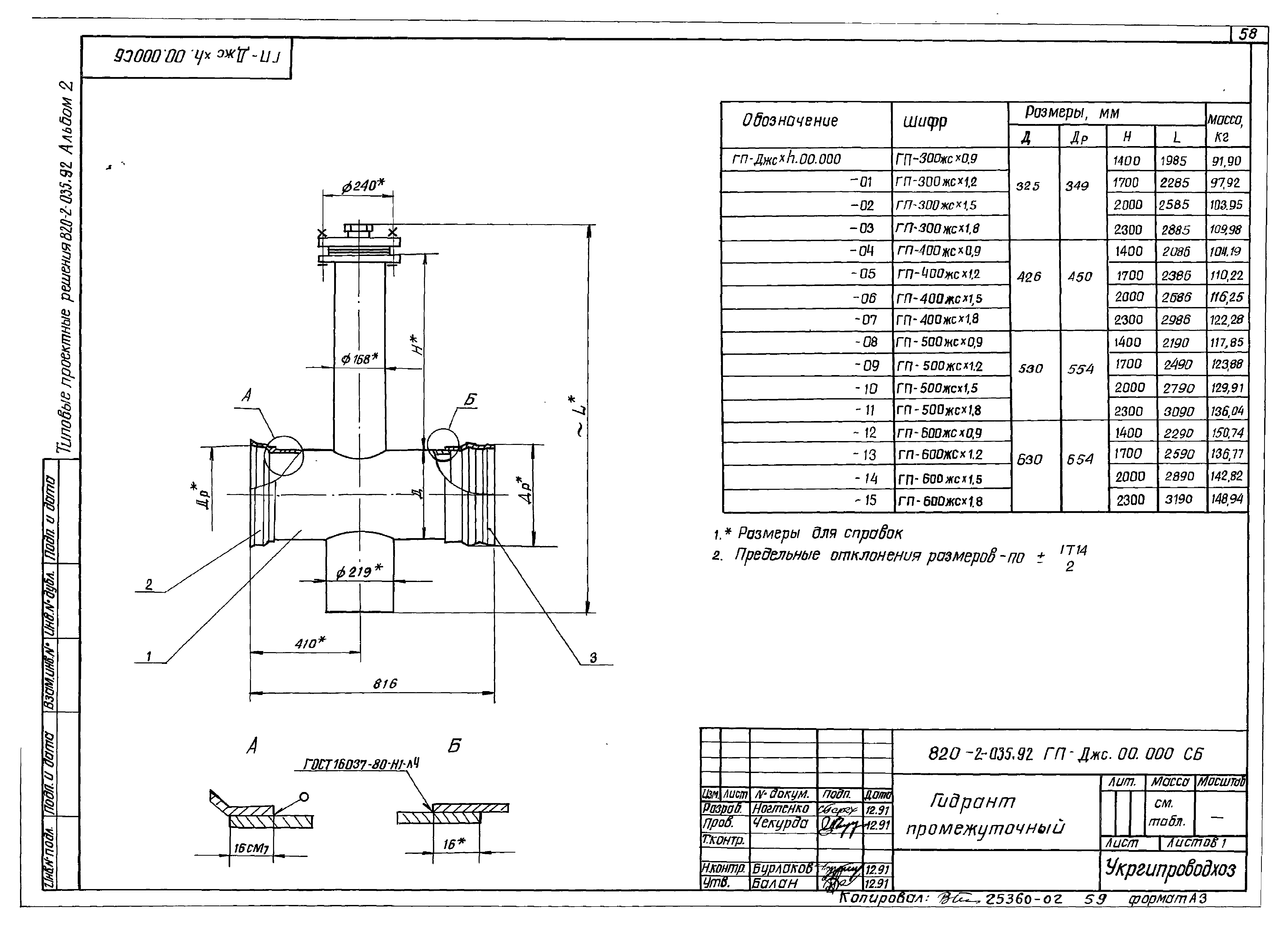
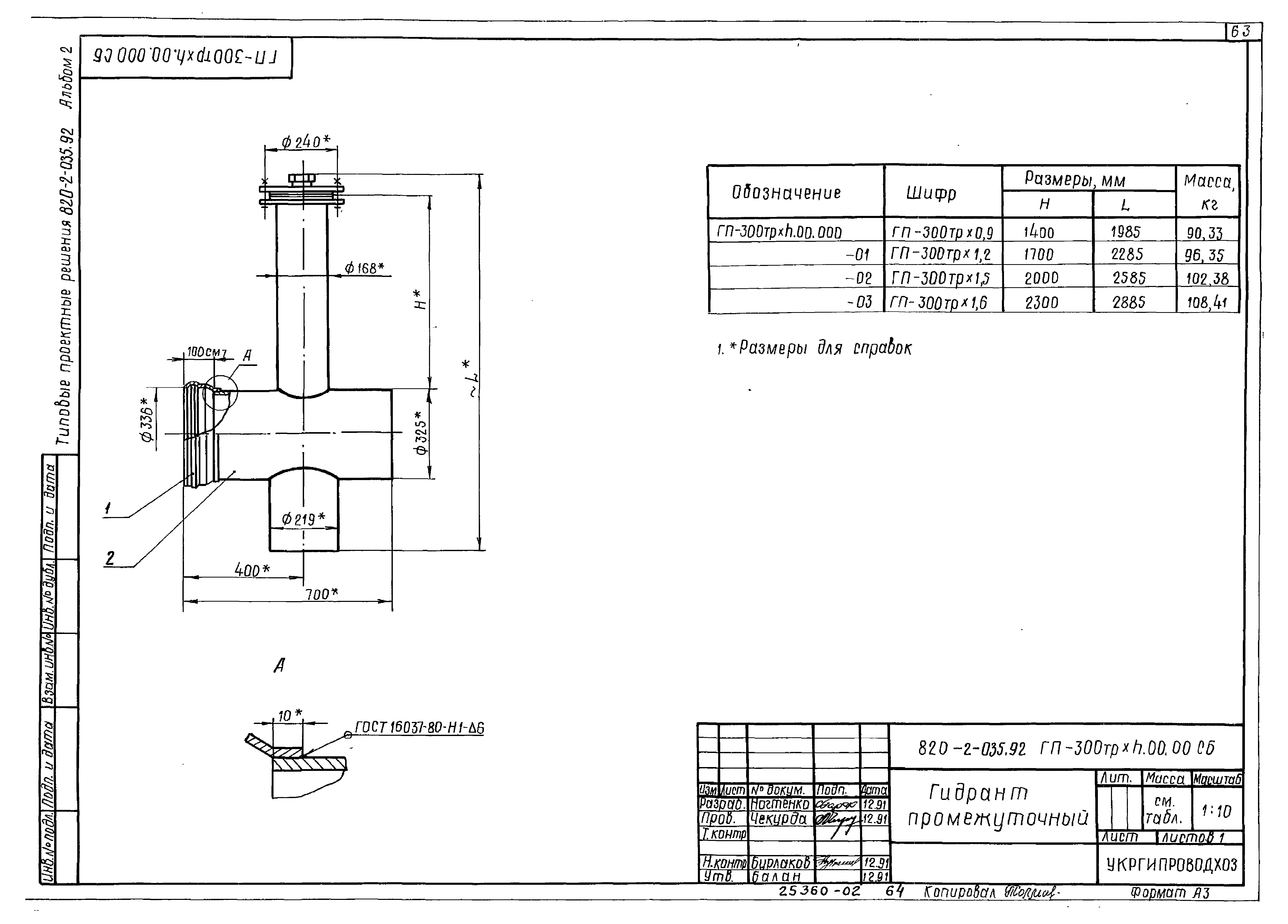
| Оглавление: | Содержание альбома ПСТ-Дс.00.000 Тройник ПСТ-Дс.00.000СБ Тройник. Сборочный чертеж ПСТ-Дс.00.000 Детали КСТ-Дс.00.000 Тройник концевой КСТ-Дс.00.000СБ Тройник концевой. Сборочный чертеж КСТ-Дс.00.000 Детали ПСТ-Дж.00.000 Тройник ПСТ-Дж.00.000СБ Тройник. Сборочный чертеж ПСТ-Дж.00.000 Детали КСТ-Дж.00.000 Тройник концевой КСТ-Дж.00.000СБ Тройник концевой. Сборочный чертеж ПСТ-Джс.00.000 Тройник ПСТ-Джс.00.000СБ Тройник. Сборочный чертеж ПСТ-Джс.00.000 Детали КСТ-Джс.00.000 Тройник концевой КСТ-Джс.00.000СБ Тройник концевой. Сборочный чертеж ПСТ-300тр.00.000 Тройник ПСТ-300тр.00.000СБ Тройник. Сборочный чертеж КСТ-300тр.00.000 Тройник концевой КСТ-300тр.00.000СБ Тройник концевой. Сборочный чертеж ГП-Дсхh.00.000 Гидрант промежуточный ГП-Дсхh.00.000СБ Гидрант промежуточный. Сборочный чертеж ГП-Дсхh.00.000 Детали ГК-Дсхh.00.000 Гидрант концевой ГК-Дсхh.00.000СБ Гидрант концевой. Сборочный чертеж ГП-Джхh.00.000 Гидрант промежуточный ГП-Джхh.00.000СБ Гидрант промежуточный. Сборочный чертеж ГК-Джхh.00.000 Гидрант концевой ГК-Джхh.00.000СБ Гидрант концевой. Сборочный чертеж ГП-Джсхh.00.000 Гидрант промежуточный ГП-Джсхh.00.000СБ Гидрант промежуточный. Сборочный чертеж ГК-Джсхh.00.000 Гидрант концевой ГК-Джсхh.00.000СБ Гидрант концевой. Сборочный чертеж ГП-300трхh.00.000 Гидрант промежуточный ГП-300трхh.00.000СБ Гидрант промежуточный. Сборочный чертеж ГК-300трхh.00.000 Гидрант концевой ГК-300трхh.00.000СБ Гидрант концевой. Сборочный чертеж |
| Разработан: | Укргипроводхоз Минводхоза Украинской ССР |
| Утверждён: | 18.03.1992 Водстрой (873) |
| Заменяет собой: |
|

































































