Скачать Типовые проектные решения 820-4-046.92 Альбом 1. Пояснительная записка. Строительные решения. Конструкции железобетонныеДата актуализации: 01.01.2021
|
| Обозначение: | Типовые проектные решения 820-4-046.92 |
| Обозначение англ: | 820-4-046.92 |
| Статус: | справочные материалы, мп, тпр |
| Название рус.: | Альбом 1. Пояснительная записка. Строительные решения. Конструкции железобетонные |
| Дата добавления в базу: | 01.10.2014 |
| Дата актуализации: | 01.01.2021 |
| Дата введения: | 30.06.1992 |
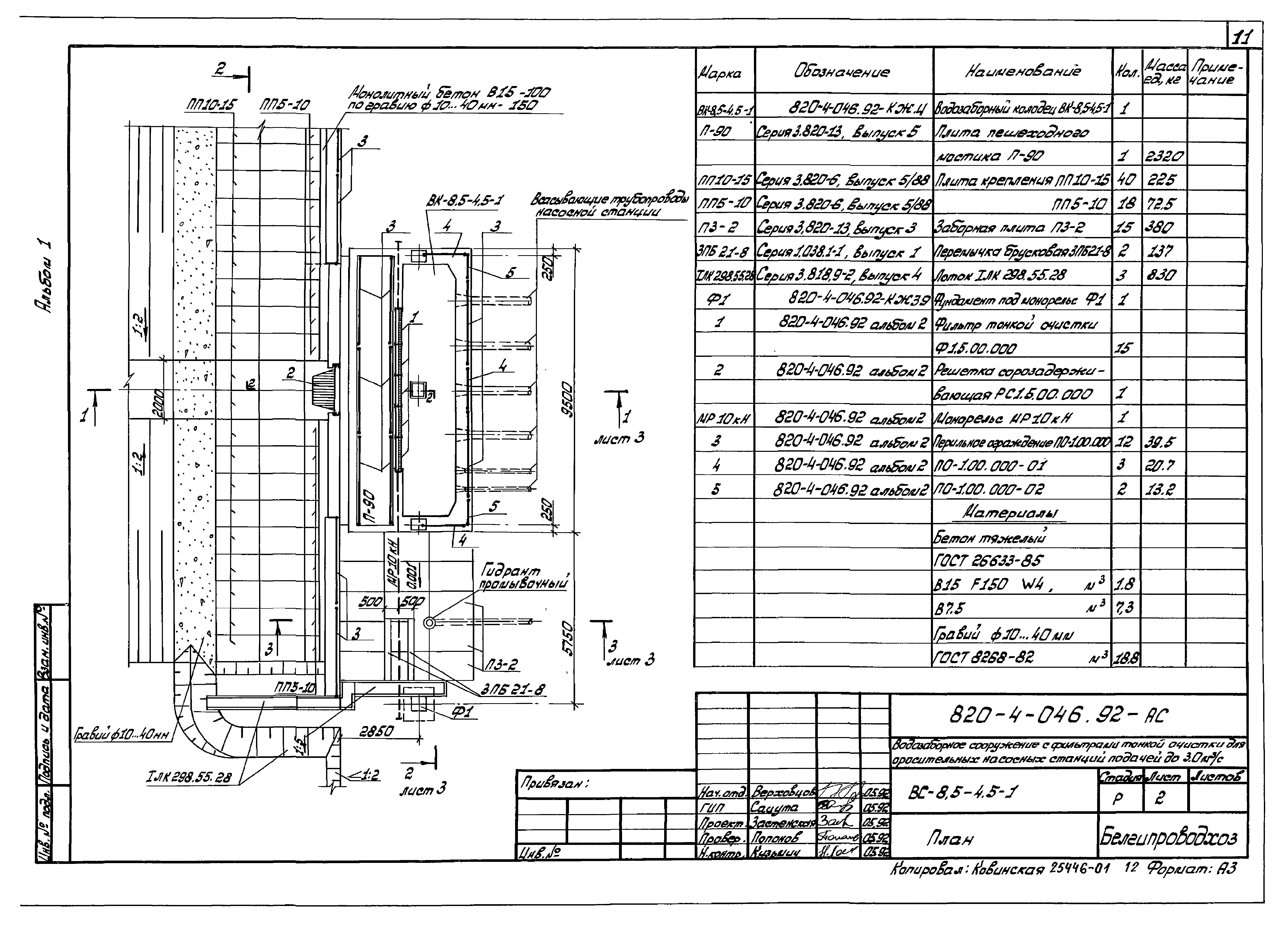
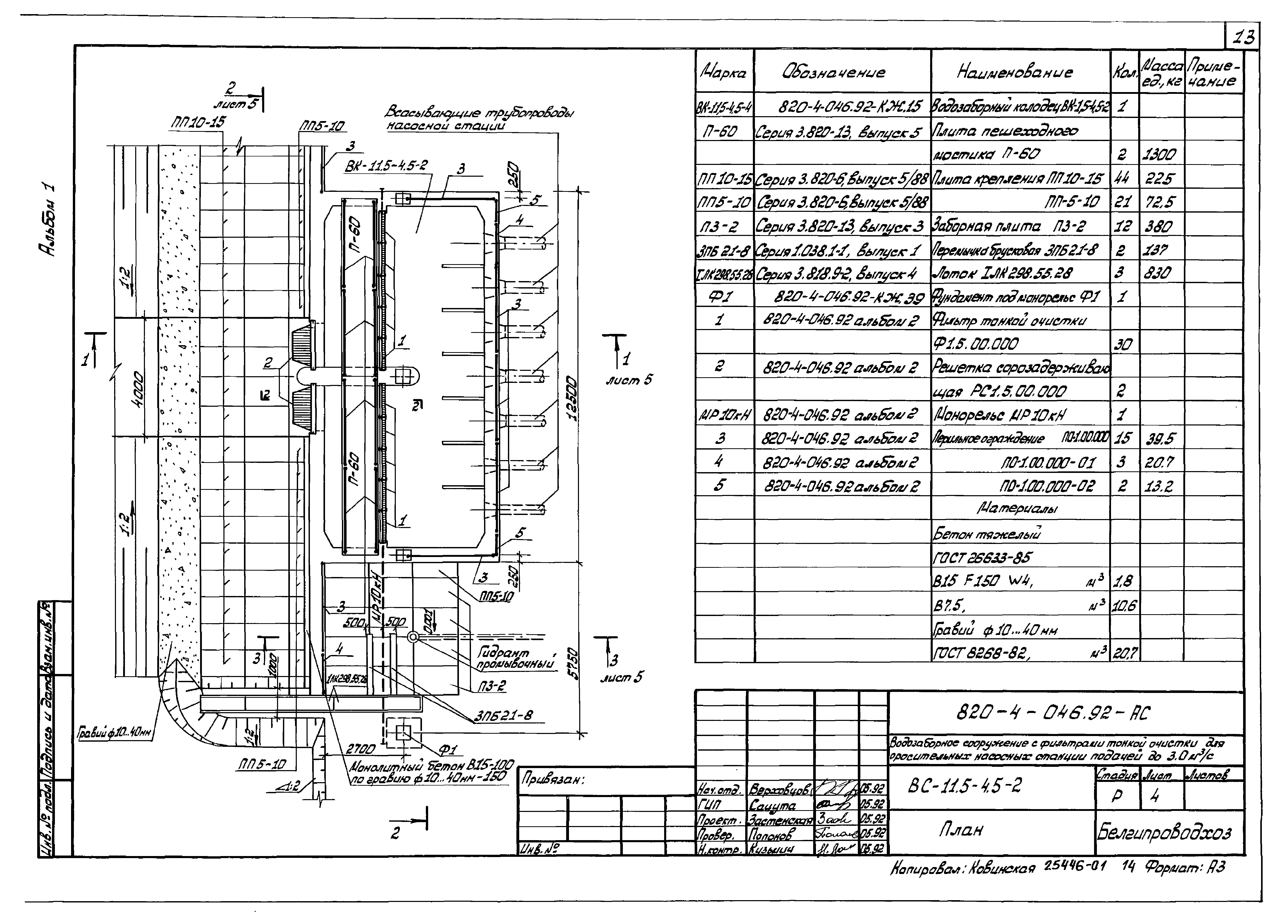
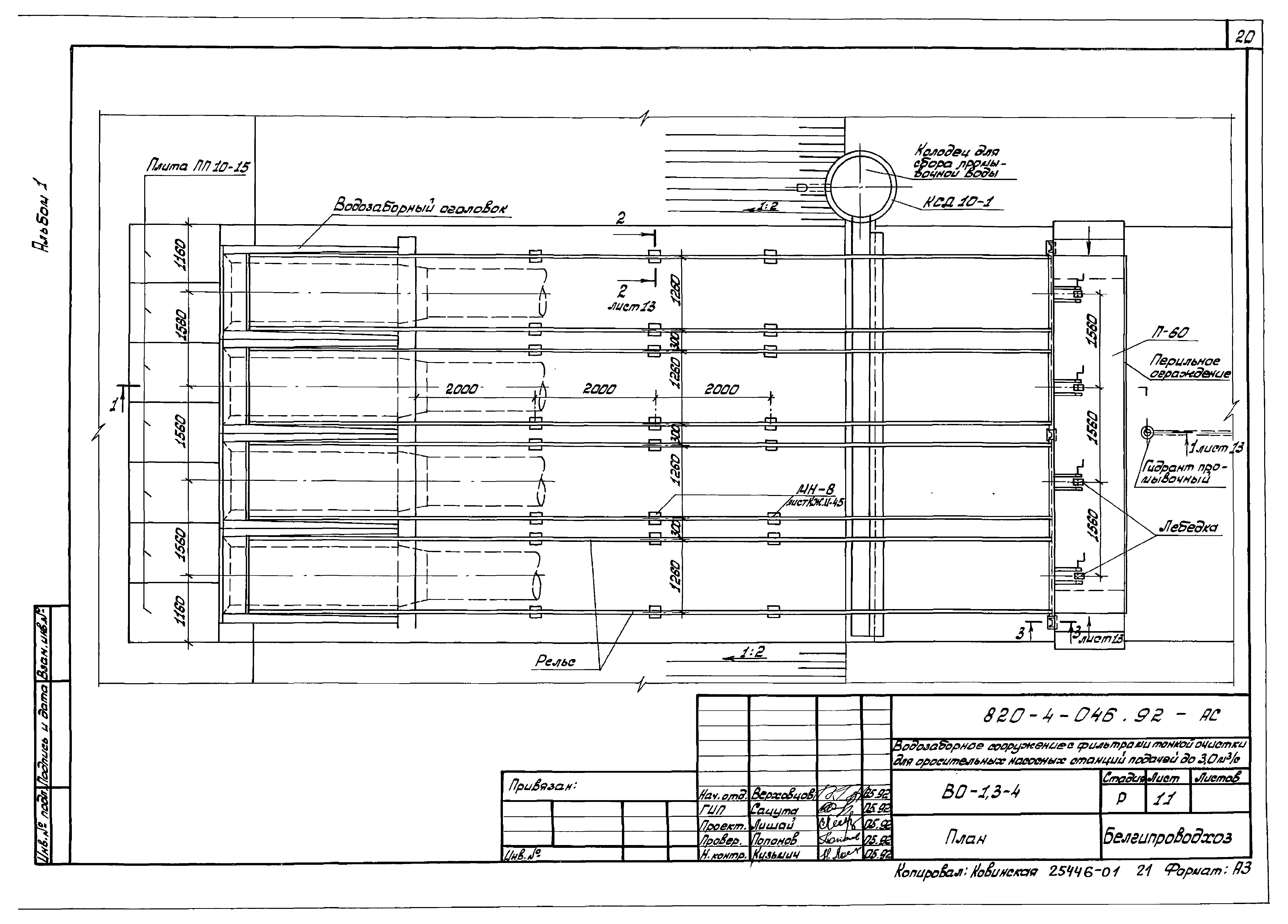
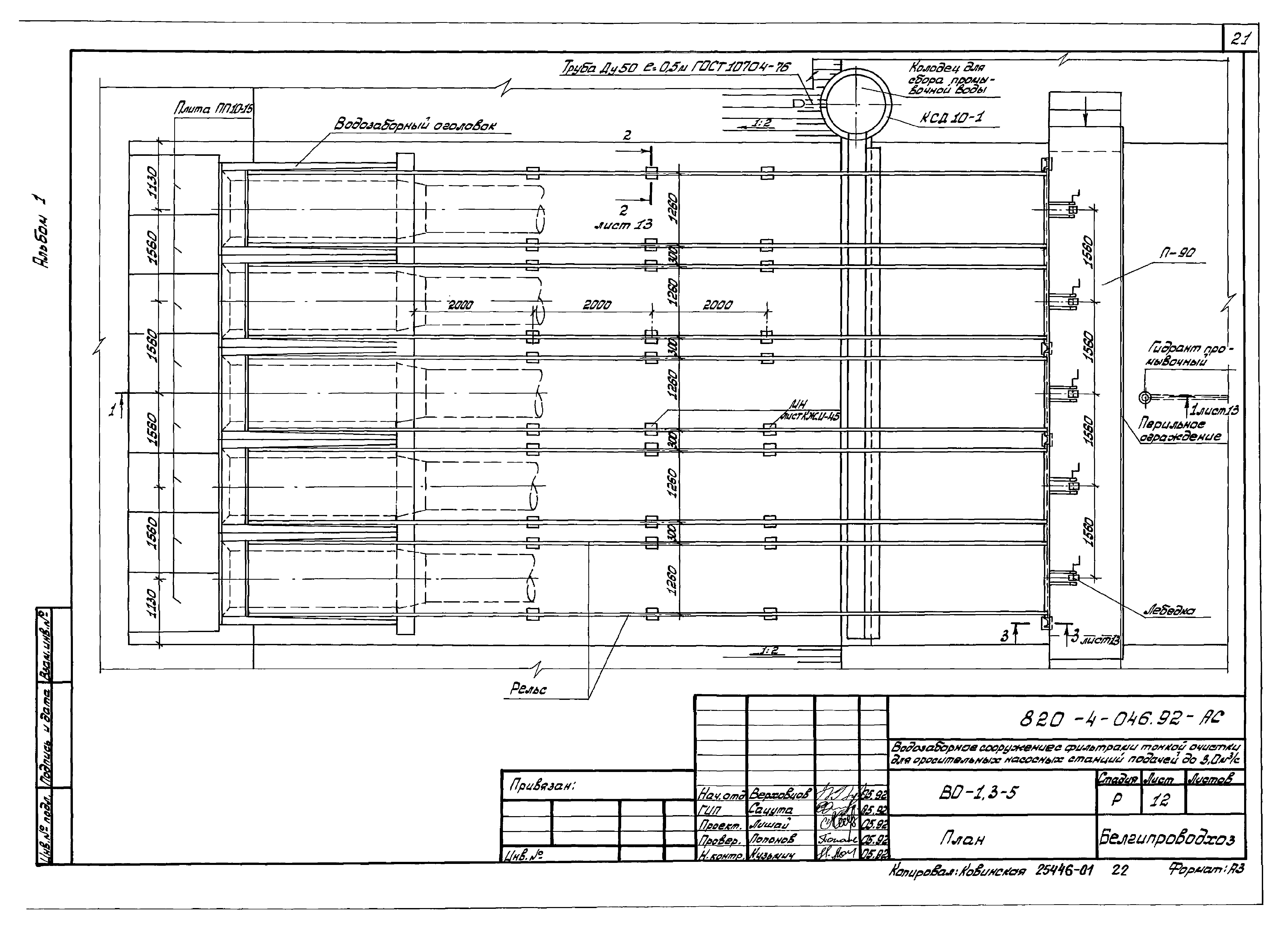
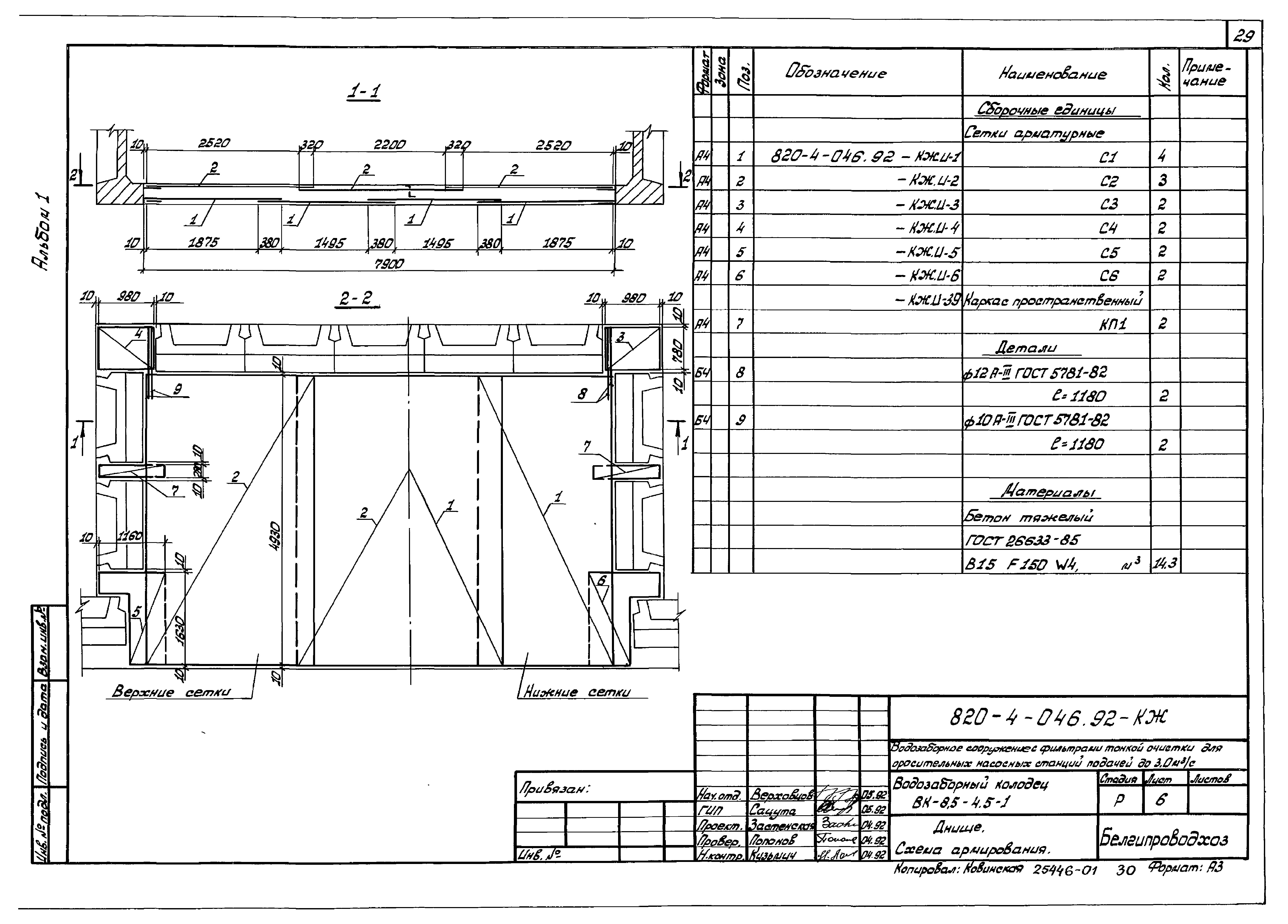
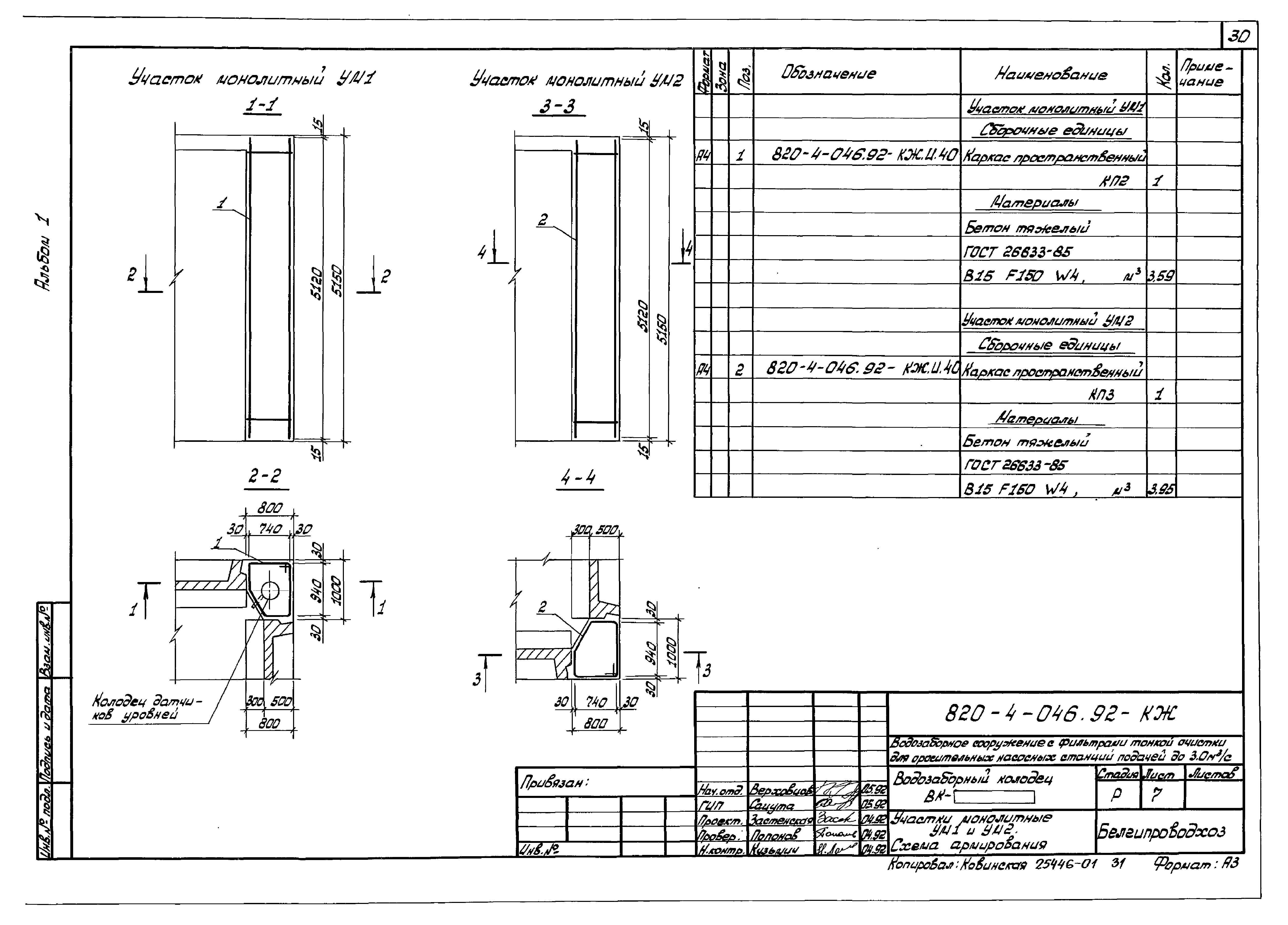
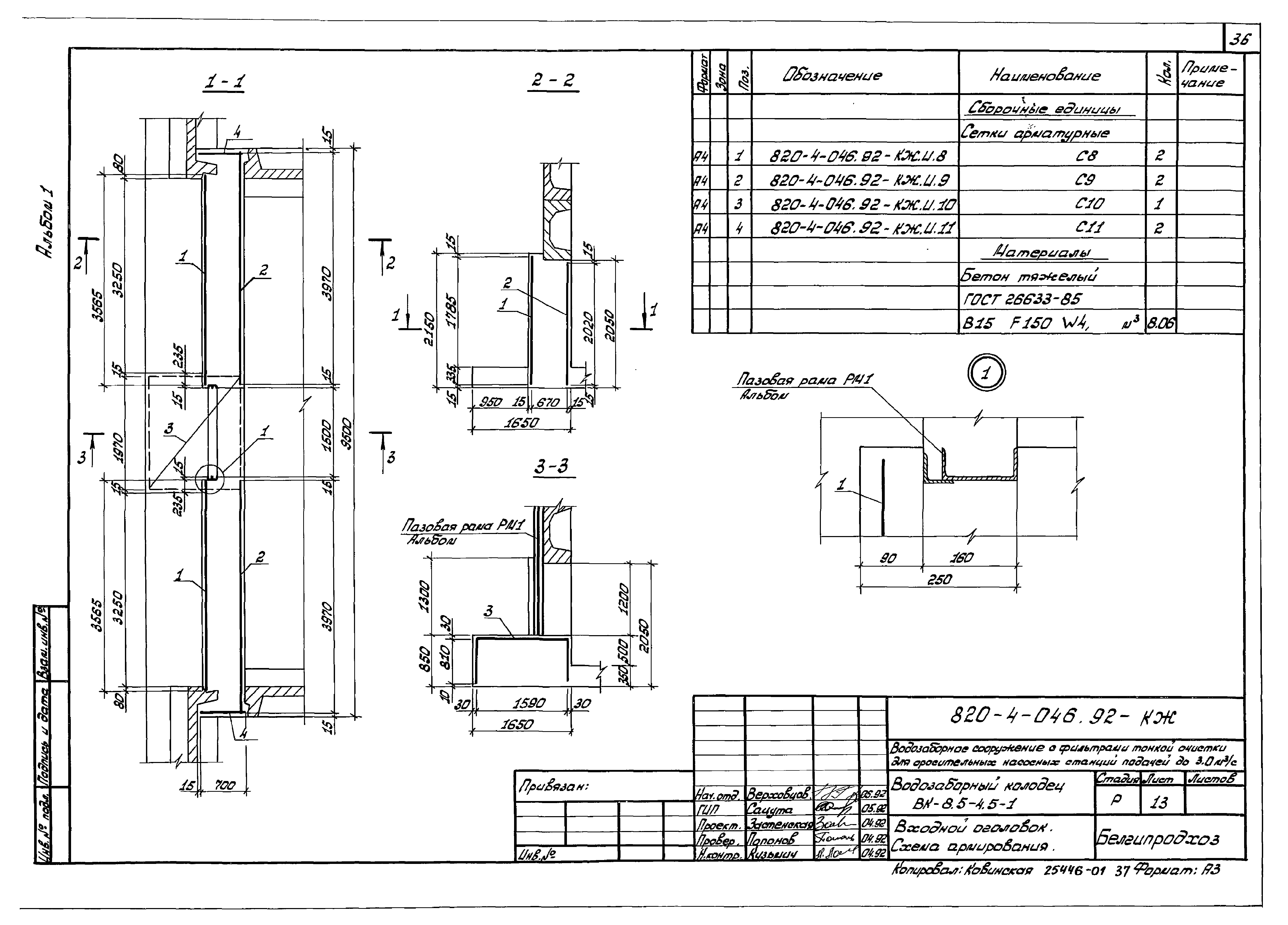
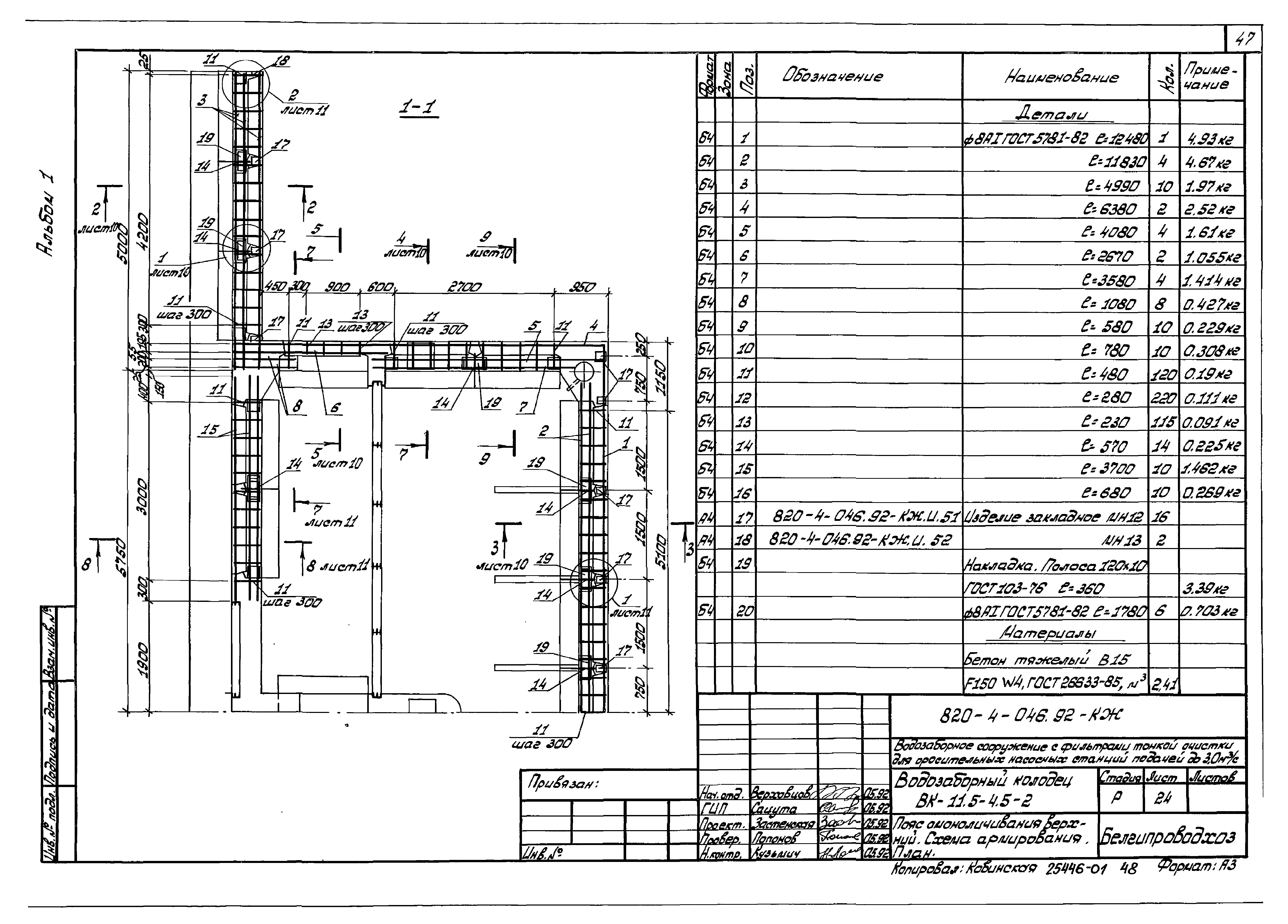
| Оглавление: | Пояснительная записка Чертежи основного комплекта марки АС Общие данные ВС-8,5-4,5-1. План ВС-8,5-4,5-1. Разрезы 1-1 и 2-2 ВС-11,5-4,5-2. План ВС-11,5-4,5-2. Разрезы 1-1 и 2-2 ВС-11,5-4,5-4. План ВС-11,5-4,5-4. Разрезы 1-1 и 2-2 Покрытие плит пролетного строения ВО-1,3-2. План ВО-1,3-3. План ВО-1,3-4. План ВО-1,3-5. План ВО-1,3-2, ВО-1,3-3, ВО-1,3-4, ВО-1,3-5. Разрезы 1-1, 2-2, 3-3 ВО-1,3-2, ВО-1,3-3, ВО-1,3-4, ВО-1,3-5. Спецификации Чертежи основного комплекта марки КЖ Общие данные Водозаборный колодец ВК-8,5-4,5-1. Спецификация. План Водозаборный колодец ВК-8,5-4,5-1. Разрезы 1-1…4-4. Вид А Водозаборный колодец ВК-8,5-4,5-1. Днище. Разрез 1-1. Схема армирования Водозаборный колодец ВК-8,5-4,5-1. Участки монолитные УМ1 и УМ2. Схема армирования Водозаборный колодец ВК-8,5-4,5-1. Участок монолитный УМ3. Схема армирования Водозаборный колодец ВК-8,5-4,5-1. Пояс омоноличивания верхний. Схема армирования. Сечение 1-1 Водозаборный колодец ВК- . Пояс омоноличивания верхний. Схема армирования. Разрезы 2-2…5-5 Водозаборный колодец ВК- . Пояс омоноличивания верхний. Схема армирования. Разрезы 6-6…8-8. Узлы 1, 2 Водозаборный колодец ВК- . Пояс омоноличивания нижний. Схема армирования Водозаборный колодец ВК-8,5-4,5-1. Входной оголовок. Схема армирования Водозаборный колодец ВК-8,5-4,5-1. Стойка. Схема армирования Водозаборный колодец ВК-11,5-4,5-2. Спецификация. План Водозаборный колодец ВК-11,5-4,5-2. Разрезы 1-1…3-3. Вид А Водозаборный колодец ВК-11,5-4,5-2. Днище. Разрез 1-1. Схема армирования Водозаборный колодец ВК-11,5-4,5-2. Днище. План. Схема армирования Водозаборный колодец ВК-11,5-4,5-2. Участок монолитный УМ4. Схема армирования Водозаборный колодец ВК-11,5-4,5-2. Участок монолитный УМ6. Схема армирования Водозаборный колодец ВК-11,5-4,5-2. Перегородка. Схема армирования Водозаборный колодец ВК-11,5-4,5-2. Участок монолитный УМ5. Входной оголовок. Схема армирования. Сечения 1-1, 2-2 Водозаборный колодец ВК-11,5-4,5-2. Участок монолитный УМ5. Входной оголовок. Схема армирования. Сечение 3-3. Узлы Водозаборный колодец ВК-11,5-4,5-2. Пояс омоноличивания верхний. Схема армирования. План Водозаборный колодец ВК-11,5-4,5-4. Спецификация. План Водозаборный колодец ВК-11,5-4,5-4. Разрезы 1-1…3-3. Вид А Водозаборный колодец ВК-11,5-4,5-4. Днище. Разрез 1-1. Схема армирования Водозаборный колодец ВК-11,5-4,5-4. Днище. План. Схема армирования Водозаборный колодец ВК-11,5-4,5-4. Участок монолитный УМ7. Входной оголовок. Схема армирования. Спецификация Водозаборный колодец ВК-11,5-4,5-4. Участок монолитный УМ7. Входной оголовок. Схема армирования. Разрезы. Узел 1 Водозаборный колодец ВК-11,5-4,5-4. Пояс омоноличивания верхний. Схема армирования. План Водозаборный колодец ВК- . Соединение блоков. Спецификация Водозаборный колодец ВК- . Соединение блоков Ведомость расхода стали ВО-1,3-2. Водозаборный оголовок ВО-1,3-3. Водозаборный оголовок ВО-1,3-4. Водозаборный оголовок ВО-1,3-5. Водозаборный оголовок Фундамент под монорельс Ф1 Прилагаемые документы марки КЖ.И Сетка арматурная С1 Сетка арматурная С2 Сетка арматурная С3 Сетка арматурная С4 Сетка арматурная С5 Сетка арматурная С6 Сетка арматурная С7 Сетка арматурная С8 Сетка арматурная С9 Сетка арматурная С10 Сетка арматурная С11 Сетка арматурная С12 Сетка арматурная С13 Сетка арматурная С14 Сетка арматурная С15 Сетка арматурная С16 Сетка арматурная С17 Сетка арматурная С18 Сетка арматурная С19 Сетка арматурная С20 Сетка арматурная С21 Сетка арматурная С22 Сетка арматурная С23 Сетка арматурная С24 Сетка арматурная С25 Сетка арматурная С26 Сетка арматурная С27 Сетка арматурная С28 Сетка арматурная С29 Сетка арматурная С30 Сетка арматурная С31 Сетка арматурная С32 Сетка арматурная С33 Сетка арматурная С34 Сетка арматурная С35 Сетка арматурная С36 Сетка арматурная С37 Сетка арматурная С38 Каркас пространственный КП1 Каркас пространственный КП2 и КП3 Изделие закладное МН7 Спираль СП1 Спираль СП2 Спираль СП3 Изделие закладное МН8 Изделие закладное МН9 Изделие закладное МН10 Изделие закладное МН11 Сетка арматурная С39 Изделие закладное МН1 Изделие закладное МН12 Изделие закладное МН13 Каркас пространственный КП4 |
| Разработан: | Союзводпроект Белгипроводхоз |
| Утверждён: | 30.06.1992 Союзводпроект (874) |

























































































