Скачать Типовой проект 901-1-93.88 Альбом II. Архитектурно-строительные решения (надземная часть), отопление, вентиляция, водопровод, канализацияДата актуализации: 01.01.2021
|
| Обозначение: | Типовой проект 901-1-93.88 |
| Обозначение англ: | 901-1-93.88 |
| Статус: | не определен законодательством |
| Название рус.: | Альбом II. Архитектурно-строительные решения (надземная часть), отопление, вентиляция, водопровод, канализация |
| Дата добавления в базу: | 01.10.2014 |
| Дата актуализации: | 01.01.2021 |
| Дата введения: | 05.07.1988 |
| Дата окончания срока действия: | 30.06.2003 |
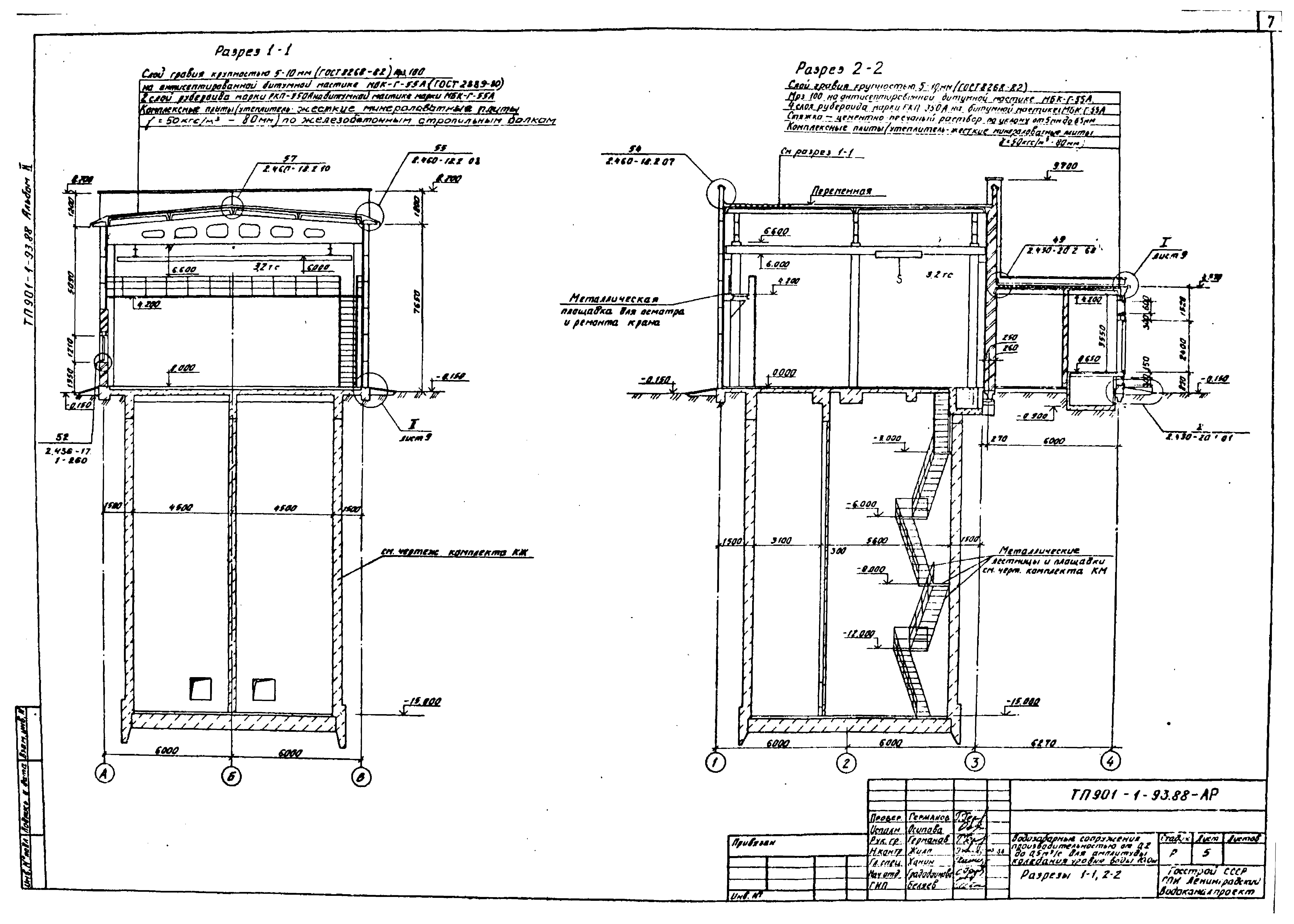
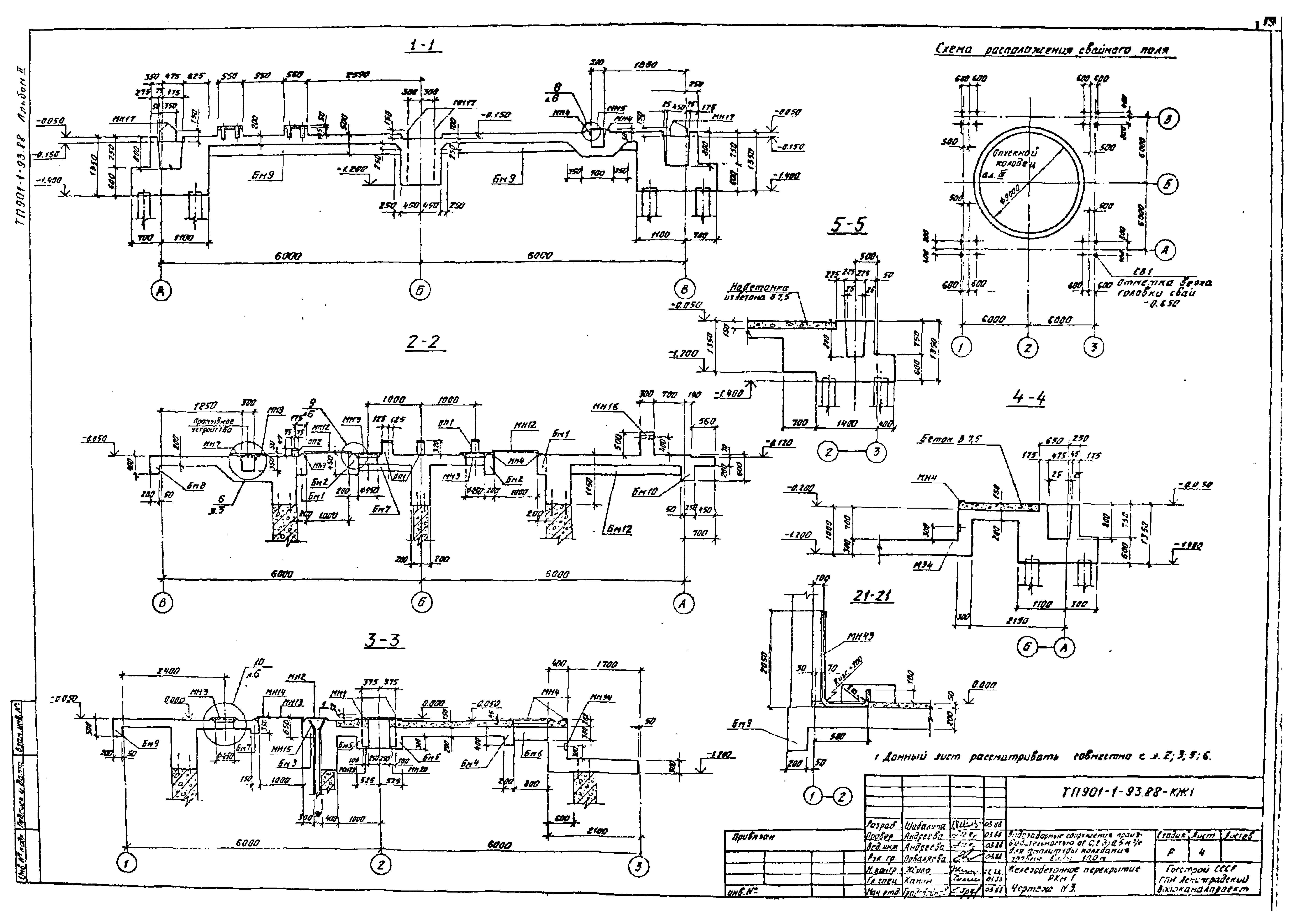
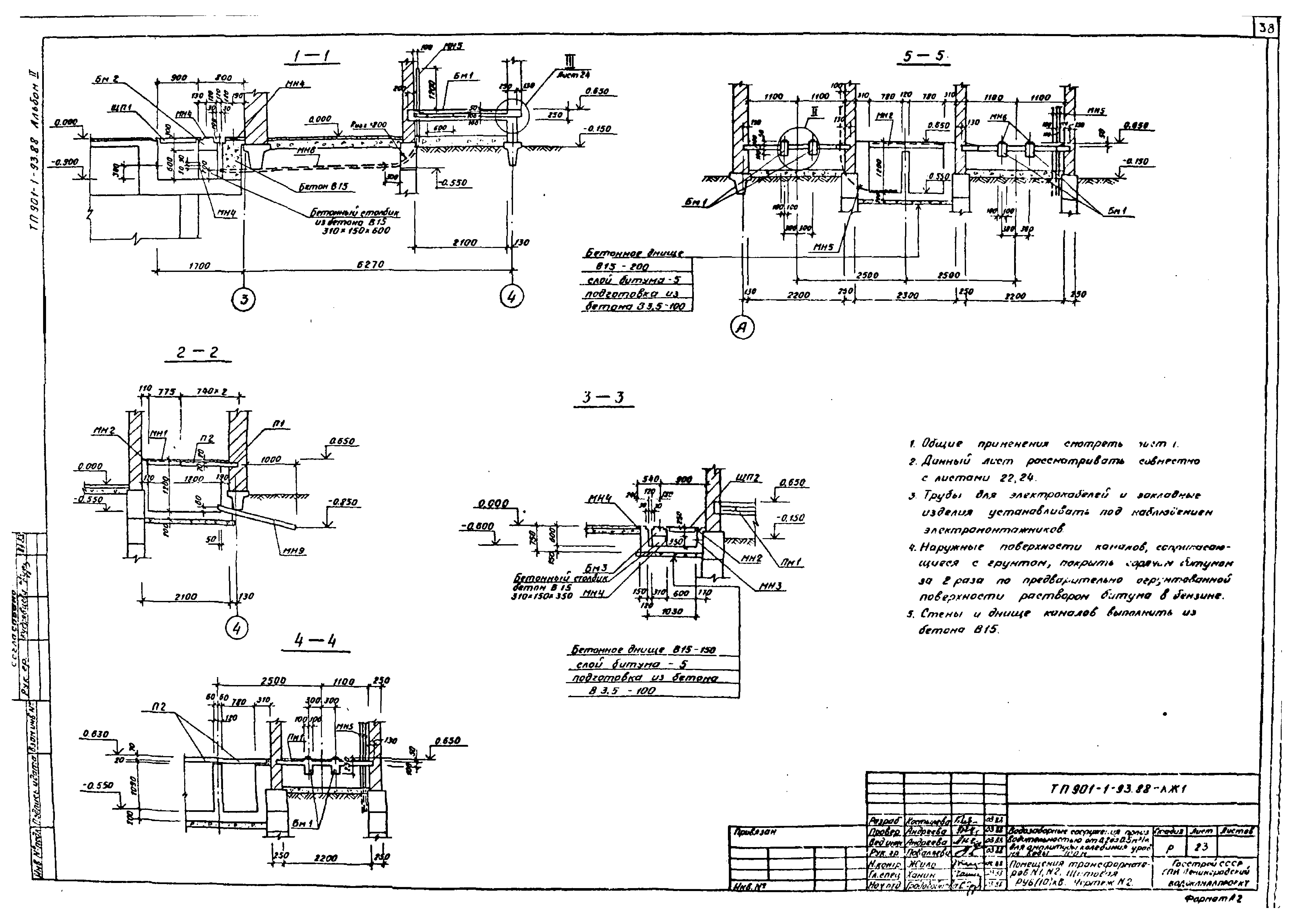
| Оглавление: | Содержание Архитектурно-строительная часть Общие данные Планы на отм. 0.000; - 15.000 Разрезы 1-1, 2-2 Фасады План кровли. Планы полов, экспликация полов Дымовая труба. Фрагмент плана 1. Узлы План отверстий. Решетка для вытирания ног МР-1. Узлы Ворота ВЭ-1,70х2,34. Монтажная схема. Детали. Жалюзийная решетка ЖР-1 Полотна ПВЭ-1,70х2,34. детали. Петля подгибная ПП. Пробой Т-90 Рама РВЭ-1,70х2,34. Детали установки приборов ворот Щеколда фалевая ЩФ. Шпингалет верхний ШВ. Шпингалет нижний ШН Конструкции железобетонные Общие данные Железобетонное перекрытие РКм1 Железобетонное перекрытие РКм1. Плита Пм1. Схема армирования Железобетонное перекрытие РКм1. Плита Пм1. Спецификация арматуры Железобетонное перекрытие РКм1. Плита Пм1. Ведомость деталей Железобетонное перекрытие РКм1. Балки Бм1 - Бм3, Бм6, Бм7 Железобетонное перекрытие РКм1. Балки Бм4 - Бм5, Бм8, Бм9 Железобетонное перекрытие РКм1. Балки Бм10 - Бм13 Схемы расположения ростверков, фундаментных балок, блоков, свай Ростверки РСм1, РСм2. Схема армирования Схема расположения колонн, балок и плит покрытия Схема расположения стеновых панелей Помещение трансформаторов №1, №2. Щитовая Ру 6(10) кВ Помещение трансформаторов №1, №2. Пм1, Бм1 - Бм3. Схема армирования Конструкции металлические Общие данные. Ведомость металлоконструкций Техническая спецификация стали Схемы расположения подкрановых балок, площадок. Ведомость элементов Отопление и вентиляция Общие данные План на отм. 0.000. Схема систем отопления. Схема трубопроводов котельной План на отм. 0.000. Разрез 2-2. Схема узла управления. Схемы систем ВЕ1 - ВЕ3 Водопровод и канализация Общие данные План на отм. 0.000 Схемы систем В1, Т3 и К1 |
| Разработан: | Ленинградский Водоканалпроект |
| Утверждён: | 06.04.1988 Госстрой СССР (Государственный комитет Совета Министров СССР по делам строительства) (USSR Gosstroy 25) |
| Издан: | ЦИТП Госстроя СССР (CITP, Gosstroy (USSR) 1988 г. ) |
| Заменяет собой: |

















































