Скачать Типовой проект 901-1-94.88 Альбом VI. Электротехническая часть (из ТП 901-1-91.88)Дата актуализации: 01.01.2021
|
| Обозначение: | Типовой проект 901-1-94.88 |
| Обозначение англ: | 901-1-94.88 |
| Статус: | не определен законодательством |
| Название рус.: | Альбом VI. Электротехническая часть (из ТП 901-1-91.88) |
| Дата добавления в базу: | 01.10.2014 |
| Дата актуализации: | 01.01.2021 |
| Дата введения: | 05.07.1988 |
| Дата окончания срока действия: | 30.06.2003 |
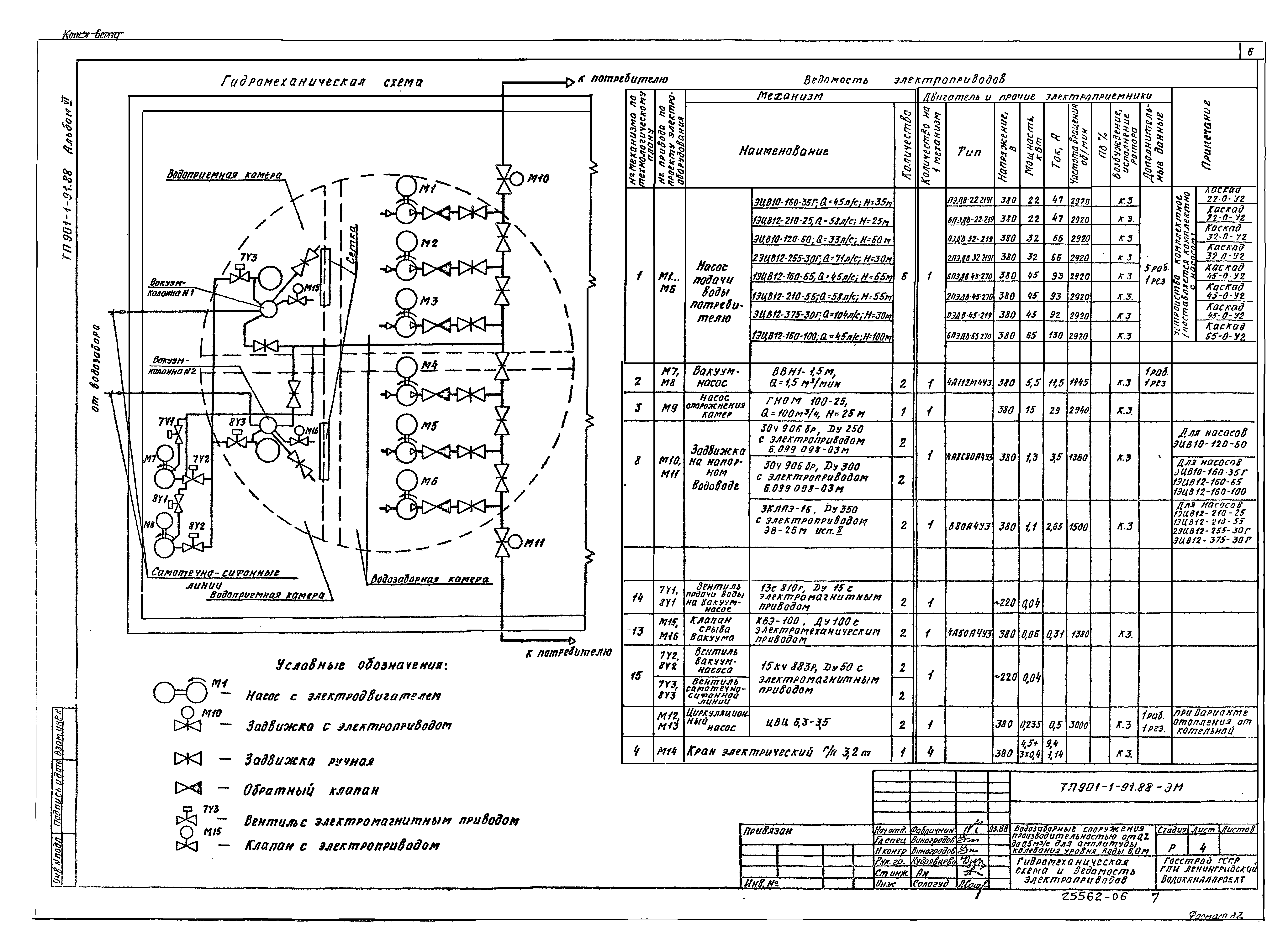
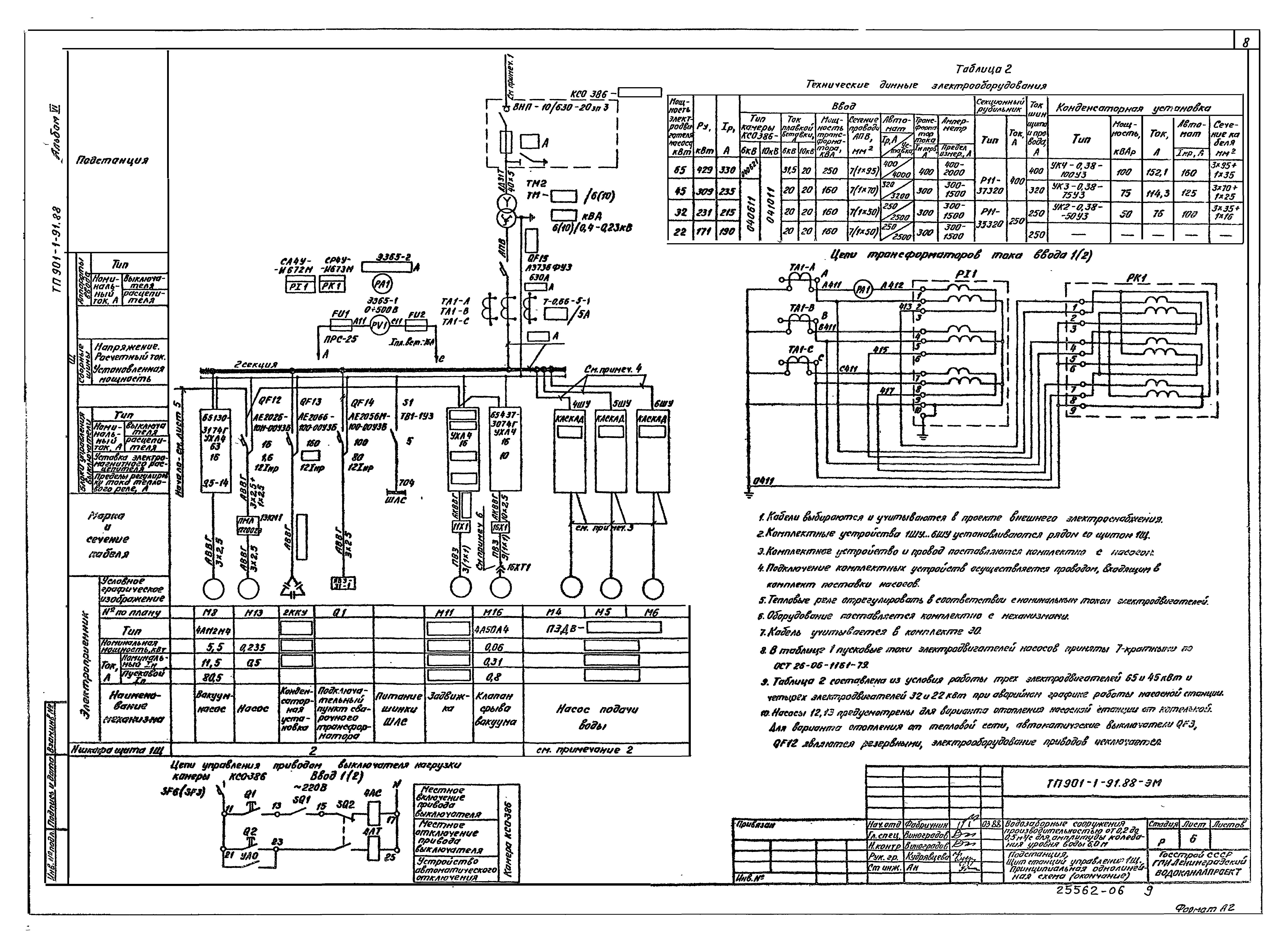
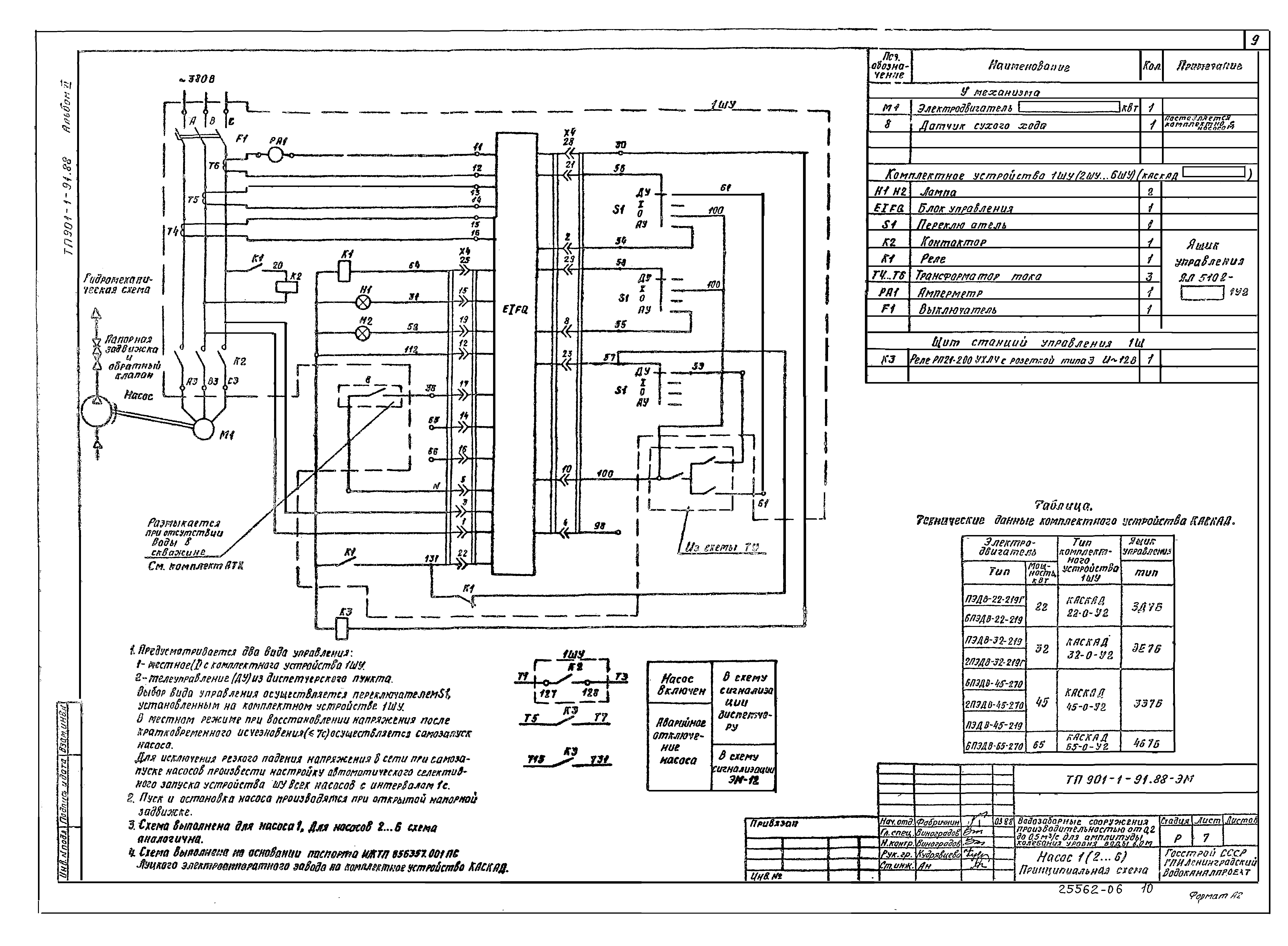
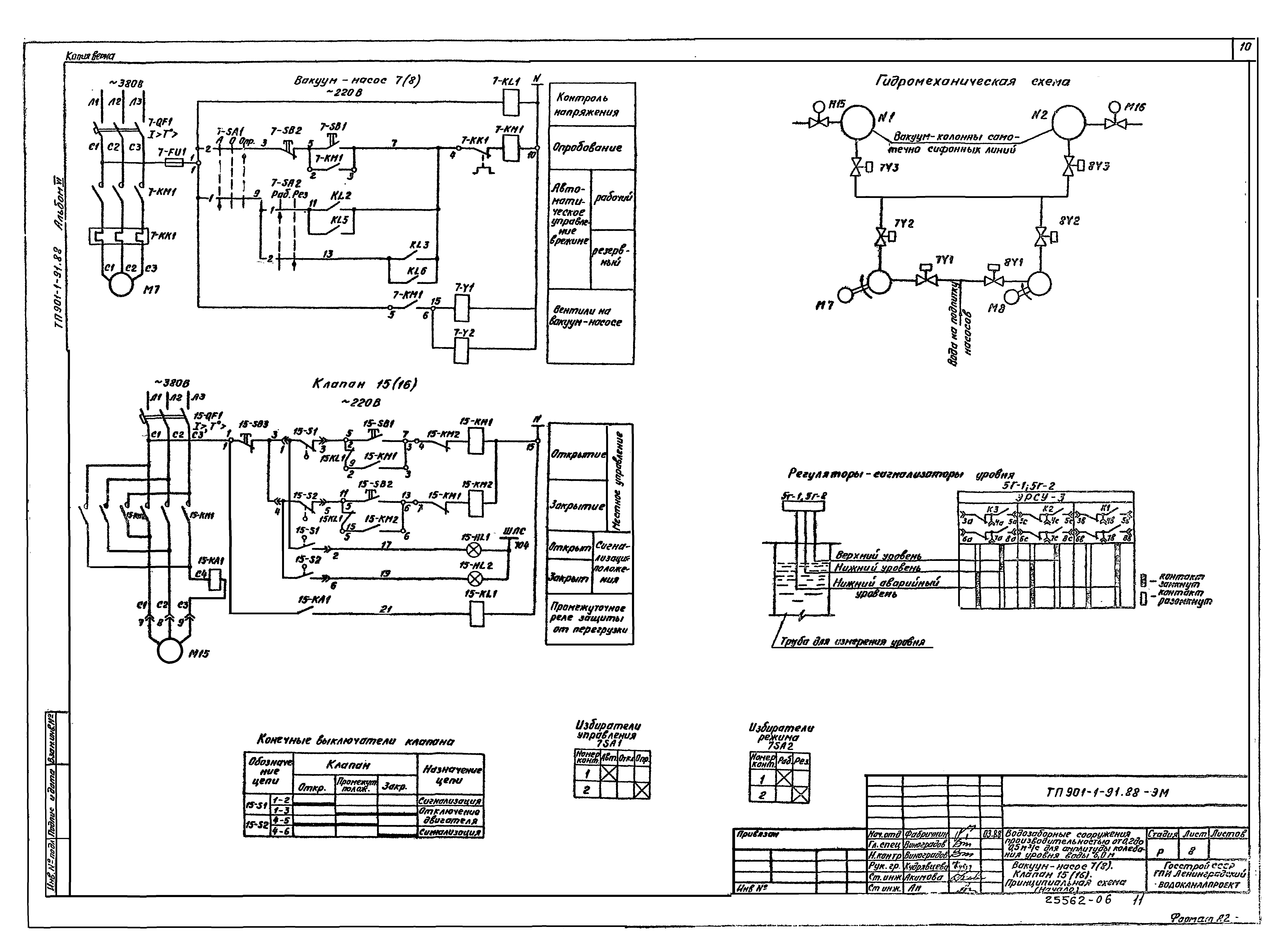
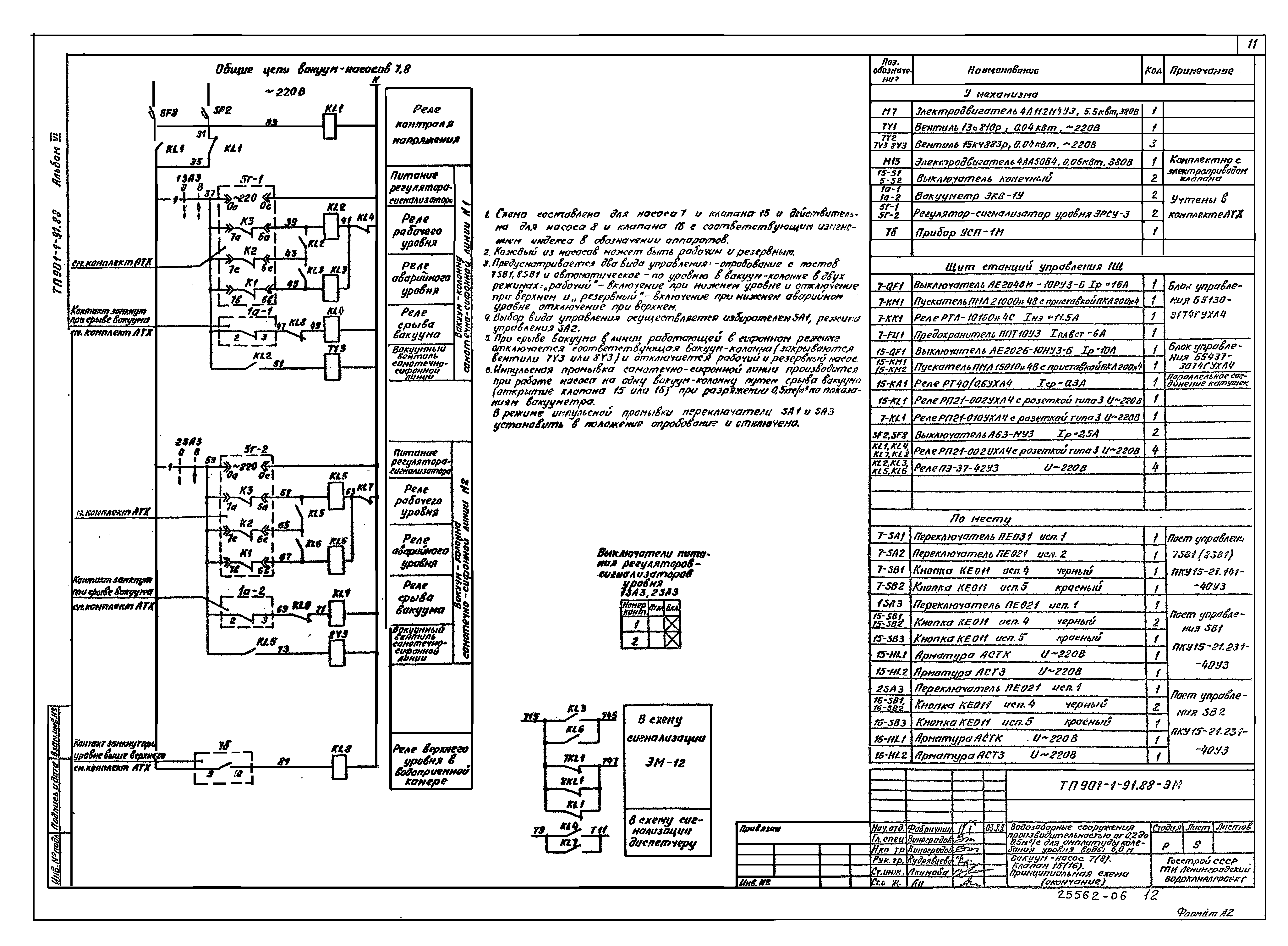
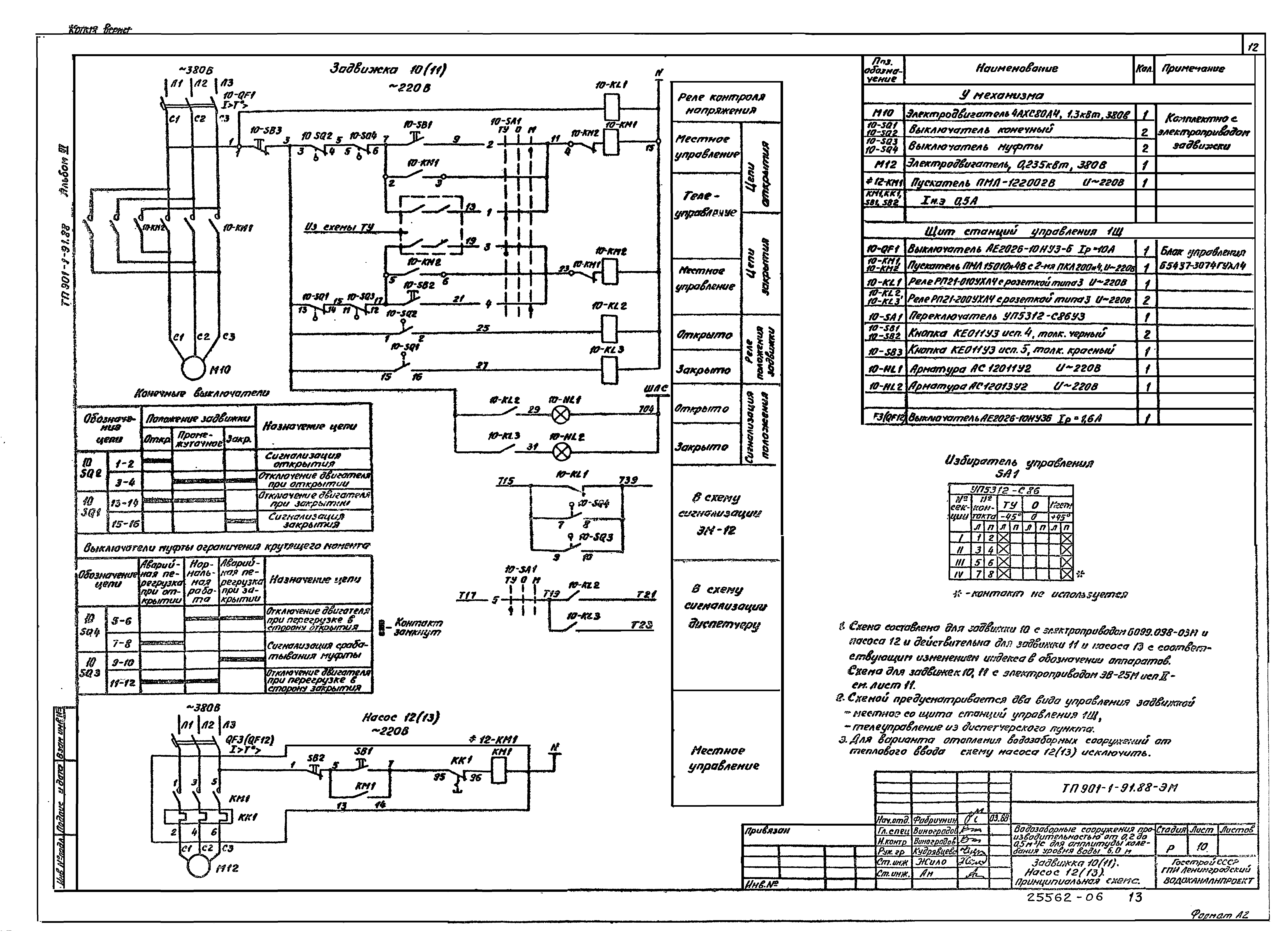
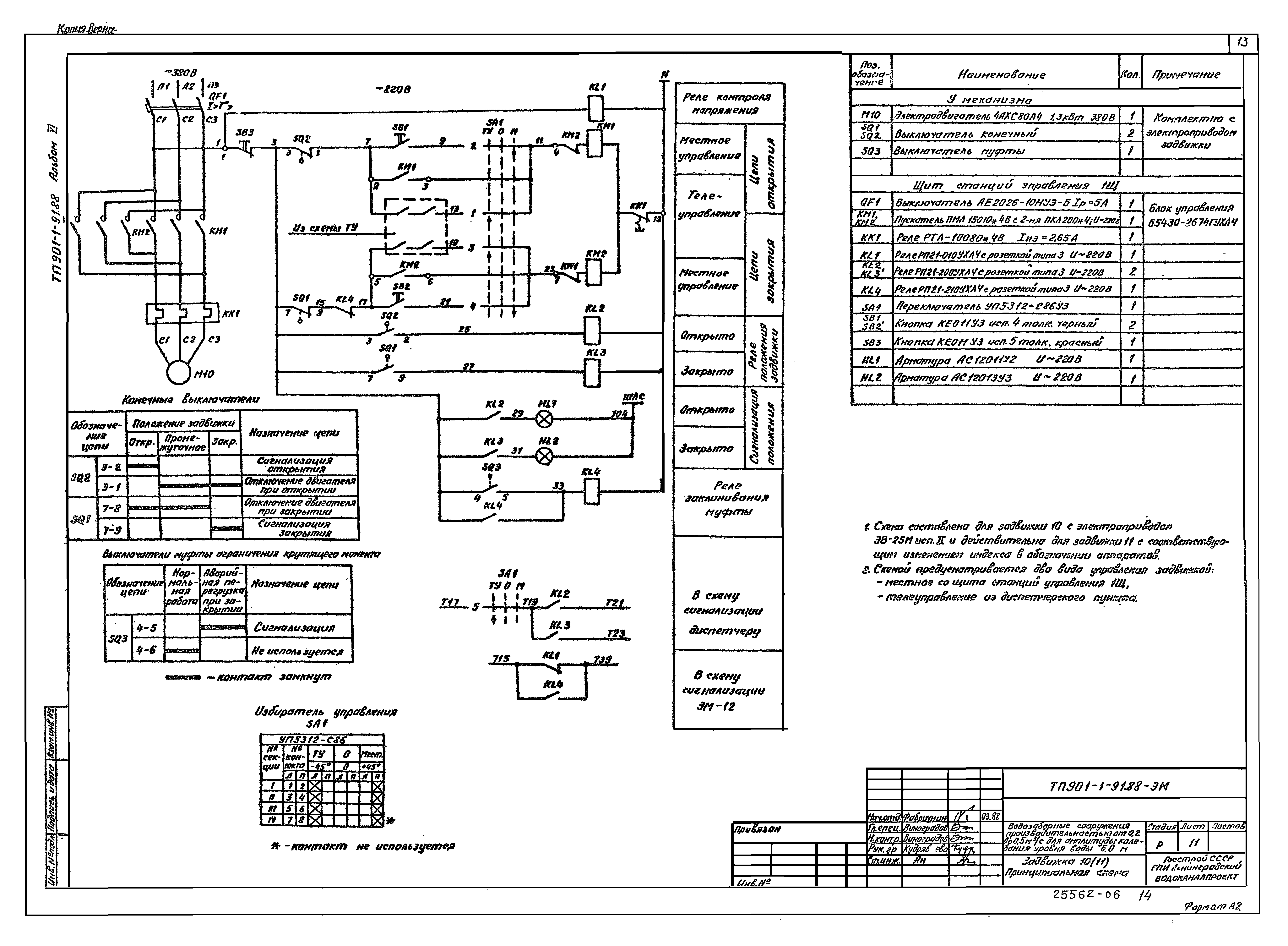
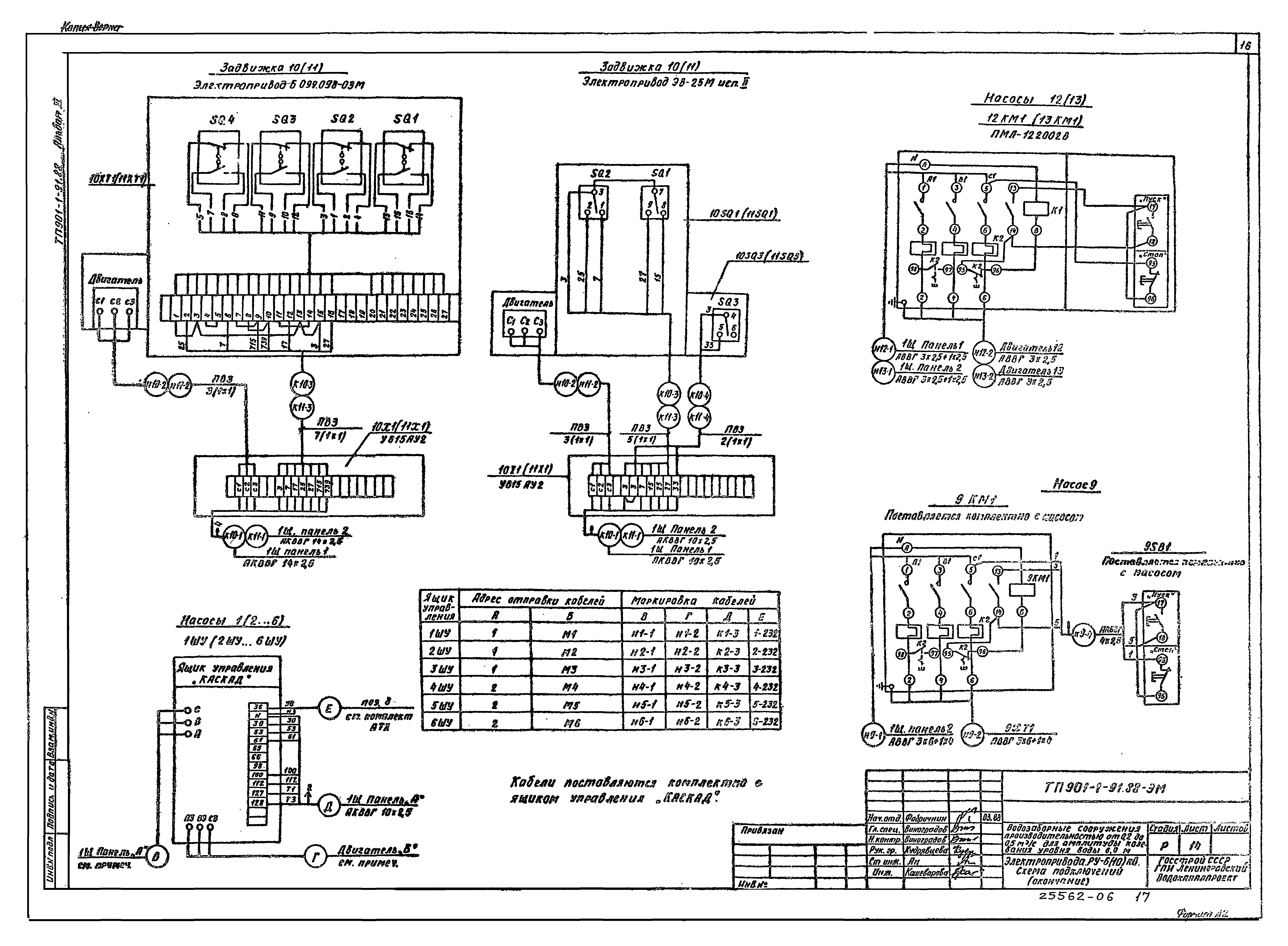
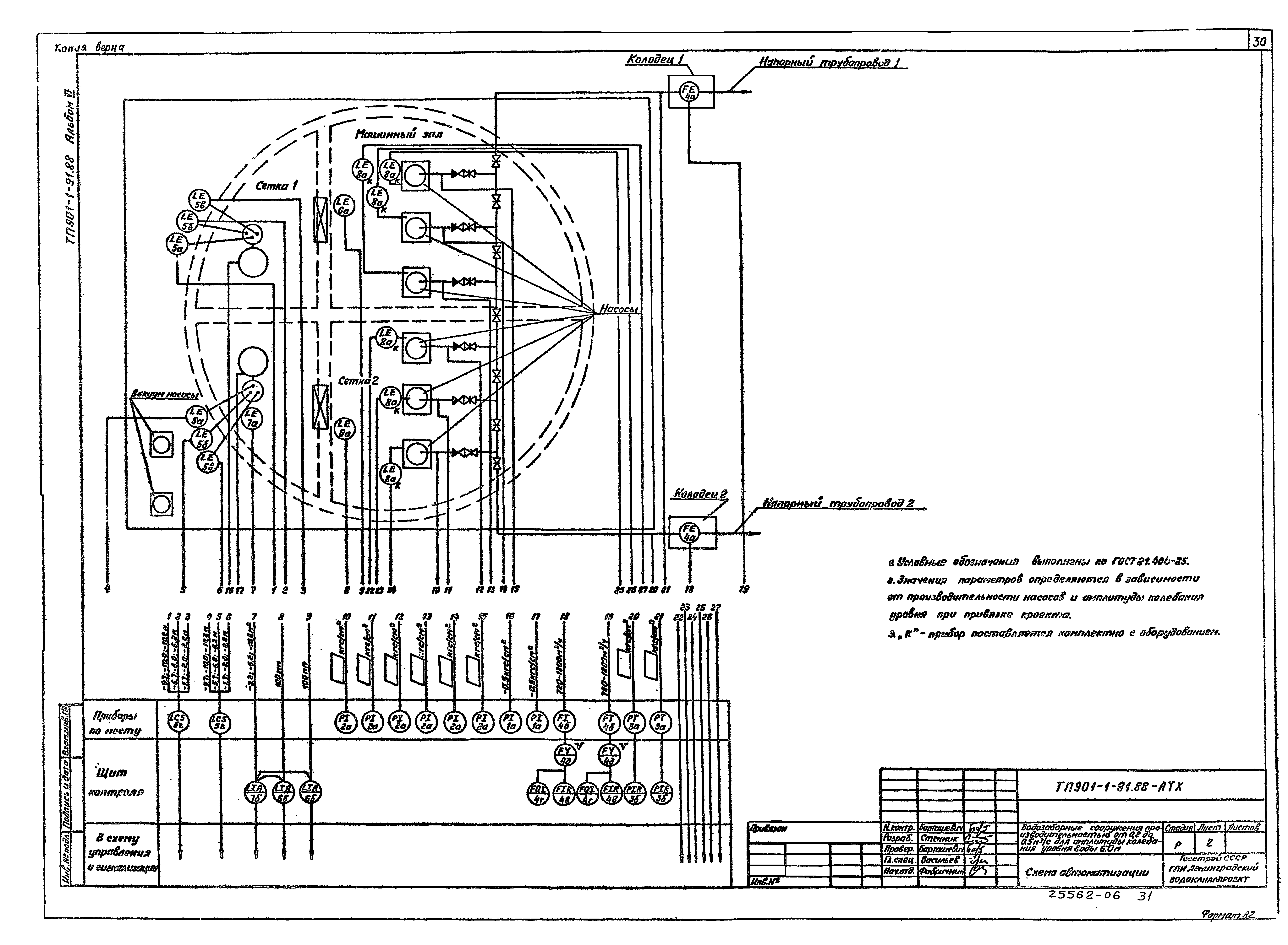
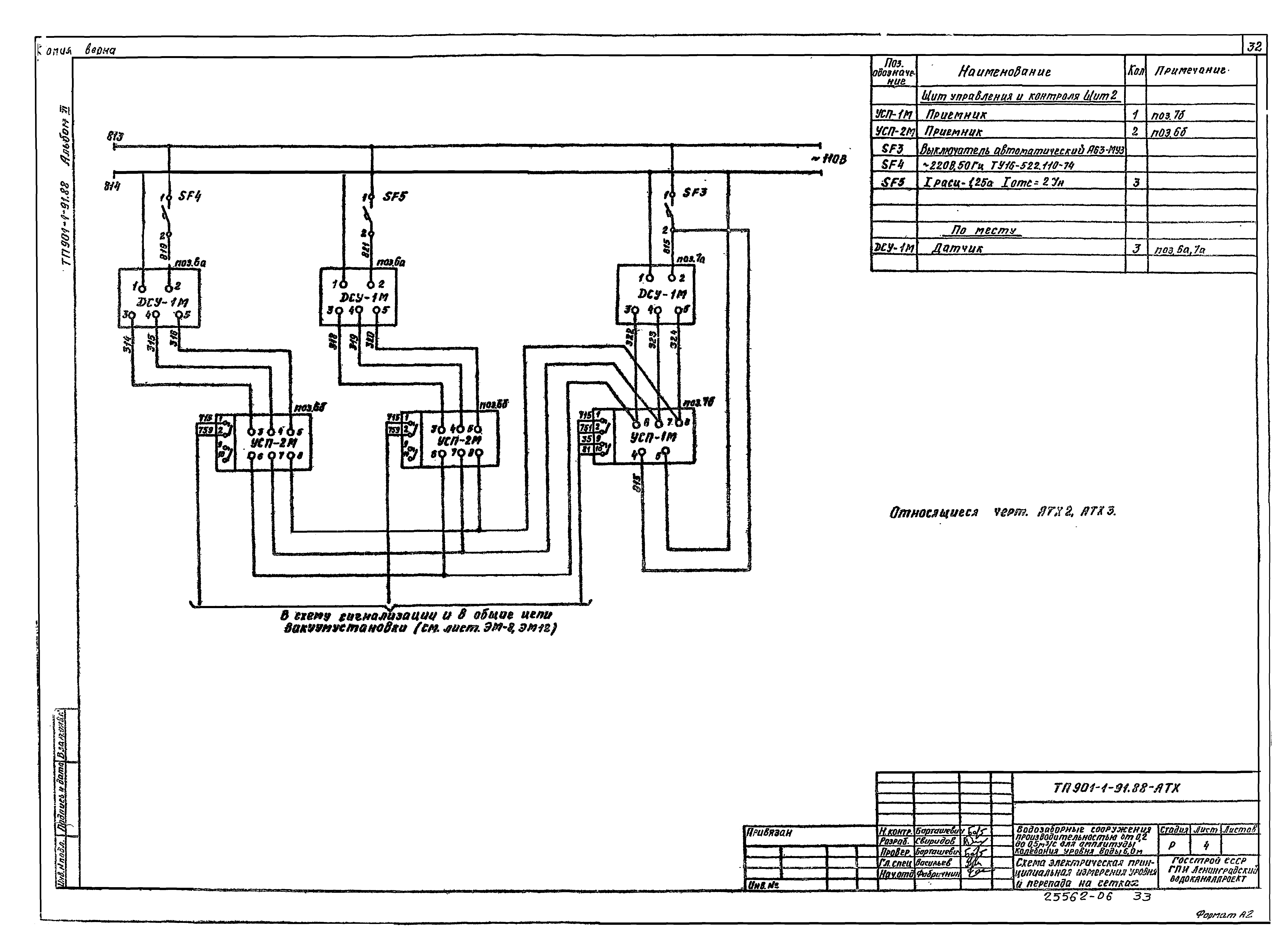
| Оглавление: | Основной комплект марки ЭМ Общие данные Гидромеханическая схема и ведомость электропроводов Подстанция. Щит станций управления 1Щ. Принципиальная однолинейная схема Насос 1 (2…6). Принципиальная схема Вакуум-насос 7 (8). Клапан 15 (16). Принципиальная схема Задвижка 10 (11). Насос 12(13). Принципиальная схема Сигнализация. Принципиальная схема Электропривода. РУ-6 (10) кВ. Схема подключений Щит станций управления 1Щ. Щит сигнализации 2Щ. Схема подключения Кабельный журнал План расположения электрооборудования и прокладка кабелей Сеть заземления и зануления. План Камеры трансформаторов. Подвод шин 6 (10) кВ к трансформаторам Основной комплект марки ЭО Общие данные Электрическое освещение. План Установка светильников РСП11-400 и ПВЛМ-2х40 на кронштейне, на стене Основной комплект марки АТХ Общие данные Схема автоматизации Схема электрическая принципиальная распределительной сети Схема электрическая принципиальная измерения уровня и перепада на сетках Схема соединений внешних проводок Схема подключения внешних проводок Щитовая. План расположения Машзал. План расположения |
| Разработан: | Ленинградский Водоканалпроект |
| Утверждён: | 06.04.1988 Госстрой СССР (Государственный комитет Совета Министров СССР по делам строительства) (USSR Gosstroy 25) |
| Издан: | ЦИТП Госстроя СССР (CITP, Gosstroy (USSR) 1988 г. ) |
| Заменяет собой: |




































