Скачать Типовой проект 901-1-95.88 Альбом IV. Строительные изделия (надземная часть)Дата актуализации: 01.01.2021
|
| Обозначение: | Типовой проект 901-1-95.88 |
| Обозначение англ: | 901-1-95.88 |
| Статус: | не определен законодательством |
| Название рус.: | Альбом IV. Строительные изделия (надземная часть) |
| Дата добавления в базу: | 01.10.2014 |
| Дата актуализации: | 01.01.2021 |
| Дата введения: | 05.07.1988 |
| Дата окончания срока действия: | 30.06.2003 |
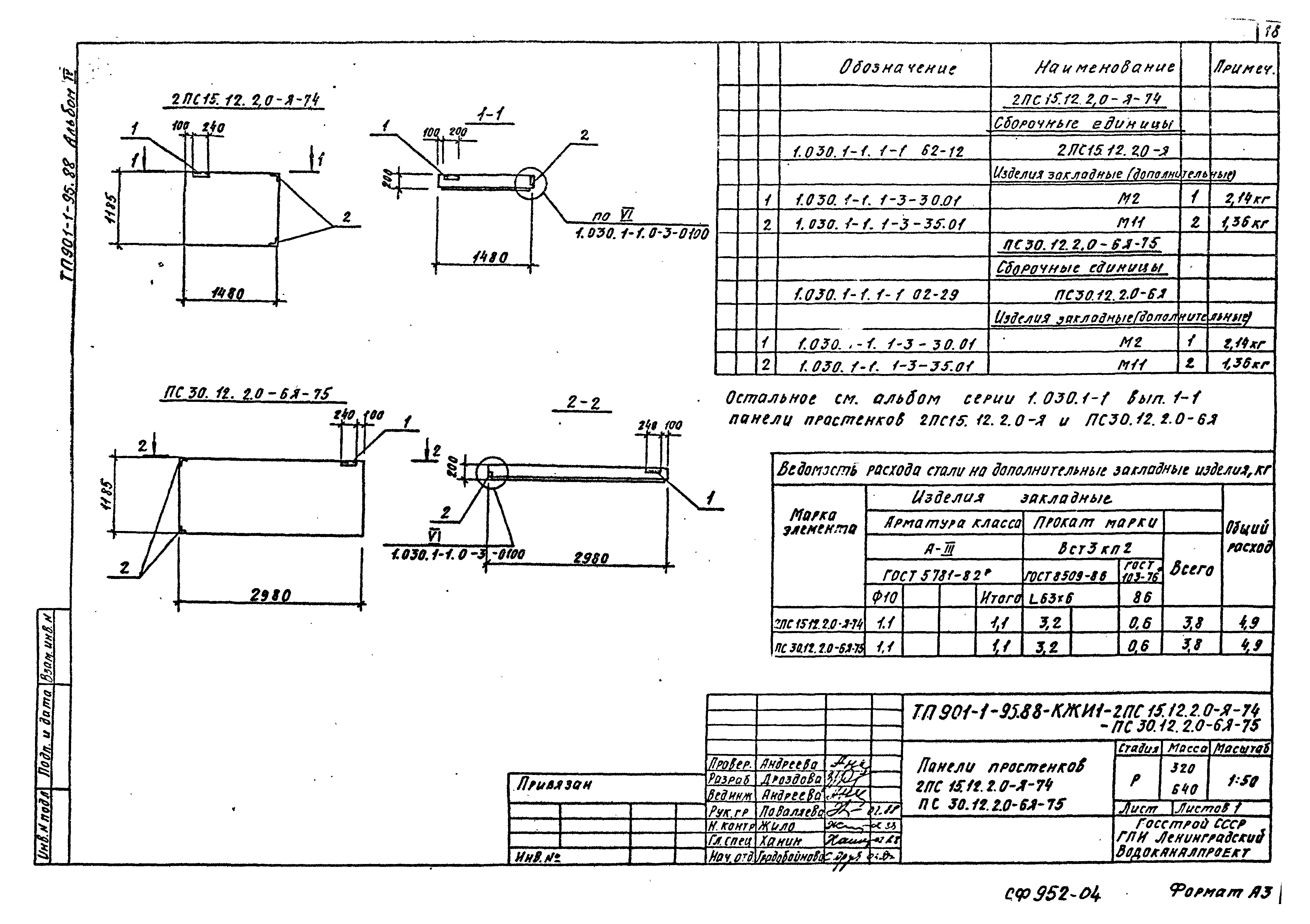
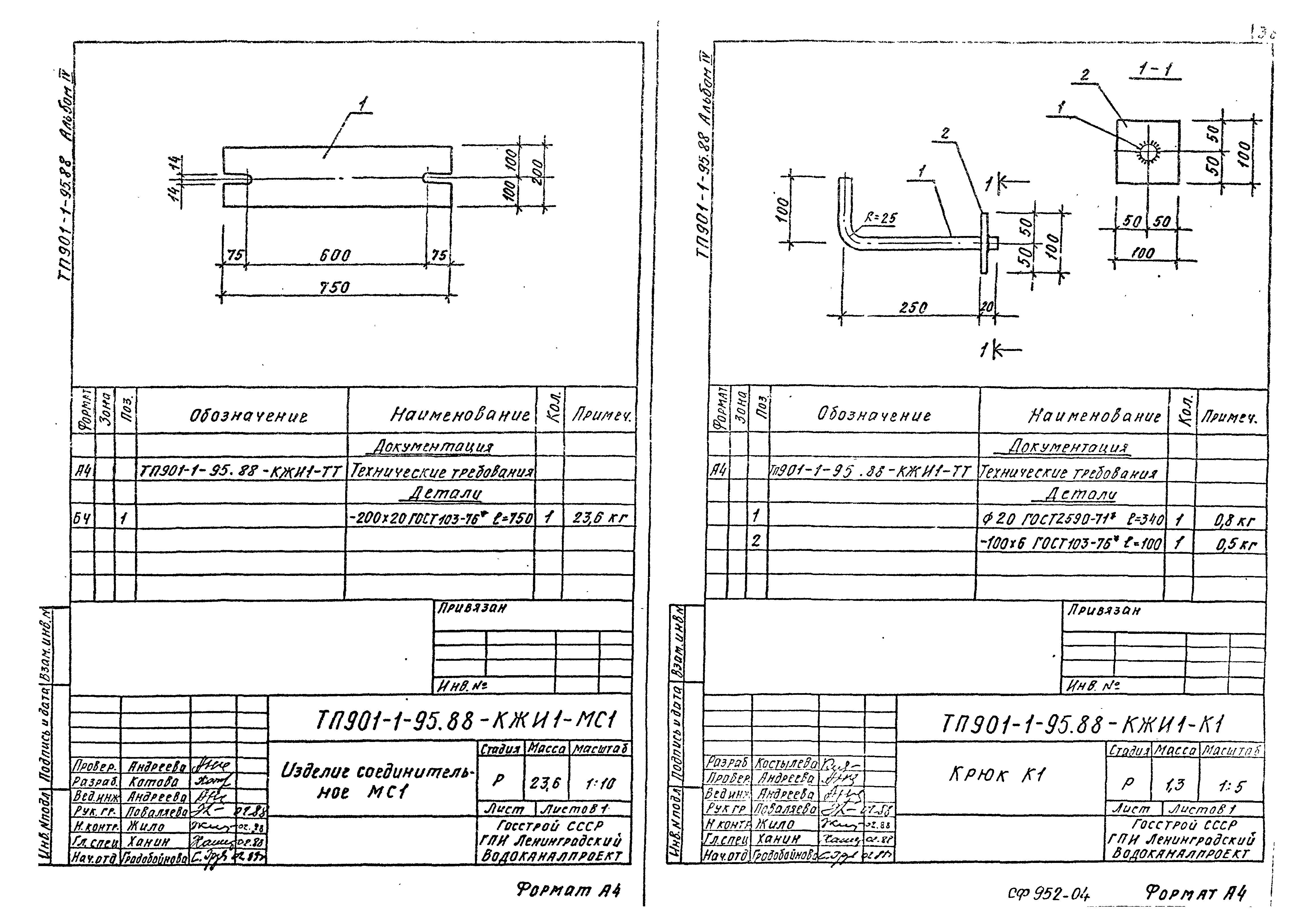
| Оглавление: | 901-1-95.88-КЖИ1-ДО Ведомость листов выпуска 901-1-95.88-КЖИ1-ТТ Технические требования на изготовление сборных железобетонных арматурных и закладных изделий 901-1-95.88-КЖИ1-1К84-4-1 Колонна 1К84-4-1 901-1-95.88-КЖИ1-1К84-4-2 Колонна 1К84-4-2 901-1-95.88-КЖИ1-1К84-4-3 Колонна 1К84-4-3 901-1-95.88-КЖИ1-1К84-4-4 Колонна 1К84-4-4 901-1-95.88-КЖИ1-1К84-4-5 Колонна 1К84-4-5 901-1-95.88-КЖИ1-1К84-4-6 Колонна 1К84-4-6 901-1-95.88-КЖИ1-1К84-4-7 Колонна 1К84-4-7 901-1-95.88-КЖИ1-1К84-4-8 Колонна 1К84-4-8 901-1-95.88-КЖИ1-7КФ97-1-1 Колонна 7КФ97-1-1 901-1-95.88-КЖИ1-7КФ97-1-2 Колонна 7КФ97-1-2 901-1-95.88-КЖИ1-1БДР12-1АIVт-1 Балка 1БДР12-1АIVт-1 901-1-95.88-КЖИ1-1БДР12-1АIVт-2 Балка 1БДР12-1АIVт-2 901-1-95.88-КЖИ1-2ПВ6-5АIVт-4-1-5ОППН-40П Плита 2ПВ6-5АIVт-4-1-5ОППН-40П 901-1-95.88-КЖИ1-2ПВ6-5АIVт-1-5ОППН-40П Плита 2ПВ6-5АIVт-1-5ОППН-40П 901-1-95.88-КЖИ1-2ПВ6-5АIVт-2-5ОППН-40П Плита 2ПВ6-5АIVт-2-5ОППН-40П 901-1-95.88-КЖИ1-2ПВ6-3АIVт-4-1-5ОППН-40П Плита 2ПВ6-3АIVт-4-1-5ОППН-40П 901-1-95.88-КЖИ1-2ПС15.12.2.0-Я.74; ПС30.12.20-6Я-75 Панели простенков 2ПС15.12.2.0-Я.74; ПС30.12.20-6Я-75 901-1-95.88-КЖИ1-П23д-3-1 Плита П23д-3-1 901-1-95.88-КЖИ1-ОП1 Опорная подушка ОП1 901-1-95.88-КЖИ1-Б1 Балка Б1 901-1-95.88-КЖИ1-С1 Сетка арматурная С1 901-1-95.88-КЖИ1-С2 Сетка арматурная С2 901-1-95.88-КЖИ1-С3 Сетка арматурная С3 901-1-95.88-КЖИ1-С4 Сетка арматурная С4 901-1-95.88-КЖИ1-С5 Сетка арматурная С5 901-1-95.88-КЖИ1-С6 Сетка арматурная С6 901-1-95.88-КЖИ1-С7 Сетка арматурная С7 901-1-95.88-КЖИ1-С8 Сетка арматурная С8 901-1-95.88-КЖИ1-С9 Сетка арматурная С9 901-1-95.88-КЖИ1-С10 Сетка арматурная С10 901-1-95.88-КЖИ1-С11 Сетка арматурная С11 901-1-95.88-КЖИ1-С12 Сетка арматурная С12 901-1-95.88-КЖИ1-С13 Сетка арматурная С13 901-1-95.88-КЖИ1-С14 Сетка арматурная С14 901-1-95.88-КЖИ1-С15 Сетка арматурная С15 901-1-95.88-КЖИ1-С16 Сетка арматурная С16 901-1-95.88-КЖИ1-С17 Сетка арматурная С17 901-1-95.88-КЖИ1-С18 Сетка арматурная С18 901-1-95.88-КЖИ1-С19 Сетка арматурная С19 901-1-95.88-КЖИ1-С20 Сетка арматурная С20 901-1-95.88-КЖИ1-С21 Сетка арматурная С21 901-1-95.88-КЖИ1-С22 Сетка арматурная С22 901-1-95.88-КЖИ1-С23 Сетка арматурная С23 901-1-95.88-КЖИ1-С24 Сетка арматурная С24 901-1-95.88-КЖИ1-С25 Сетка арматурная С25 901-1-95.88-КЖИ1-С26 Сетка арматурная С26 901-1-95.88-КЖИ1-С27 Сетка арматурная С27 901-1-95.88-КЖИ1-С28 Сетка арматурная С28 901-1-95.88-КЖИ1-С29 Сетка арматурная С29 901-1-95.88-КЖИ1-С30 Сетка арматурная С30 901-1-95.88-КЖИ1-С31 Сетка арматурная С31 901-1-95.88-КЖИ1-Узлы А, Б, В, Г, Д Узлы А, Б, В, Г, Д 901-1-95.88-КЖИ1-МС1 Изделие соединительное МС1 901-1-95.88-КЖИ1-К1 Крюк К1 901-1-95.88-КЖИ1-РШ1 Решетка РШ1 901-1-95.88-КЖИ1-РШ2 Решетка РШ2 901-1-95.88-КЖИ1-РШ3 Решетка РШ3 901-1-95.88-КЖИ1-М1 Изделие закладное М1 901-1-95.88-КЖИ1-М2 Изделие закладное М2 901-1-95.88-КЖИ1-М3 Изделие закладное М3 901-1-95.88-КЖИ1-М4 Изделие закладное М4 901-1-95.88-КЖИ1-М5 Изделие закладное М5 901-1-95.88-КЖИ1-М6 Изделие закладное М6 901-1-95.88-КЖИ1-М7 Изделие закладное М7 901-1-95.88-КЖИ1-ЩП1 Щит ЩП1 901-1-95.88-КЖИ1-ЩП2 Щит ЩП2 901-1-95.88-КЖИ1-ЩП3 Щит ЩП3 901-1-95.88-КЖИ1-ЩП4 Щит ЩП4 901-1-95.88-КЖИ1-ЩП5 Щит ЩП5 901-1-95.88-КЖИ1-ЩП6 Щит ЩП6 901-1-95.88-КЖИ1-ЩП7 Щит ЩП7 901-1-95.88-КЖИ1-ЩП8 Щит ЩП8 901-1-95.88-КЖИ1-ЩП9 Щит ЩП9 901-1-95.88-КЖИ1-ЩП10 Щит ЩП10 901-1-95.88-КЖИ1-ЩП11 Щит ЩП11 901-1-95.88-КЖИ1-ЩП12 Щит ЩП12 901-1-95.88-КЖИ1-ЩП13 Щит ЩП13 901-1-95.88-КЖИ1-ЩП14 Щит ЩП14 |
| Разработан: | Ленинградский Водоканалпроект |
| Утверждён: | 06.04.1988 Госстрой СССР (Государственный комитет Совета Министров СССР по делам строительства) (USSR Gosstroy 25) |
| Издан: | ЦИТП Госстроя СССР (CITP, Gosstroy (USSR) 1988 г. ) |
| Заменяет собой: |



















































