Скачать Типовой проект 709-9-81.87 Альбом 2. Строительные изделия (из ТП 709-9-80.87)Дата актуализации: 01.01.2021
|
| Обозначение: | Типовой проект 709-9-81.87 |
| Обозначение англ: | 709-9-81.87 |
| Статус: | не определен законодательством |
| Название рус.: | Альбом 2. Строительные изделия (из ТП 709-9-80.87) |
| Дата добавления в базу: | 01.10.2014 |
| Дата актуализации: | 01.01.2021 |
| Дата введения: | 10.03.1988 |
| Дата окончания срока действия: | 30.06.2003 |
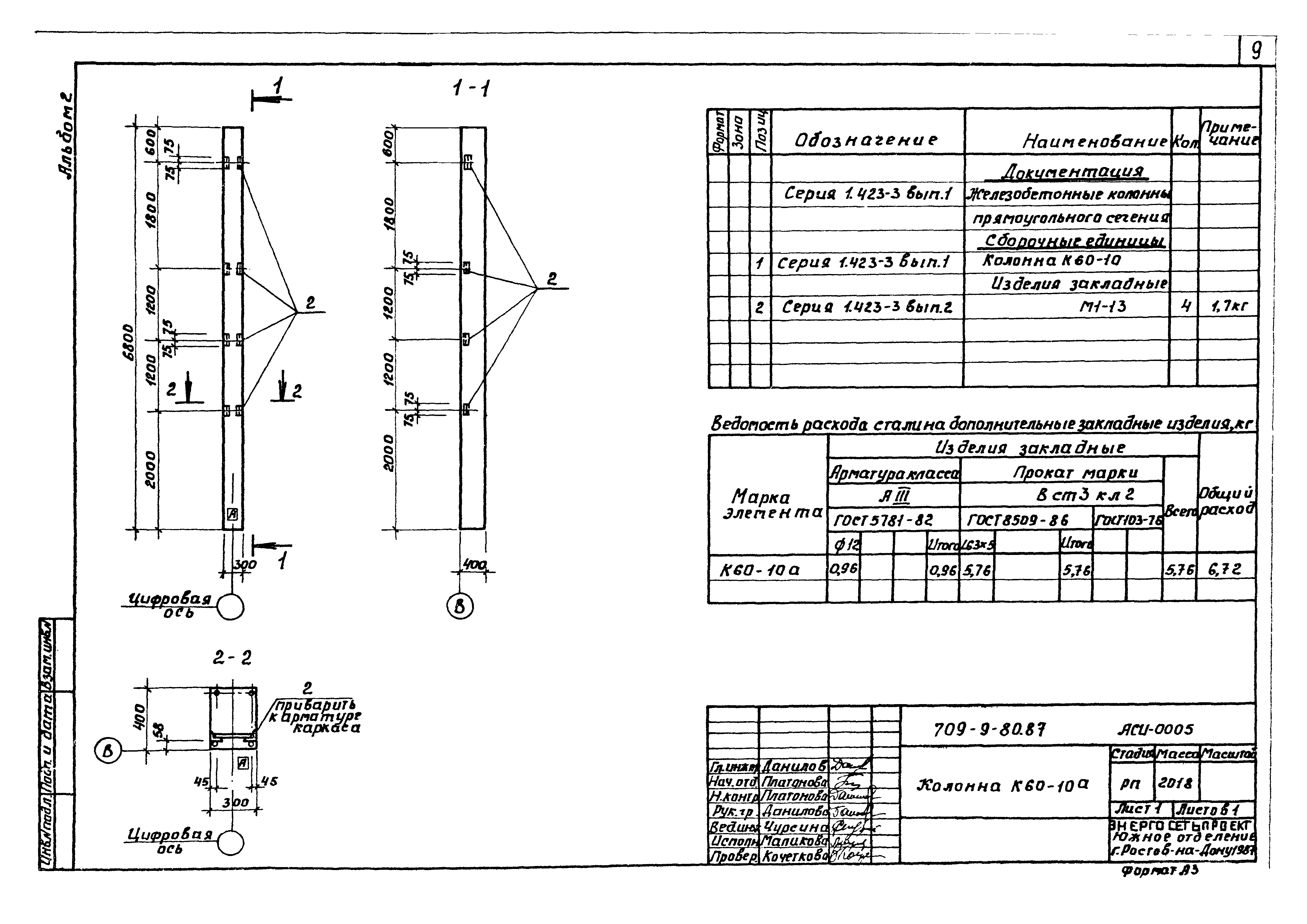
| Оглавление: | АСИ-ТТ Технические требования АСИ-0001СБ Плиты покрытия ПГ-2АVТ-а; ПГ-3АVТ-а. Сборочный чертеж АСИ-0001 Плиты покрытия ПГ-2АVТ-а; ПГ-3АVТ-а. Спецификация АСИ-0002СБ Плиты покрытия ПГ-2АVТ-б; ПГ-3АVТ-б. Сборочный чертеж АСИ-0002 Плиты покрытия ПГ-2АVТ-б; ПГ-3АVТ-б. Спецификация АСИ-0003 Балка 2БДР12-5АV-Т-а АСИ-0004 Балка 2БДР12-5АV-Т-б АСИ-0005 Колонна К60-10-А АСИ-0006 Колонна К60-10-Б АСИ-0007 Колонна К60-10-В АСИ-0008 Колонна К60-10-Г АСИ-0009 Колонна К60-10-Д АСИ-0010 Колонна К60-10-Е АСИ-0011 Колонна К60-10-Ж АСИ-0012 Колонна К60-10-И АСИ-0013 Колонна К60-10-К АСИ-0014 Колонна К60-10-Л АСИ-0015СБ Стеновые панели ПС60.18.2.0-1Я-1-31А; ПС60.18.2.5-2Я-1-31А; ПС60.18.3.0-2Я-1-31А; ПС60.18.2.0-2Я-1-31А; ПС60.18.2.5-3Я-1-31А; ПС60.18.3.0-3Я-1-31А. Сборочный чертеж АСИ-0015 Стеновые панели ПС60.18.2.0-1Я-1-31А; ПС60.18.2.5-2Я-1-31А; ПС60.18.3.0-2Я-1-31А; ПС60.18.2.0-2Я-1-31А; ПС60.18.2.5-3Я-1-31А; ПС60.18.3.0-3Я-1-31А. Спецификация АСИ-0016СБ Стеновые панели ПС60.12.2.0-2Я-1-32А; ПС60.12.2.5-3Я-1-32А; ПС60.12.3.0-3Я-1-32А. Сборочный чертеж АСИ-0016 Стеновые панели ПС60.12.2.0-2Я-1-32А; ПС60.12.2.5-3Я-1-32А; ПС60.12.3.0-3Я-1-32А. Спецификация АСИ-0017СБ Стеновые панели ПС60.18.2.0-1Я-1-32А; ПС60.18.2.5-2Я-1-32А; ПС60.18.3.0-2Я-1-32А. Сборочный чертеж АСИ-0017 Стеновые панели ПС60.18.2.0-1Я-1-32А; ПС60.18.2.5-2Я-1-32А; ПС60.18.3.0-2Я-1-32А. Спецификация АСИ-0018СБ Стеновые панели ПС60.18.2.0-4Я-1-37А; ПС60.18.2.0-4Я-2-37А; ПС60.18.2.5-4Я-1-37А; ПС60.18.2.5-4Я-2-37А; ПС60.18.3.0-6Я-1-37А; ПС60.18.3.0-6Я-2-37А. Сборочный чертеж АСИ-0018 Стеновые панели ПС60.18.2.0-4Я-1-37А; ПС60.18.2.0-4Я-2-37А; ПС60.18.2.5-4Я-1-37А; ПС60.18.2.5-4Я-2-37А; ПС60.18.3.0-6Я-1-37А; ПС60.18.3.0-6Я-2-37А. Спецификация АСИ-0019СБ Стеновые панели ПС60.18.2.0-4Я-1-37Б; ПС60.18.2.5-4Я-1-37Б; ПС60.18.3.0-4Я-1-37Б. Сборочный чертеж АСИ-0019 Стеновые панели ПС60.18.2.0-4Я-1-37Б; ПС60.18.2.5-4Я-1-37Б; ПС60.18.3.0-4Я-1-37Б. Спецификация АСИ-0020СБ Стеновые панели ПС60.18.2.0-4Я-1-38В; ПС60.18.2.5-4Я-1-37В; ПС60.18.3.0-6Я-1-37В. Сборочный чертеж АСИ-0020 Стеновые панели ПС60.18.2.0-4Я-1-38В; ПС60.18.2.5-4Я-1-37В; ПС60.18.3.0-6Я-1-37В. Спецификация АСИ-0021СБ Стеновые панели ПС60.18.2.0-4Я-1-37Г; ПС60.18.2.5-4Я-1-37Г; ПС60.18.3.0-4Я-1-37Г. Сборочный чертеж АСИ-0021 Стеновые панели ПС60.18.2.0-4Я-1-37Г; ПС60.18.2.5-4Я-1-37Г; ПС60.18.3.0-4Я-1-37Г. Спецификация АСИ-0022СБ Стеновые панели ПС60.18.2.0-4Я-1-37Д; ПС60.18.2.5-4Я-1-37Д; ПС60.18.3.0-4Я-1-37Г. Сборочный чертеж АСИ-0022 Стеновые панели ПС60.18.2.0-4Я-1-37Д; ПС60.18.2.5-4Я-1-37Д; ПС60.18.3.0-4Я-1-37Г. Спецификация АСИ-0023СБ Стеновые панели ПС60.18.2.0-4Я-1-37Е; ПС60.18.2.5-4Я-1-37Е; ПС60.18.3.0-6Я-1-37Е. Сборочный чертеж АСИ-0023 Стеновые панели ПС60.18.2.0-4Я-1-37Е; ПС60.18.2.5-4Я-1-37Е; ПС60.18.3.0-6Я-1-37Е. Спецификация АСИ-0024СБ Стеновые панели ПС30.12.2.0-6Я-1-53А; ПС30.12.2.0-6Я-1-53А; ПС30.12.2.5-6Я-1-53А; ПС30.12.2.5-6Я-2-53А; ПС30.12.3.0-6Я-1-53А; ПС30.12.3.0-6Я-2-53А. Сборочный чертеж АСИ-0024 Стеновые панели ПС30.12.2.0-6Я-1-53А; ПС30.12.2.0-6Я-1-53А; ПС30.12.2.5-6Я-1-53А; ПС30.12.2.5-6Я-2-53А; ПС30.12.3.0-6Я-1-53А; ПС30.12.3.0-6Я-2-53А. Спецификация АСИ-0025СБ Стеновые панели ПС30.12.2.0-6Я-1-53Б; ПС30.12.2.5-6Я-1-53Б; ПС30.12.3.0-6Я-1-53Б. Сборочный чертеж АСИ-0025 Стеновые панели ПС30.12.2.0-6Я-1-53Б; ПС30.12.2.5-6Я-1-53Б; ПС30.12.3.0-6Я-1-53Б. Спецификация АСИ-0026 Стеновая панель ПС600.12-1АIV-Т-1Б АСИ-0027 Стеновая панель ПС600.12-1АIV-Т-1А; ПС600.18-1АIV-Т-1А АСИ-0028СБ Плиты покрытия ПГ-2АVТ-в; ПГ-3АVТ-в. Сборочный чертеж АСИ-0028 Плиты покрытия ПГ-2АVТ-в; ПГ-3АVТ-в. Спецификация АСИ-0029СБ Насадки НС1, НС2. Сборочный чертеж АСИ-0029 Насадки НС1, НС2. Спецификация АСИ-0030 Консоль опорная РК-2А АСИ-0031 Консоль опорная РК-1А АСИ-0032 Консоль опорная РК-3А АСИ-0033 Консоль опорная РК-5 АСИ-0034 Закладное изделие МН1 АСИ-0035 Закладное изделие МН2 АСИ-0036 Соединительный элемент МН3 АСИ-0037 Скоба МН4 АСИ-0038 Соединительный элемент МС1 АСИ-0039 Закладное изделие МН5 АСИ-0040СБ Закладные изделия МН6, МН7. Сборочный чертеж АСИ-0040 Закладные изделия МН6, МН7. Спецификация АСИ-0041 Соединительный элемент ИТ-2 АСИ-0042 Соединительный элемент ИТ-1 АСИ-0043 Сетка арматурная С-1 АСИ-0044 Соединительный элемент полоса 8х100х300 АСИ-0045 Сетка арматурная С-2 АСИ-0046 Сетка арматурная С-3 АСИ-0047 Сетка арматурная С-4 АСИ-0048 Балка БМ2 АСИ-0049 Балка БМ1 АСИ-0050 Балка БМ3 АСИ-0051 Металлоконструкции МК1 АСИ-0052 Металлоконструкции МК2 АСИ-0053 Металлоконструкции МК3 АСИ-0054 Металлоконструкции МК4 АСИ-0055 Металлоконструкции МК5 АСИ-0056 Металлоконструкции МК6 АСИ-0057СБ Насадки НУ1 - НУ4. Сборочный чертеж АСИ-0057 Насадки НУ1 - НУ4. Спецификация АСИ-0058 Соединительный элемент ТК5 |
| Разработан: | Южное отделение Энергосетьпроекта |
| Утверждён: | 10.03.1988 Минэнерго СССР (USSR Minenergo 18) |

















































