Скачать ГОСТ 30324.30-2002 Изделия медицинские электрические. Часть 2. Частные требования безопасности к приборам для автоматического контроля давления крови косвенным методомДата актуализации: 01.01.2021
|
| Обозначение: | ГОСТ 30324.30-2002 |
| Обозначение англ: | GOST 30324.30-2002 |
| Статус: | введен впервые |
| Название рус.: | Изделия медицинские электрические. Часть 2. Частные требования безопасности к приборам для автоматического контроля давления крови косвенным методом |
| Название англ.: | Medical electrical equipment. Part 2. Particular requirements for the safety of automatic cycling indirect blood pressure monitoring equipment |
| Дата добавления в базу: | 21.05.2015 |
| Дата актуализации: | 01.01.2021 |
| Дата введения: | 01.01.2015 |
| Область применения: | Стандарт устанавливает требования безопасности приборов для автоматического контроля давления крови косвенным методом (далее - изделия). Стандарт не распространяется на изделия для измерения давления крови, использующие преобразователи на палец, или изделия для измерения давления крови полуавтоматическим методом (обычно, это изделия, каждое измерение в которых запускается вручную). Требования стандарта являются обязательными. |
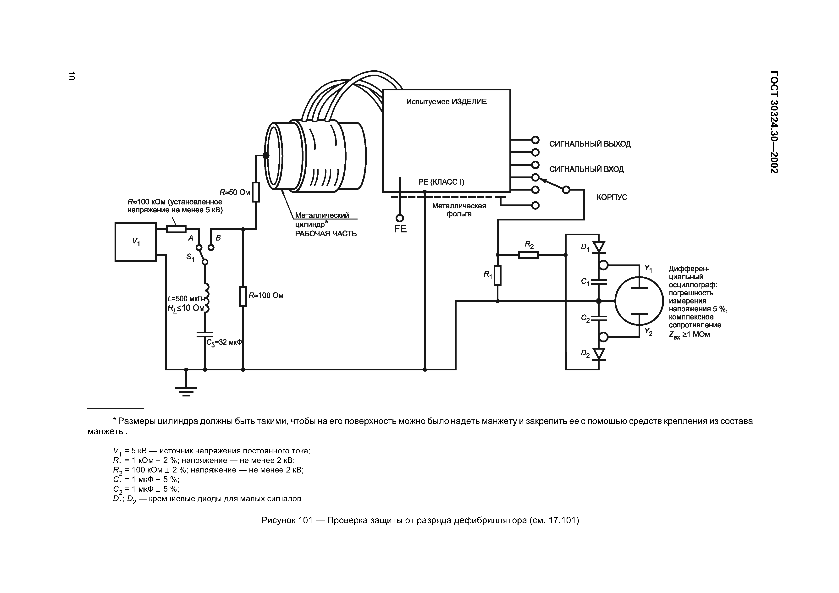
| Оглавление: | Раздел первый. Общие положения 1 Область распространения и цель 2 Термины и определения 3 Общие требования 4 Общие требования к испытаниям 5 Классификация 6 Идентификация, маркировка и документация Раздел второй. Условия окружающей среды Раздел третий. Защита от опасностей поражения электрическим током 14 Требования, относящиеся к классификации 17 Разделение частей и цепей 19 Длительные токи утечки и дополнительные токи в цепи пациента 20 Электрическая прочность изоляции Раздел четвертый. Защита от механических опасностей 21 Механическая прочность 22 Движущиеся части Раздел пятый. Защита от опасностей нежелательного или чрезмерного излучения Раздел шестой. Защита от опасностей воспламенения горючих смесей анестетиков Раздел седьмой. Защита от чрезмерных температур и других опасностей 42 Чрезмерные температуры 44 Перелив, расплескивание, утечка, влажность, проникание жидкостей, очистка, стерилизация и дезинфекция 45 Сосуды и части, находящиеся под давлением 49 Прерывание электропитания Раздел восьмой. Точность рабочих характеристик и защита от представляющих опасность выходных характеристик 51 Защита от представляющих опасность выходных характеристик Раздел девятый. Ненормальная работа и условия нарушения; испытания на воздействие внешних факторов Раздел десятый. Требования к конструкции 56 Компоненты и общая компоновка 57 Сетевые части, компоненты и монтаж Приложение D (обязательное) Символы в маркировке Приложение АА (справочное) Общее руководство и обоснования Приложение ВВ (справочное) Графическое представление допустимых рабочих областей ИЗДЕЛИЯ при НОРМАЛЬНОМ СОСТОЯНИИ и УСЛОВИИ ЕДИНИЧНОГО НАРУШЕНИЯ |
| Разработан: | ФГУП ВНИИНМАШ |
| Утверждён: | 06.11.2002 Межгосударственный Совет по стандартизации, метрологии и сертификации (Inter-Governmental Council on Standardization, Metrology, and Certification 22) 29.11.2012 Федеральное агентство по техническому регулированию и метрологии (1318-ст) |
| Издан: | Стандартинформ (2014 г. ) |
| Список изменений: |
|
| Нормативные ссылки: |




























Текстовое изменение Поправка от 23.10.2018