Скачать Серия 3.503-12 Выпуск 8. Косые пролетные строения из цельноперевозимых балок длиной 15, 18, 21, 24 и 33 мДата актуализации: 01.01.2021
|
| Обозначение: | Серия 3.503-12 |
| Обозначение англ: | Series 3.503-12 |
| Статус: | заменен |
| Название рус.: | Выпуск 8. Косые пролетные строения из цельноперевозимых балок длиной 15, 18, 21, 24 и 33 м |
| Дата добавления в базу: | 01.10.2014 |
| Дата актуализации: | 01.01.2021 |
| Дата введения: | 10.11.1970 |
| Дата окончания срока действия: | 01.03.1993 |
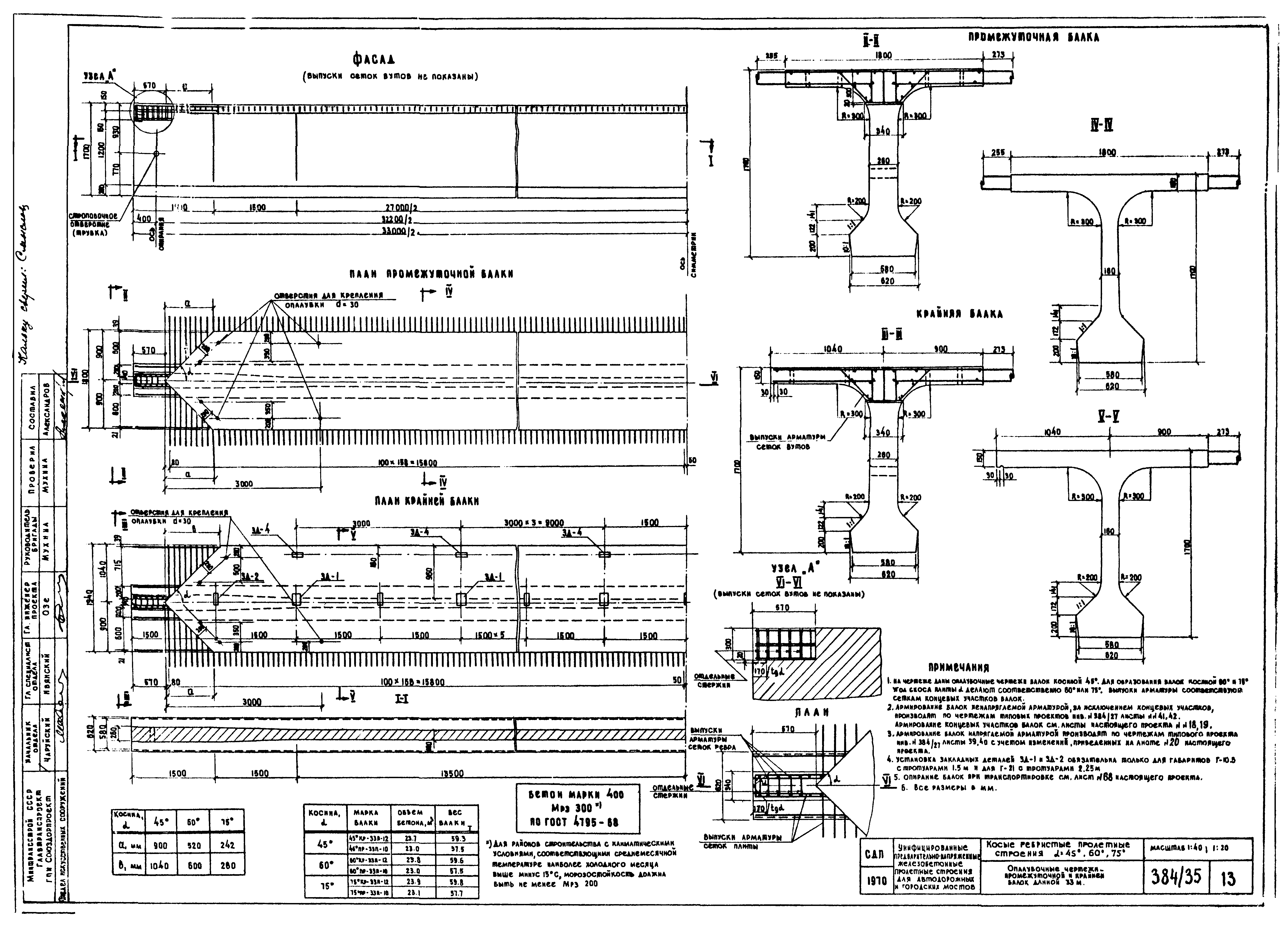
| Оглавление: | Пояснения Сводные таблицы расхода материалов на пролетные строения Схема сопряжения пролетных строений при правой косине пересечения Схема сопряжения пролетных строений при левой косине пересечения Поперечные разрезы пролетных строений длиной 15, 18, 21, 24 и 33 м Опалубочные чертежи промежуточной и крайней балок длиной 15 м Опалубочные чертежи промежуточной и крайней балок длиной 18, 21 и 24 м Опалубочные чертежи промежуточной и крайней балок длиной 33 м Армирование ненапрягаемой арматурой концевого участка промежуточной балки длиной 15 м Армирование ненапрягаемой арматурой концевого участка крайней балки длиной 15 м Армирование ненапрягаемой арматурой концевого участка промежуточной балки длиной 18, 21 и 24 м Армирование ненапрягаемой арматурой концевого участка крайних балок длиной 18, 21 и 24 м Армирование ненапрягаемой арматурой концевого участка промежуточной балки длиной 33 м Армирование ненапрягаемой арматурой концевого участка крайней балки длиной 33 м Армирование напрягаемой арматурой промежуточной и крайней балок длиной 33 м Монтажная схема арматурных элементов балок длиной 15 м Монтажная схема арматурных элементов балок длиной 18 м Монтажная схема арматурных элементов балок длиной 21 м Монтажная схема арматурных элементов балок длиной 24 м Монтажная схема арматурных элементов балок длиной 33 м Выборка стали на промежуточные и крайние балки длиной 15, 18, 21, 24 и 33 м для косины пересечения а = 45 градусов Выборка стали на промежуточные и крайние балки длиной 15, 18, 21, 24 и 33 м для косины пересечения а = 60 градусов Выборка стали на промежуточные и крайние балки длиной 15, 18, 21, 24 и 33 м для косины пересечения а = 75 градусов Концевые арматурные сетки плиты для пересечений а = 45, 60, 75 градусов Конструкция концевых участков плиты пролетных строений при косине пересечения а = 45 градусов Конструкция концевых участков плиты пролетных строений при косине пересечения а = 60 градусов Конструкция концевых участков плиты пролетных строений при косине пересечения а = 75 градусов Конструкция промежуточных участков стыков балок пролетных строений Спецификация арматуры на промежуточные участки стыков балок пролетных строений Выборка стали на омоноличивание пролетных строений при косине пересечения а = 45 градусов Выборка стали на омоноличивание пролетных строений при косине пересечения а = 60 градусов Выборка стали на омоноличивание пролетных строений при косине пересечения а = 75 градусов Схема расположения элементов тротуаров и перил при косине пересечения а = 45 градусов Таблицы монтажных элементов тротуаров при косине пересечения а = 45 градусов Схема расположения элементов тротуаров и перил при косине пересечения а = 60 градусов Таблицы монтажных элементов тротуаров при косине пересечения а = 60 градусов Схема расположения элементов тротуаров и перил при косине пересечения а = 75 градусов Таблицы монтажных элементов тротуаров при косине пересечения а = 75 градусов Схема разбивки закладных деталей в тротуарных блоках Детали крепления тротуарных блоков, подтротуарных балок и перил Опалубка для бетонирования концевых участков пролетных строений Опалубочные чертежи тротуарных блоков аТ-1ау Армирование промежуточного тротуарного блока Т-1ау Армирование концевых тротуарных блоков ЛП 45 градусов Т-1ау Армирование концевых тротуарных блоков ЛЛ 45 градусов Т-1ау Армирование концевых тротуарных блоков ЛП 60 градусов Т-1ау Армирование концевых тротуарных блоков ПП 60 градусов Т-1ау Армирование концевых тротуарных блоков ЛП 75 градусов Т-1ау Армирование концевых тротуарных блоков ПП 75 градусов Т-1ау Опалубочные чертежи концевых тротуарных балок Армирование концевых тротуарных балок Схема опирания балок при транспортировке Детали установки опорных частей Конструкция вкладышей для образования скосов в плите балки Схема сопряжения пролетного строения с устоем |
| Разработан: | ГПИ Союздорпроект |
| Утверждён: | 10.11.1970 Министерство транспортного строительства СССР (USSR Ministry of Transport Construction Л-1689) |
| Чем заменён: |






































































