Скачать Типовые материалы для проектирования 407-03-562.90 Альбом 2. Строительные конструкции. Стальные конструкцииДата актуализации: 01.01.2021
|
| Обозначение: | Типовые материалы для проектирования 407-03-562.90 |
| Обозначение англ: | 407-03-562.90 |
| Статус: | справочные материалы, мп, тпр |
| Название рус.: | Альбом 2. Строительные конструкции. Стальные конструкции |
| Дата добавления в базу: | 01.10.2014 |
| Дата актуализации: | 01.01.2021 |
| Дата введения: | 20.07.1990 |
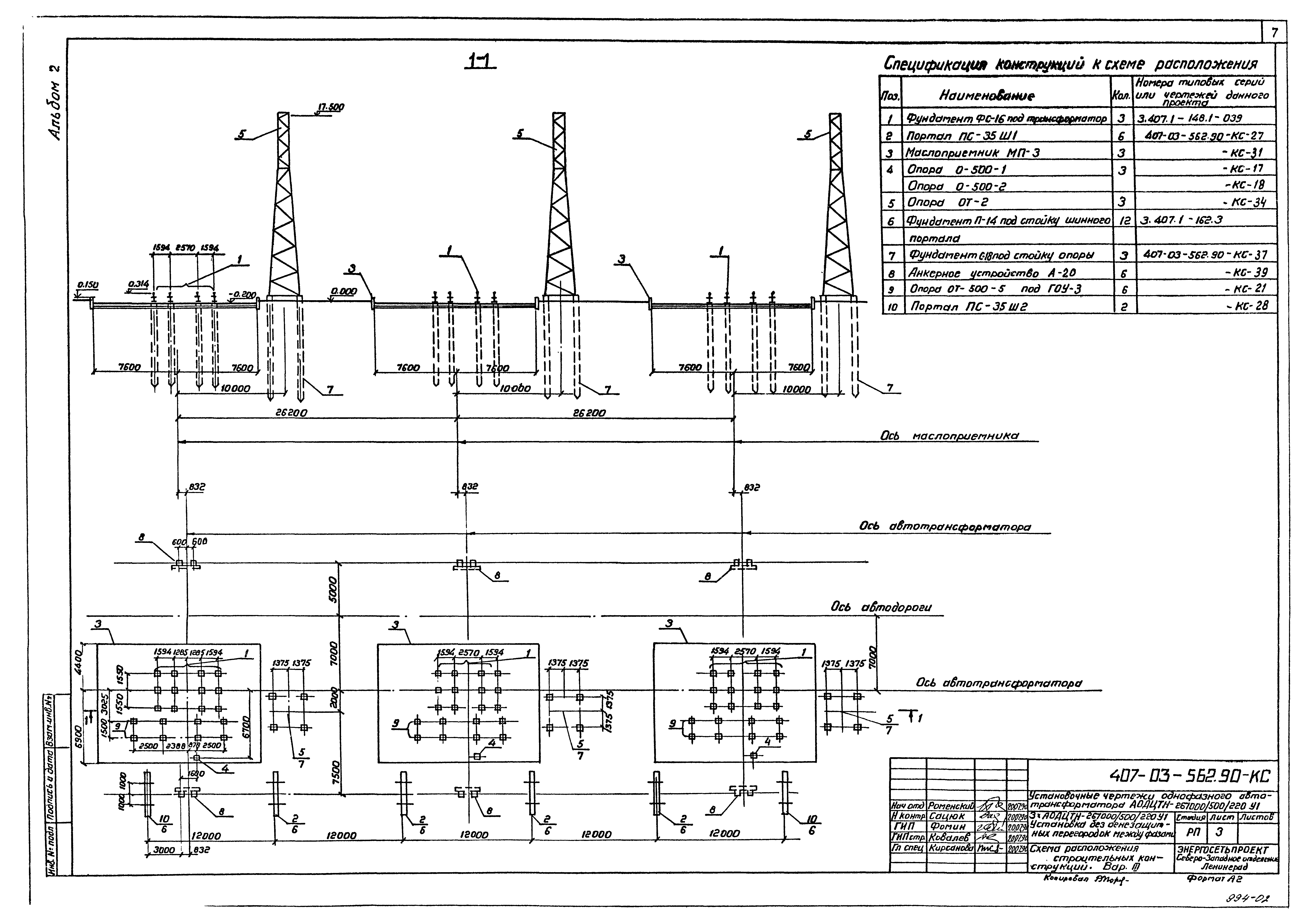
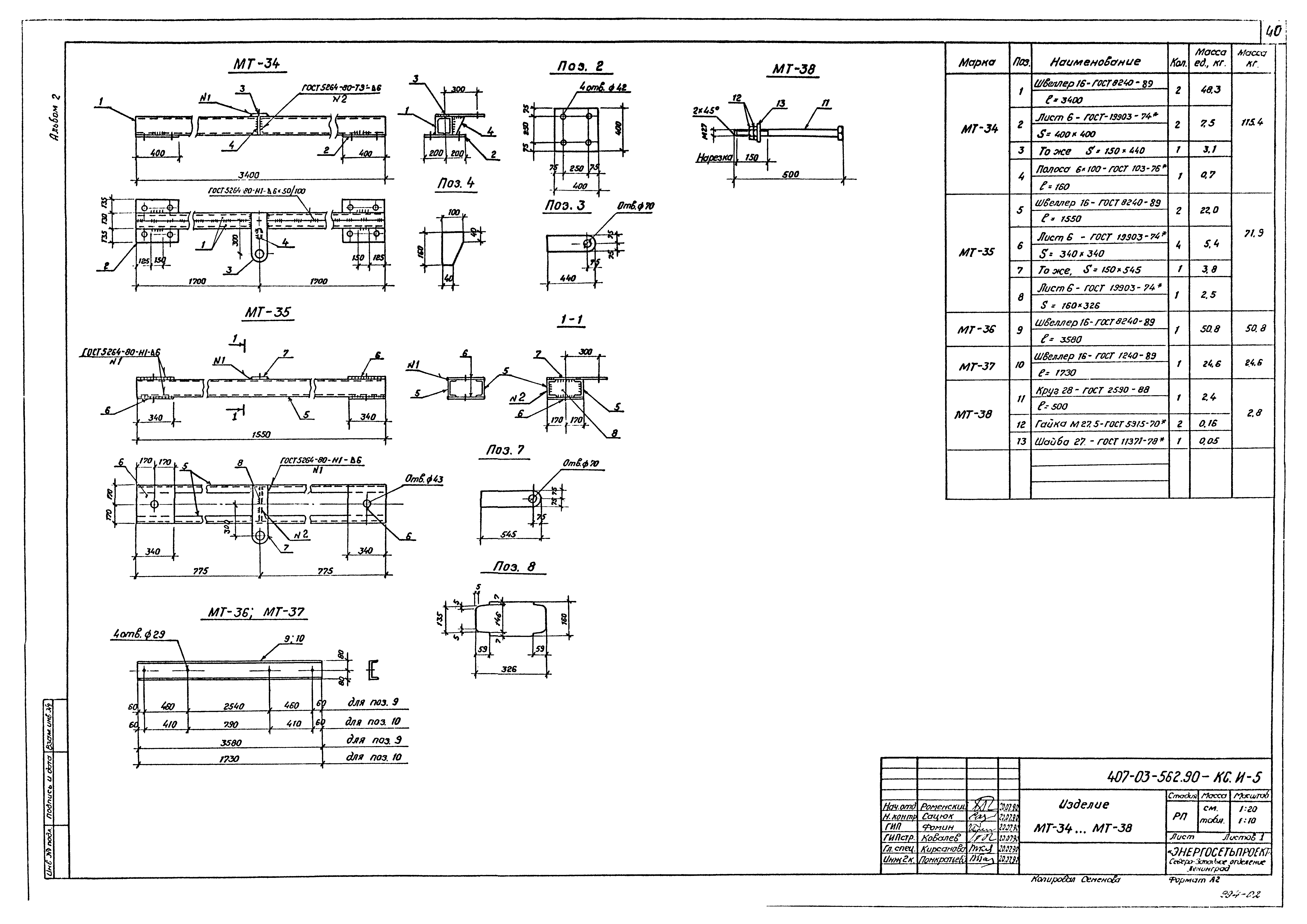
| Оглавление: | Пояснительная записка КС Строительная часть 3хАОДЦТН-267000/500/220У1. Установка без огнезащитных перегородок между фазами. Схема расположения строительных конструкций. Вариант I 3хАОДЦТН-267000/500/220У1. Установка без огнезащитных перегородок между фазами. Схема расположения строительных конструкций. Вариант II 3хАОДЦТН-267000/500/220У1. Установка без огнезащитных перегородок между фазами. Схема расположения строительных конструкций. Вариант III 3хАОДЦТН-267000/500/220У1. Установка без огнезащитных перегородок между фазами. Схема расположения строительных конструкций. Вариант IV 3хАОДЦТН-267000/500/220У1. Установка с огнезащитными перегородками между фазами. Схема расположения строительных конструкций. Вариант I 3хАОДЦТН-267000/500/220У1. Установка с огнезащитными перегородками между фазами. Схема расположения строительных конструкций. Вариант II 3хАОДЦТН-267000/500/220У1. Установка с огнезащитными перегородками между фазами. Схема расположения строительных конструкций. Вариант III 3хАОДЦТН-267000/500/220У1. Установка с огнезащитными перегородками между фазами. Схема расположения строительных конструкций. Вариант IV 3хАОДЦТН-267000/500/220 с опережающей установкой фазы от второй группы (резервной). Схема расположения строительных конструкций 3хАОДЦТН-267000/500/220 с опережающей установкой фазы от второй группы (резервной). Спецификация конструкций к схеме расположения 3хАОДЦТН-267000/500/220 с опережающей установкой фазы от второй группы (резервной). Вариант с огнезащитными перегородками. Спецификация конструкций к схеме расположения 3хАОДЦТН-267000/500/220-79У1 с резервной фазой. Схема расположения строительных конструкций 3хАОДЦТН-267000/500/220-79У1 с резервной фазой. Установка с огнезащитными перегородками. Схема расположения строительных конструкций 3хАОДЦТН-267000/500/220-79У1 с резервной фазой. Установка с огнезащитными перегородками. Спецификация конструкций к схеме расположения 3хАОДЦТН-267000/500/220-79У1 с резервной фазой. Спецификация конструкций к схеме расположения Разрядник РВО-10, изоляторы ОНШ-10-2000, ИОС-10-2000У1 и шкаф ШАОТ. Схема расположения элементов конструкций на опоре О-500-1 Разрядник РВО-10, изоляторы ОНШ-10-2000, ИОС-10-2000У1 и 2 шкафа ШАОТ. Схема расположения элементов конструкций на опоре О-500-2 Разрядник РВС-35, изоляторы ОНШ-35-20-1; С4-195-IУХЛ и шкаф ШАОТ. Схема расположения элементов конструкций на опоре О-500-3 Разрядник РВС-35, изоляторы ОНШ-35-20-1; С4-195-IУХЛ и 2 шкафа ШАОТ. Схема расположения элементов конструкций на опоре О-500-4 ГОУ-3. Схема расположения элементов опоры типа О-500-5 Шкаф 6 - 10 кВ с трансформатором напряжения. Схема расположения элементов конструкций на опоре О-500-6 Опоры О-500-1…О-500-6. Спецификация сборных железобетонных элементов Типы закреплений опор под оборудование в грунте Схема расположения элементов огнезащитной перегородки ОП-2 Закрепление стоек огнезащитных перегородок в грунте. Узлы К-1…К-4; К-3*, К-4* Схема расположения элементов шинного портала ПС-35Ш1 Схема расположения элементов шинного портала ПС-35Ш2 Схема расположения элементов шинного портала ПЖ-35Ш1 Схема расположения элементов шинного портала ПЖ-35Ш2 Схема расположения элементов маслоприемника МП-3 Маслоприемники. Узлы 1, 2. Приямок Схема расположения элементов трансформаторной опоры типа ОТ-1 Схема расположения элементов трансформаторных опор ОТ-2 и ОТ-2А Схема расположения элементов трансформаторных опор ОТ-3 и ОТ-3А Схема расположения элементов фундаментов П-12…П-14 Схема расположения элементов фундаментов С-18…С-21 Схема расположения элементов анкерного устройства А-19 Схема расположения элементов анкерного устройства А-20 Схема расположения элементов трансформаторных опор ОТ-4 и ОТ-4А Устройство для создания уклона трансформаторов КС.И Строительные изделия Изделие МП-1…МП-3 Изделие МТ-1…МТ-6 Изделие МТ-7…МТ-9; МТ-11…МТ-14; МТ-19 Изделие МТ-10, МТ-20…МТ-23; МТ-31 Изделие МТ-34…МТ-38 КМ Стальные конструкции Стойка П-21Б, П-21В Стойка С-1 Стойка верхняя Т8А Тросостойка П-94А Стойка П-25А |
| Разработан: | Северо-западное отделение института Энергосетьпроект |
| Утверждён: | 20.07.1990 Минэнерго СССР (USSR Minenergo 42) |














































