Скачать Серия 5.904-12 Выпуск 1-15/90. Калориферная секция для приточной камеры 2ПК10. Рабочие чертежиДата актуализации: 01.01.2021
|
| Обозначение: | Серия 5.904-12 |
| Обозначение англ: | Series 5.904-12 |
| Статус: | заменен |
| Название рус.: | Выпуск 1-15/90. Калориферная секция для приточной камеры 2ПК10. Рабочие чертежи |
| Дата добавления в базу: | 01.10.2014 |
| Дата актуализации: | 01.01.2021 |
| Дата введения: | 24.05.1990 |
| Дата окончания срока действия: | 01.06.1994 |
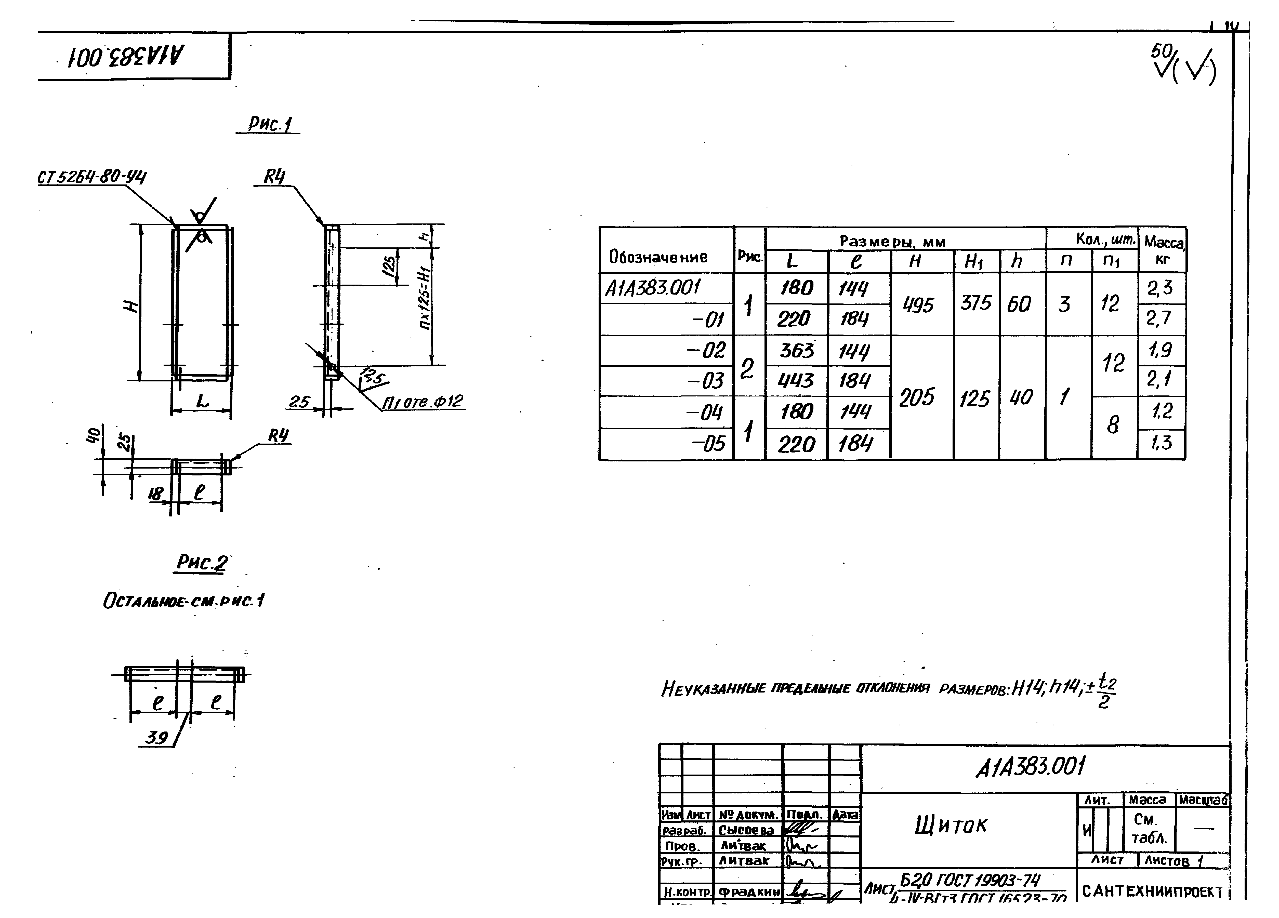
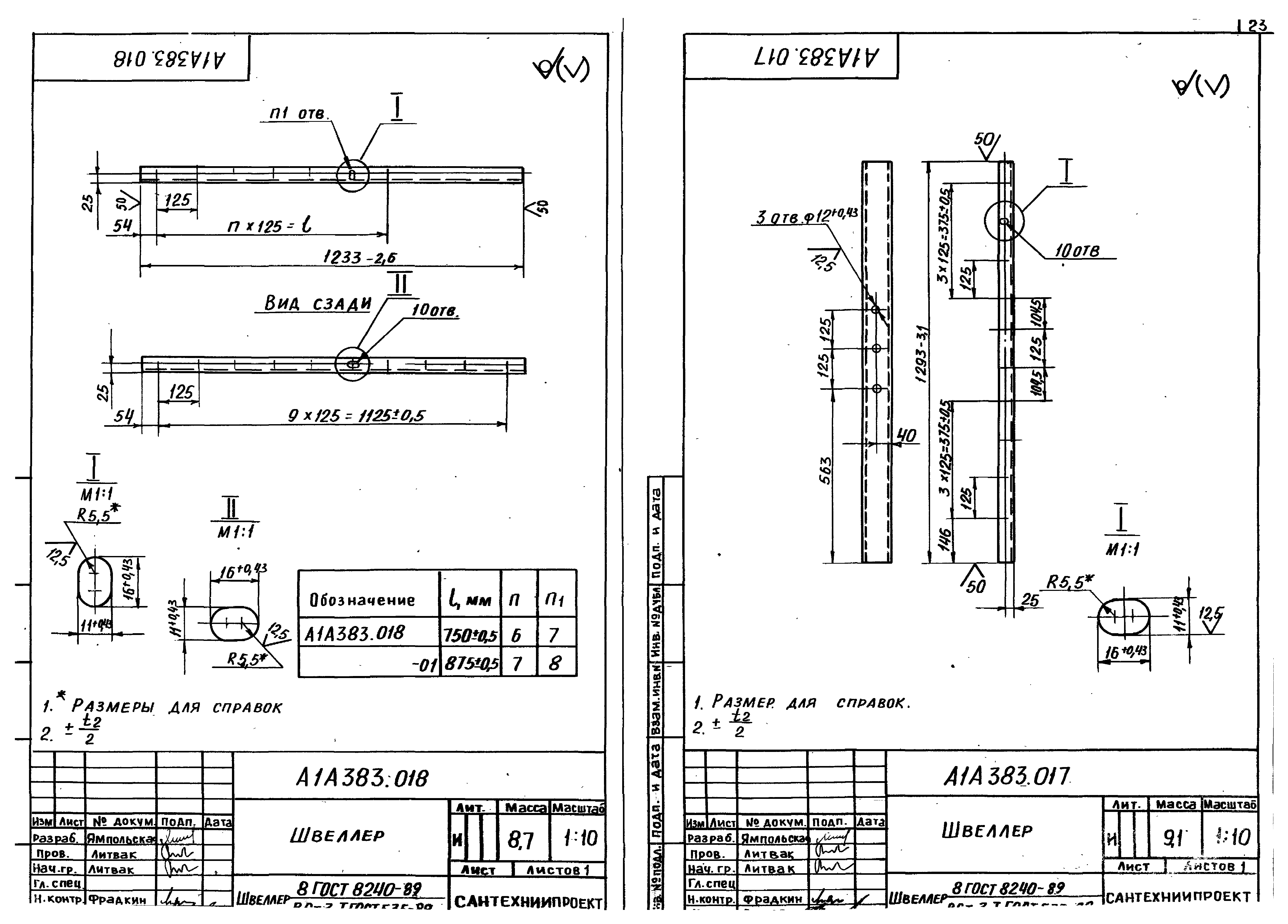
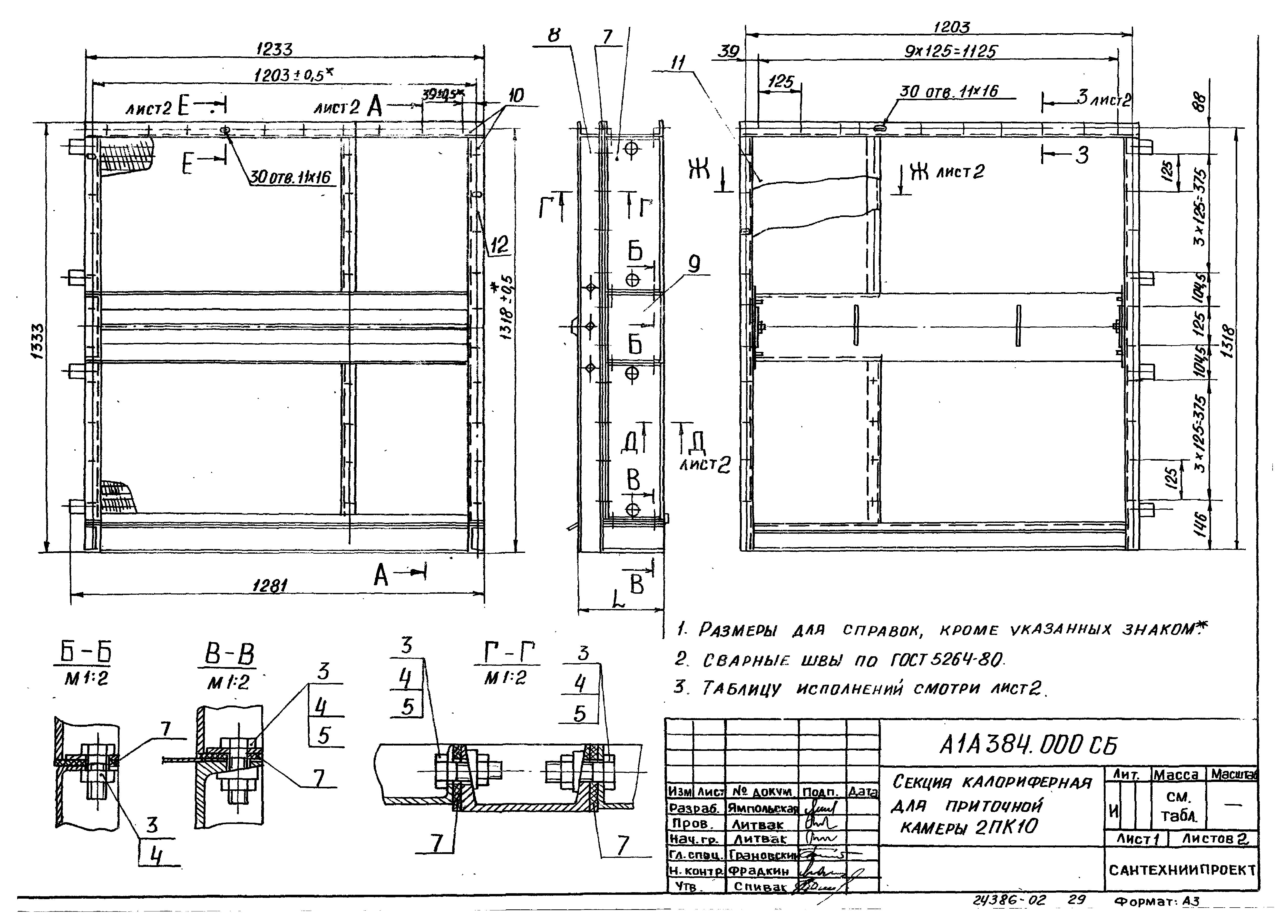
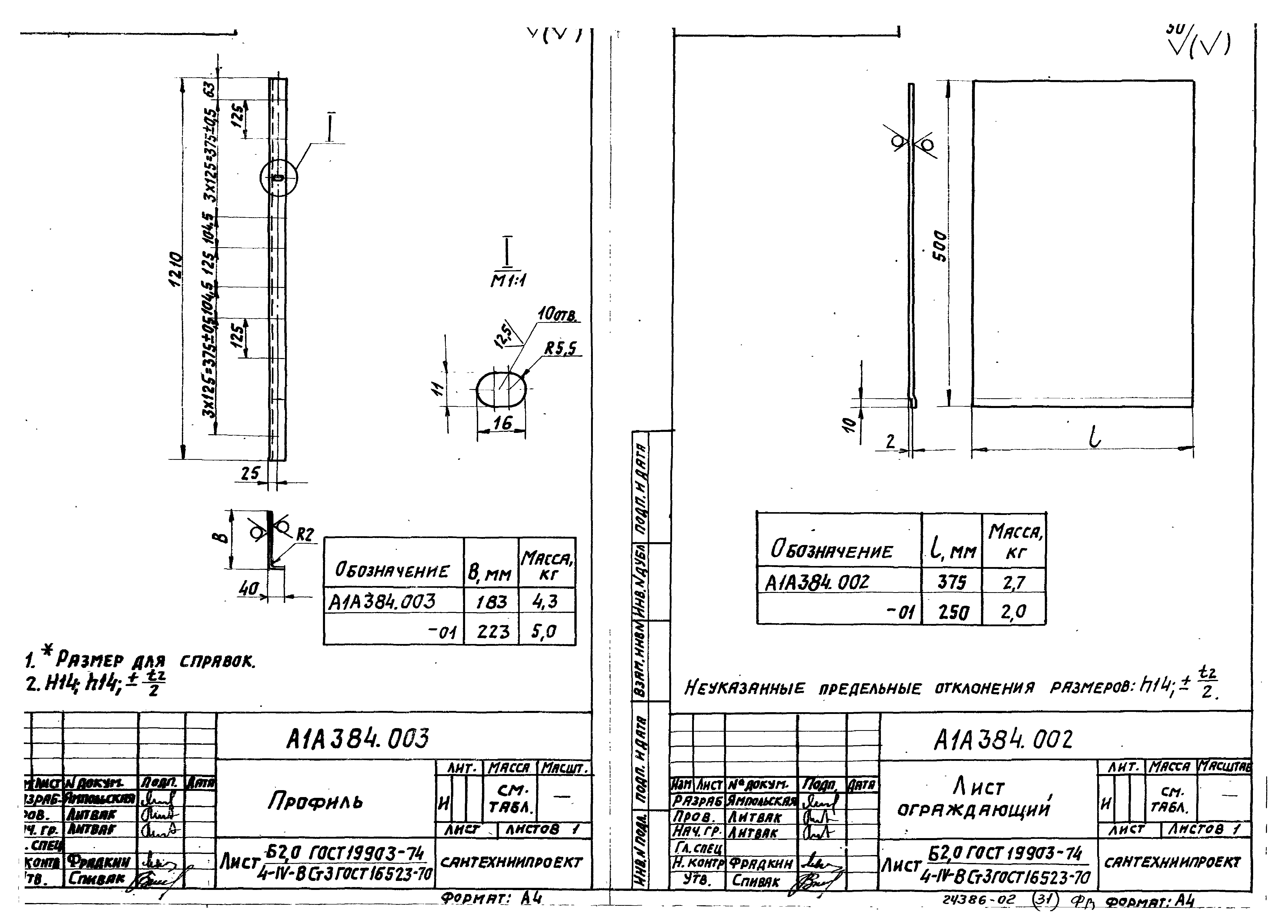
| Оглавление: | Содержание А1А383.000Д Секция калориферная для приточной камеры 2ПК10. Технические требования А1А383.000 Секция калориферная для приточной камеры 2ПК10 А1А383.002 Щиток А1А383.000СБ Секция калориферная для приточной камеры 2ПК10 А1А383.010 Элемент регулирующий А1А383.020 Корпус А1А383.001 Щиток А1А383.003 Стенка А1А383.004 Планка А1А383.005 Ручка А1А383.009 Лист А1А383.006 Лист А1А383.007 Лист А1А383.012 Швеллер А1А383.030 Рама А1А383.030СБ Рама А1А383.011 Швеллер А1А383.013 Швеллер А1А383.015 Швеллер А1А383.016 Лист А1А383.017 Швеллер А1А383.018 Швеллер А1А383.021 Швеллер А1А383.022 Швеллер А1А384.000 Секция калориферная для приточной камеры 2ПК10 А1А384.001 Щиток А1А384.000СБ Секция калориферная для приточной камеры 2ПК10 А1А384.002 Лист ограждающий А1А384.003 Профиль |
| Разработан: | ГПКНИИ Сантехниипроект Госстроя СССР |
| Утверждён: | 24.05.1990 ГПКНИИ Сантехниипроект Госстроя СССР (25) |
| Издан: | АПП ЦИТП (1991 г. ) |
| Чем заменён: |






























