Скачать Серия 5.904-12 Выпуск 1-21/90. Калориферная секция для приточной камеры 2ПК125. Рабочие чертежиДата актуализации: 01.01.2021
|
| Обозначение: | Серия 5.904-12 |
| Обозначение англ: | Series 5.904-12 |
| Статус: | заменен |
| Название рус.: | Выпуск 1-21/90. Калориферная секция для приточной камеры 2ПК125. Рабочие чертежи |
| Дата добавления в базу: | 01.10.2014 |
| Дата актуализации: | 01.01.2021 |
| Дата введения: | 24.05.1990 |
| Дата окончания срока действия: | 01.06.1994 |
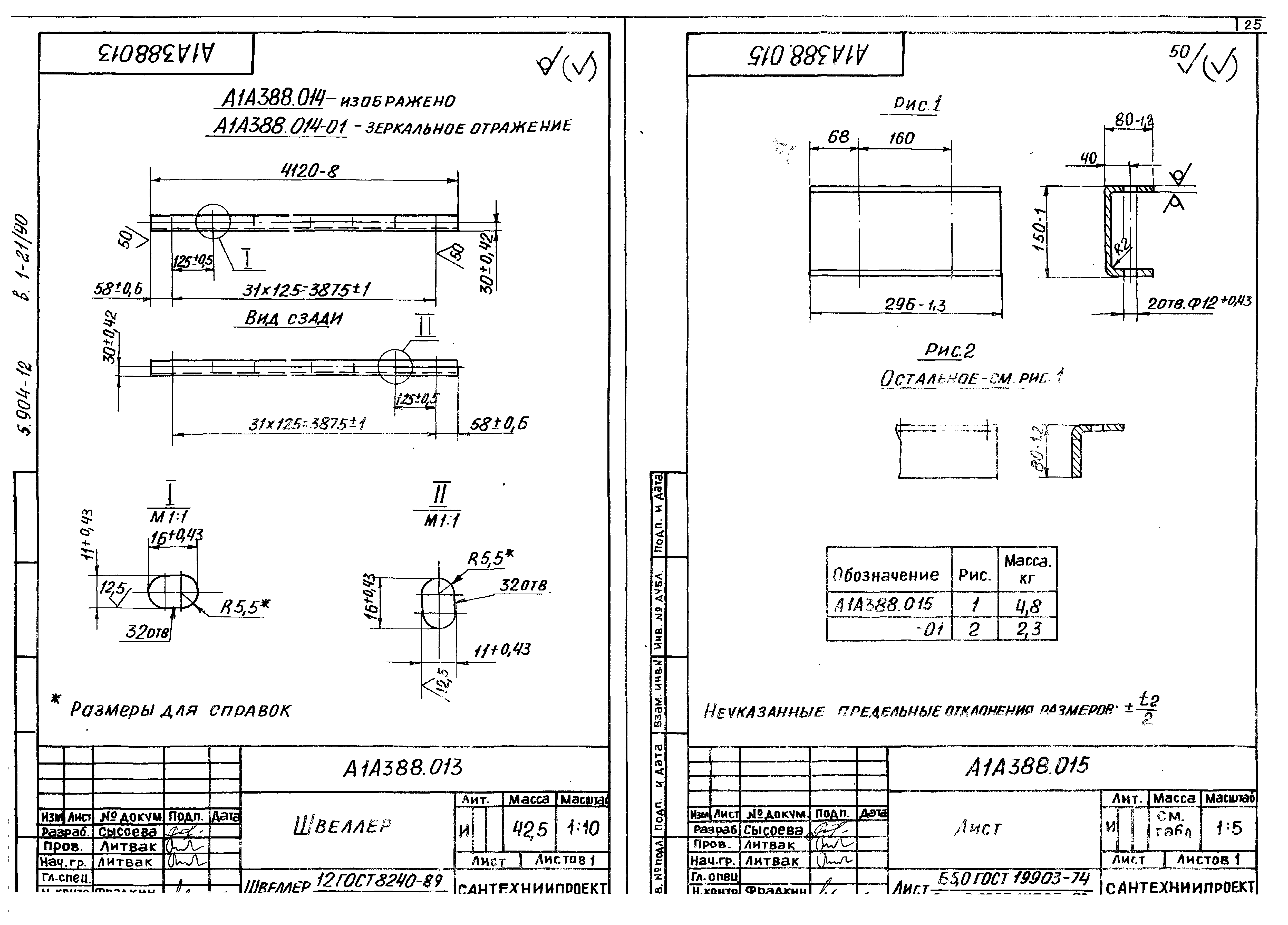
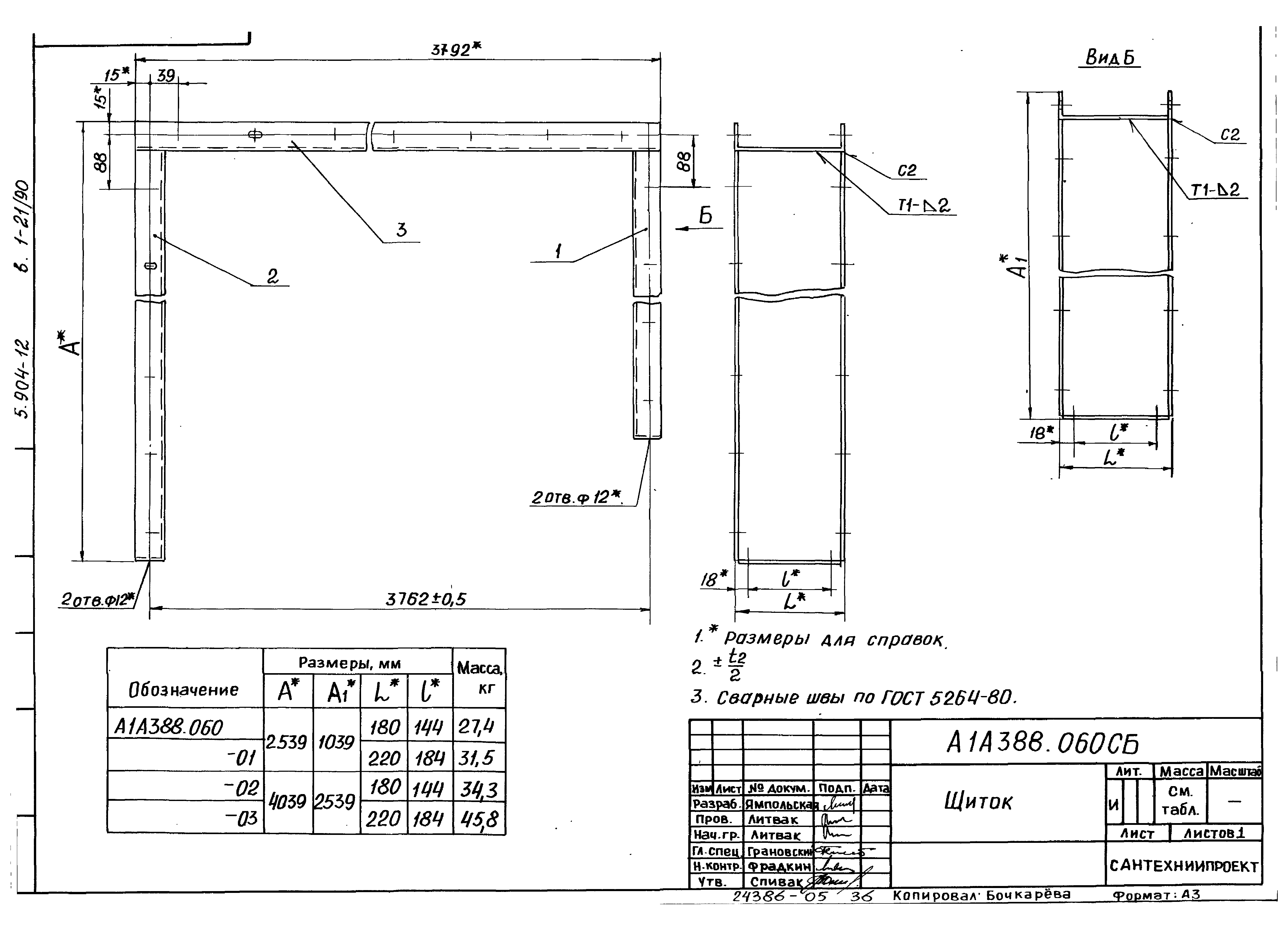
| Оглавление: | Содержание А1А388.000Д Секция калориферная для приточной камеры 2ПК125. Технические требования А1А388.000 Секция калориферная для приточной камеры 2ПК125 А1А388.001 Щиток А1А388.000СБ Секция калориферная для приточной камеры 2ПК125 А1А388.010 Элемент регулирующий А1А388.005 Стенка А1А388.020 Корпус А1А388.020СБ Корпус А1А388.006 Планка А1А388.007 Ручка А1А388.009 Лист А1А388.011 Лист А1А388.030 Рама А1А388.030СБ Рама А1А388.013 Швеллер А1А388.015 Лист А1А388.014 Балка А1А388.017 Планка А1А388.018 Швеллер нижний А1А388.019 Швеллер боковой А1А388.021 Швеллер средний А1А388.022 Лист нижний А1А388.012 Уголок А1А388.040 Щиток А1А388.040СБ Щиток А1А388.050 Щиток А1А388.050СБ Щиток А1А388.060 Щиток А1А388.060СБ Щиток А1А388.025 Профиль А1А388.026 Профиль А1А388.027 Профиль |
| Разработан: | ГПКНИИ Сантехниипроект Госстроя СССР |
| Утверждён: | 24.05.1990 ГПКНИИ Сантехниипроект Госстроя СССР (25) |
| Издан: | АПП ЦИТП (1991 г. ) |
| Чем заменён: |





































