Скачать Серия 3.503.1-58 Выпуск 0. Часть II. Материалы для проектирования. Программа Темпер. Эксплуатационная документацияДата актуализации: 01.01.2021
|
| Обозначение: | Серия 3.503.1-58 |
| Обозначение англ: | Series 3.503.1-58 |
| Статус: | заменен |
| Название рус.: | Выпуск 0. Часть II. Материалы для проектирования. Программа "Темпер". Эксплуатационная документация |
| Дата добавления в базу: | 01.10.2014 |
| Дата актуализации: | 01.01.2021 |
| Дата введения: | 01.09.1982 |
| Дата окончания срока действия: | 01.06.1993 |
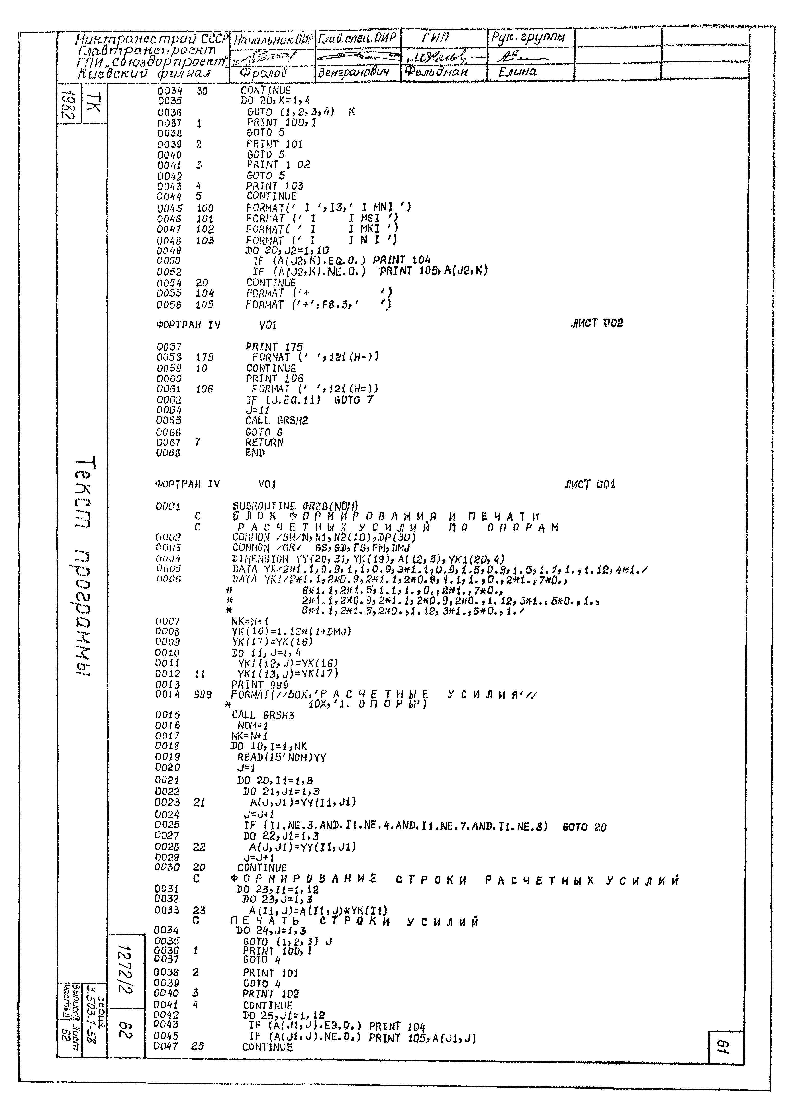
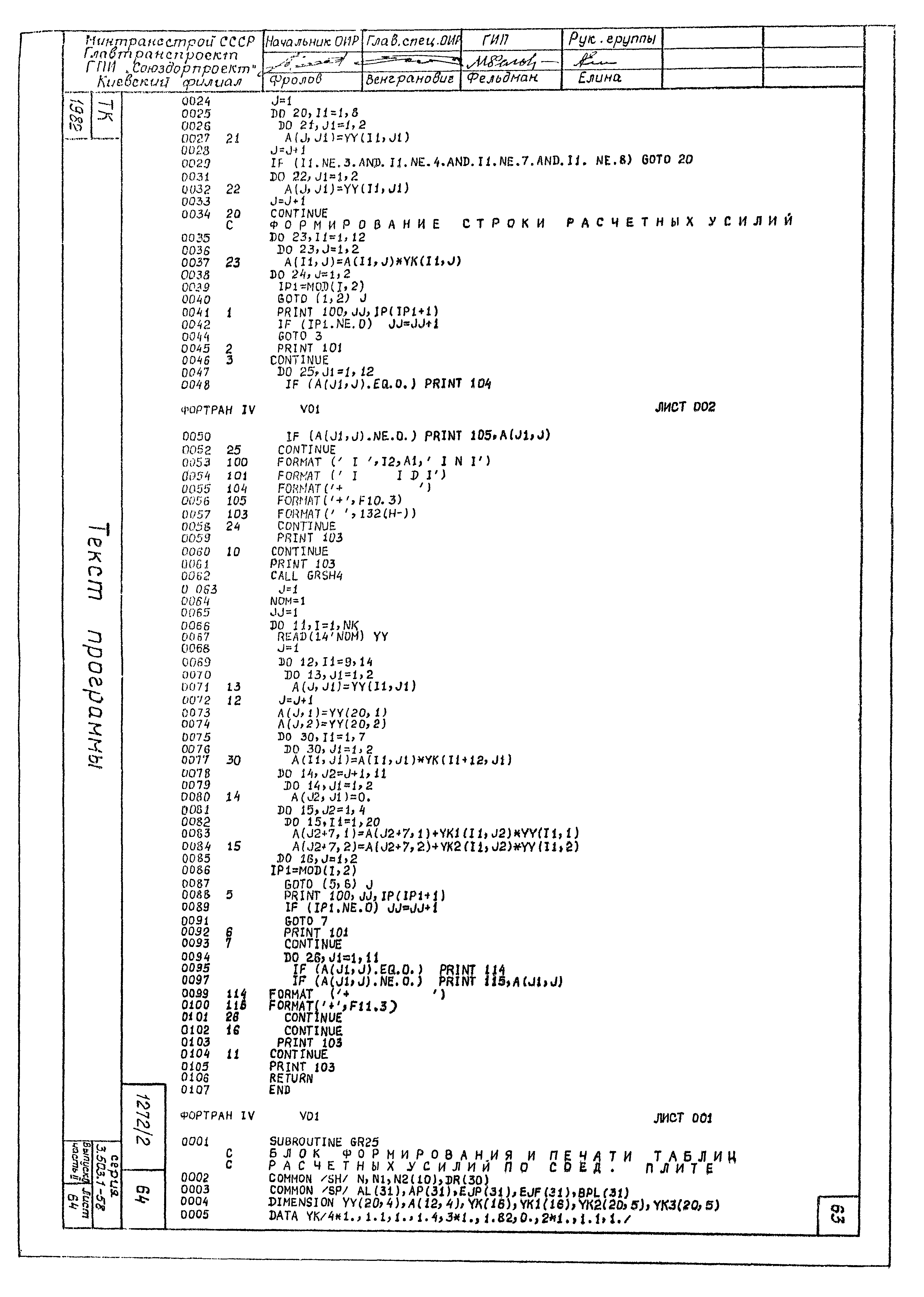
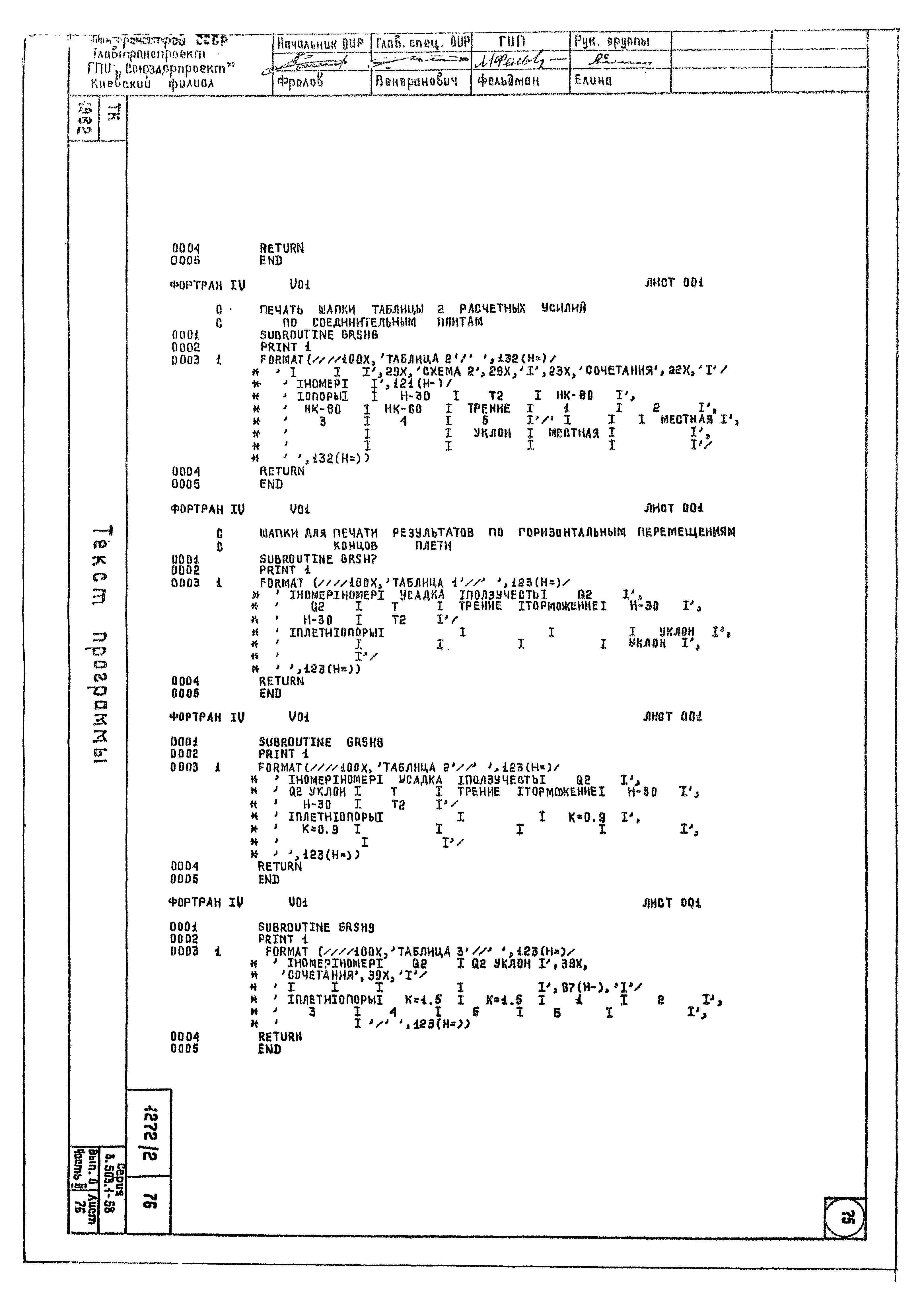
| Оглавление: | 1. Пояснительная записка 1.1. Введение 1.2. Общее описание 1.3. Описание исходной информации и рекомендации по заполнению бланков 1.4. Описание результатов расчета 1.5. Инструкция по перфорации 1.6. Инструкция оператору 2. Контрольный пример 3. Текст программы |
| Разработан: | ГПИ Союздорпроект |
| Утверждён: | 20.04.1982 Минтрансстрой (Mintransstroy ЛН-289) |
| Чем заменён: |










































































