Скачать Серия 3.503.1-58 Выпуск 1. Конструкция температурно-неразрезных пролетных строенийДата актуализации: 01.01.2021
|
| Обозначение: | Серия 3.503.1-58 |
| Обозначение англ: | Series 3.503.1-58 |
| Статус: | заменен |
| Название рус.: | Выпуск 1. Конструкция температурно-неразрезных пролетных строений |
| Дата добавления в базу: | 01.10.2014 |
| Дата актуализации: | 01.01.2021 |
| Дата введения: | 01.09.1982 |
| Дата окончания срока действия: | 01.06.1993 |
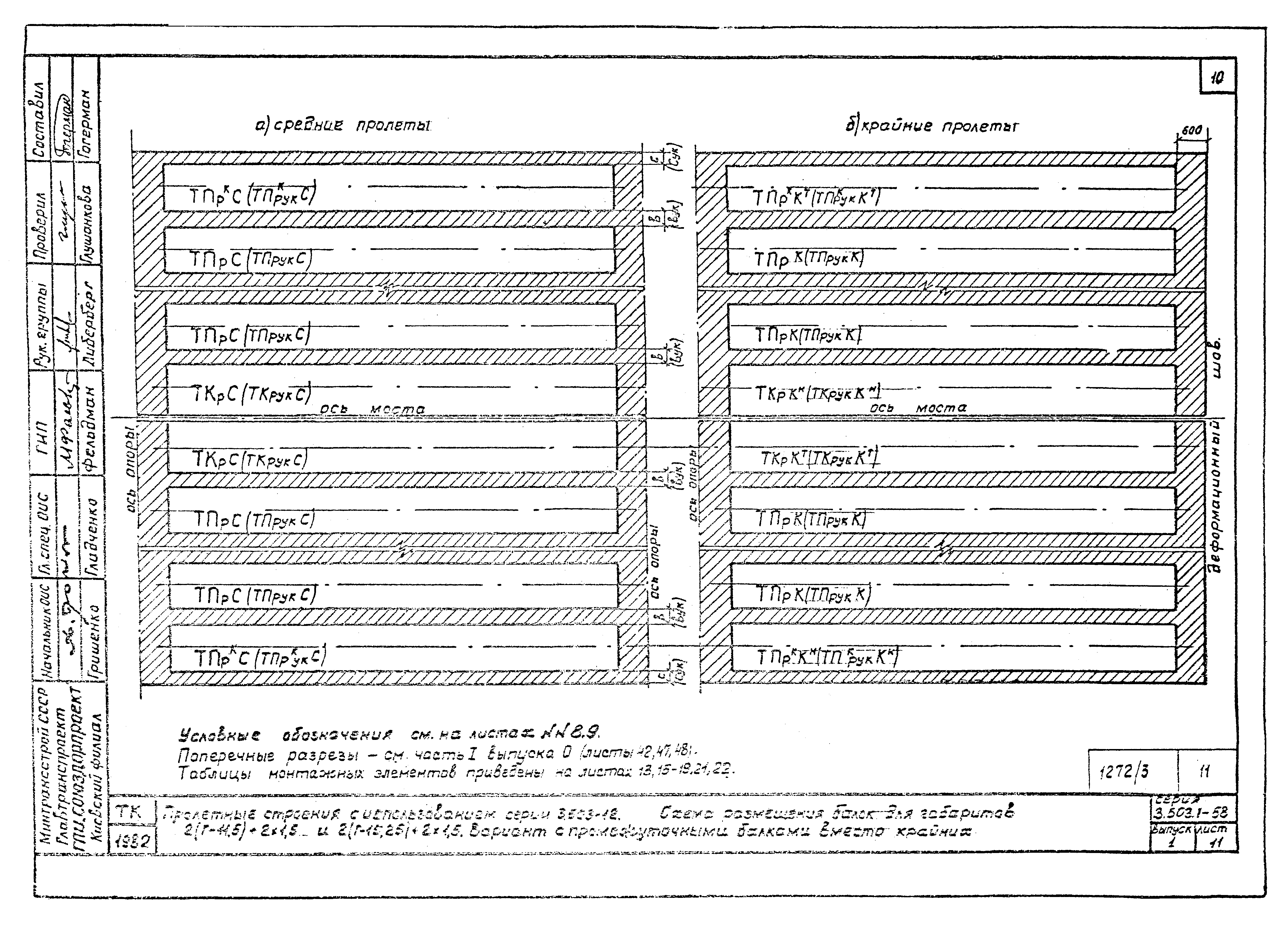
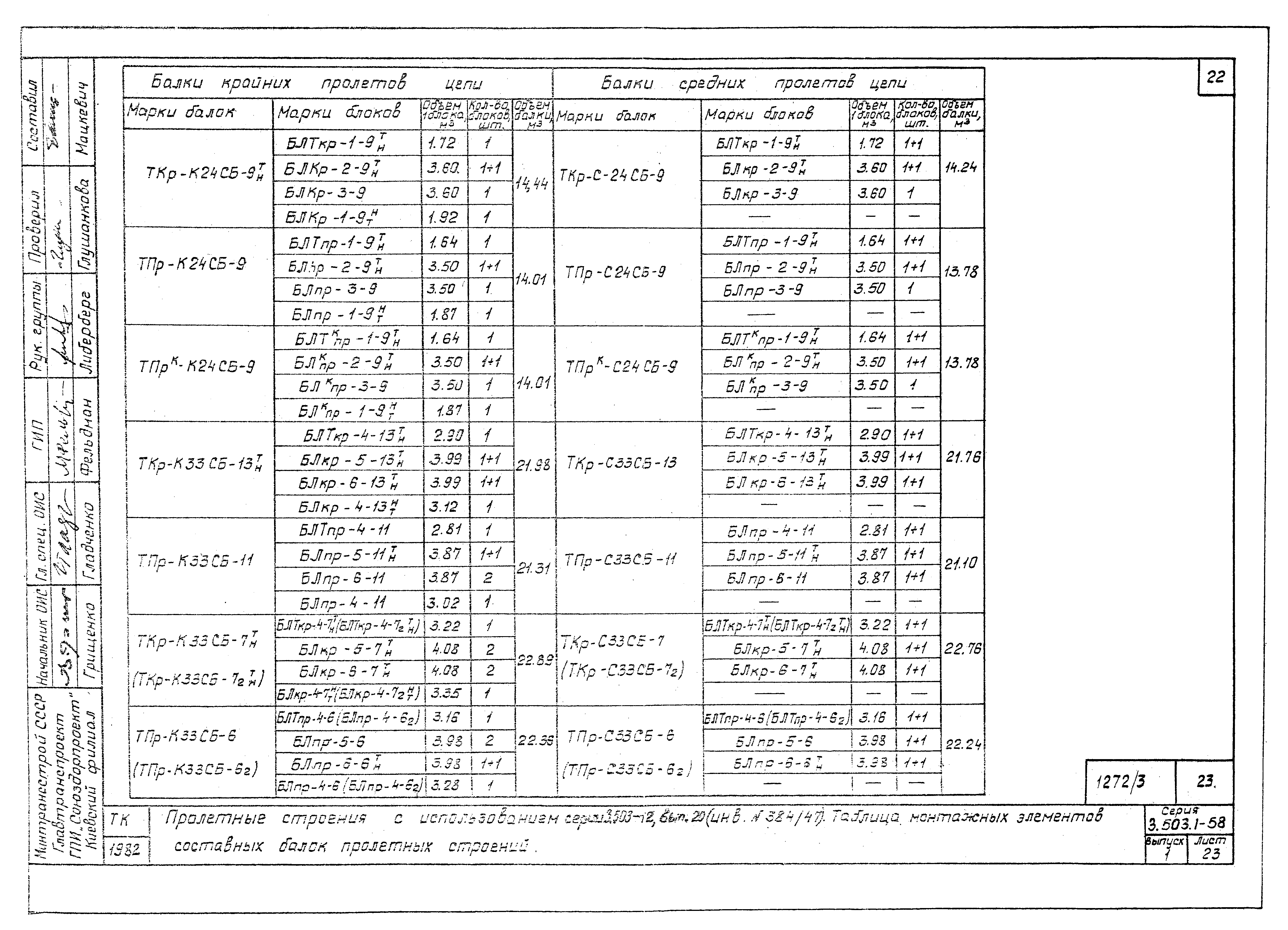
| Оглавление: | Пояснительная записка Схемы размещения балок пролетных строений с использованием серии 3.503-12 Таблицы монтажных элементов пролетных строений с использованием серии 3.503-12, выпуск 19 (инв. №384/46) длиной 15, 18, 21, 24 м с накладными тротуарными блоками Таблицы монтажных элементов пролетных строений с использованием серии 3.503-12, выпуск 19 (инв. №384/46) длиной 15, 18, 21, 24 м с металлическим барьерным ограждением Таблицы монтажных элементов пролетных строений с использованием серии 3.503-12, выпуск 19 (инв. №384/46) длиной 33 м Таблицы монтажных элементов пролетных строений с использованием серии 3.503-12, выпуск 20 (инв. №384/47) Таблицы монтажных элементов составных балок пролетных строений с использованием серии 3.503-12, выпуск 20 (инв. №384/47) Схемы размещения балок пролетных строений с использованием серии 3.503-14, выпуск 5 (инв. №710/5) Таблицы монтажных элементов пролетных строений с использованием серии 3.503-14, выпуск 5 Армирование продольных стыков пролетных строений с использованием серии 3.503-12, выпуски 19 и 20 Армирование монолитных свесов консолей плиты пролетных строений с использованием серии 3.503-12, выпуски 19 и 20 Армирование продольных стыков пролетных строений с использованием серии 3.503-12, выпуск 19 (инв. №384/46). Спецификации арматуры Армирование продольных стыков пролетных строений с использованием серии 3.503-12, выпуск 19 (инв. №384/46). Выборки стали Армирование монолитных свесов консолей плиты пролетных строений с использованием серии 3.503-12, выпуск 19 (инв. №384/46). Спецификации арматуры Армирование монолитных свесов консолей плиты пролетных строений с использованием серии 3.503-12, выпуск 19 (инв. №384/46). Выборки стали Армирование продольных стыков пролетных строений с использованием серии 3.503-12, выпуск 20 (инв. №384/47). Спецификации арматуры Армирование продольных стыков пролетных строений с использованием серии 3.503-12, выпуск 20 (инв. №384/47). Выборки стали Армирование монолитных свесов консолей плиты пролетных строений с использованием серии 3.503-12, выпуск 20 (инв. №384/47). Спецификации арматуры и выборка стали Армирование продольных стыков пролетных строений с использованием серии 3.503-14, выпуск 5 Армирование средней части соединительных плит пролетных строений с использованием серии 3.503-12, выпуск 19 (инв. №384/46) Армирование торцевой части соединительных плит пролетных строений с использованием серии 3.503-12, выпуск 19 (инв. №384/46) Армирование средней части соединительных плит пролетных строений с использованием серии 3.503-12, выпуск 20 (инв. №384/47) Армирование торцевой части соединительных плит пролетных строений с использованием серии 3.503-12, выпуск 20 (инв. №384/47) Армирование соединительной плиты пролетных строений с использованием серии 3.503-14, выпуск 5 Армирование средней части соединительных плит пролетных строений с использованием серии 3.503-12, выпуск 19 (инв. №384/46). Арматурные сетки Армирование торцевой части соединительных плит пролетных строений с использованием серии 3.503-12, выпуск 19 (инв. №384/46). Арматурные сетки Армирование средней части соединительных плит пролетных строений с использованием серии 3.503-12, выпуск 20 (инв. №384/47). Арматурные сетки Армирование торцевой части соединительных плит пролетных строений с использованием серии 3.503-12, выпуск 20 (инв. №384/47). Арматурные сетки Армирование средней части соединительной плиты пролетных строений с использованием серии 3.503-14, выпуск 5 (инв. №710/5). Арматурные сетки Армирование торцевой части соединительной плиты пролетных строений с использованием серии 3.503-14, выпуск 5 (инв. №710/5). Арматурные сетки Таблицы расхода арматурной стали на продольные стыки и свесы в пролетных строениях с использованием серии 3.503-12, выпуск 19 (инв. №384/46), длиной 15 м Таблицы расхода арматурной стали на продольные стыки и свесы в пролетных строениях с использованием серии 3.503-12, выпуск 19 (инв. №384/46), длиной 18 м Таблицы расхода арматурной стали на продольные стыки и свесы в пролетных строениях с использованием серии 3.503-12, выпуск 19 (инв. №384/46), длиной 21 м Таблицы расхода арматурной стали на продольные стыки и свесы в пролетных строениях с использованием серии 3.503-12, выпуск 19 (инв. №384/46), длиной 24 м Таблицы расхода арматурной стали на продольные стыки и свесы в пролетных строениях с использованием серии 3.503-12, выпуск 19 (инв. №384/46), длиной 33 м Таблицы расхода арматурной стали на продольные стыки и свесы в пролетных строениях с использованием серии 3.503-12, выпуск 20 (инв. №384/47) Таблицы расхода арматурной стали на продольные стыки в пролетных строениях с использованием серии 3.503-14, выпуск 5 (инв. №710/5) Таблицы расхода стали на соединительные плиты пролетных строений с использованием серии 3.503-12, выпуск 19 (инв. №384/46), длиной 15, 18, 21 м Таблицы расхода стали на соединительные плиты пролетных строений с использованием серии 3.503-12, выпуск 19 (инв. №384/46), длиной 24 и 33 м высотой 1,7 м Таблицы расхода стали на соединительные плиты пролетных строений с использованием серии 3.503-12, выпуск 19 (инв. №384/46), длиной 33 м высотой 1,5 м Таблицы расхода стали на соединительные плиты пролетных строений с использованием серии 3.503-12, выпуск 20 (инв. №384/47) Таблицы расхода стали на соединительные плиты пролетных строений с использованием серии 3.503-14, выпуск 5 (инв. №710/5) Расположение закладных деталей в пролетных строениях с использованием серии 3.503-12, выпуски 19 и 20 Таблицы размеров и расхода материалов закладных деталей в пролетных строениях с использованием серии 3.503-12, выпуски 19 и 20 Схема расположения закладных деталей в пролетных строениях с использованием серии 3.503-14, выпуск 5 Конструкция проезжей части над соединительной плитой Вариант сборных унифицированных соединительных плит. Схемы размещения Вариант сборных унифицированных соединительных плит. Армирование монолитных участков соединительных плит Вариант сборных унифицированных соединительных плит. Конструкция сборных плит |
| Разработан: | ГПИ Союздорпроект |
| Утверждён: | 20.04.1982 Минтрансстрой (Mintransstroy ЛН-289) |
| Чем заменён: |

















































































































































