Скачать Типовые проектные решения 820-04-16.85 Альбом II. Водосбросы на расход воды до 39 куб. м/с. Железобетонные конструкции шахты. Ведомость потребности в материалах. Монолитный вариантДата актуализации: 01.01.2021
|
| Обозначение: | Типовые проектные решения 820-04-16.85 |
| Обозначение англ: | 820-04-16.85 |
| Статус: | справочные материалы, мп, тпр |
| Название рус.: | Альбом II. Водосбросы на расход воды до 39 куб. м/с. Железобетонные конструкции шахты. Ведомость потребности в материалах. Монолитный вариант |
| Дата добавления в базу: | 01.10.2014 |
| Дата актуализации: | 01.01.2021 |
| Дата введения: | 14.01.1985 |
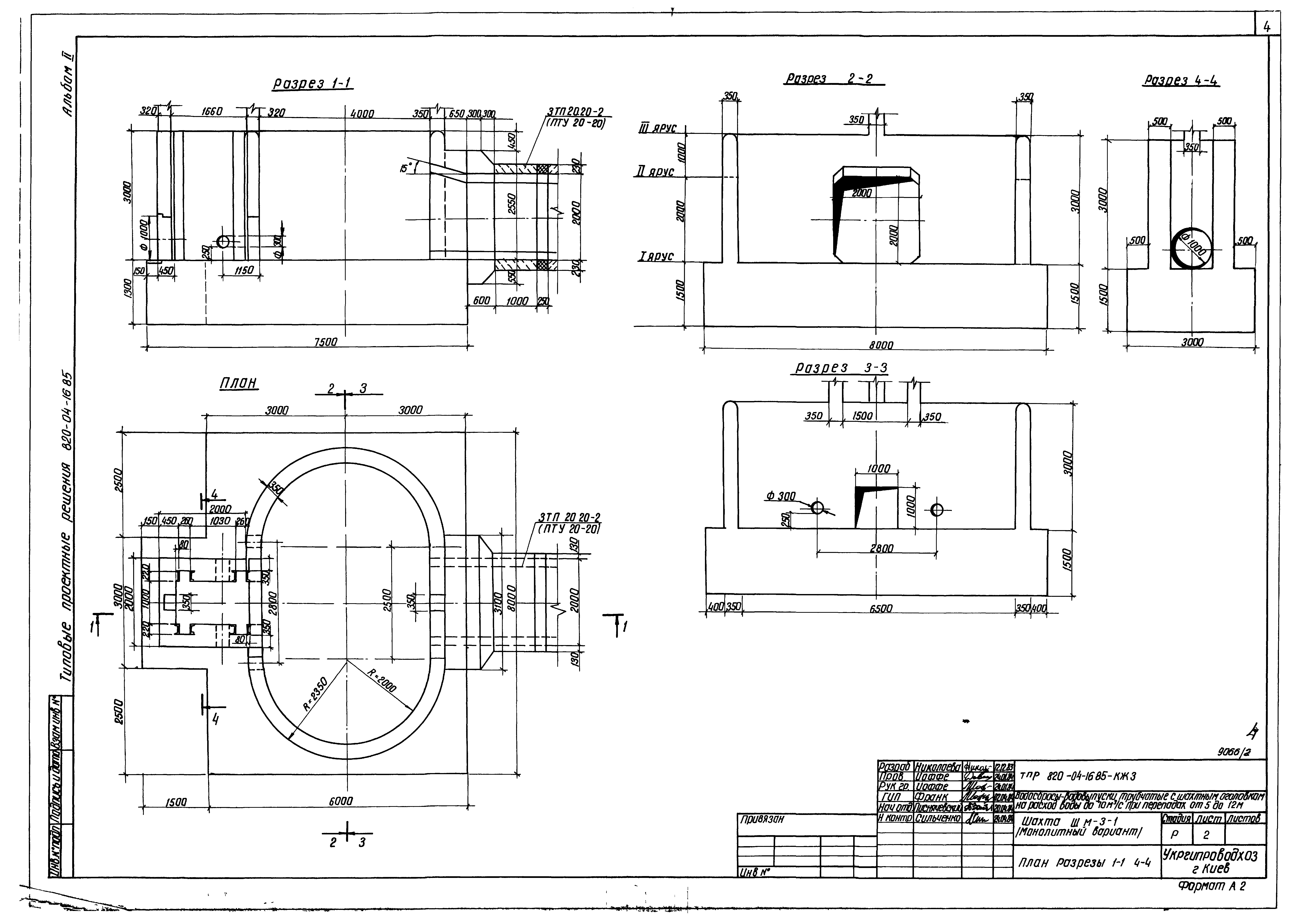
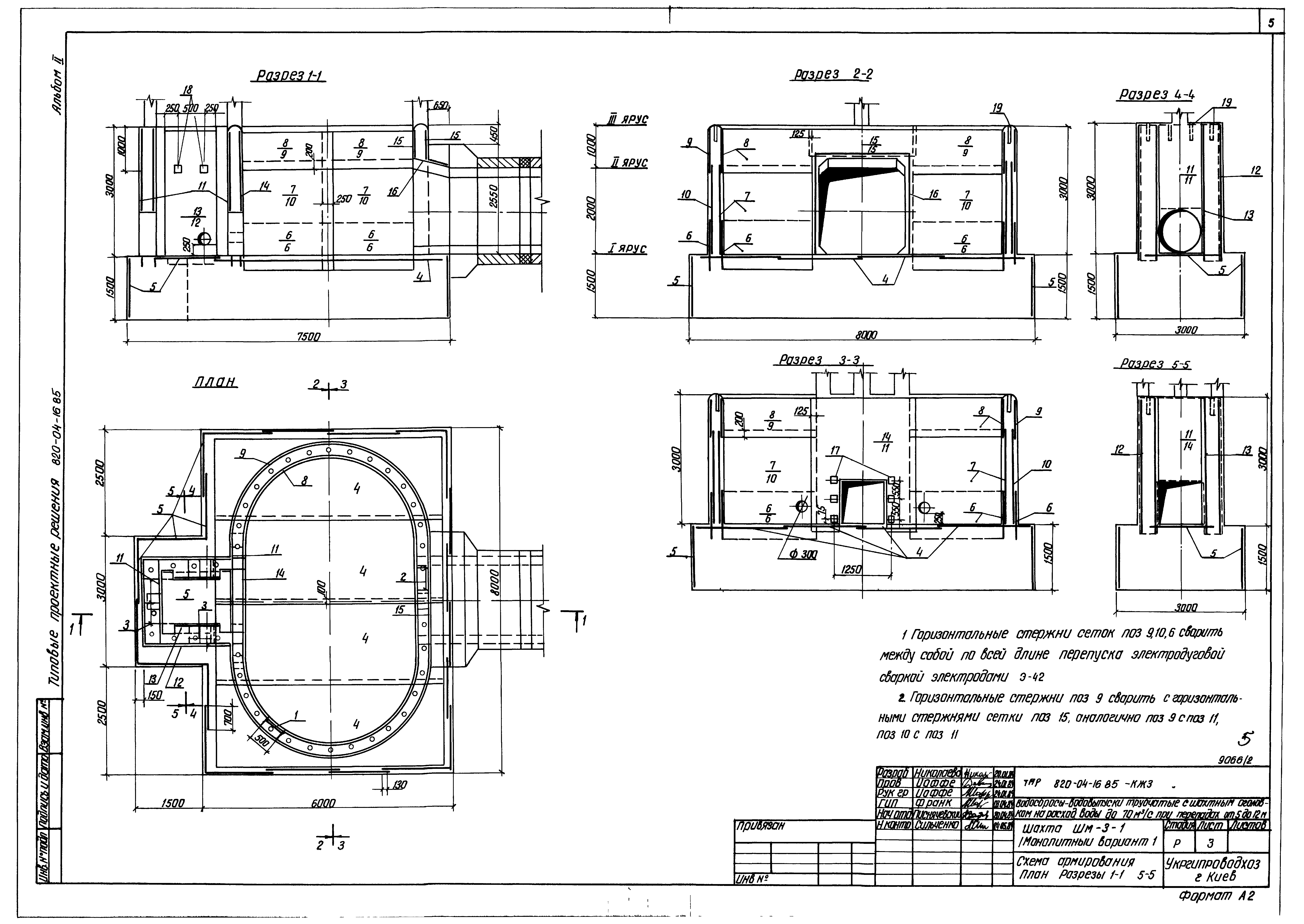
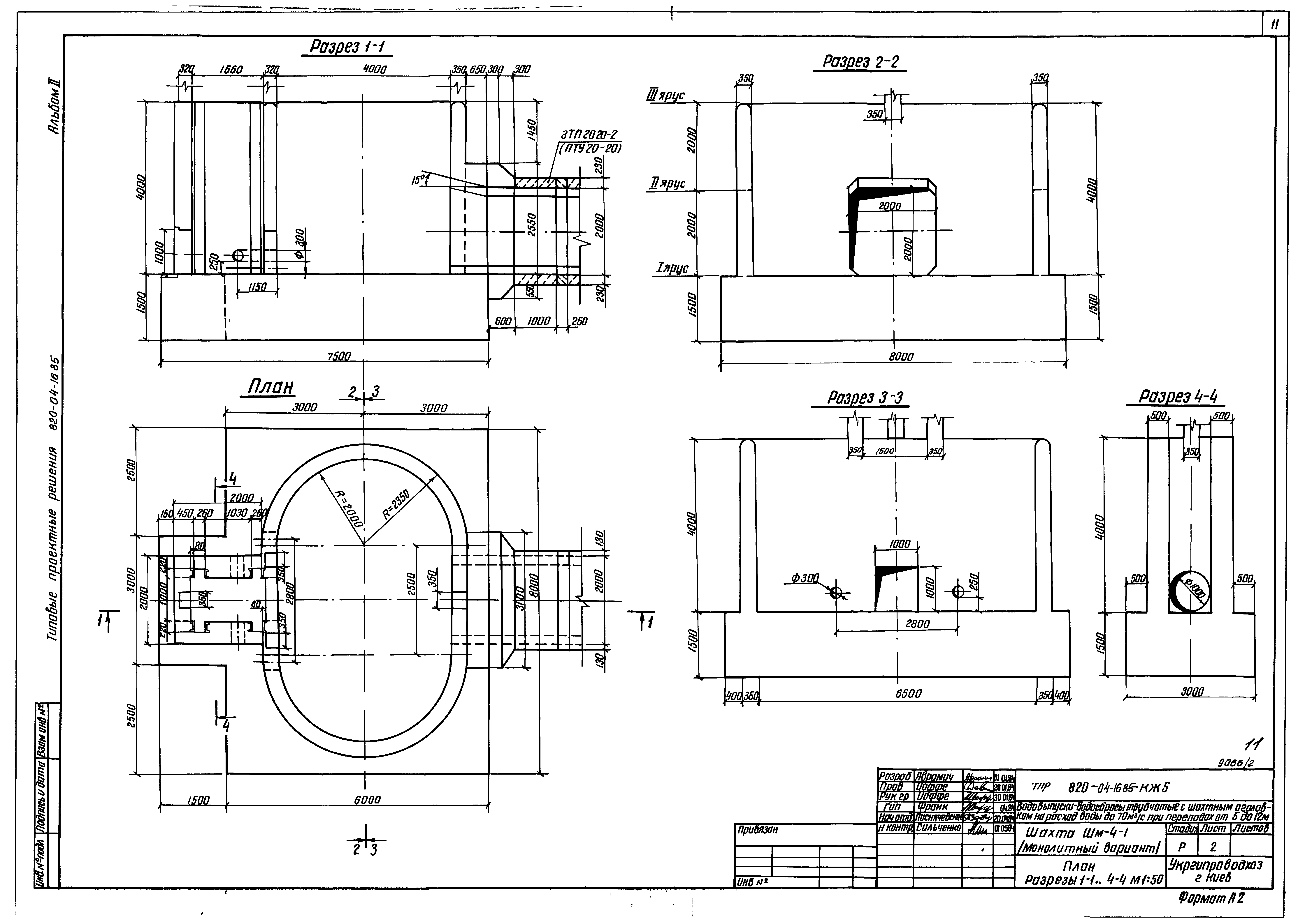
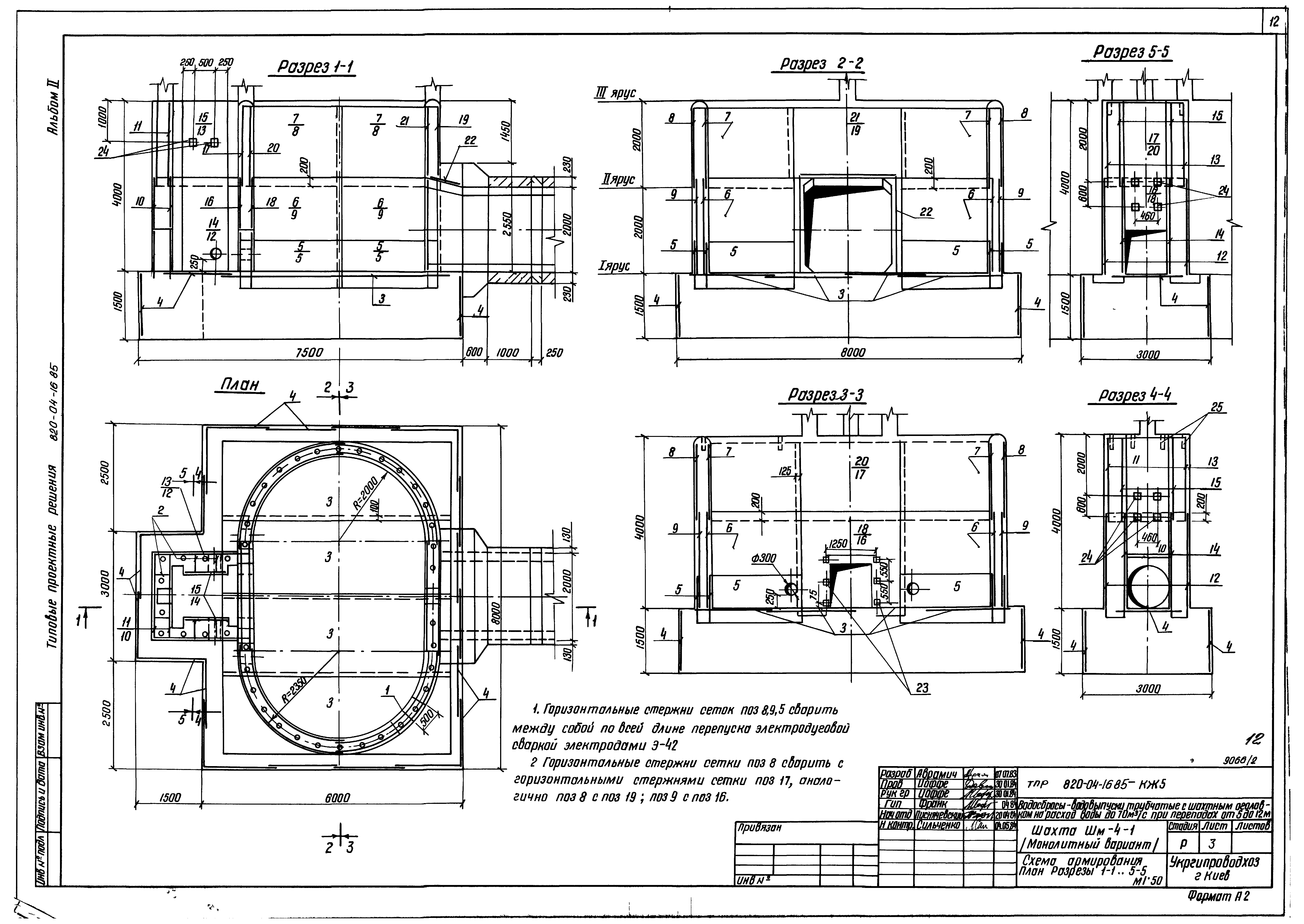
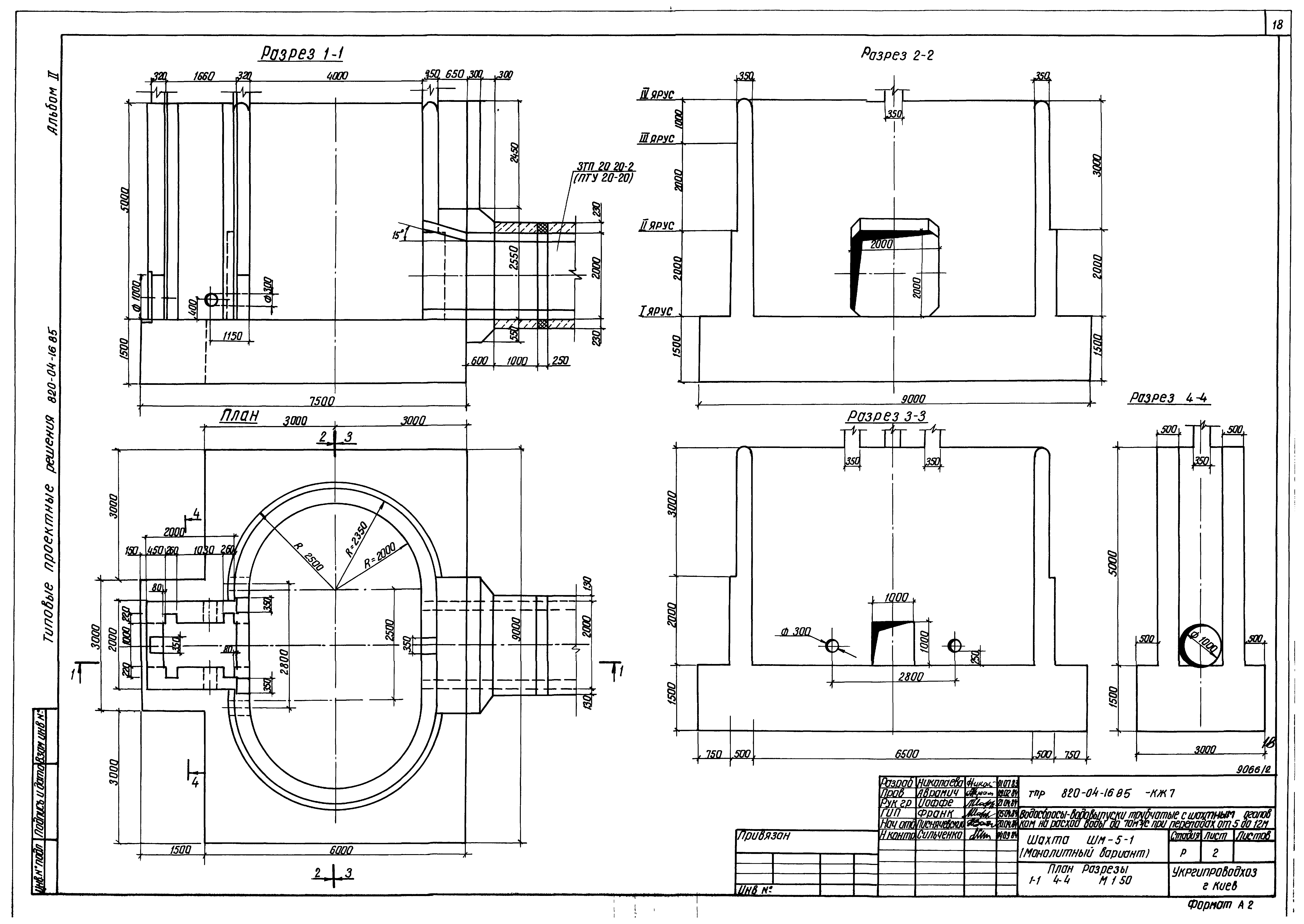
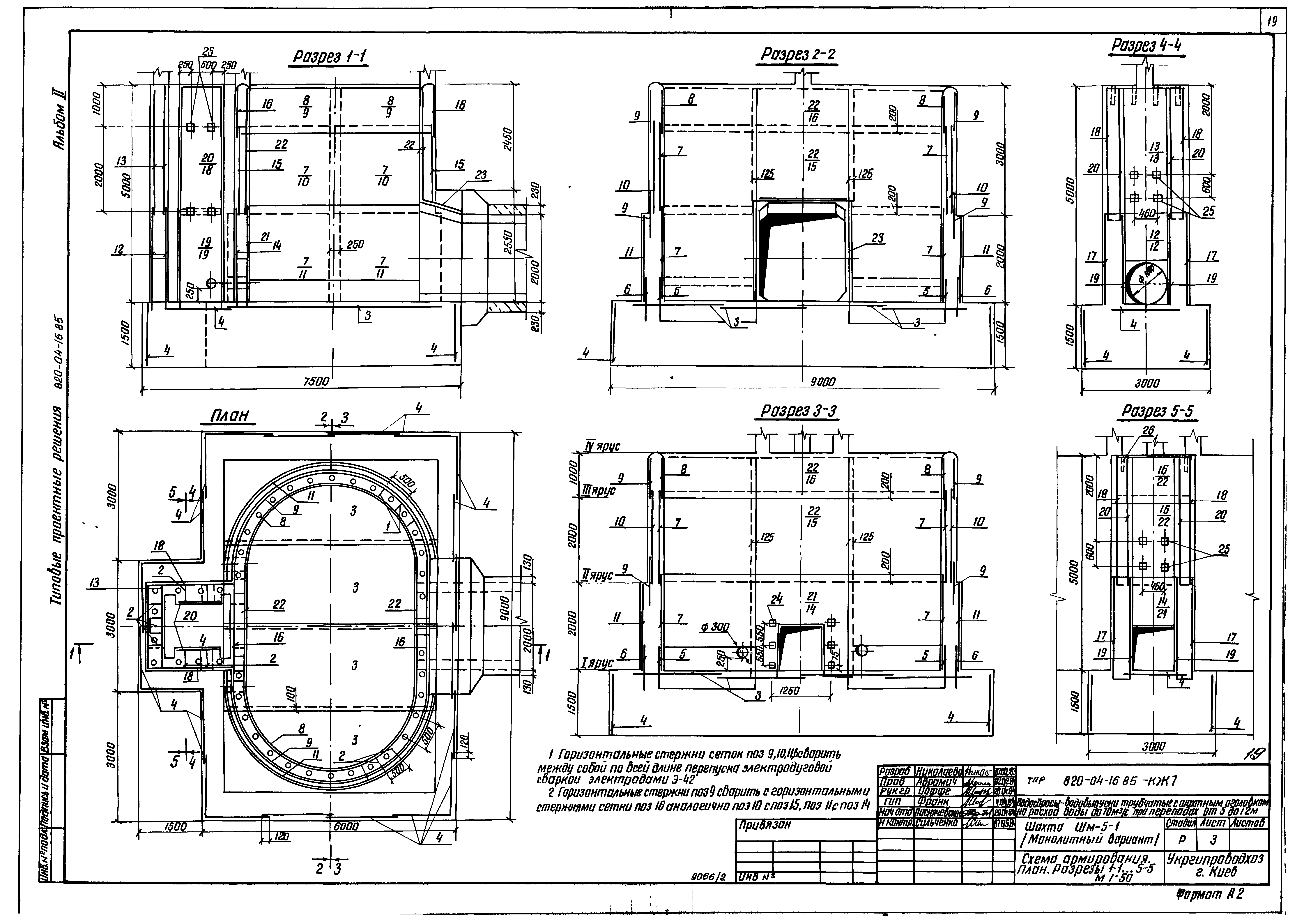
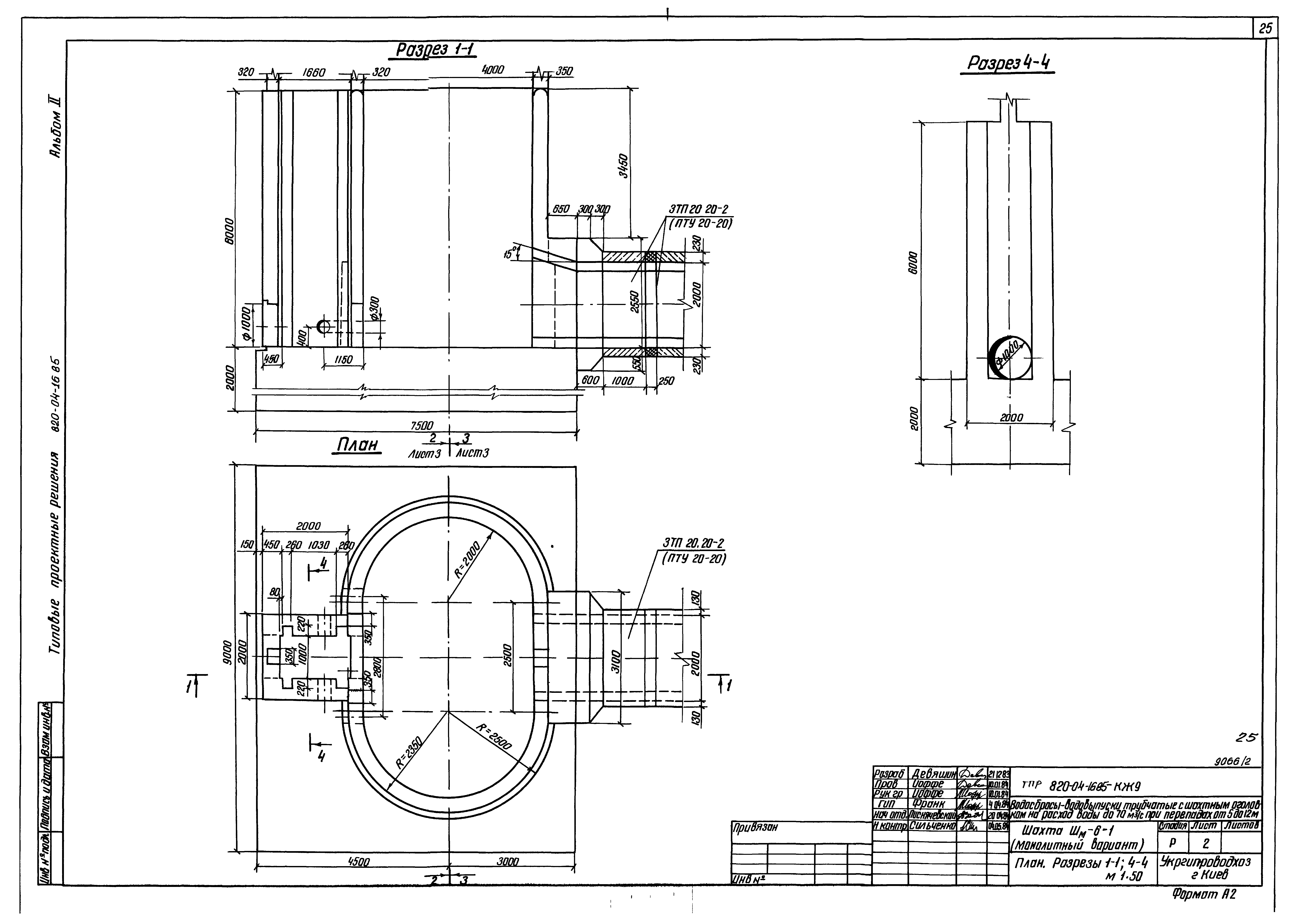
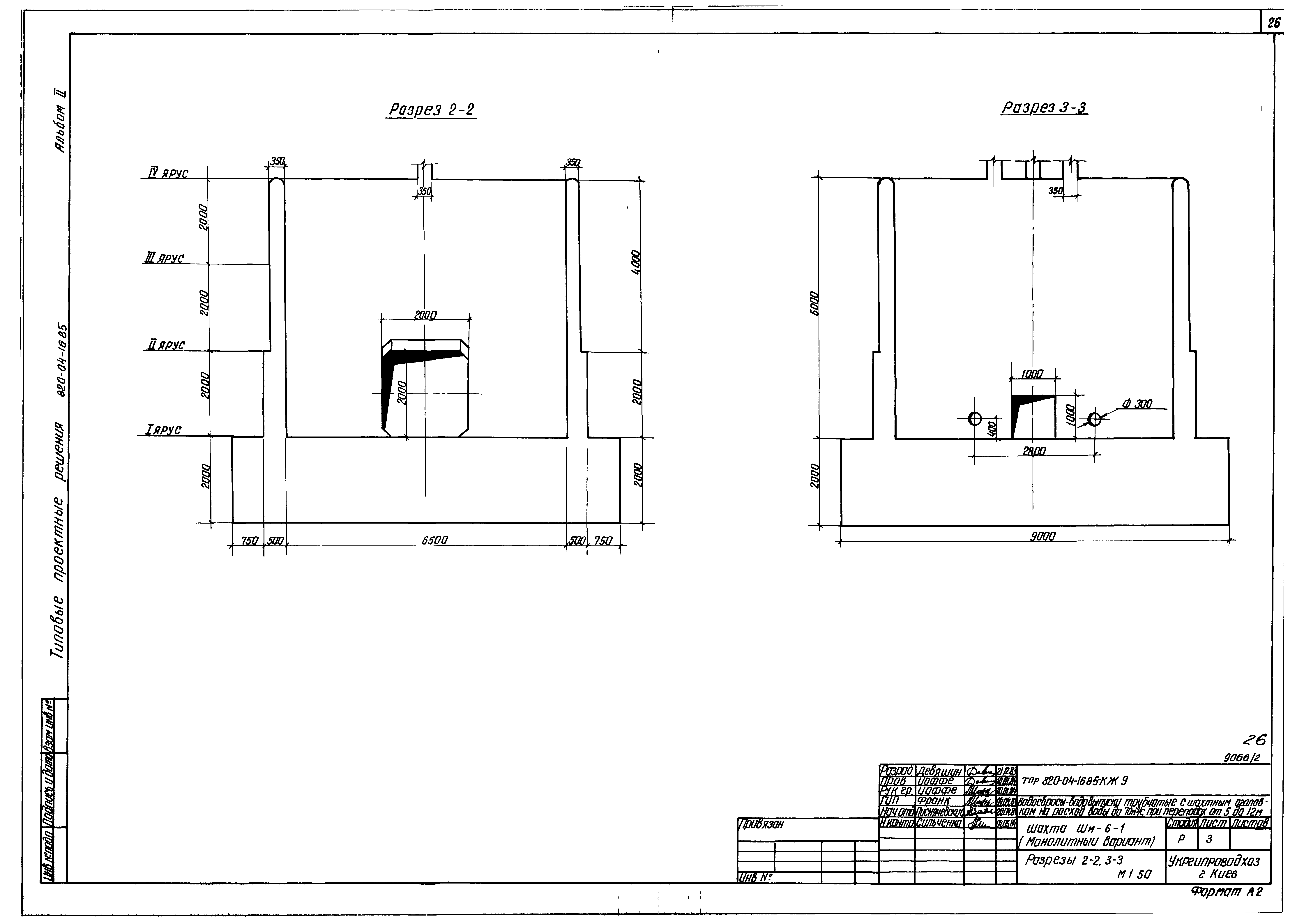
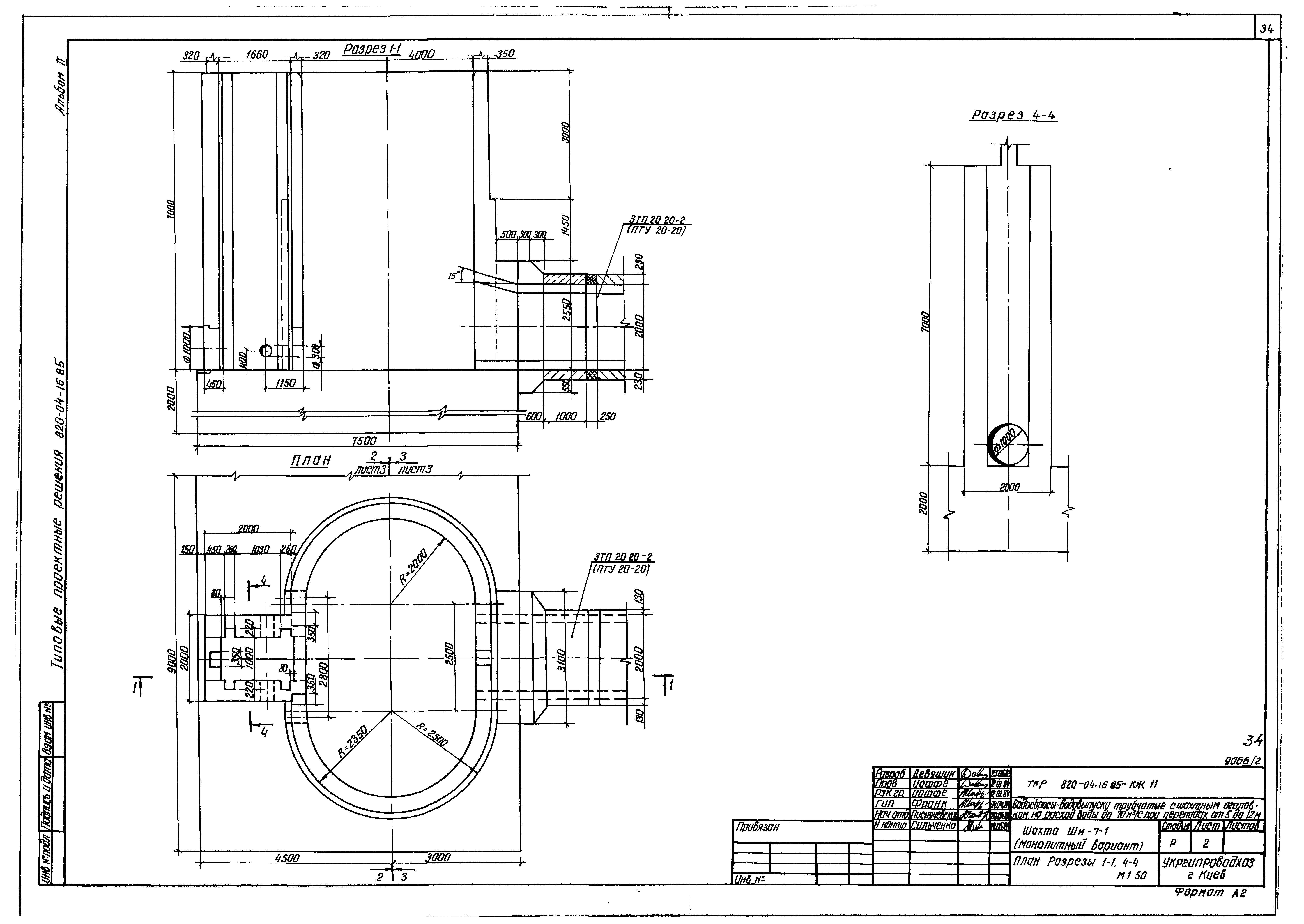
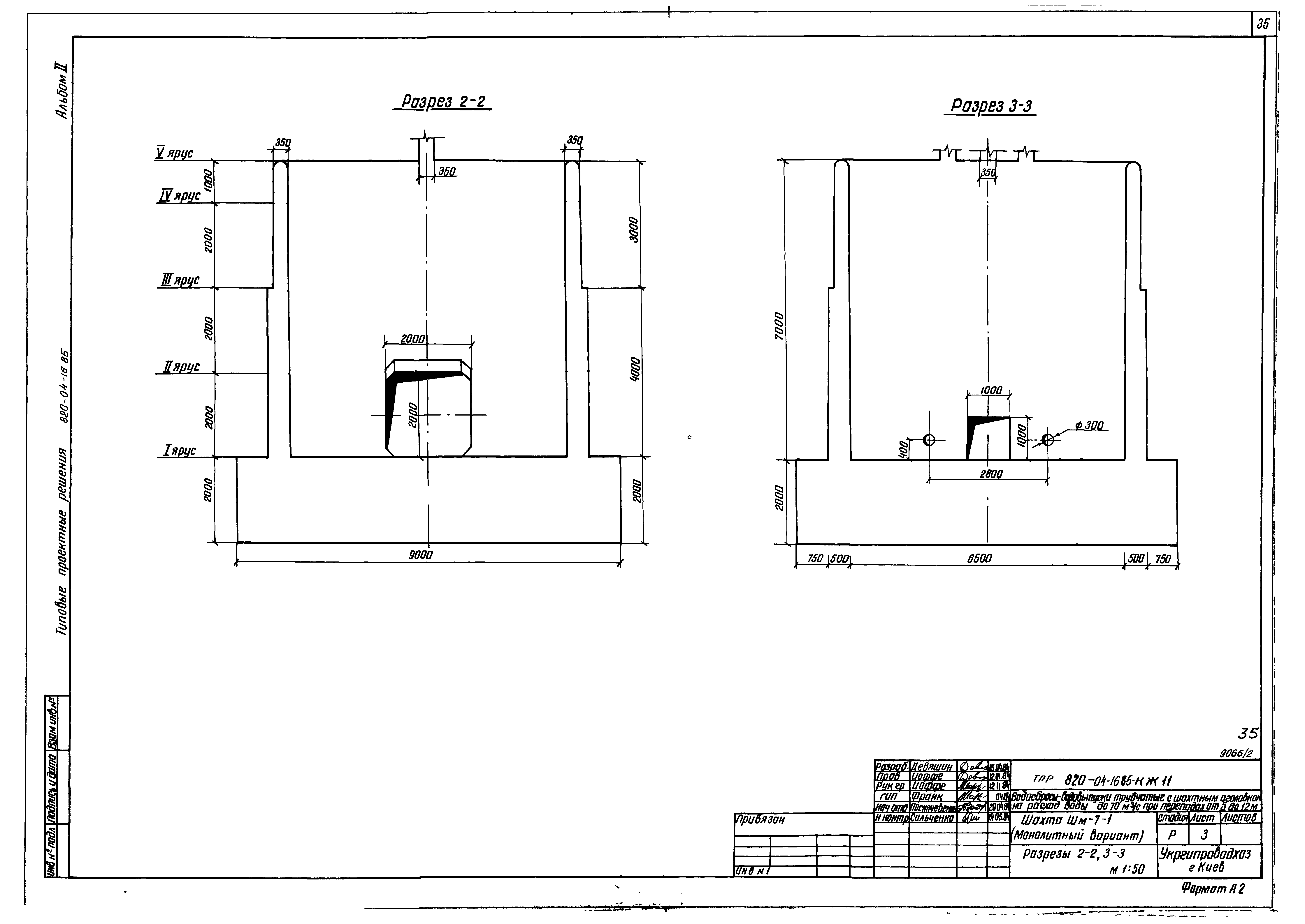
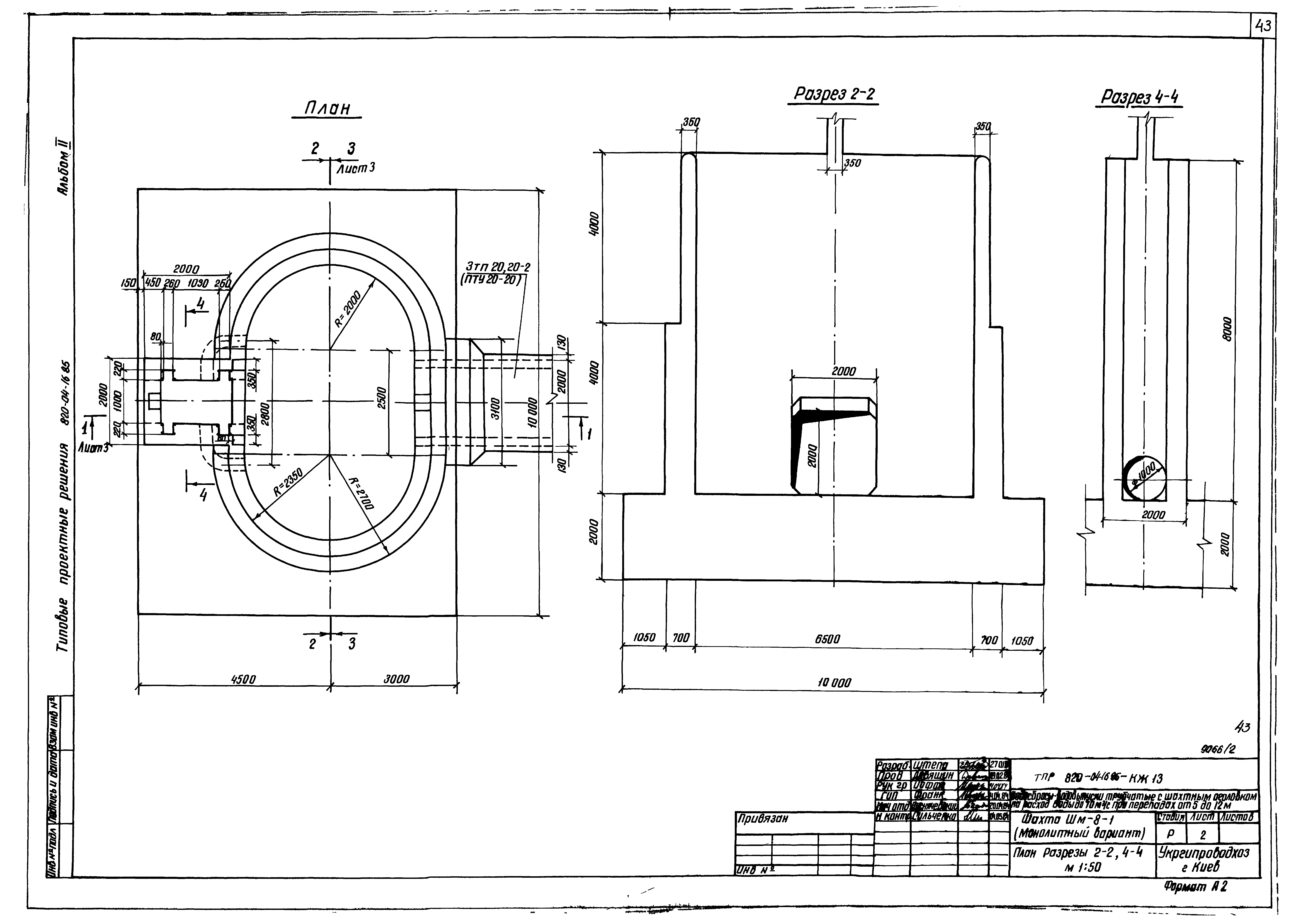
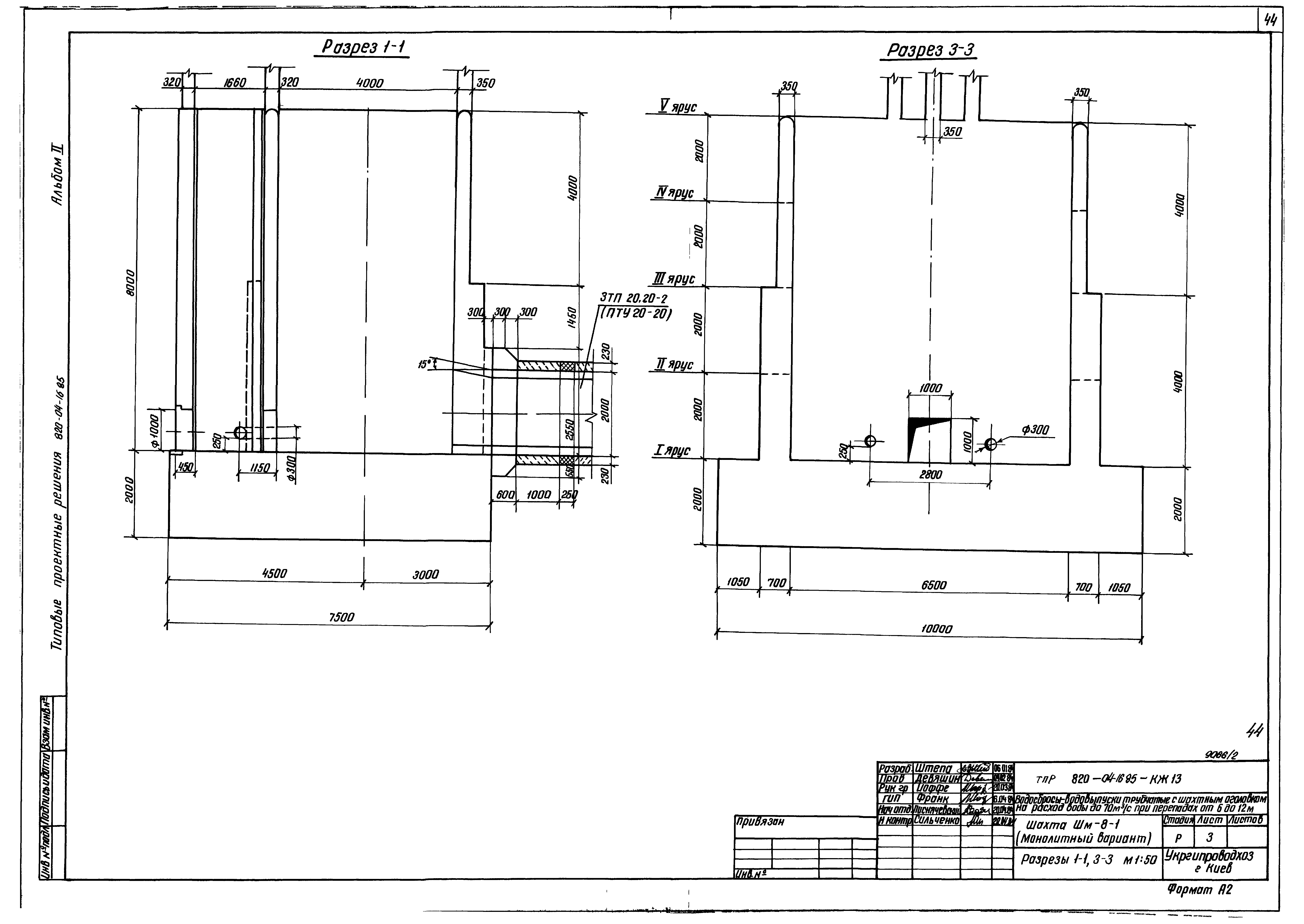
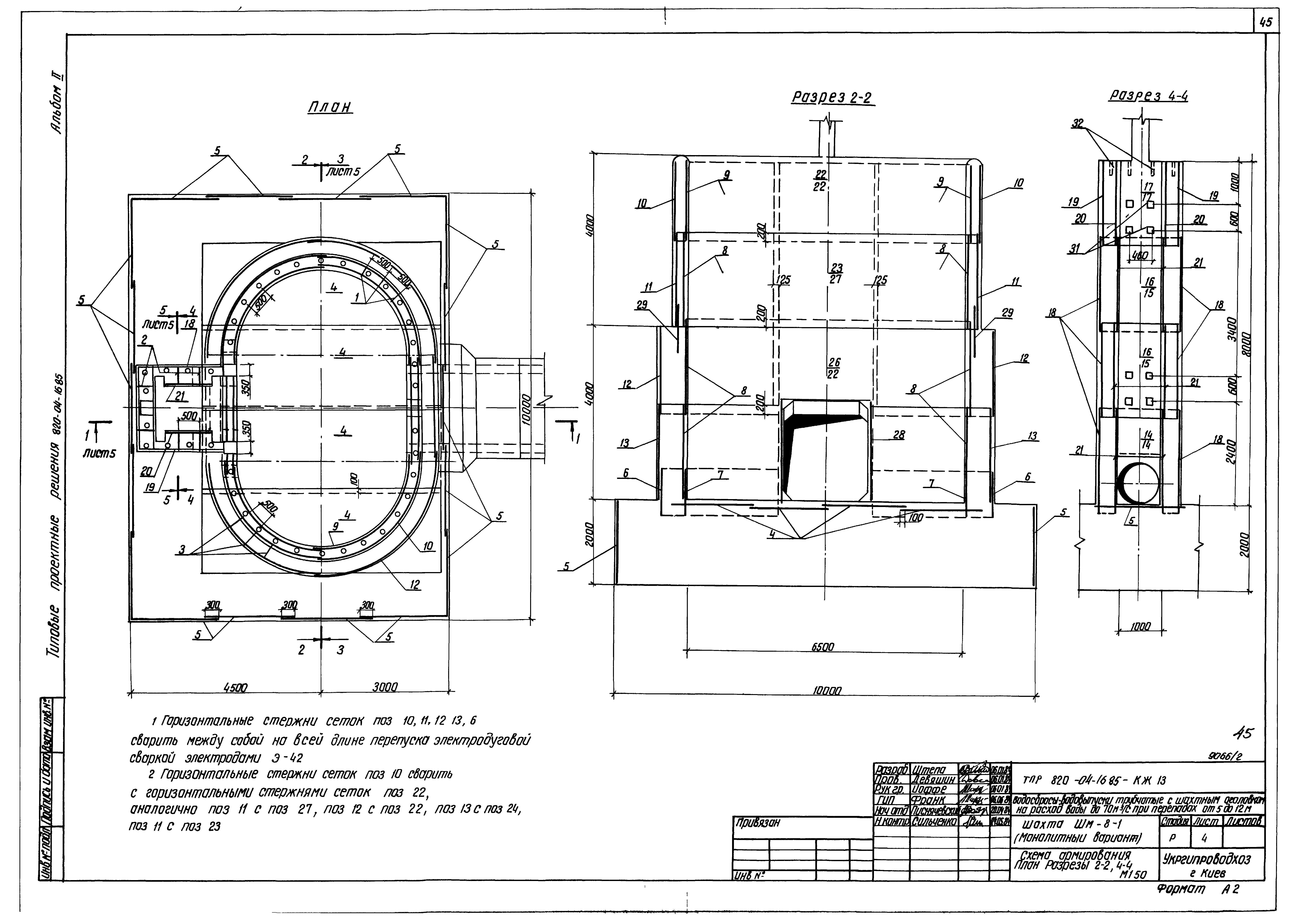
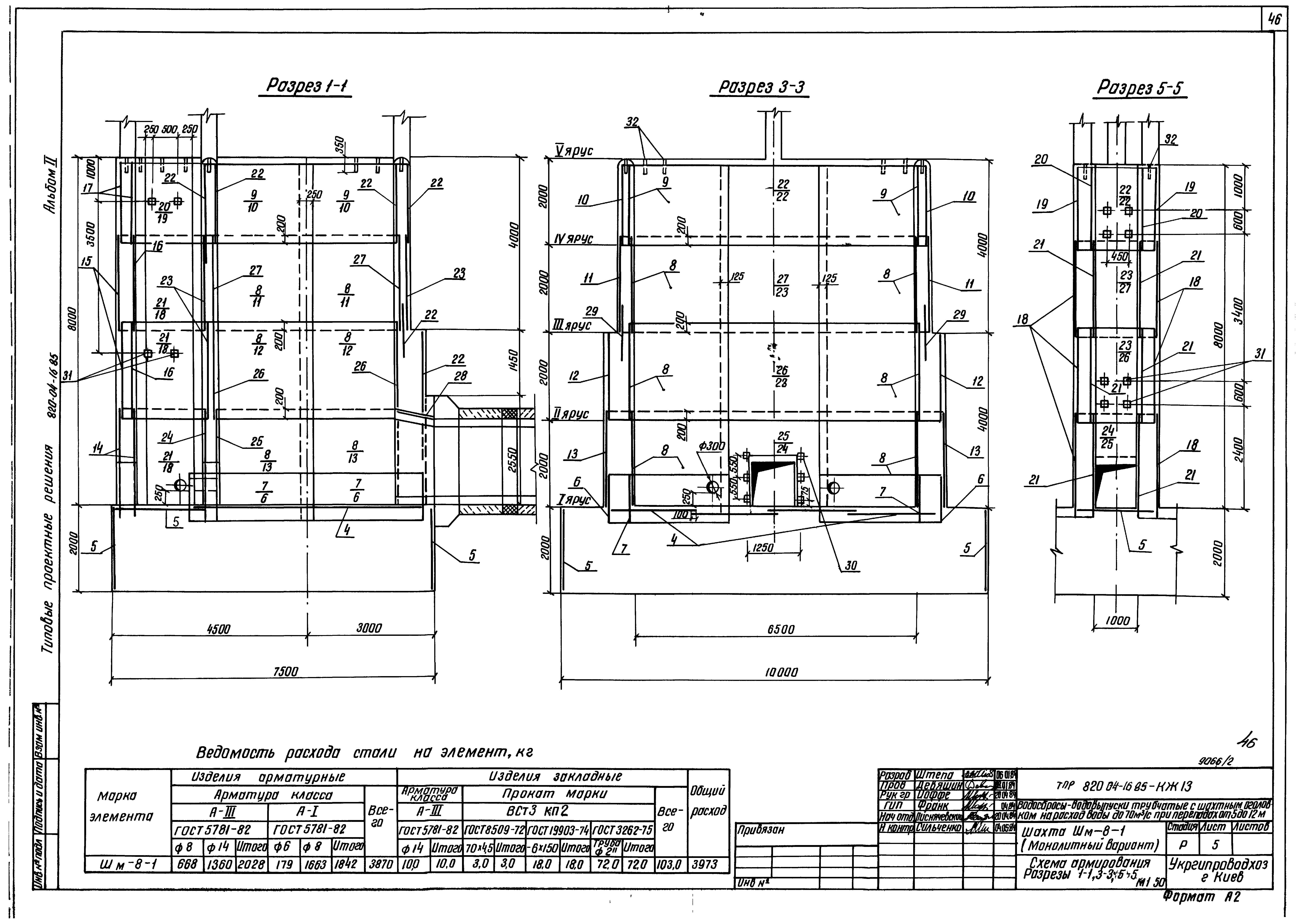
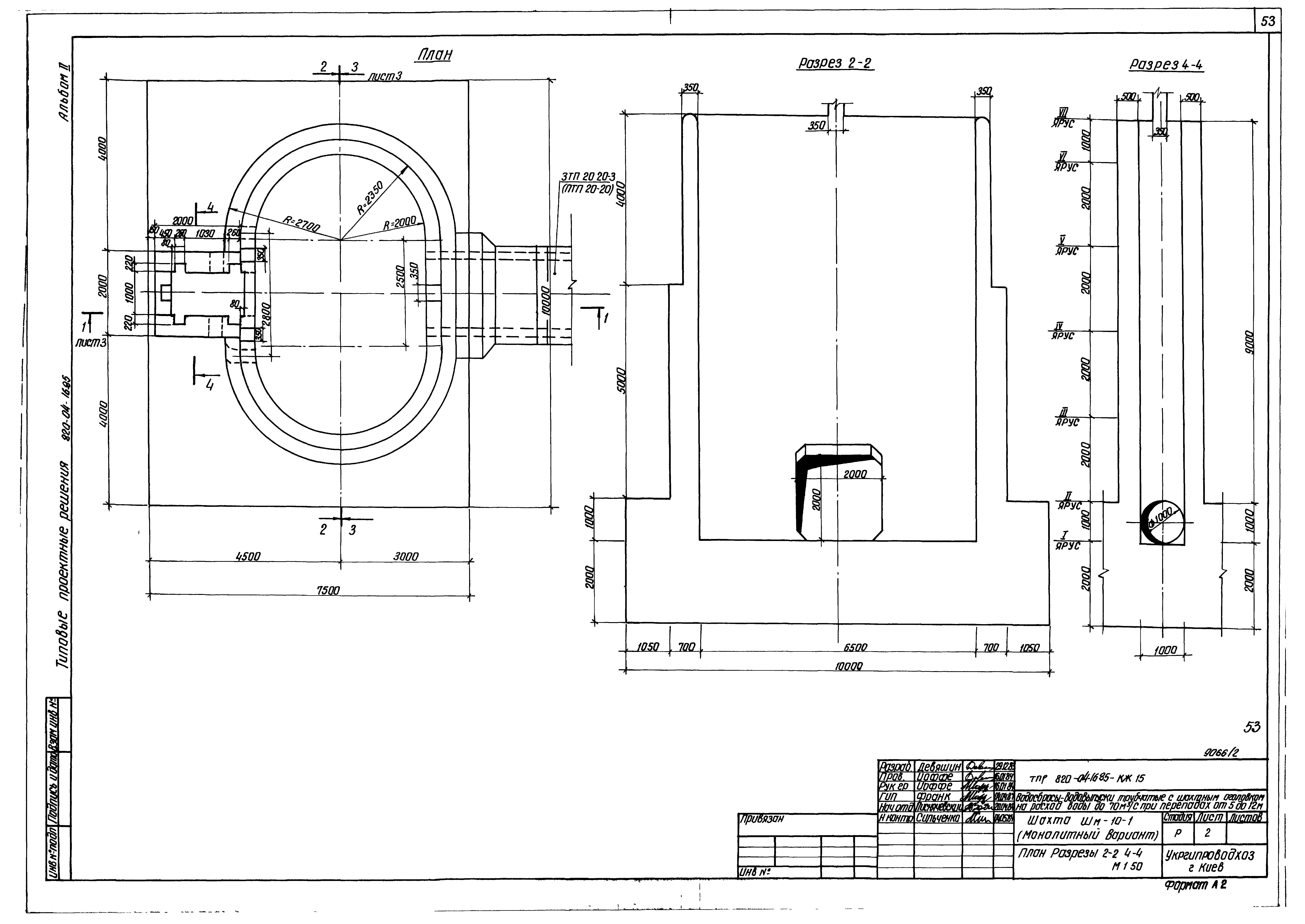
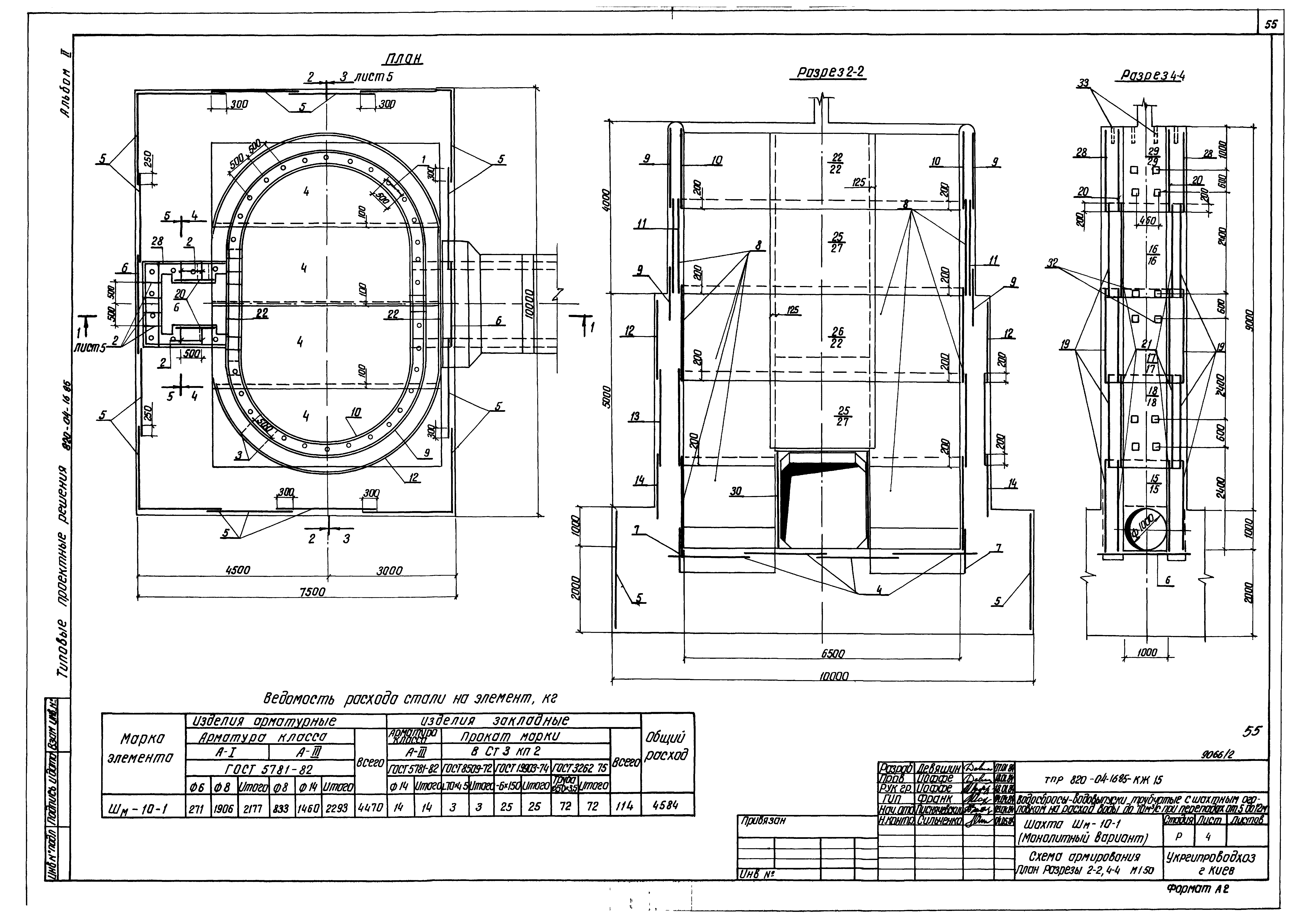
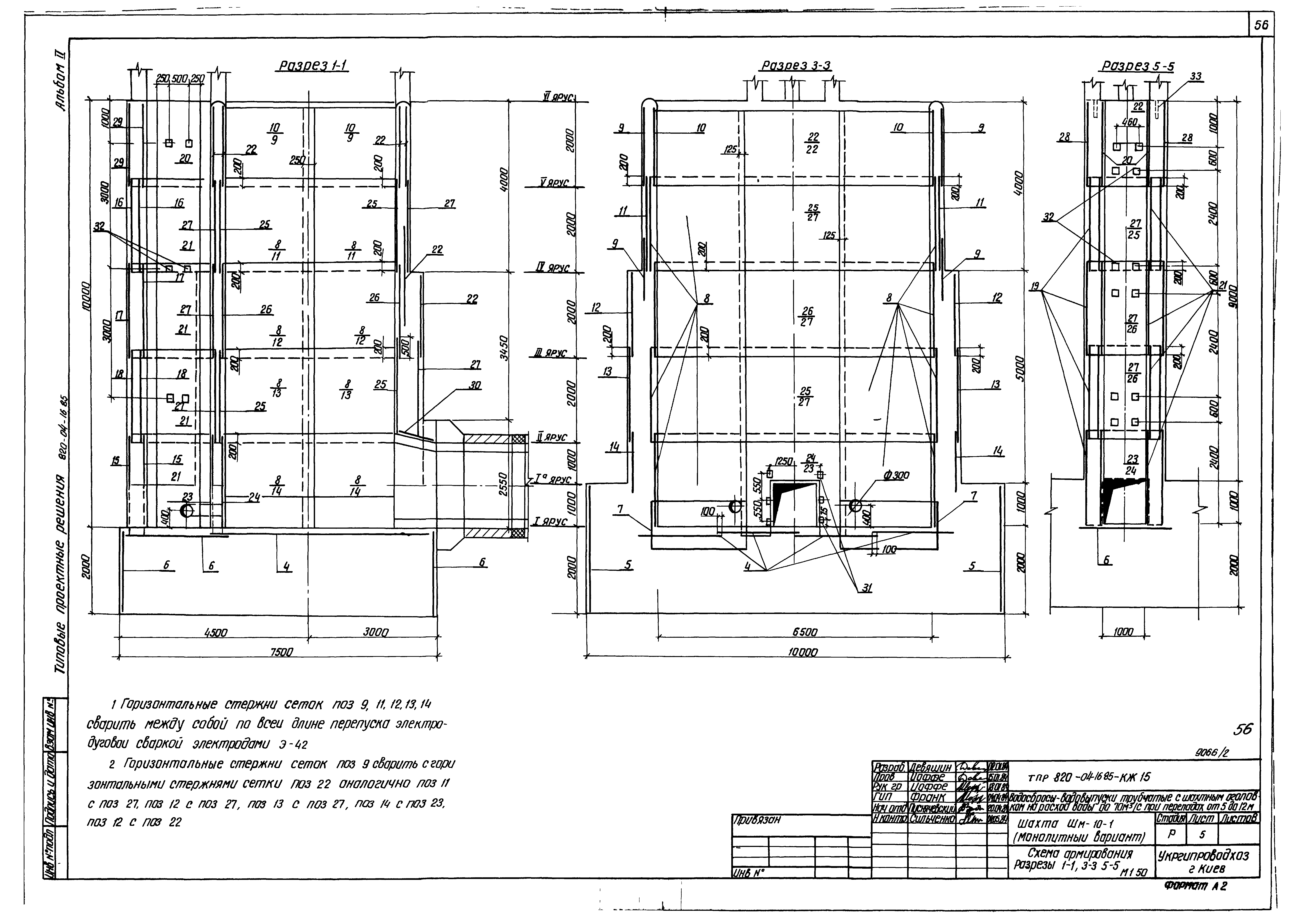
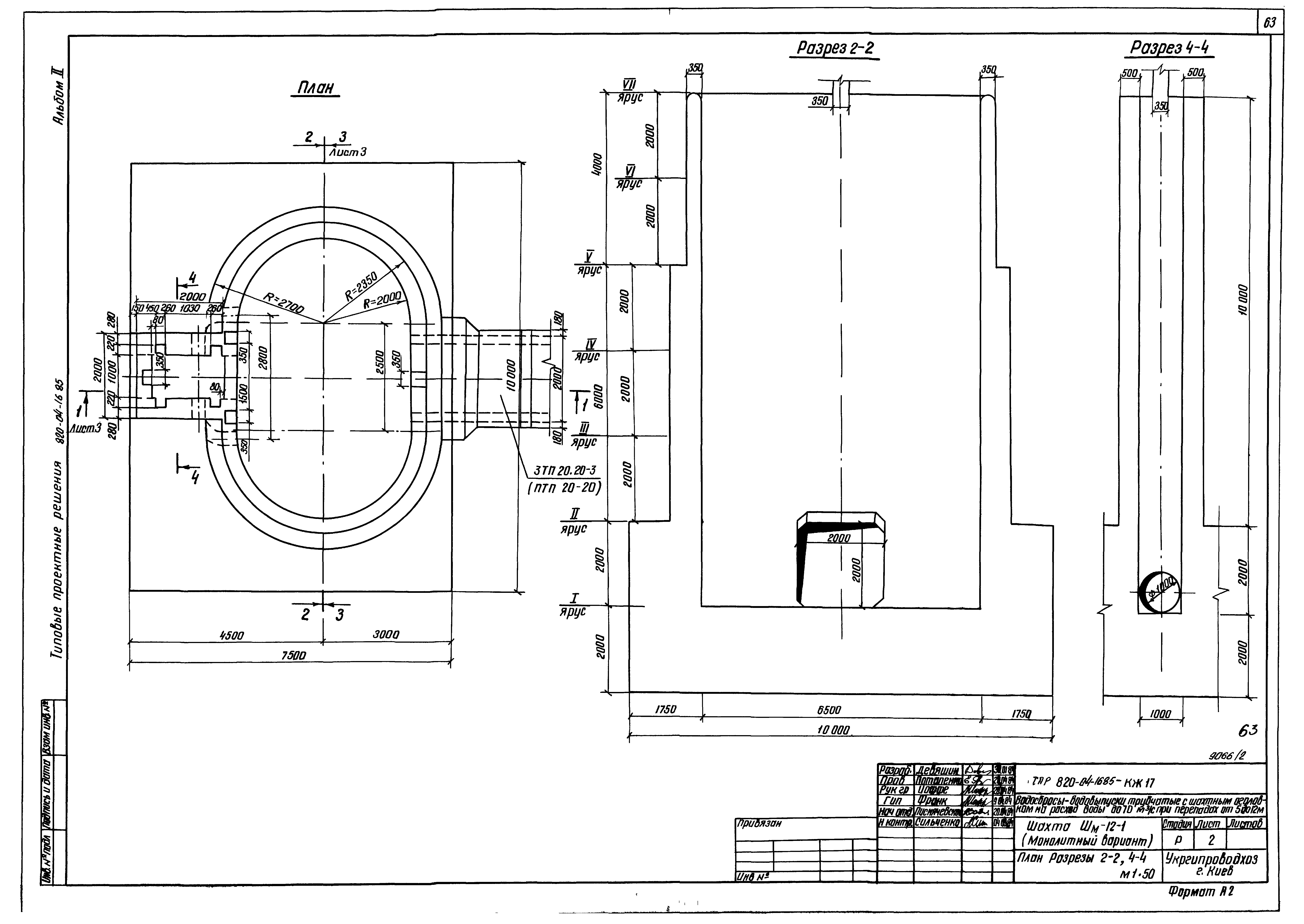
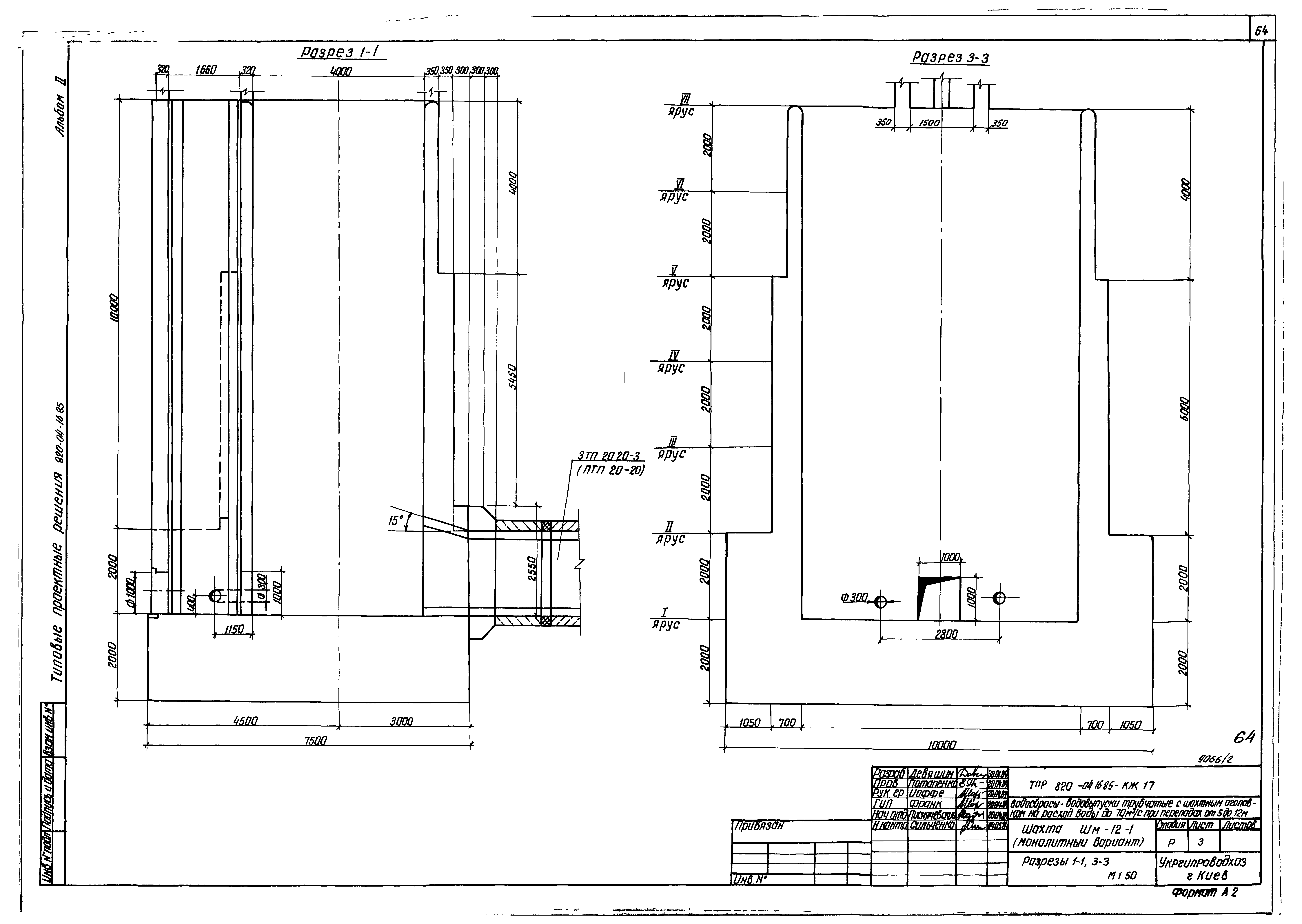
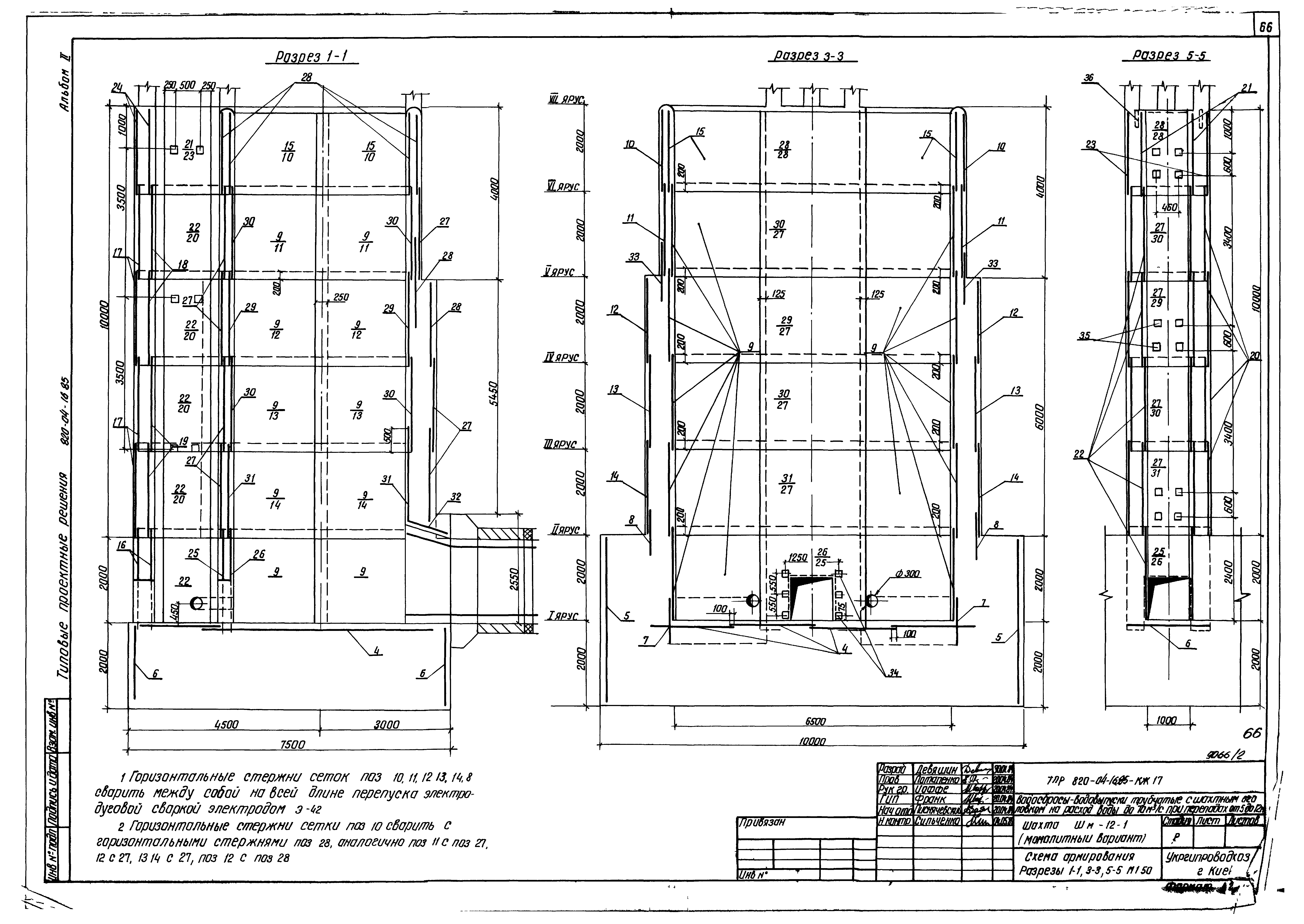
| Оглавление: | Шахта ШМ-3-1 (монолитный вариант) Общие данные План. Разрезы 1-1 - 4-4 Схема армирования. План. Разрезы 1-1 - 5-5 Спецификация к схеме армирования монолитной шахты ШМ-3-1 Каркас плоский КР (КР1, КР2) Каркас плоский КР3 Сетка арматурная С (С1, С2, С9, С10, С12, С13) Сетка арматурная С (С8, С11) Сетка арматурная С (С3, С7) Изделие закладное МН1 Изделие закладное МН2 Ведомость потребности в материалах Шахта ШМ-4-1 (монолитный вариант) Общие данные План. Разрезы 1-1 - 4-4 Схема армирования. План. Разрезы 1-1 - 5-5 Спецификация к схеме армирования монолитной шахты ШМ-4-1 Каркас плоский КР (КР1, КР2) Сетка арматурная С (С1, С2, С9, С10) Сетка арматурная С (С11, С12, С13, С15) Сетка арматурная С (С8, С14) Сетка арматурная С16 Сетка арматурная С (С17, С20) Сетка арматурная С (С3, С6) Сетка арматурная С7 Изделие закладное МН1 Изделие закладное МН2 Ведомость потребности в материалах Шахта ШМ-5-1 (монолитный вариант) Общие данные План. Разрезы 1-1 - 4-4 Схема армирования. План. Разрезы 1-1 - 5-5 Спецификация к схеме армирования монолитной шахты ШМ-5-1 Каркас плоский КР (КР1, КР2) Сетка арматурная С (С1, С2, С11) Сетка арматурная С (С13, С18, С20, С21) Сетка арматурная С (С10, С12, С19) Сетка арматурная С (С3, С9) Изделие закладное МН1 Изделие закладное МН2 Ведомость потребности в материалах Шахта ШМ-6-1 (монолитный вариант) Общие данные План. Разрезы 1-1 ,4-4 Разрезы 2-2, 3-3 Схема армирования. План. Разрезы 1-1, 4-4, 5-5 Схема армирования. Разрезы 2-2, 3-3 Каркас плоский КР1 Каркас плоский КР2 Сетка арматурная С (С1, С2, С13, С18) Сетка арматурная С (С19, С22) Сетка арматурная С (С10, С12) Сетка арматурная С (С3, С9, С23) Изделие закладное МН1 Изделие закладное МН2 Ведомость потребности в материалах Шахта ШМ-7-1 (монолитный вариант) Общие данные План. Разрезы 1-1 ,4-4 Разрезы 2-2, 3-3 Схема армирования. План. Разрезы 1-1, 4-4, 5-5 Схема армирования. Разрезы 2-2, 3-3 Каркас плоский КР1 Каркас плоский КР2 Сетка арматурная С (С1, С2, С12, С17) Сетка арматурная С (С11, С19, С20) Сетка арматурная С (С18, С21, С26) Сетка арматурная С (С3, С10) Изделие закладное МН1 Изделие закладное МН2 Ведомость потребности в материалах Шахта ШМ-8-1 (монолитный вариант) Общие данные План. Разрезы 2-2 ,4-4 Разрезы 1-1, 3-3 Схема армирования. План. Разрезы 2-2, 4-4 Схема армирования. Разрезы 1-1, 3-3, 5-5 Спецификация к схеме армирования монолитной шахты ШМ-8-1 Каркас плоский КР (КР1, КР2) Сетка арматурная С (С11, С21, С22) Сетка арматурная С (С1, С2, С14, С19) Сетка арматурная С (С12, С13, С15, С20, С23, С24) Сетка арматурная С (С16, С18, С25) Сетка арматурная С (С3, С10, С26) Изделие закладное МН1 Изделие закладное МН2 Ведомость потребности в материалах Шахта ШМ-10-1 (монолитный вариант) Общие данные План. Разрезы 2-2 ,4-4 Разрезы 1-1, 3-3 Схема армирования. План. Разрезы 2-2, 4-4 Схема армирования. Разрезы 1-1, 3-3, 5-5 Спецификация к схеме армирования монолитной шахты ШМ-10-1 Каркас плоский КР1 Каркас плоский КР2 Каркас плоский КР3 Сетка арматурная С22 Сетка арматурная С (С1, С3, С13, С17) Сетка арматурная С (С4, С11) Сетка арматурная С (С12, С20, С21) Сетка арматурная С (С18, С19, С23, С27) Изделие закладное МН1 Изделие закладное МН2 Ведомость потребности в материалах Шахта ШМ-12-1 (монолитный вариант) Общие данные План. Разрезы 2-2 ,4-4 Разрезы 1-1, 3-3 Схема армирования. План. Разрезы 2-2, 4-4 Схема армирования. Разрезы 1-1, 3-3, 5-5 Спецификация к схеме армирования монолитной шахты ШМ-12-1 Каркас плоский КР1 Каркас плоский КР2 Каркас плоский КР3 Сетка арматурная С2 Сетка арматурная С (С1, С3, С14, С19) Сетка арматурная С (С4, С12, С30) Сетка арматурная С (С13, С22, С23) Сетка арматурная С (С20, С21, С24, С29) Изделие закладное МН1 Изделие закладное МН2 Ведомость потребности в материалах |
| Разработан: | Укргипроводхоз Минводхоза СССР |
| Утверждён: | 14.01.1985 Минводхоз СССР (USSR Minvodkhoz 608) |
| Издан: | ЦИТП Госстроя СССР (CITP, Gosstroy (USSR) 1988 г. ) |







































































