Скачать Типовые проектные решения 901-02-128 Альбом I. Технологические решения, электрооборудование, автоматизация, технологический контрольДата актуализации: 01.01.2021
|
| Обозначение: | Типовые проектные решения 901-02-128 |
| Обозначение англ: | 901-02-128 |
| Статус: | справочные материалы, мп, тпр |
| Название рус.: | Альбом I. Технологические решения, электрооборудование, автоматизация, технологический контроль |
| Дата добавления в базу: | 01.10.2014 |
| Дата актуализации: | 01.01.2021 |
| Дата введения: | 10.03.1981 |
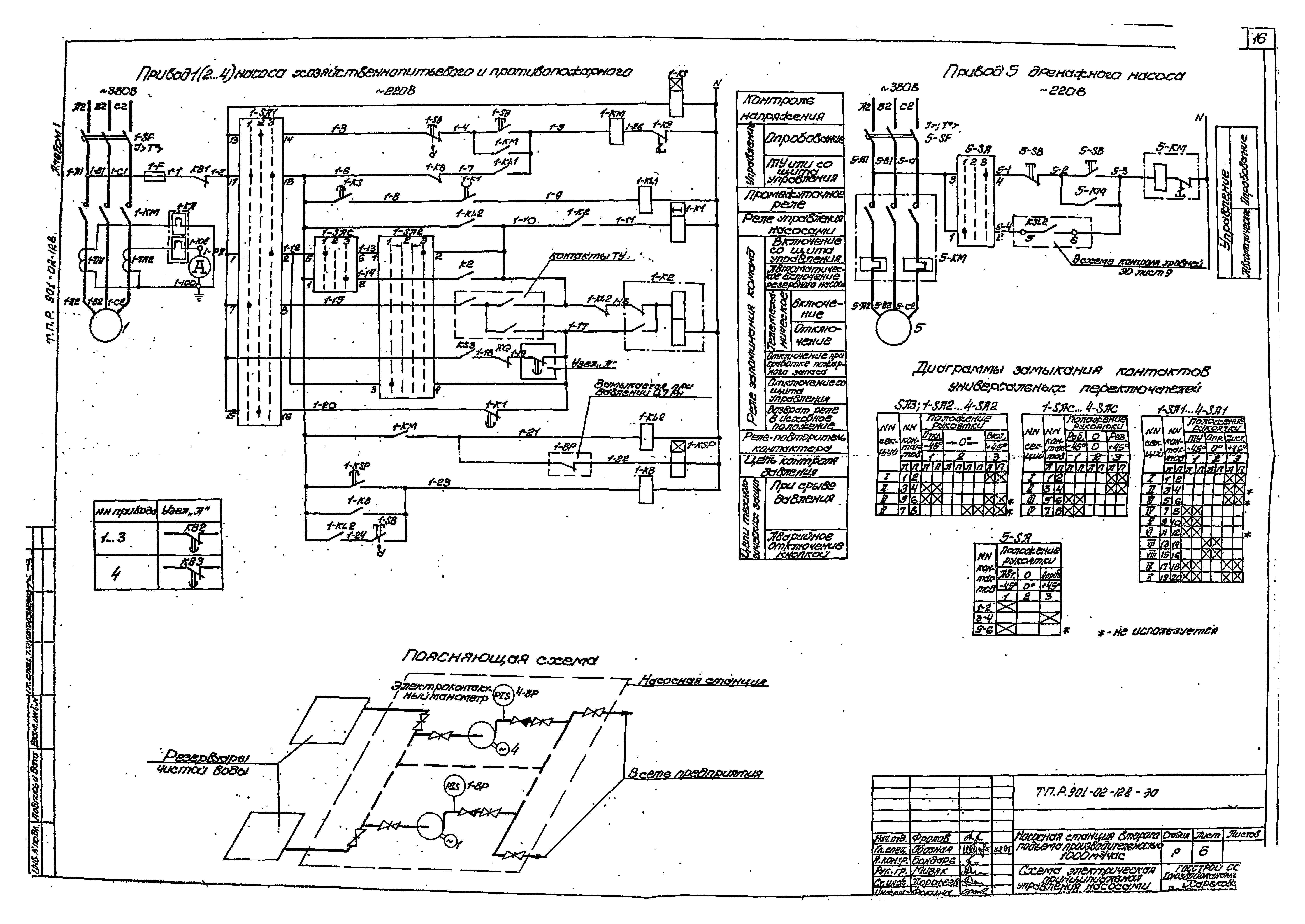
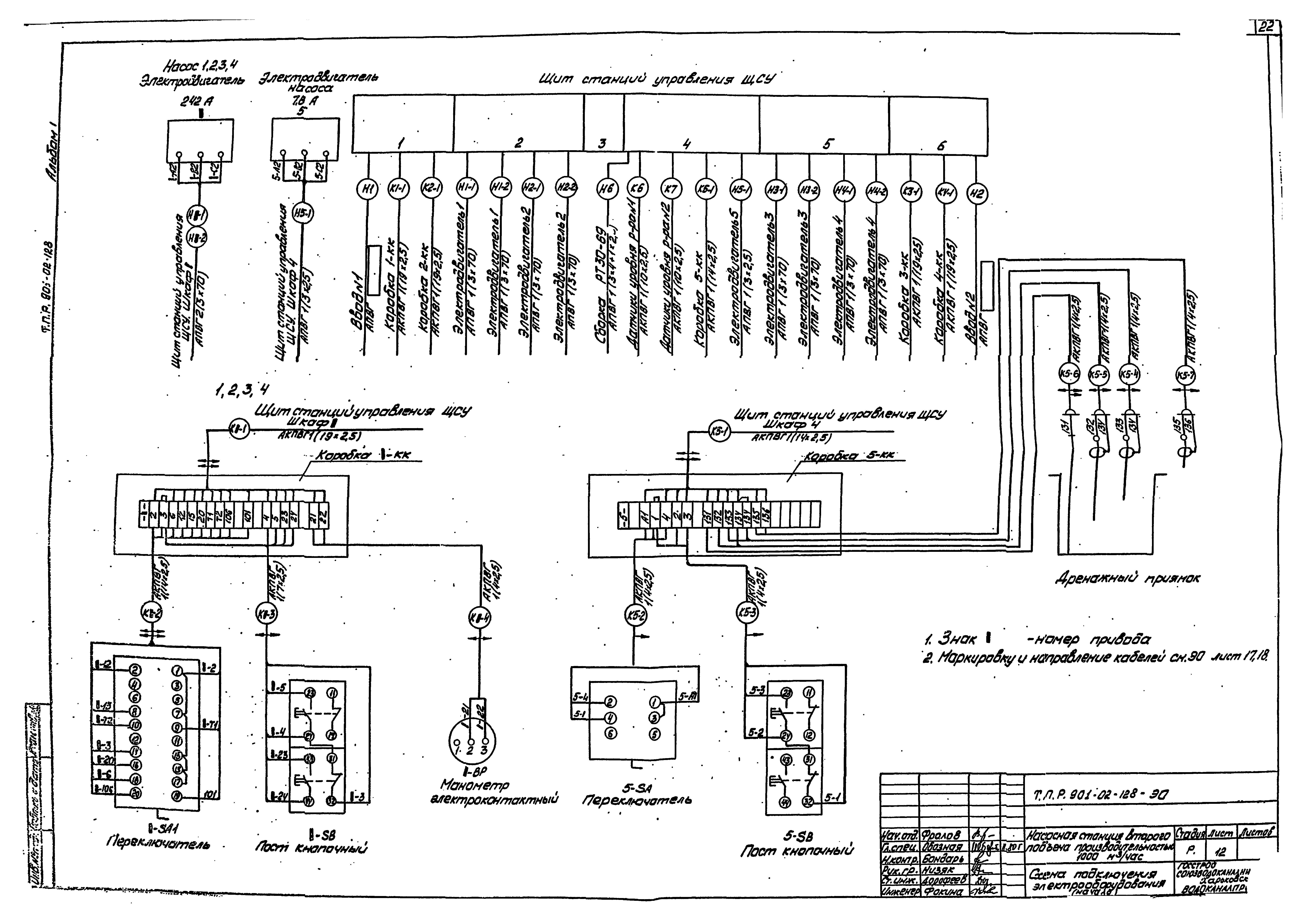
| Оглавление: | Содержание альбома Технологические решения Общие данные Сводная спецификация План. Разрез. Вариант I План. Разрез. Вариант II План. Разрез. Вариант III Установочный чертеж насоса Д500-65а Установочный чертеж насоса НЦС-3 Электрооборудование, автоматизация и технологический контроль Общие данные Схема электрическая принципиальная однолинейная распределительной сети 380/220 В Схема электрическая принципиальная АВР 0,4 кВт и оперативного тока Схема электрическая принципиальная управления насосами Схема электрическая принципиальная управления насосами. Перечень элементов Схема электрическая принципиальная контроля уровней Схема электрическая принципиальная управления затворами Схема электрическая принципиальная сигнализации Схема подключения электрооборудования План расположения электрооборудования. Прокладка кабелей. Вариант I План расположения электрооборудования. Прокладка кабелей. Вариант II План расположения электрооборудования. Прокладка кабелей. Кабельный журнал. Вариант III Кабельный журнал. Вариант I, II. Трубозаготовительная ведомость. Вариант II, III Щит станций управления ЩСУ. Общий вид. Перечень надписей Щит станций управления ЩСУ. Общий вид Щит станций управления ЩСУ. Панели 1, 2, 3, 4. Общие виды Щит станций управления ЩСУ. Панели 5, 6, 7, 8. Общие виды Схема функциональная технологического контроля Задания на разработку строительной и сантехнической частей проекта |
| Разработан: | Харьковский Водоканалпроект |
| Утверждён: | 26.08.1980 Главпромстройпроект Госстроя СССР (19/3-3550) |

































