Скачать Типовой проект 901-3-244.88 Альбом II. Часть 2. Архитектурные решения. Конструкции металлические. Антикоррозийная защита. Конструкции железобетонныеДата актуализации: 01.01.2021
|
| Обозначение: | Типовой проект 901-3-244.88 |
| Обозначение англ: | 901-3-244.88 |
| Статус: | не определен законодательством |
| Название рус.: | Альбом II. Часть 2. Архитектурные решения. Конструкции металлические. Антикоррозийная защита. Конструкции железобетонные |
| Дата добавления в базу: | 01.10.2014 |
| Дата актуализации: | 01.01.2021 |
| Дата введения: | 13.04.1988 |
| Дата окончания срока действия: | 30.06.2003 |
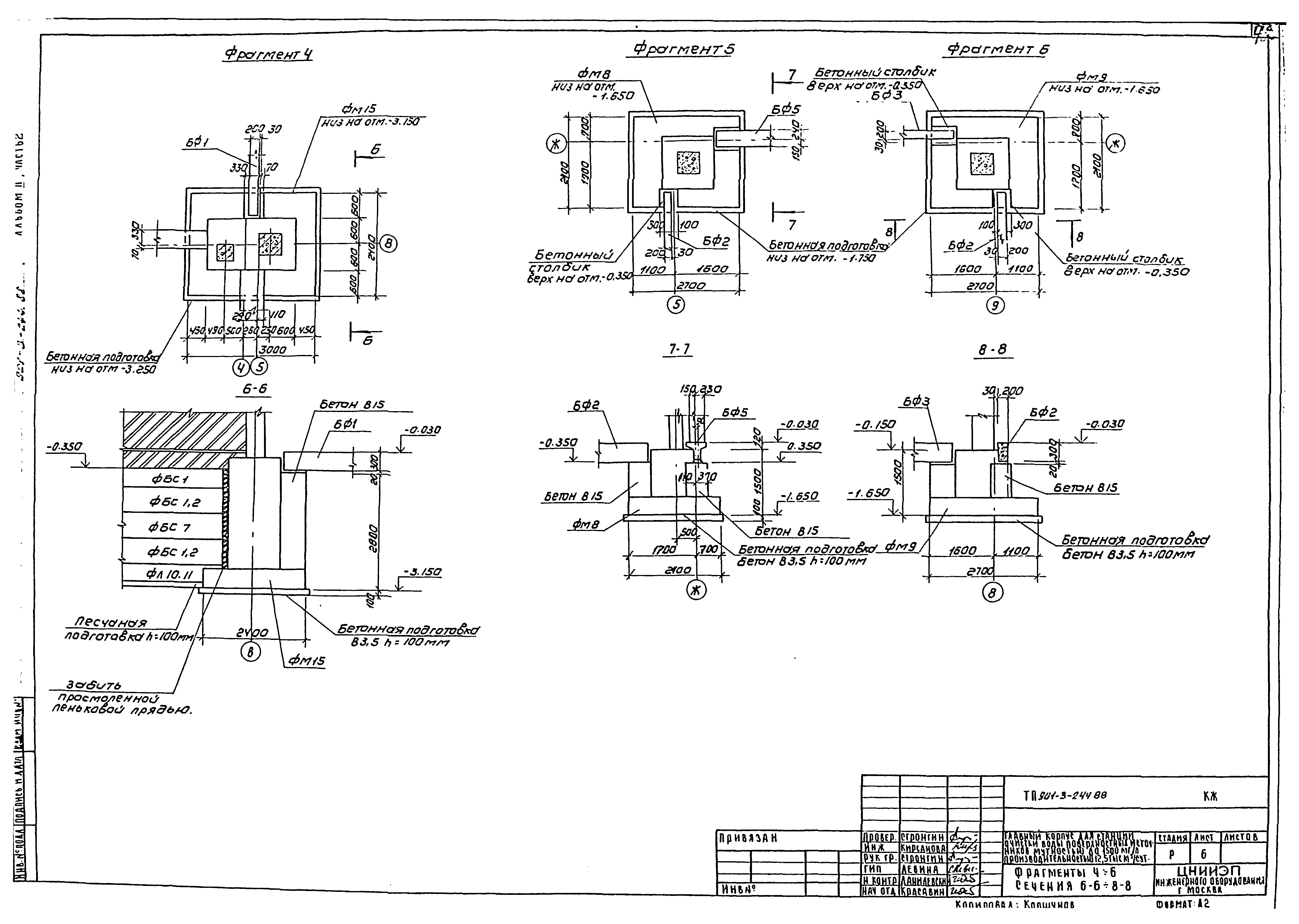
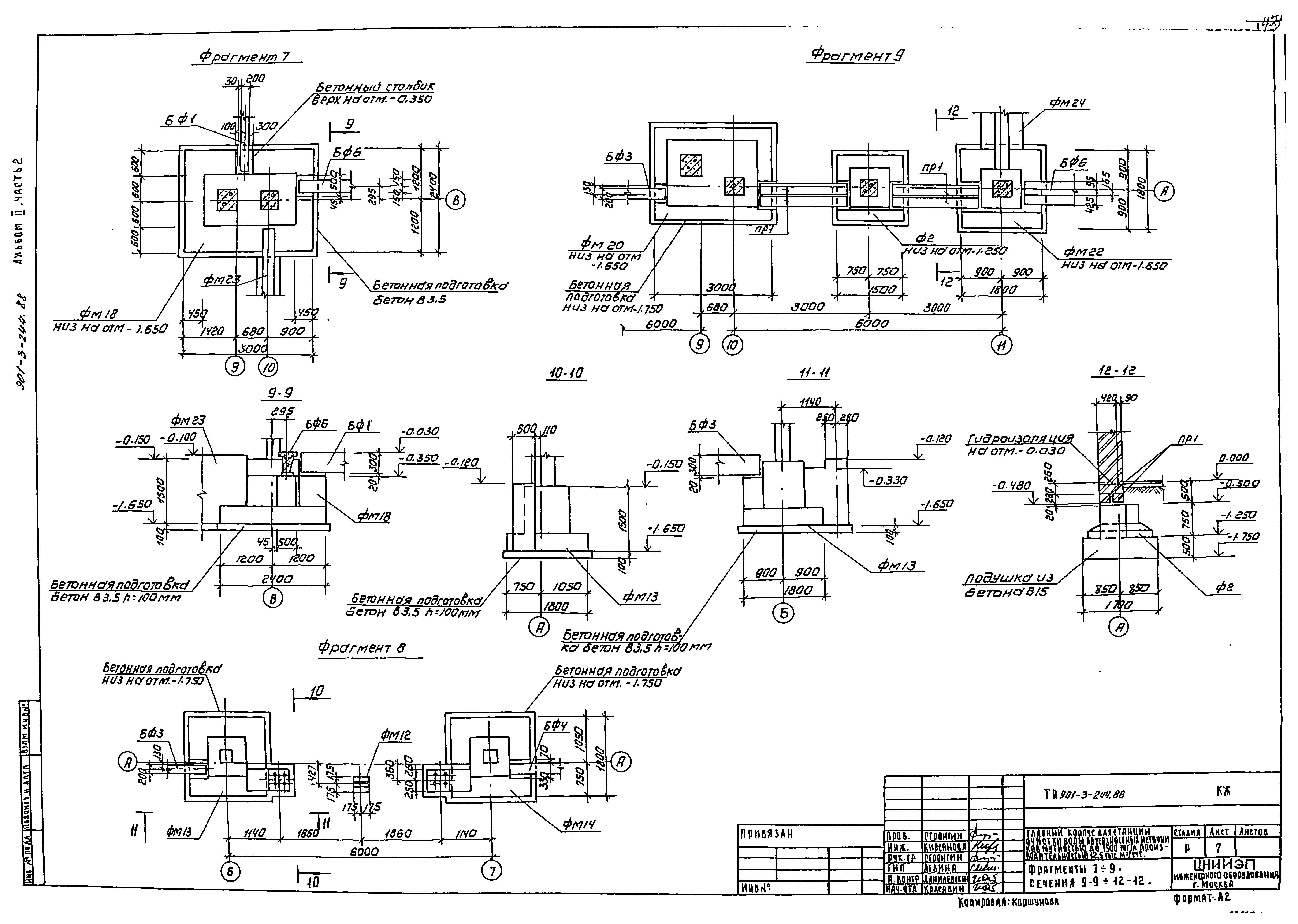
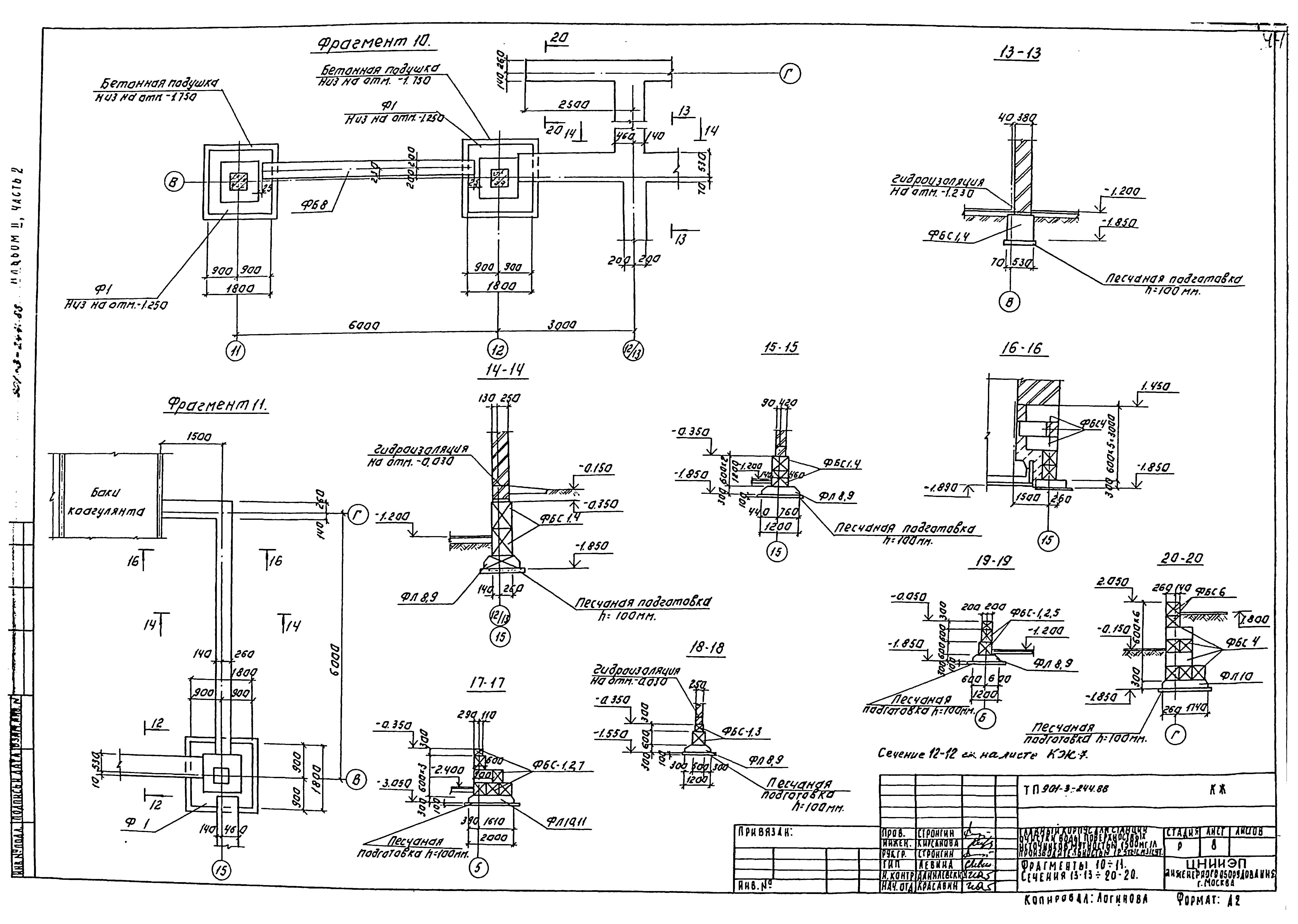
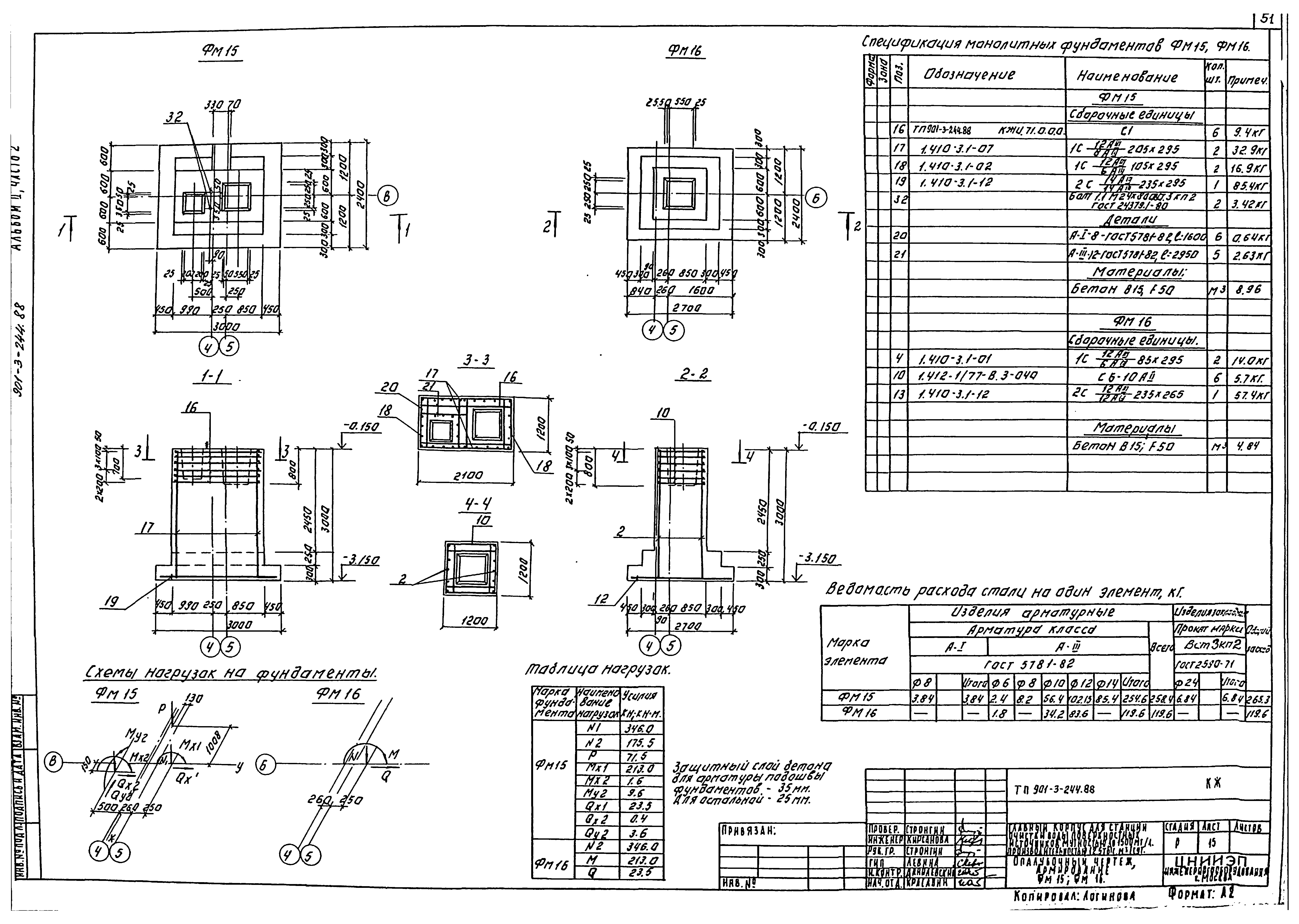
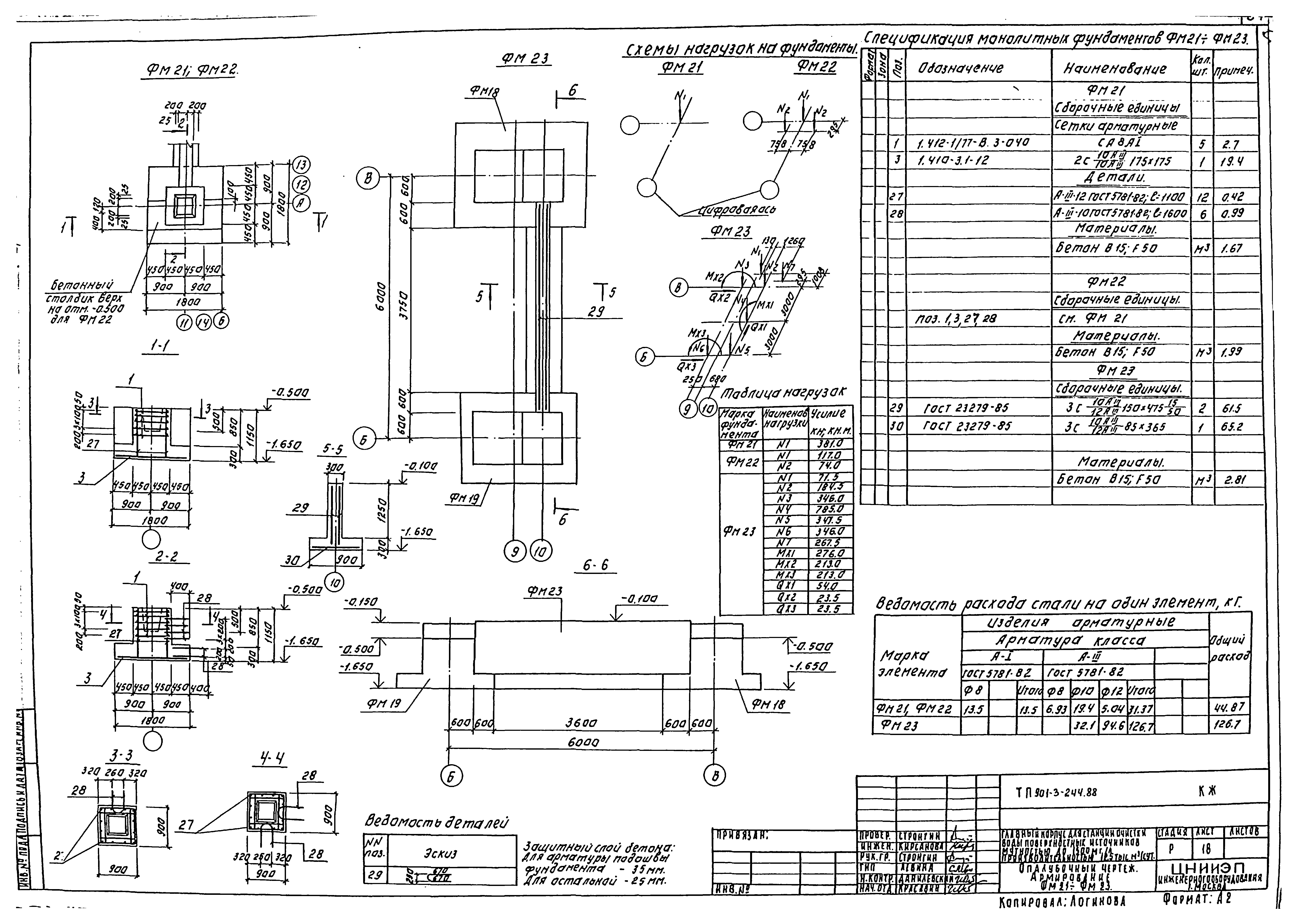
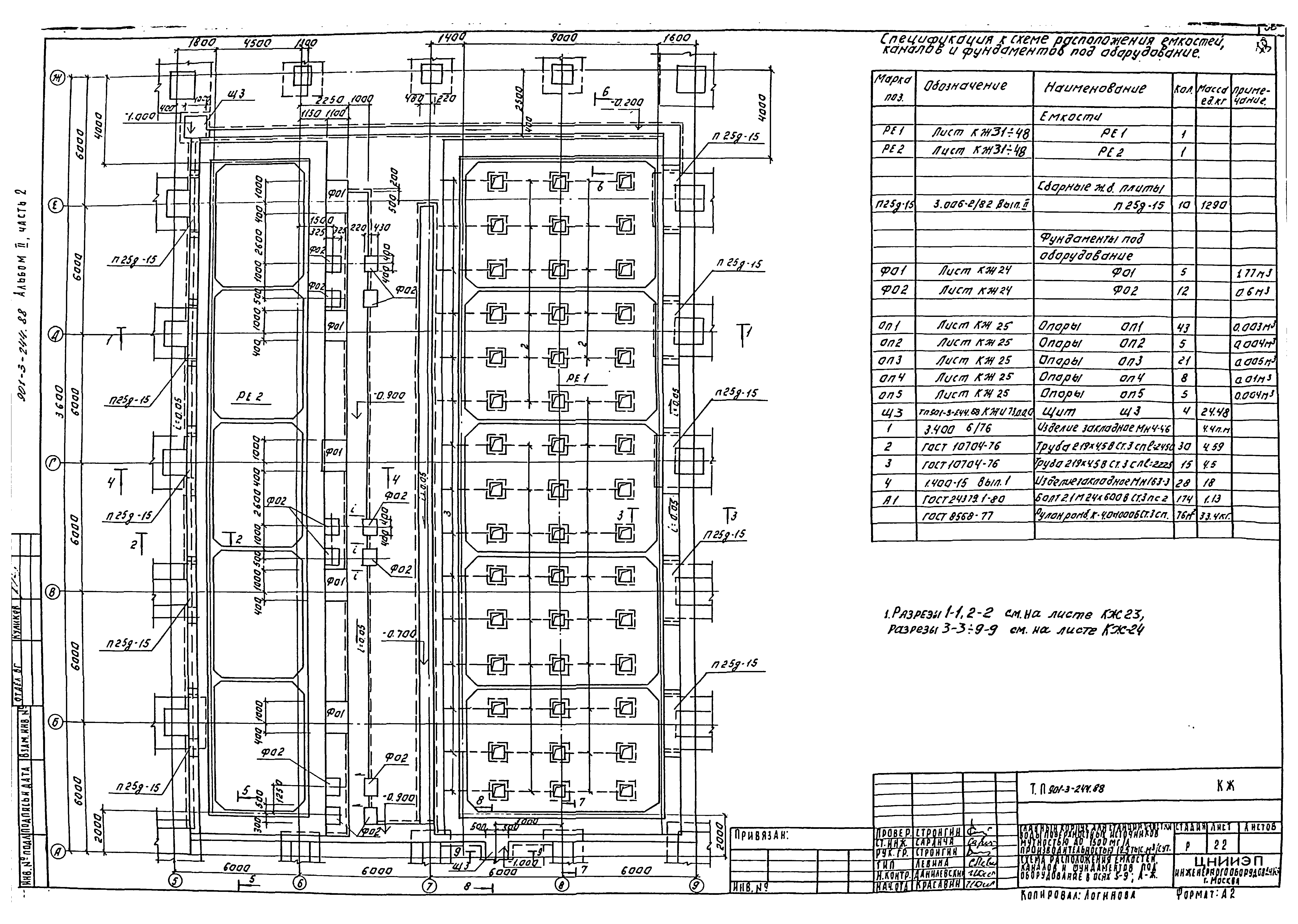
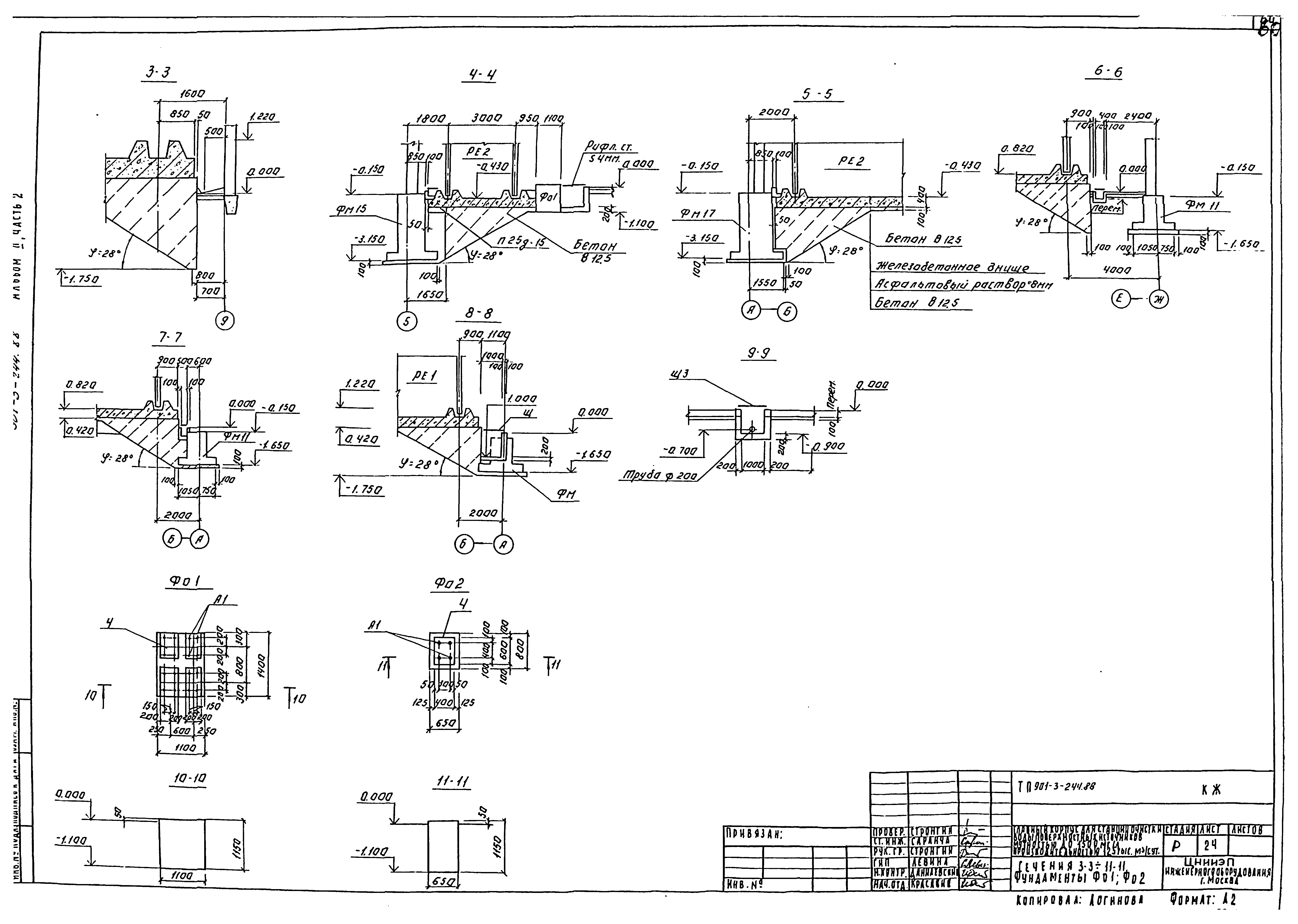
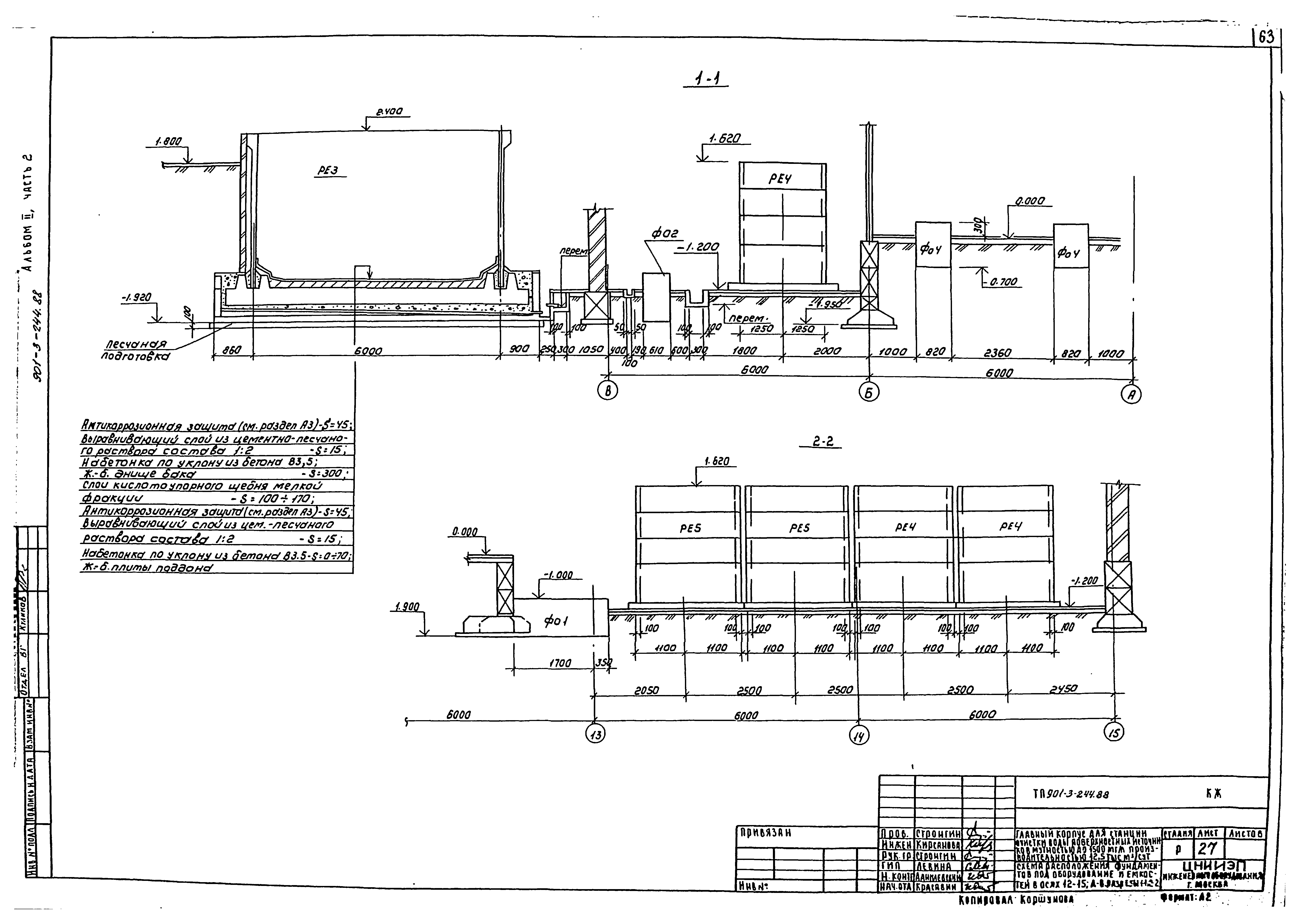
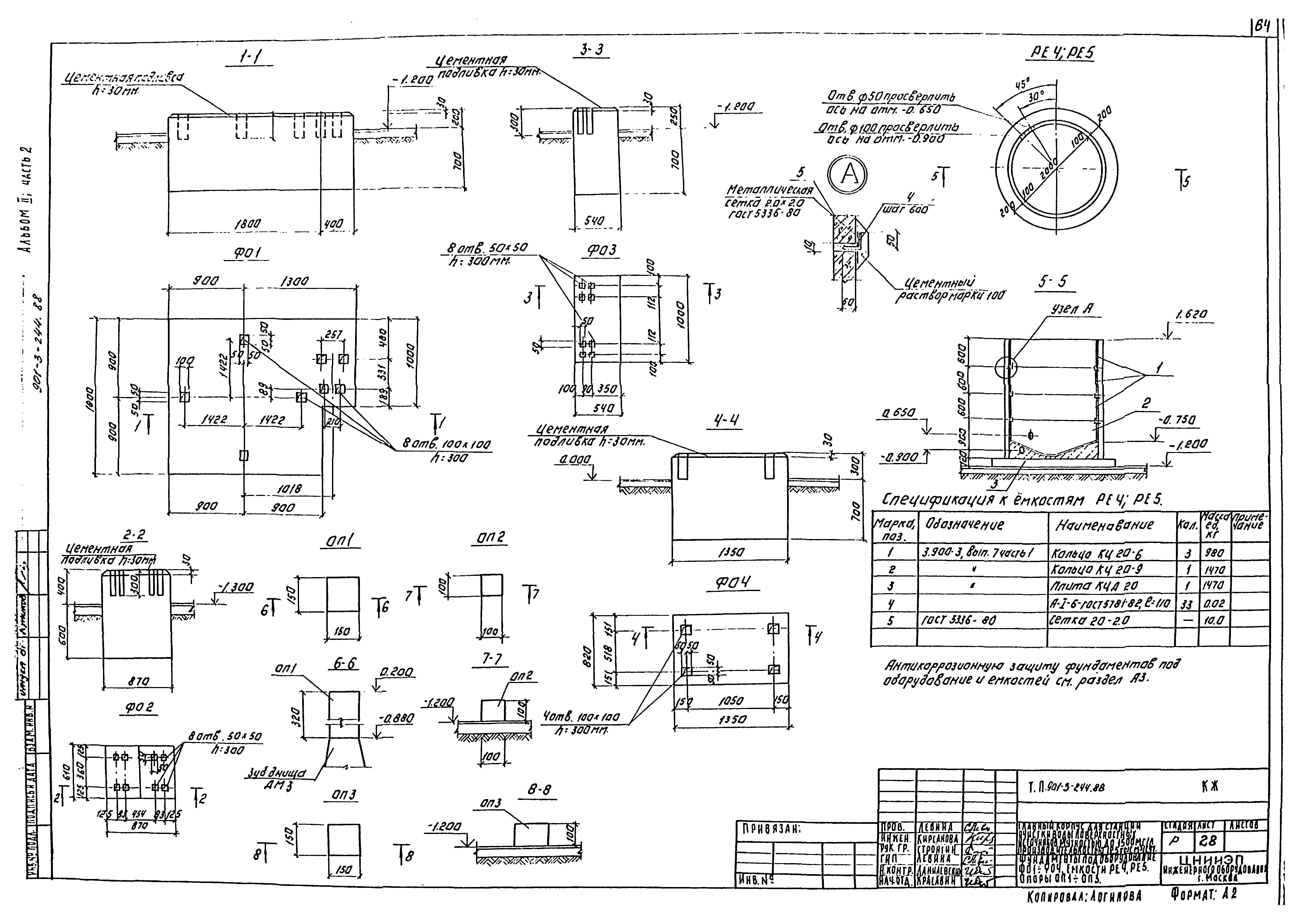
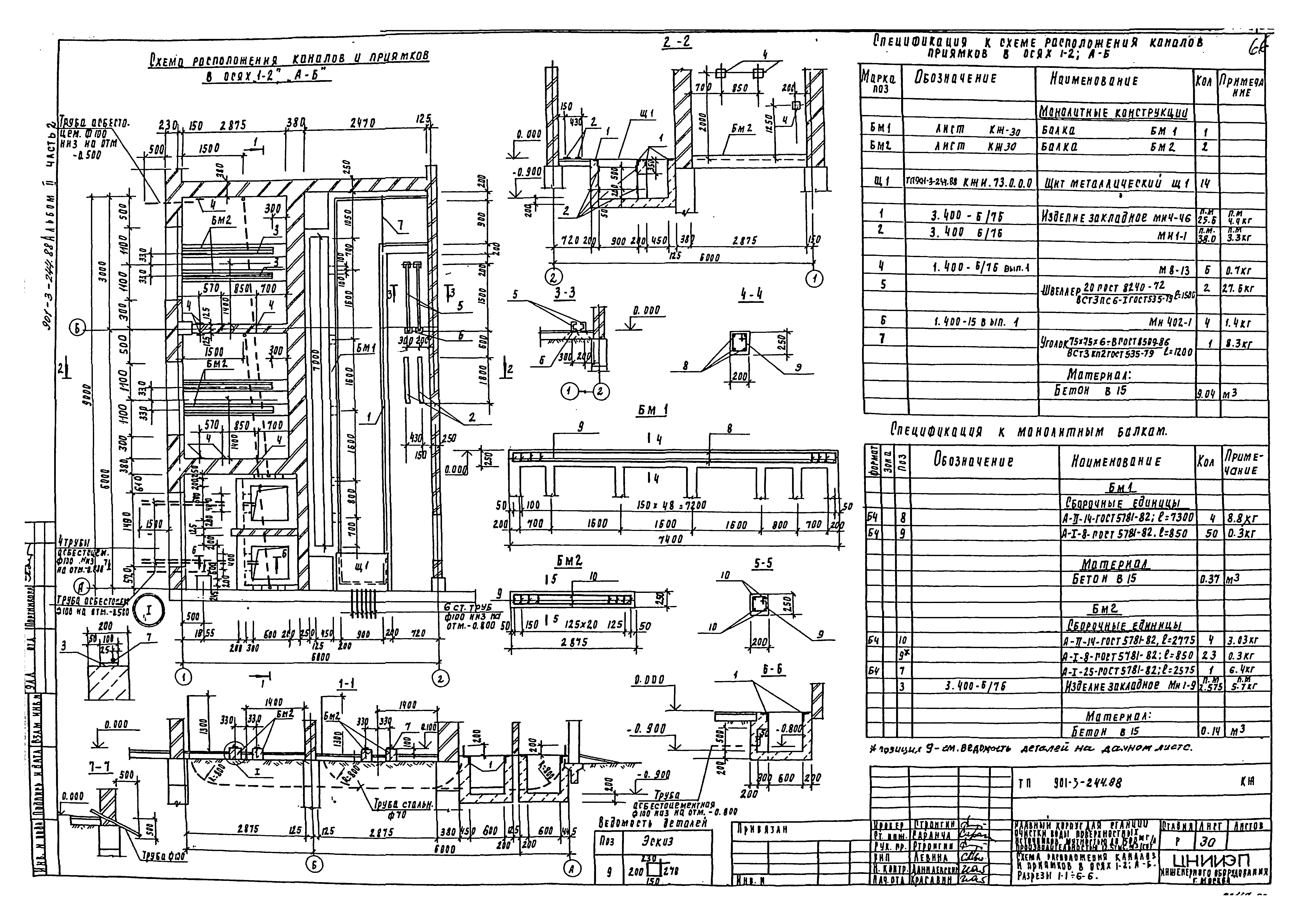
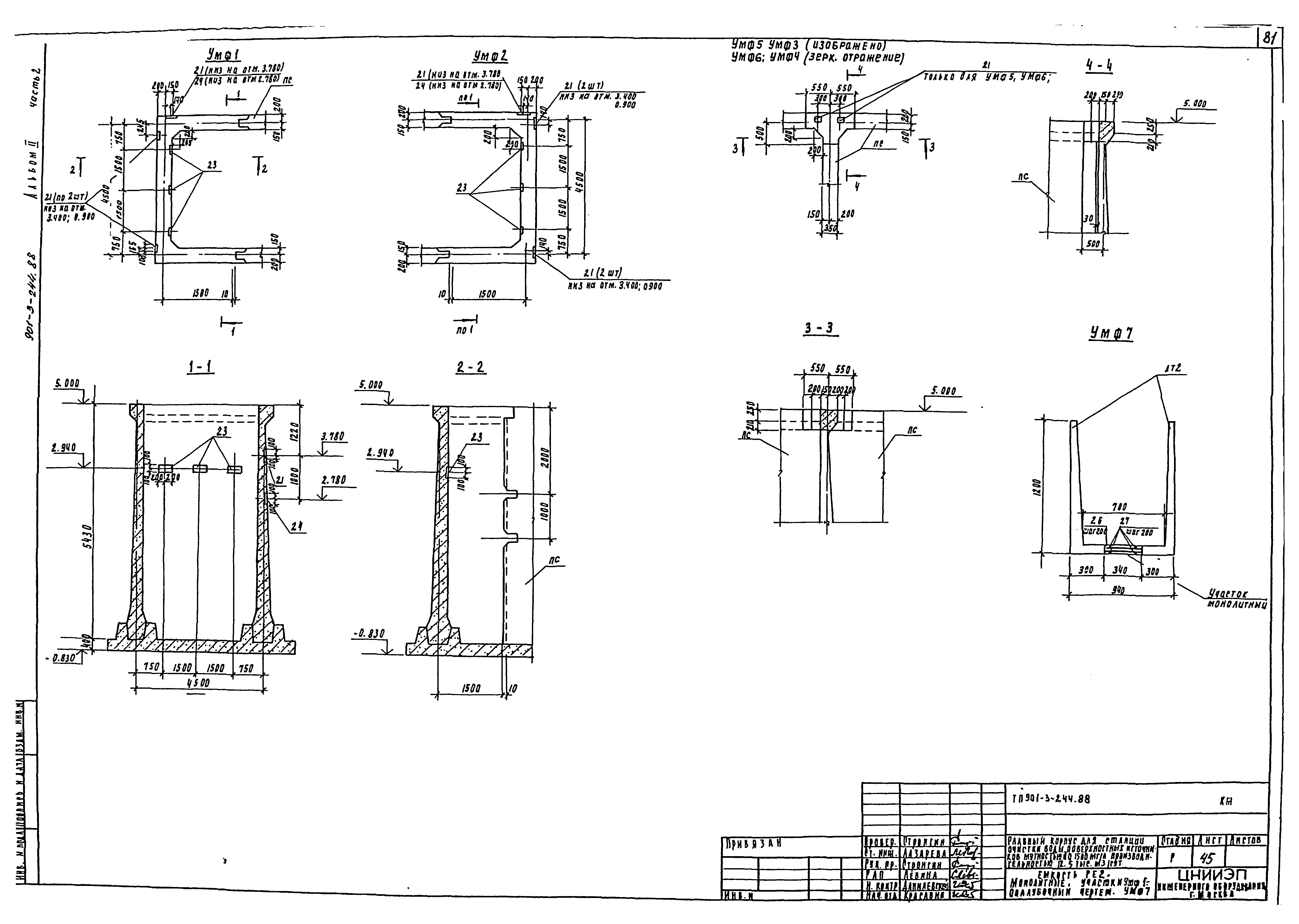
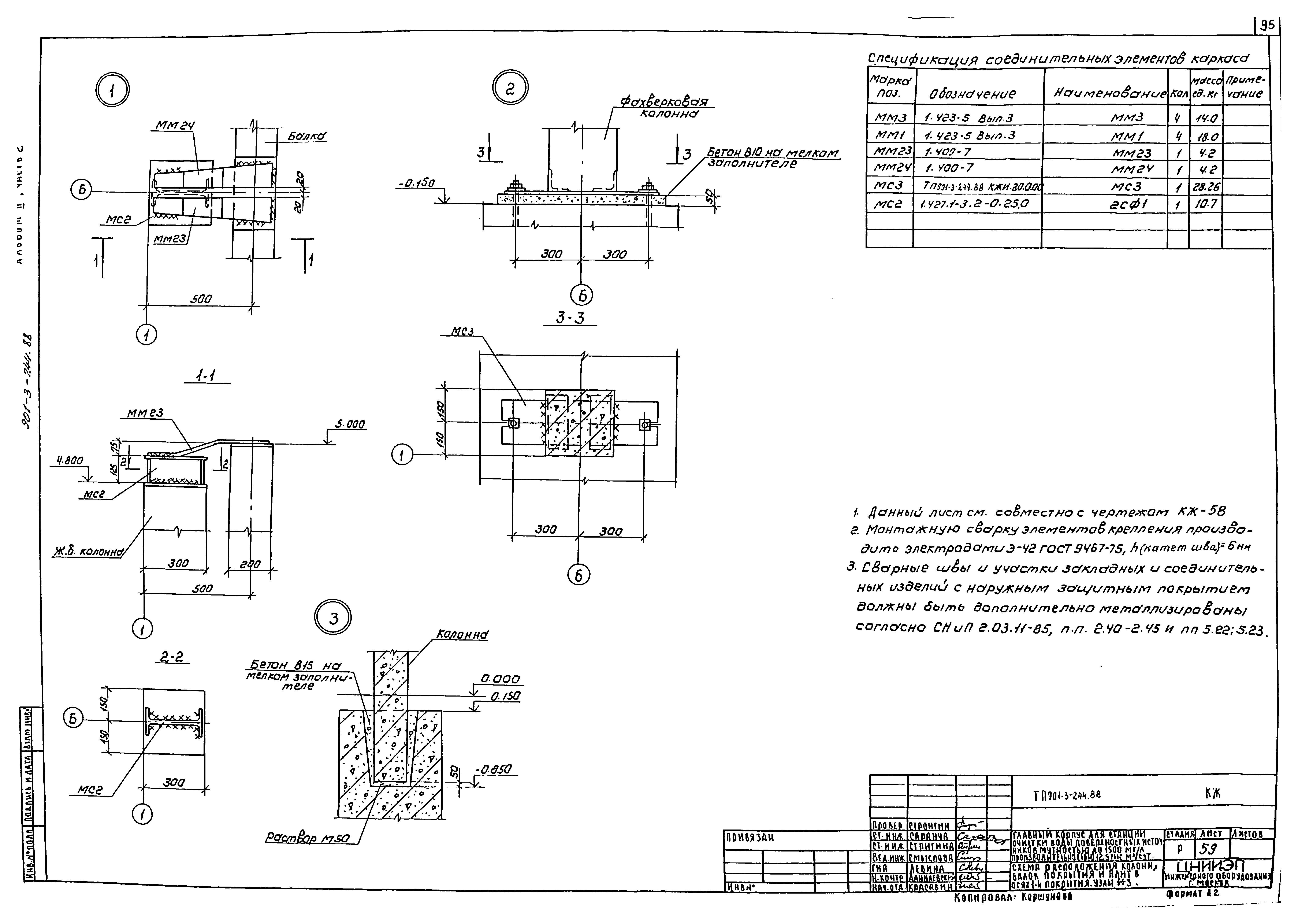
| Оглавление: | Общие данные Схема расположения фундаментов Фрагменты 1 - 3. Сечения 1-1 - 5-5 Фрагменты 4 - 6. Сечения 6-6 - 8-8 Фрагменты 7 - 9. Сечения 9-9 - 12-12 Фрагменты 10, 11. Сечения 13-13 - 20-20 Фрагмент 12, 13. Спецификация Опалубочный чертеж, армирование Фм1 - Фм3 Опалубочный чертеж, армирование Фм4 - Фм6 Опалубочный чертеж, армирование Фм7 - Фм9 Опалубочный чертеж, армирование Фм10 - Фм12 Опалубочный чертеж, армирование Фм13, Фм14 Опалубочный чертеж, армирование Фм15, Фм16 Опалубочный чертеж, армирование Фм17, Фм18 Опалубочный чертеж, армирование Фм19, Фм20 Опалубочный чертеж, армирование Фм21 - Фм23 Опалубочный чертеж, армирование Фм24 - Фм25 Схема расположения фундаментов под оборудование и опор в осях 2 - 4 Разрез 1-1. Фундаменты ФО1 - ФО5. Опоры ОП1 - ОП4 Схема расположения емкостей, каналов и фундаментов под оборудование в осях 5 - 9; А - Ж Схема расположения подбетонки. Разрезы 1-1 - 2-2. Узлы I - III Сечения 3-3 - 9-9. Фундаменты ФО1 - ФО2 Схема расположения опор. Опоры ОП1 - ОП5 Схема расположения фундаментов под оборудование и емкостей в осях 12 - 15; Б - В Схема расположения фундаментов под оборудование и емкостей в осях 12 - 15; А - В. Разрезы 1-1 и 2-2 Фундаменты под оборудование ФО1 - ФО4. Емкости РЕ4, РЕ5. Опоры ОП1 - ОП3 Схема расположения фундаментов под оборудование в осях 12 - 14; А - Б. Разрезы 3-3 - 7-7. Виды А, Б Схема расположения каналов и приямков в осях 1 - 2; А - Б. Разрезы 1-1 - 6-6 Емкость РЕ1. Схема расположения стеновых панелей и монолитных участков. Разрез 1-1 Емкость РЕ1. Вид 2-2. Разрезы 3-3, 4-4 Узлы 13 - 18. Сечение а-а Днище ДМ1. Опалубочный чертеж. Разрезы 1-1, 2-2, 3-3. Узлы 1, 2, 3 Днище ДМ1. Армирование. Схема расположения нижних сеток и каркасов. Разрезы 1-1 - 4-4. Узлы 7, 8, 9 Днище ДМ1. Армирование. Схема раскладки верхних сеток днища. Деталь армирования приямка. Узлы 10, 11, 12 Схема расположения стеновых панелей и монолитных участков емкости РЕ2. Разрезы 1-1 - 3-3; А-А; Б-Б; В-В. Узел А Емкость РЕ2. Виды 4-4, 5-5, 6-6 Днище ДМ2. Опалубочный чертеж. Разрез 1-1, 2-2. Узлы 1, 2, А. Разрез 3-3 Днище ДМ2. Армирование. Схемы расположения нижних сеток, каркасов, верхних сеток. Разрез 1-1 - 2-2. Узлы 1, 2, 3 Емкости РЕ1, РЕ2. Узлы 1 - 6 Днище ДМ1, ДМ2. Армирование. Узлы 4, 5, 6 Спецификации к монолитным днищам ДМ1, ДМ2 Емкость РЕ1. Монолитные участки. Опалубочный чертеж Емкость РЕ2. Монолитные участки УМф1 - УМф7. Опалубочный чертеж Монолитные участки Ум1 - Ум6 Монолитные участки УМф1 - УМф4 Спецификация к монолитным участкам Ум1 - Ум6; УМф1 - УМф7 Схема расположения стеновых панелей и монолитных участков емкости РЕ3. Разрез 1-1 Схема расположения стеновых панелей и монолитных участков емкости РЕ3. Разрез 2-2. Виды 3-3 - 5-5. Узлы 1 - 4 Монолитные участки стен Ум1 - Ум6. Емкости РЕ4 Днище ДМ3. Опалубочный чертеж. Разрезы 1-1, 2-2. Узлы 1, 2 Схема расположения нижних и верхних сеток и каркасов днища ДМ3. Спецификация Схема расположения нижних и верхних сеток и каркасов днища ДМ3. Разрезы 1-1, 2-2. Узлы 1 - 3 Схема расположения нижних и верхних сеток и каркасов днища ДМ3. Разрезы 1-1, 2-2. Узлы 1, 2 Схема расположения бетонных опор и брусьев в емкости РЕ3. Разрезы 1-1 - 7-7. Узлы А, Б, В Схема расположения плит в поддоне ПД1. Разрезы 1-1, 2-2. Спецификация Схема расположения колонн, балок и плит покрытия в осях 1 - 4. Разрезы 1-1 - 3-3 Схема расположения колонн, балок покрытия и плит покрытия в осях 1 - 4. Узлы 1 - 3 Схема расположения колонн, балок и плит покрытия в осях 5 - 9 Схема расположения колонн, балок и плит покрытия. Виды 1-1, 2-2. Схема расположения торцевого фахверка Схемы расположения колонн, ригелей, диафрагм жесткости на отм. 4.200 и 8.400. Разрезы 1-1 - 3-3 Схемы расположения колонн, ригелей, диафрагм жесткости на отм. 4.200 и 8.400. Разрезы 4-4, 5-5 Схемы расположения плит перекрытия и покрытия. Разрезы 1-1 - 6-6 Монолитные участки Ум1 - Ум7 Схемы расположения лестничных маршей, проступей и верхней лестничной площадки Схемы расположения стеновых панелей по оси А, В, 5, 15, Ж Схема расположения панелей по оси 1, 9, 10 Схема расположения щитов опорных подушек и плит покрытия в осях 12 - 15; В - Г Венткамера на отм. 0.000 |
| Разработан: | ЦНИИЭП |
| Утверждён: | 29.07.1986 Госгражданстрой (Gosgrazhdanstroy 242) |
| Издан: | ЦИТП Госстроя СССР (CITP, Gosstroy (USSR) 1988 г. ) |
| Заменяет собой: |
|







































































