Скачать Типовой проект 901-3-244.88 Альбом V. Строительные изделияДата актуализации: 01.01.2021
|
| Обозначение: | Типовой проект 901-3-244.88 |
| Обозначение англ: | 901-3-244.88 |
| Статус: | не определен законодательством |
| Название рус.: | Альбом V. Строительные изделия |
| Дата добавления в базу: | 01.10.2014 |
| Дата актуализации: | 01.01.2021 |
| Дата введения: | 13.04.1988 |
| Дата окончания срока действия: | 30.06.2003 |
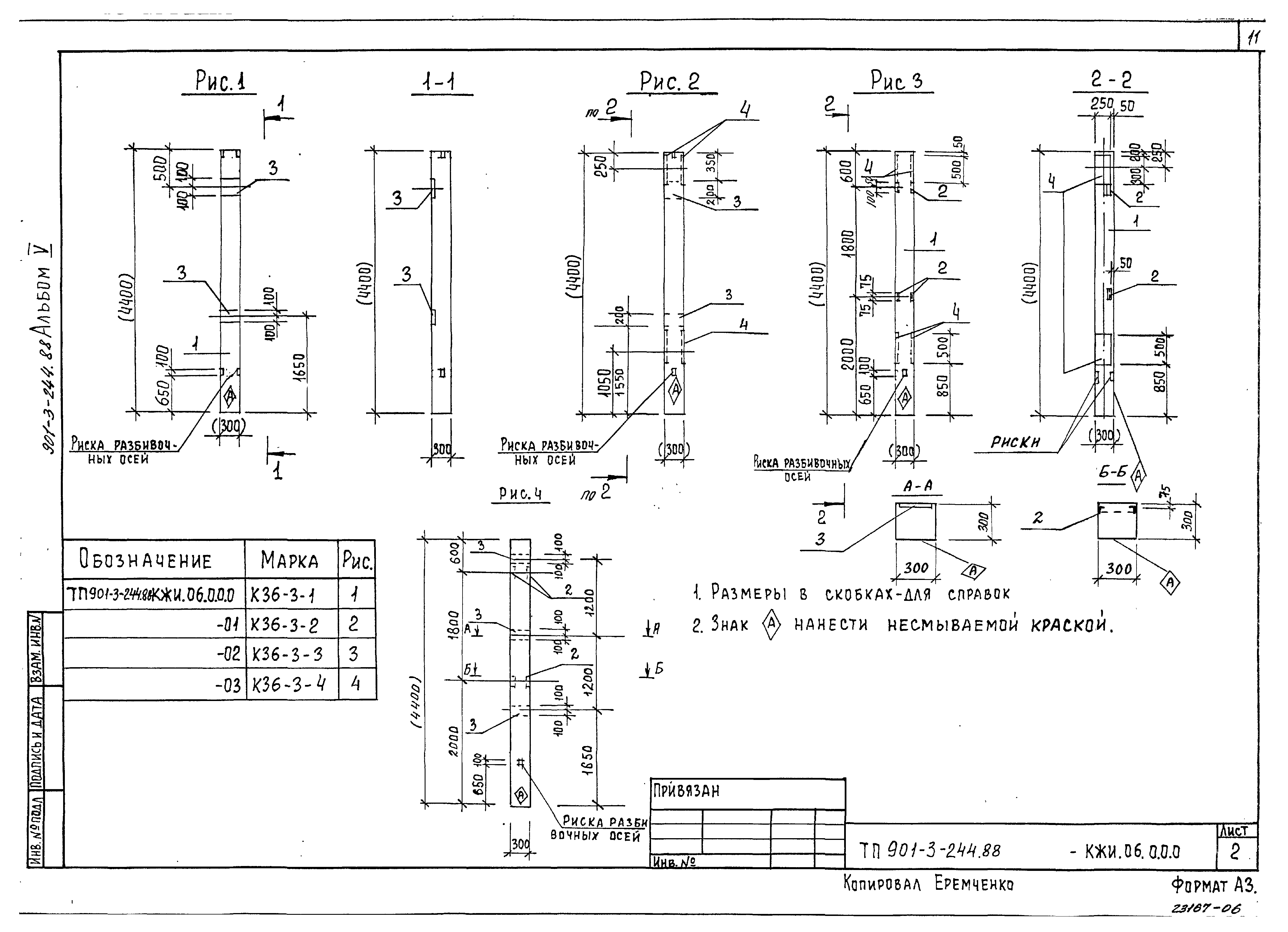
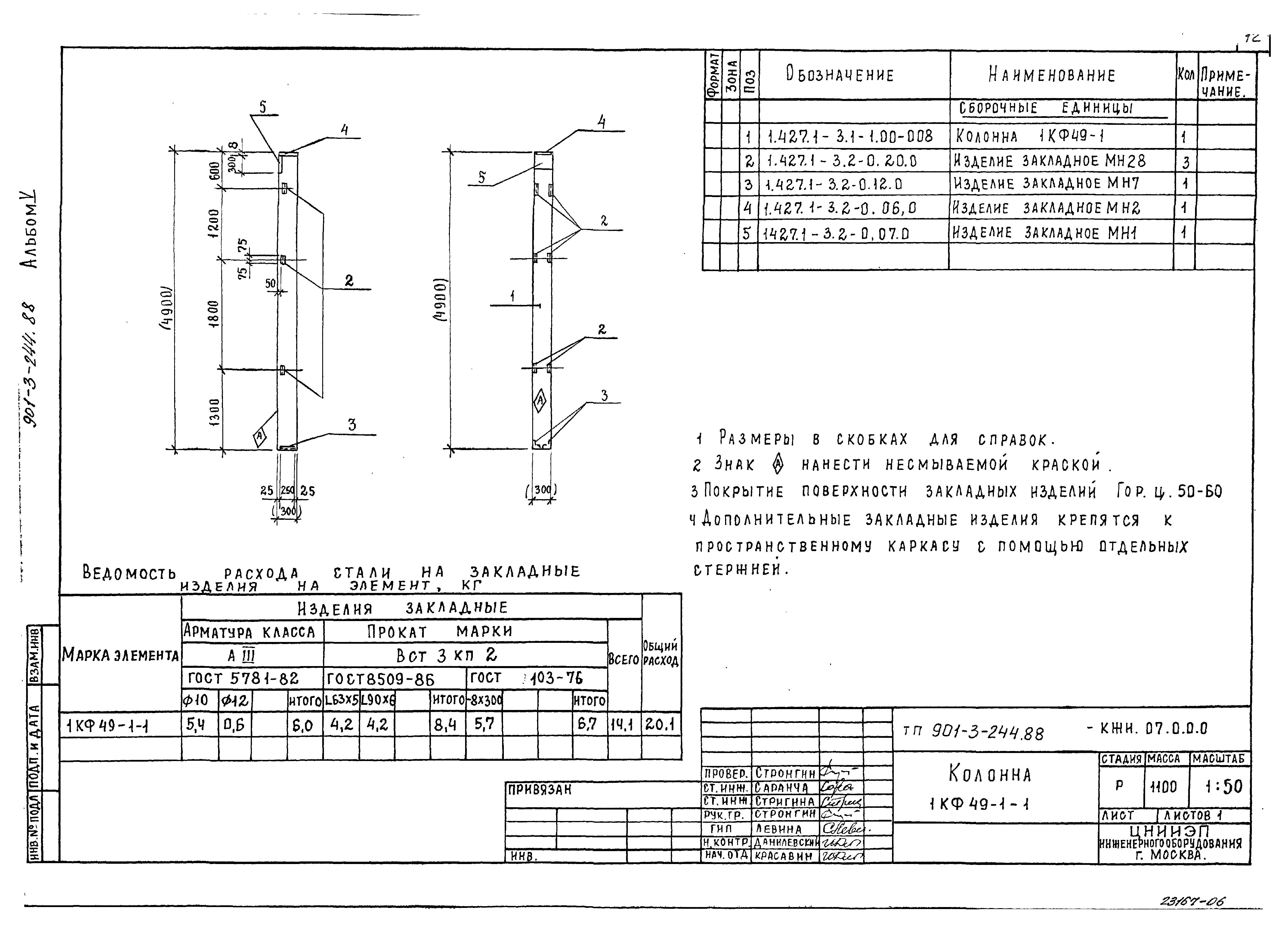
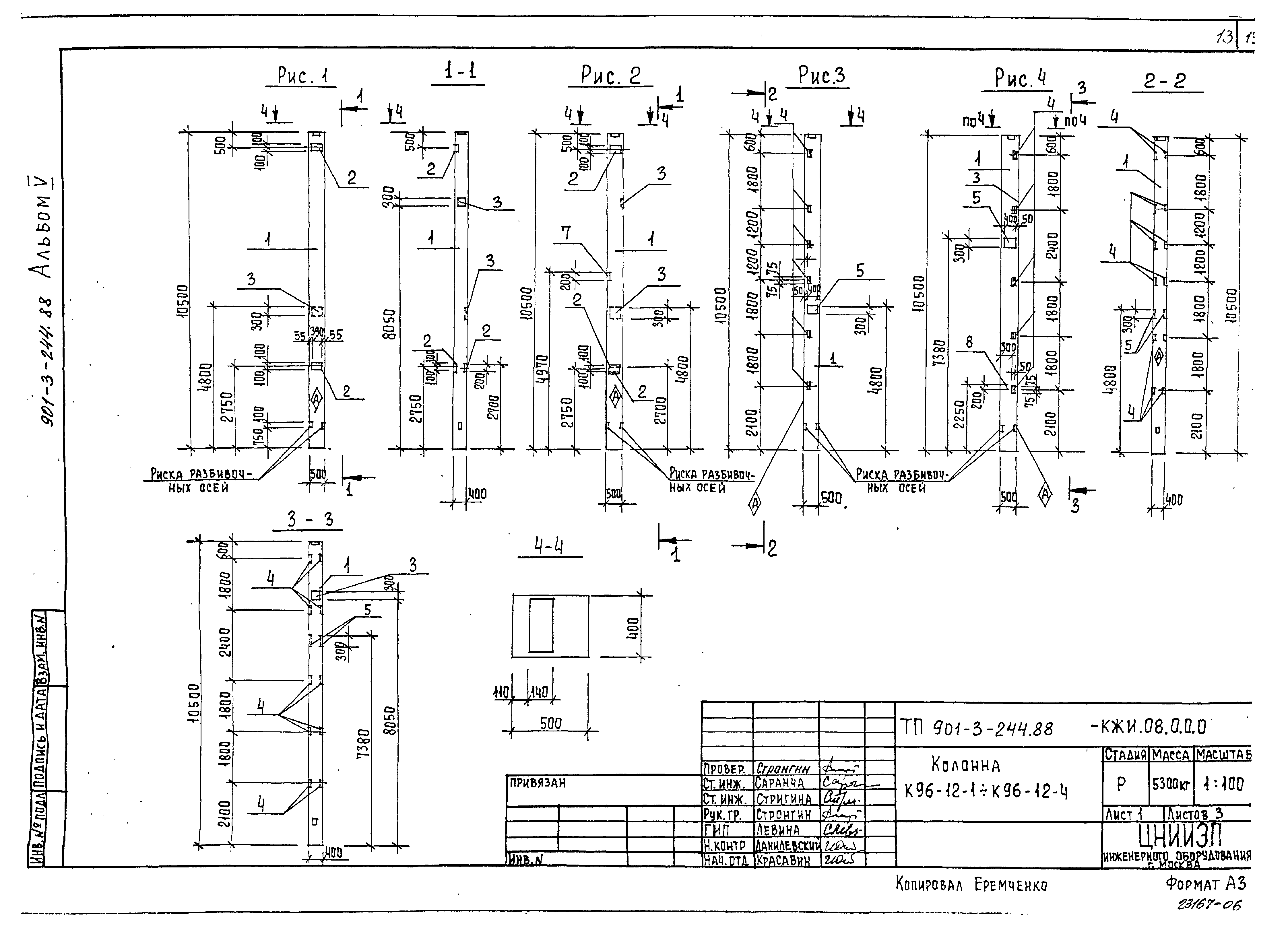
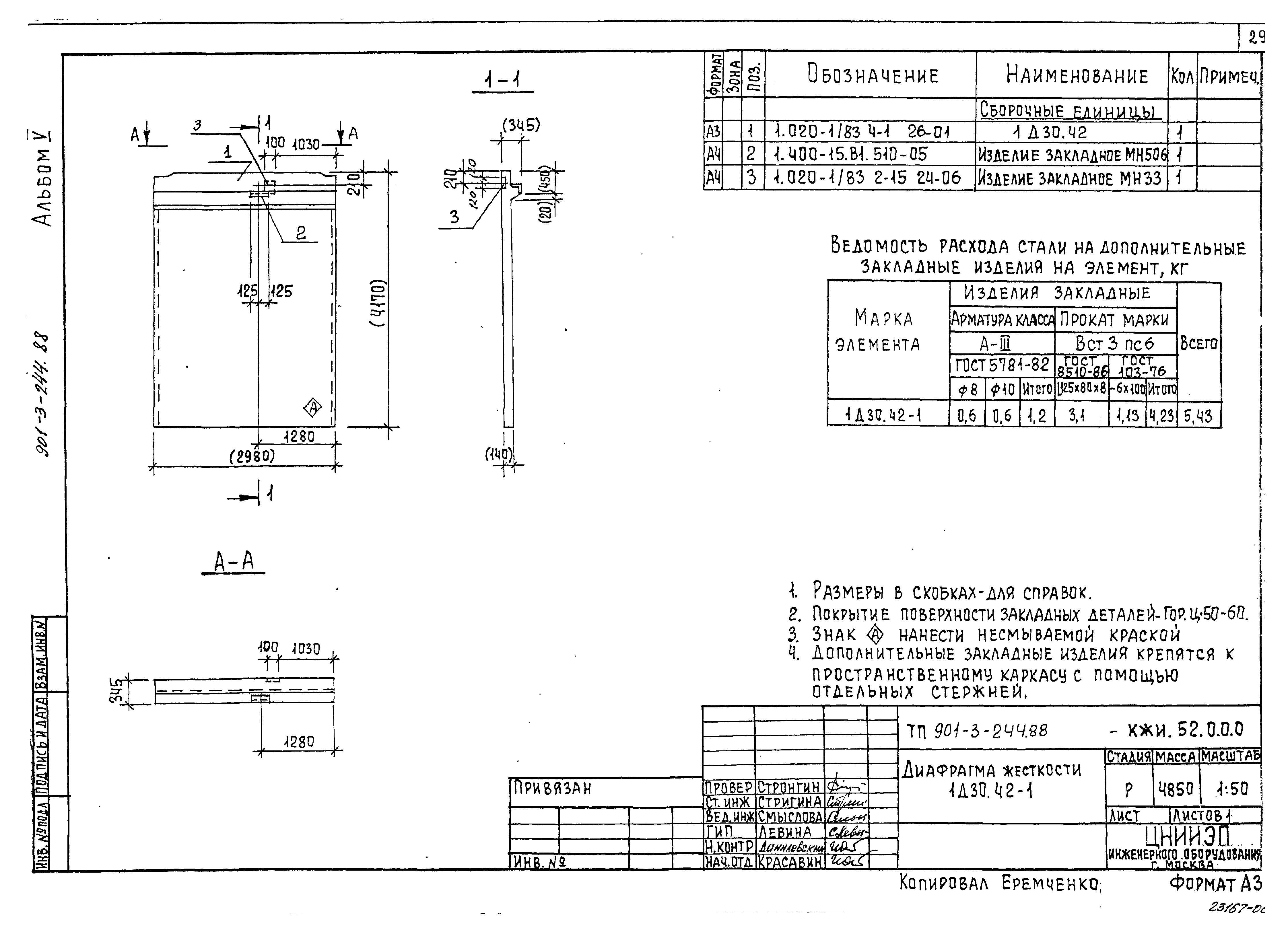
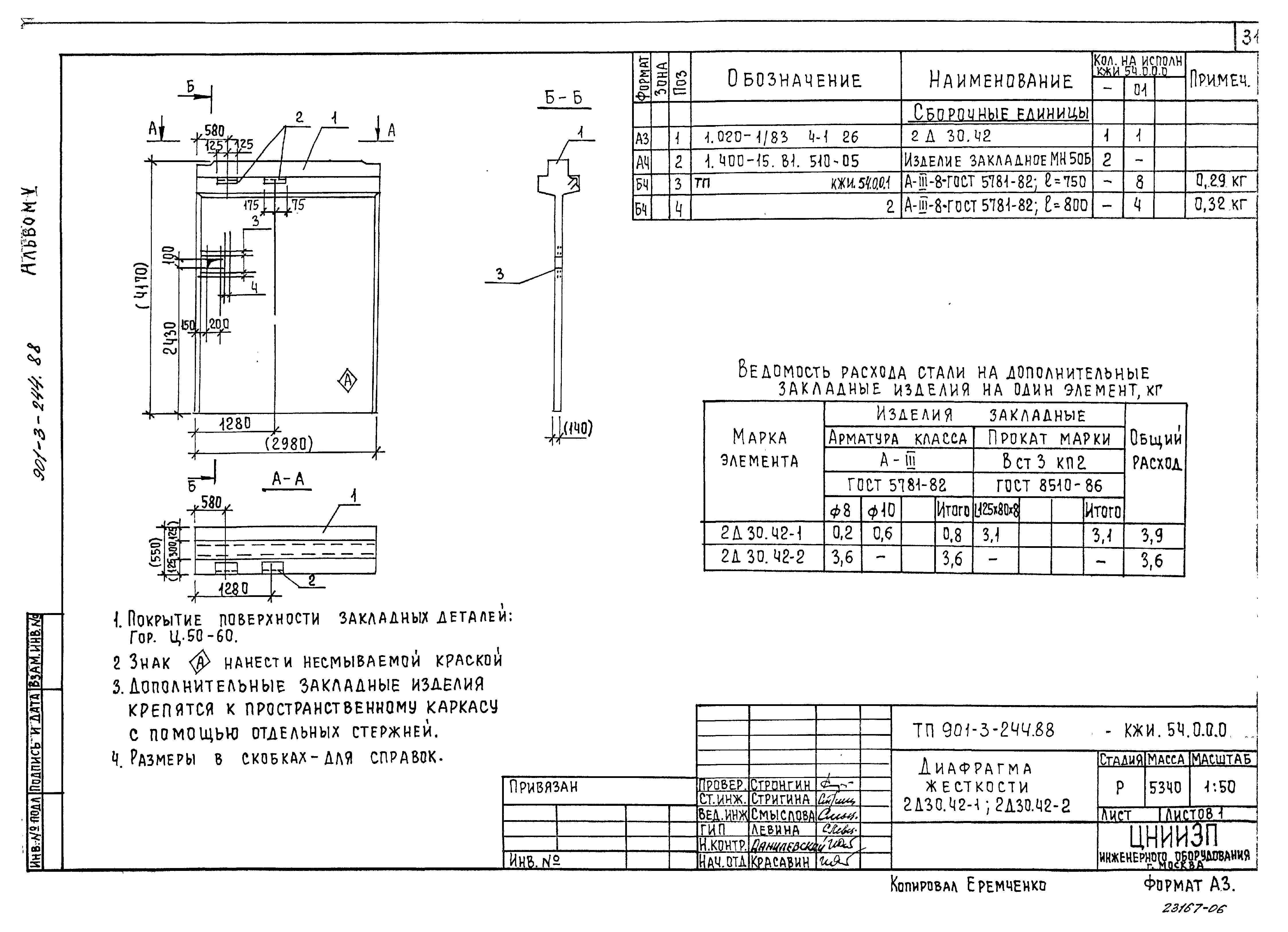
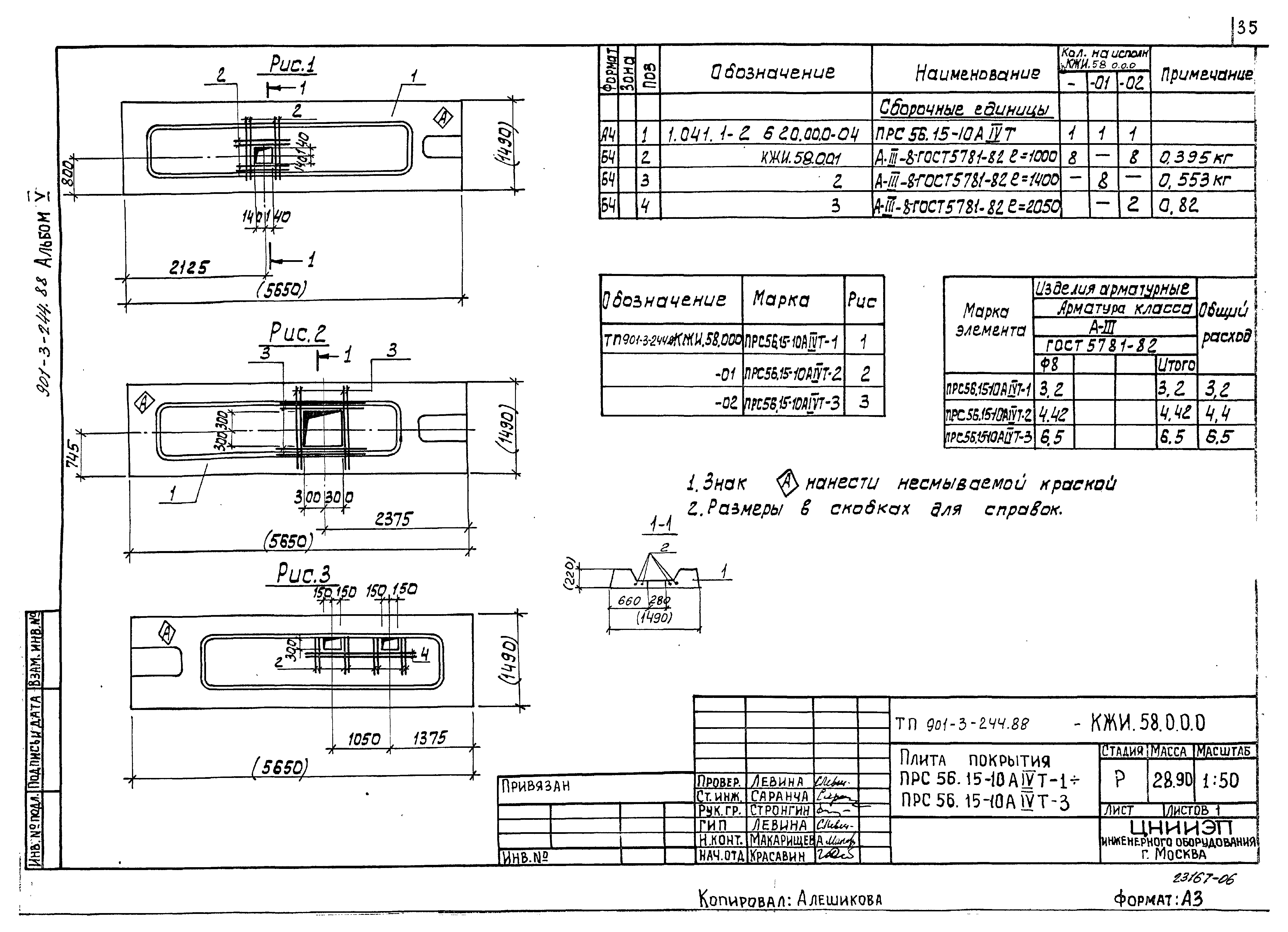
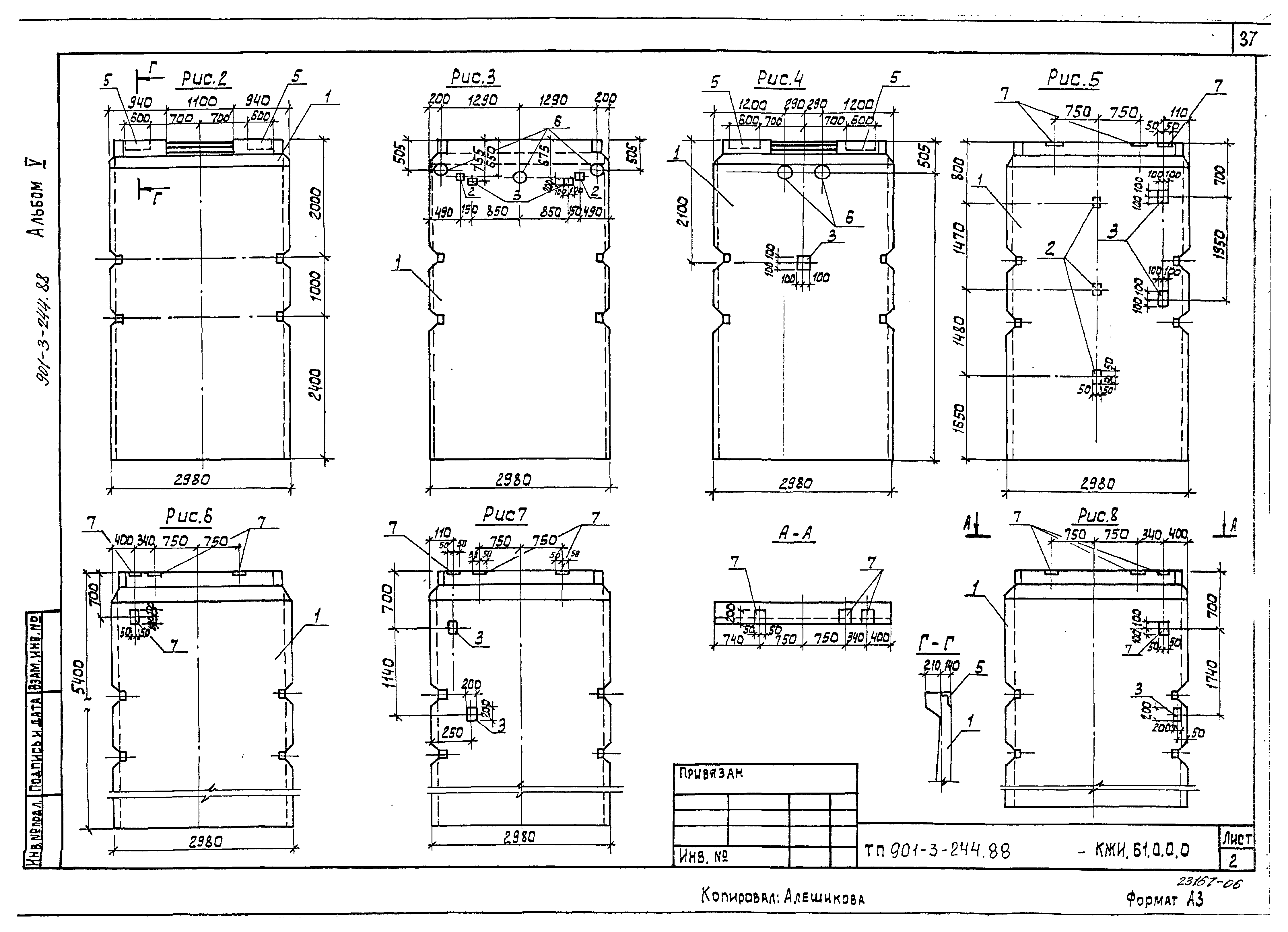
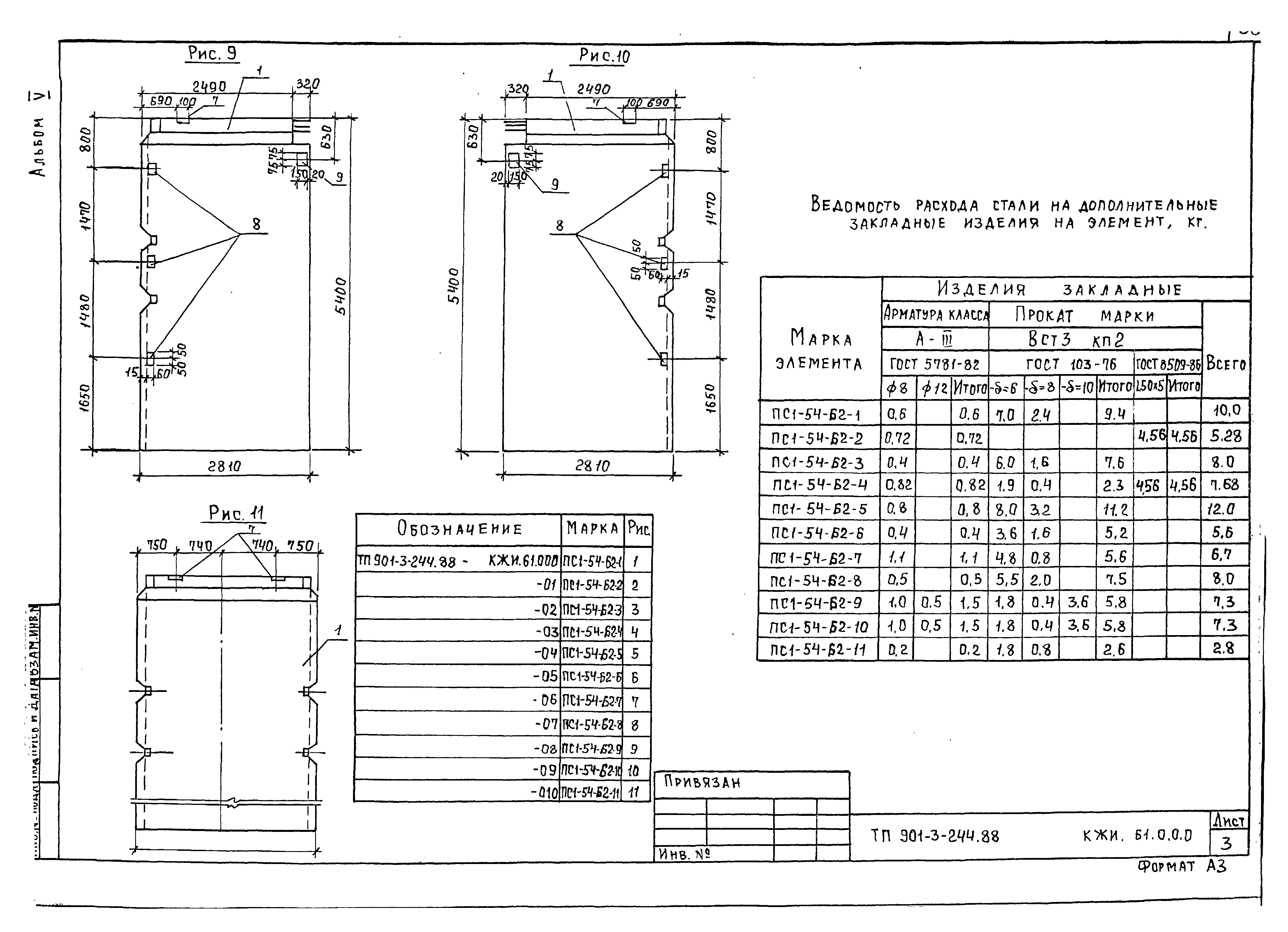
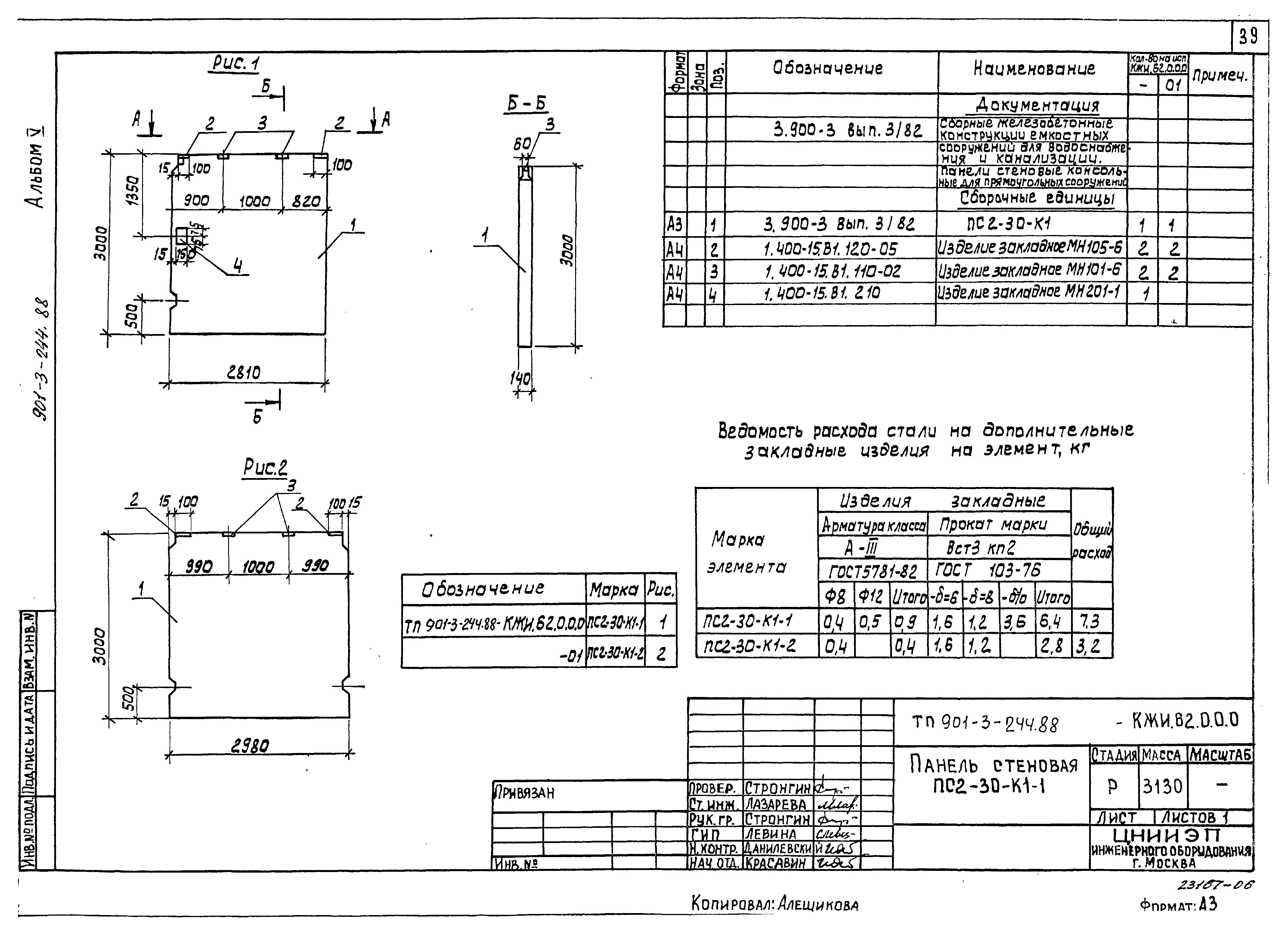
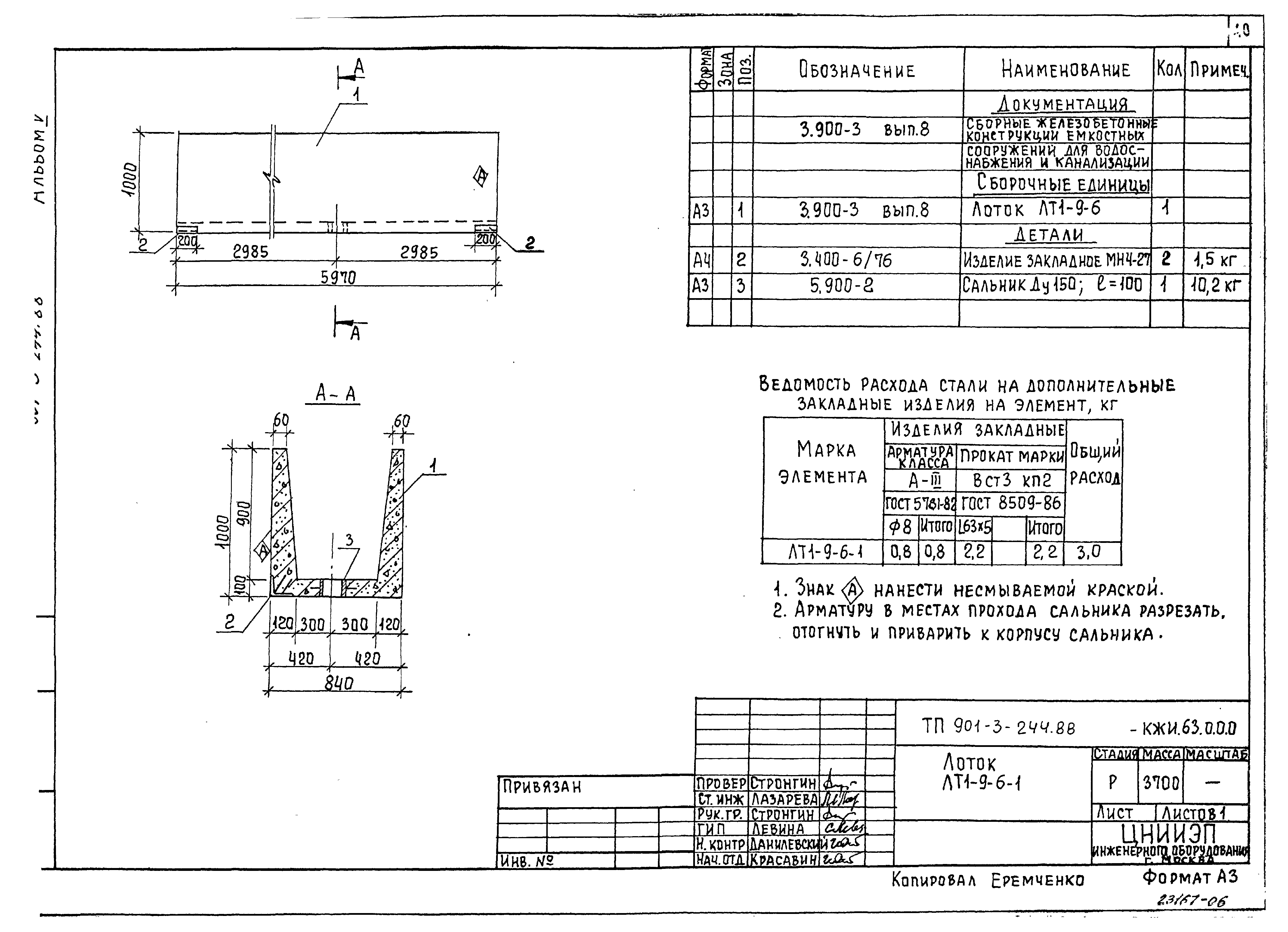
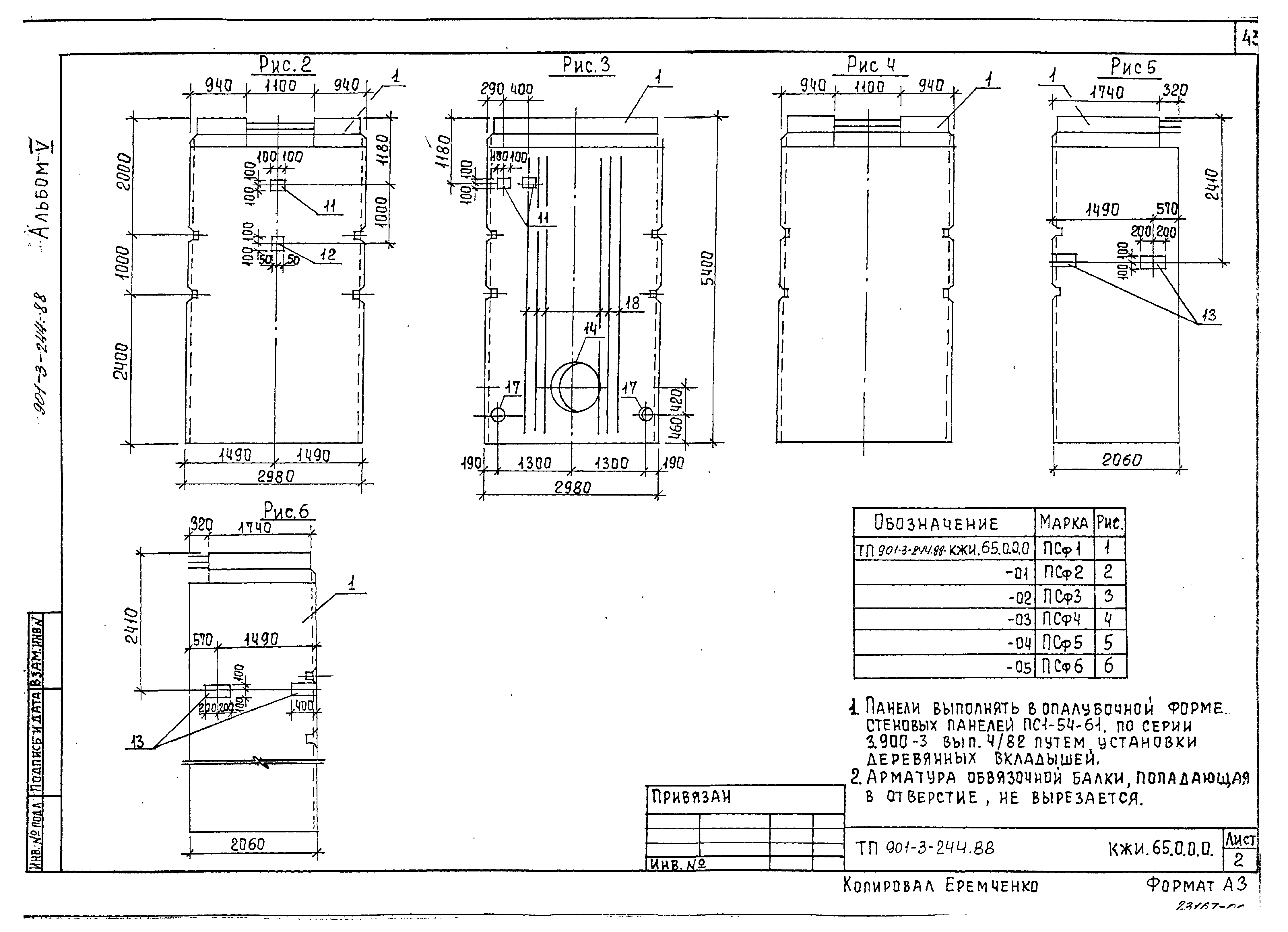
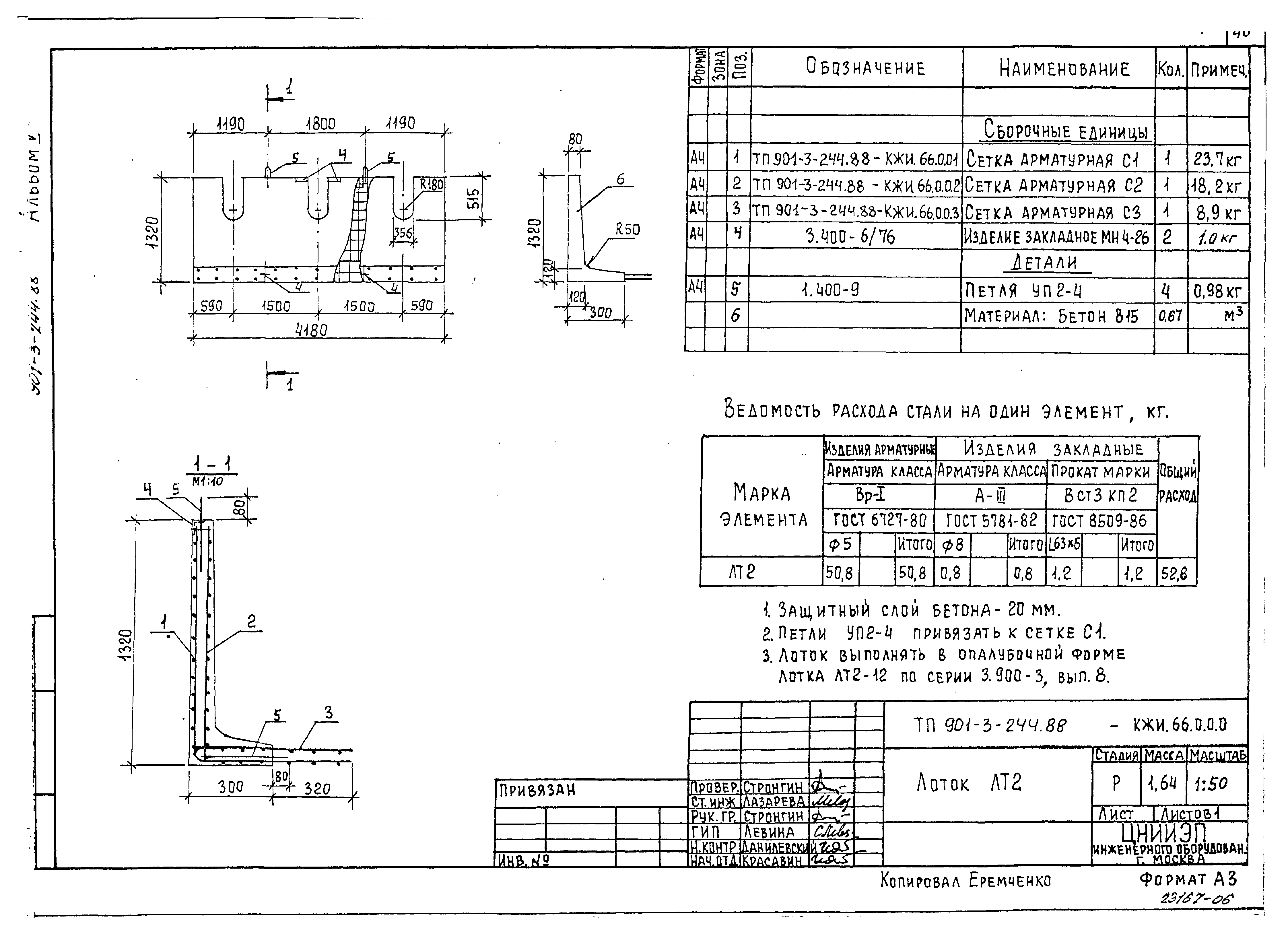
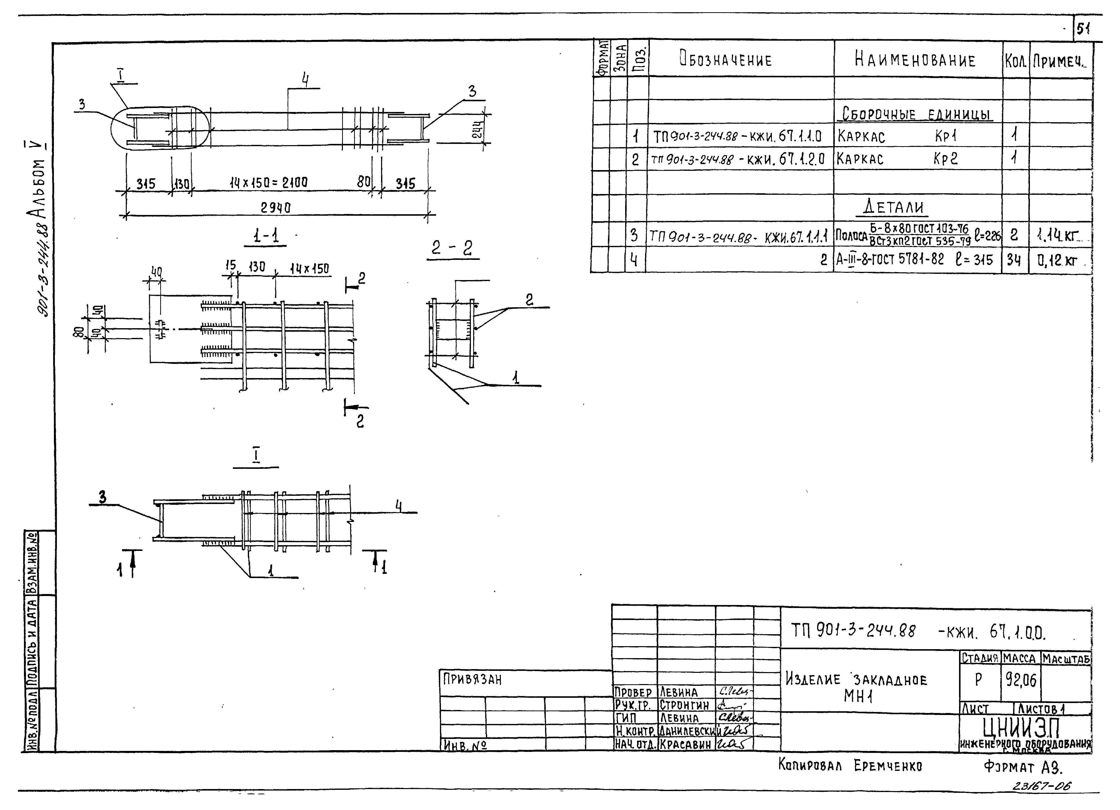
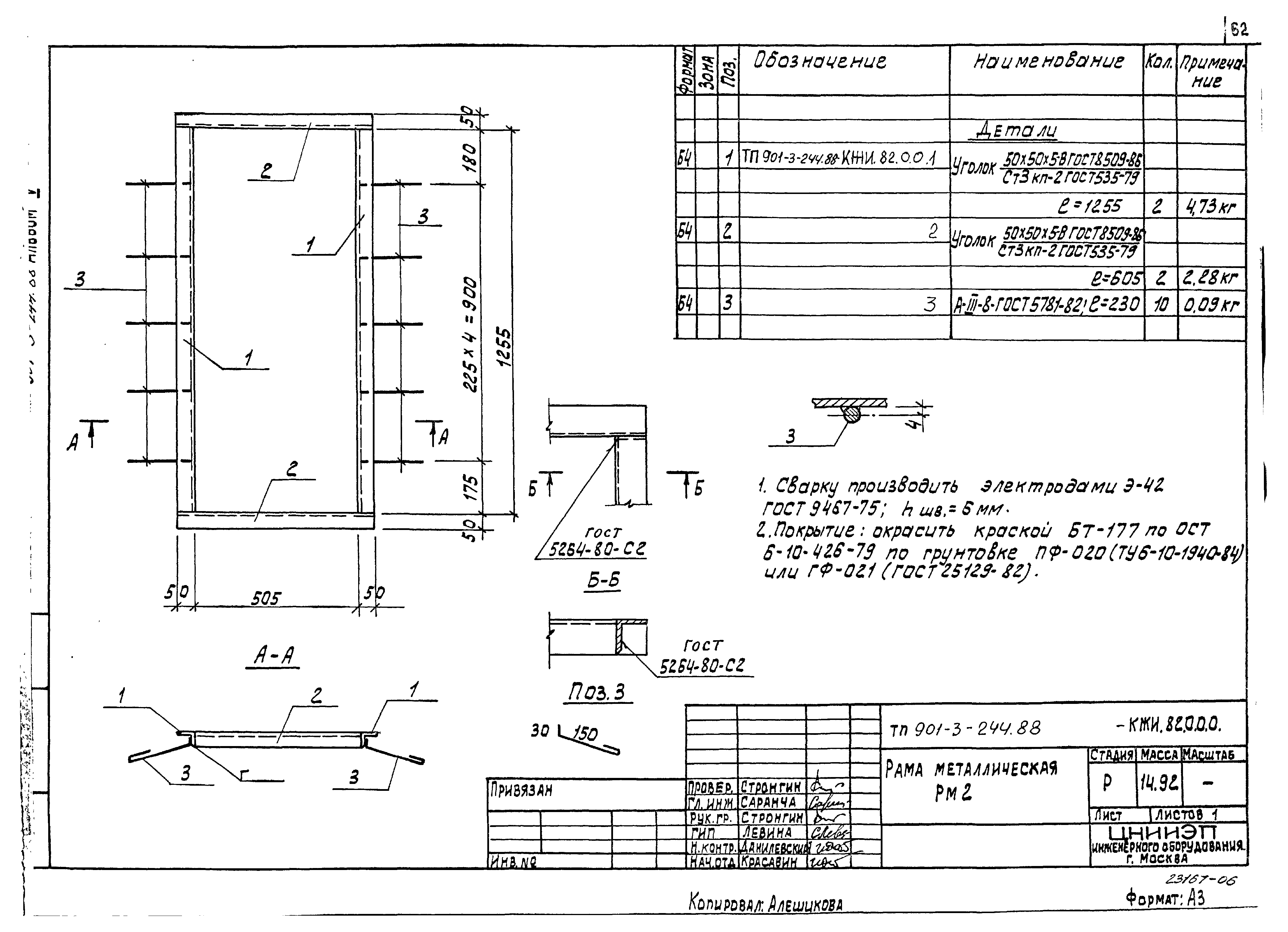
| Оглавление: | 901-3-244.88 КЖИ.01.0.0.0 Колонна 1КОЗ.42-2.1-1 - 1КОЗ.42-2.1-6 901-3-244.88 КЖИ.02.0.0.0 Колонна 1КДЗ.42-2.4-1; 1КДЗ.42-2.4-2 901-3-244.88 КЖИ.03.0.0.0 Колонна 1КЗ.42-2-2; 1КЗ.42-2-3 901-3-244.88 КЖИ.04.0.0.0 Колонна 1КЗ.42-2-1 901-3-244.88 КЖИ.05.0.0.0 Колонна 1КОЗ.42-1; 1КОЗ.42-2 901-3-244.88 КЖИ.06.0.0.0 Колонна К36-3-1 - К36-3-4 901-3-244.88 КЖИ.07.0.0.0 Колонна 1КФ49 901-3-244.88 КЖИ.08.0.0.0 Колонна К96-12-1 - К96-12-4 901-3-244.88 КЖИ.09.0.0.0 Колонна 8КФ121-2-1 901-3-244.88 КЖИ.10.0.0.0 Колонна 8КФ127-2-1 901-3-244.88 КЖИ.21.0.0.0 Ригель РДП4.57-60АтV-1 - РДП4.57-60АтV-3 901-3-244.88 КЖИ.22.0.0.0 Ригель РОП4.57-40-1; РДП4.57-40-2 901-3-244.88 КЖИ.23.0.0.0 Ригель РДП4.57-40АтV-1 901-3-244.88 КЖИ.24.0.0.0 Ригель РДП4.57-60АтV-4 901-3-244.88 КЖИ.31.0.0.0 Балка покрытия 1БДР12-3АIVТ-1; 1БДР12-6АIVТ-1 901-3-244.88 КЖИ.32.0.0.0 Ферма покрытия 2ФС24-3АIV-1 901-3-244.88 КЖИ.40.0.0.0 Плиты покрытия 1ПГ-2АIVт-90ФН-300П-1 - 1ПГ-2АIVт-90ФН-300П-3 901-3-244.88 КЖИ.41.0.0.0 Плиты покрытия 1ПГ-5АIVт-90ФН-300П-1 - 1ПГ-5АIVт-90ФН-300П-3 901-3-244.88 КЖИ.42.0.0.0 Плиты покрытия 1ПВ10-6АIVт-90ФН-300П-1; 1ПВ10-6АIVт-90ФН-300П-2; 1ПВ7-6АIVт-90ФН-300П-1 901-3-244.88 КЖИ.51.0.0.0 Диафрагма жесткости 1Д26.42-1; 1Д26.42-2 901-3-244.88 КЖИ.52.0.0.0 Диафрагма жесткости 1Д30.42-1 901-3-244.88 КЖИ.53.0.0.0 Диафрагма жесткости 2ДП26.42-1; 2ДП26.42-2 901-3-244.88 КЖИ.54.0.0.0 Диафрагма жесткости 2Д30.42-1; 2Д30.42-2 901-3-244.88 КЖИ.55.0.0.0 Диафрагма жесткости 2Д26.42-1 901-3-244.88 КЖИ.56.0.0.0 Перемычка 3ПБ30-8-П-1; 5ПБ30-37-П-1 901-3-244.88 КЖИ.57.0.0.0 Плита покрытия 2П1-2АIVт-1; 2П1-2АIVт-2 901-3-244.88 КЖИ.58.0.0.0 Плита покрытия ПРС56.15-6АIVт-1 - ПРС56.15-6АIVт-3 901-3-244.88 КЖИ.61.0.0.0 Панель стеновая ПС1-54-62-1 - ПС-1-54-62-11 901-3-244.88 КЖИ.62.0.0.0 Панель стеновая ПС2-30-К1-1 901-3-244.88 КЖИ.63.0.0.0 Лоток Лт1-9-6-1 901-3-244.88 КЖИ.64.0.0.0 Плита П7д-3-1 901-3-244.88 КЖИ.65.0.0.0 Панель стеновая ПСФ1 - ПСФ5 901-3-244.88 КЖИ.65.0.0.0ВРС Ведомость расхода стали 901-3-244.88 КЖИ.65.0.1.0 Сетка арматурная С3 901-3-244.88 КЖИ.65.0.2.0 Сетка арматурная С4 901-3-244.88 КЖИ.66.0.0.0 Лоток ЛТ2 901-3-244.88 КЖИ.65.0.1.0 Сетка арматурная С5 901-3-244.88 КЖИ.66.0.2.0 Сетка арматурная С6 901-3-244.88 КЖИ.67.0.0.0 Панель стеновая ПС1 901-3-244.88 КЖИ.67.0.0.0ВРС Ведомость расхода стали 901-3-244.88 КЖИ.66.0.3.0 Сетка арматурная С7 901-3-244.88 КЖИ.67.0.1.0 Сетка арматурная С10 901-3-244.88 КЖИ.67.1.0.0 Изделие закладное МН1 901-3-244.88 КЖИ.67.1.1.0 Каркас КР1 901-3-244.88 КЖИ.67.1.2.0 Каркас КР2 901-3-244.88 КЖИ.68.0.0.0 Панель стеновая ПС1-1; ПС1-2; ПС1-7 901-3-244.88 КЖИ.69.0.0.0 Панель стеновая ПС1-3; ПС1-4 901-3-244.88 КЖИ.70.0.0.0 Панель стеновая ПС1-5; ПС1-6 901-3-244.88 КЖИ.71.0.0.0 Сетка арматурная С1 901-3-244.88 КЖИ.72.0.0.0 Сетка арматурная С2 901-3-244.88 КЖИ.73.0.0.0 Щит металлический Щ1 - Щ4 901-3-244.88 КЖИ.74.0.0.0 Петля Пл1 901-3-244.88 КЖИ.75.0.0.0 Щит Щ5 901-3-244.88 КЖИ.76.0.0.0 Лоток металлический ЛМ1 901-3-244.88 КЖИ.80.0.0.0 Изделие соединительное МС3 901-3-244.88 КЖИ.81.0.0.0 Рама металлическая РМ1 901-3-244.88 КЖИ.82.0.0.0 Рама металлическая РМ2 901-3-244.88 КЖИ.101.0.0.0 Каркас пространственный КП1, КП2 901-3-244.88 КЖИ.101.0.1.0 Каркас плоский КР1 901-3-244.88 КЖИ.102.0.0.0 Каркас пространственный КП3, КП4 901-3-244.88 КЖИ.102.0.1.0 Каркас плоский КР2 901-3-244.88 КЖИ.103.0.0.0 Каркас пространственный КП5, КП6 901-3-244.88 КЖИ.103.0.1.0 Каркас плоский КР5 901-3-244.88 КЖИ.104.0.1.0 Каркас плоский КР3, КР4 901-3-244.88 КЖИ.105.0.0.0 Сетка арматурная С8 901-3-244.88 КЖИ.106.0.0.0 Каркас пространственный КП7, КП8 901-3-244.88 КЖИ.106.0.1.0 Каркас плоский КР6 901-3-244.88 КЖИ.107.0.0.0 Каркас пространственный КП9, КП10 901-3-244.88 КЖИ.107.0.1.0 Каркас плоский КР7 901-3-244.88 КЖИ.107.0.2.0 Каркас плоский КР8, КР9 901-3-244.88 КЖИ.107.0.3.0 Сетка арматурная С9 901-3-244.88 КЖИ.83.0.0.0 Панель стеновая ПС60.12.2.0-4л-34А 901-3-244.88 КЖИ.108.0.0.0 Плита покрытия 2П1-2АIVт-1 901-3-244.88 КЖИ.78.0.0.0 Козырек металлический КР1 |
| Разработан: | ЦНИИЭП |
| Утверждён: | 29.07.1986 Госгражданстрой (Gosgrazhdanstroy 242) |
| Издан: | ЦИТП Госстроя СССР (CITP, Gosstroy (USSR) 1988 г. ) |
| Заменяет собой: |
|








































































