Скачать Типовой проект 901-3-285.91 Альбом 5. Строительные изделияДата актуализации: 01.01.2021
|
| Обозначение: | Типовой проект 901-3-285.91 |
| Обозначение англ: | 901-3-285.91 |
| Статус: | не определен законодательством |
| Название рус.: | Альбом 5. Строительные изделия |
| Дата добавления в базу: | 01.10.2014 |
| Дата актуализации: | 01.01.2021 |
| Дата введения: | 29.07.1986 |
| Дата окончания срока действия: | 30.06.2003 |
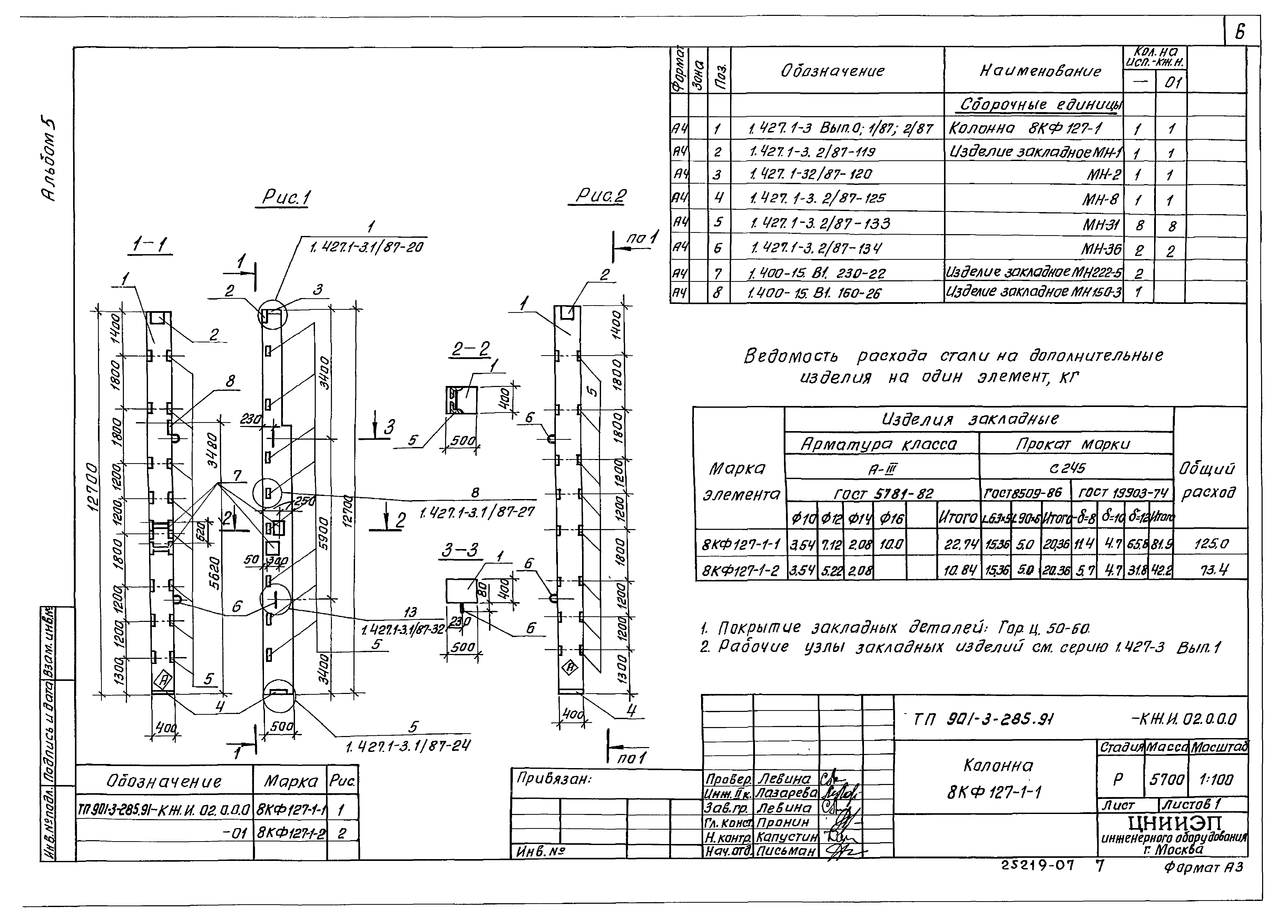
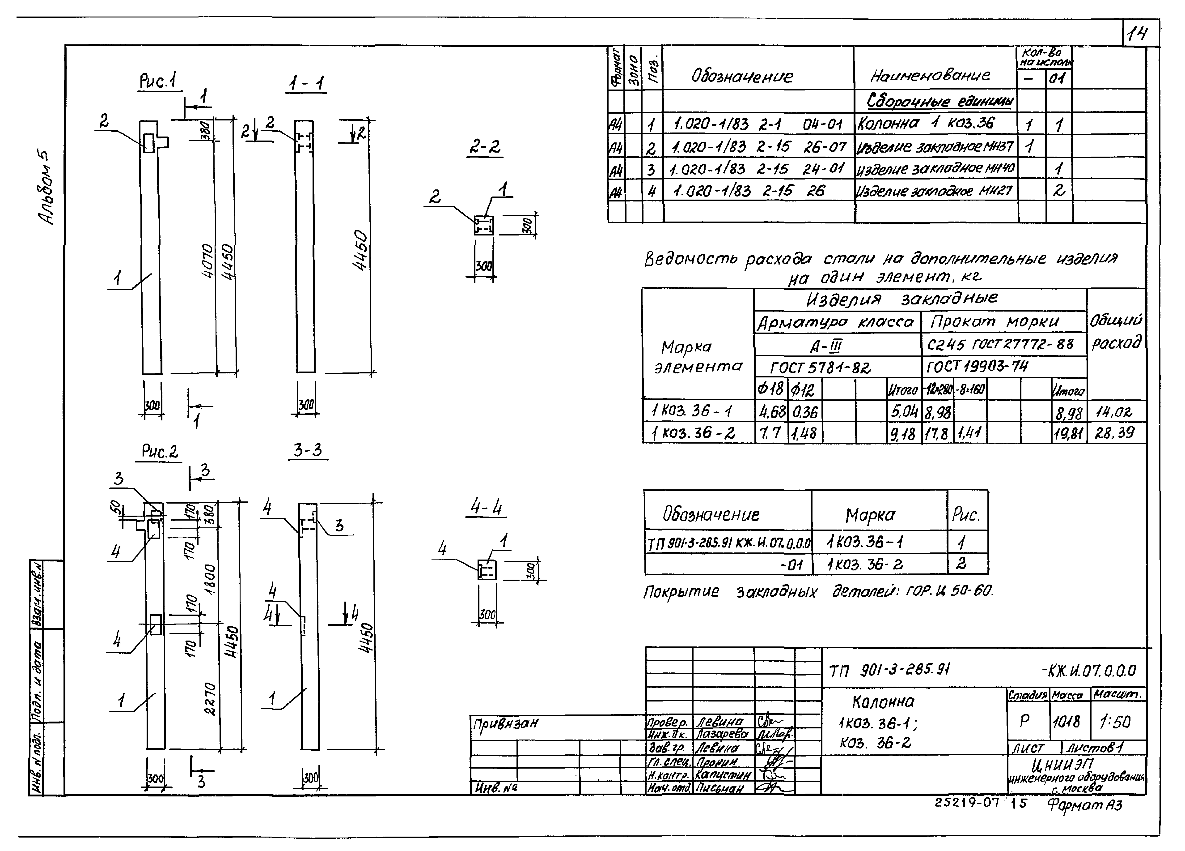
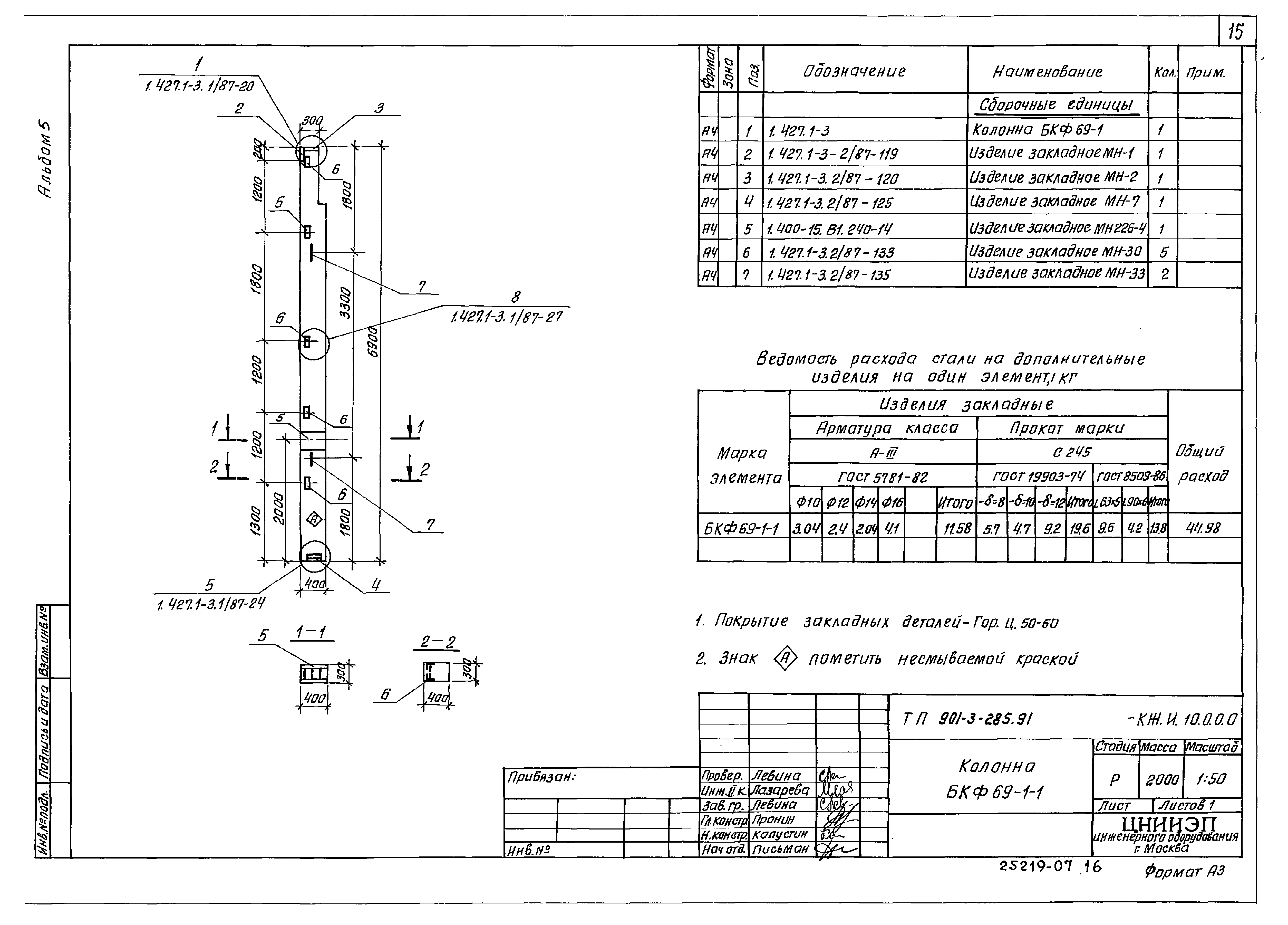
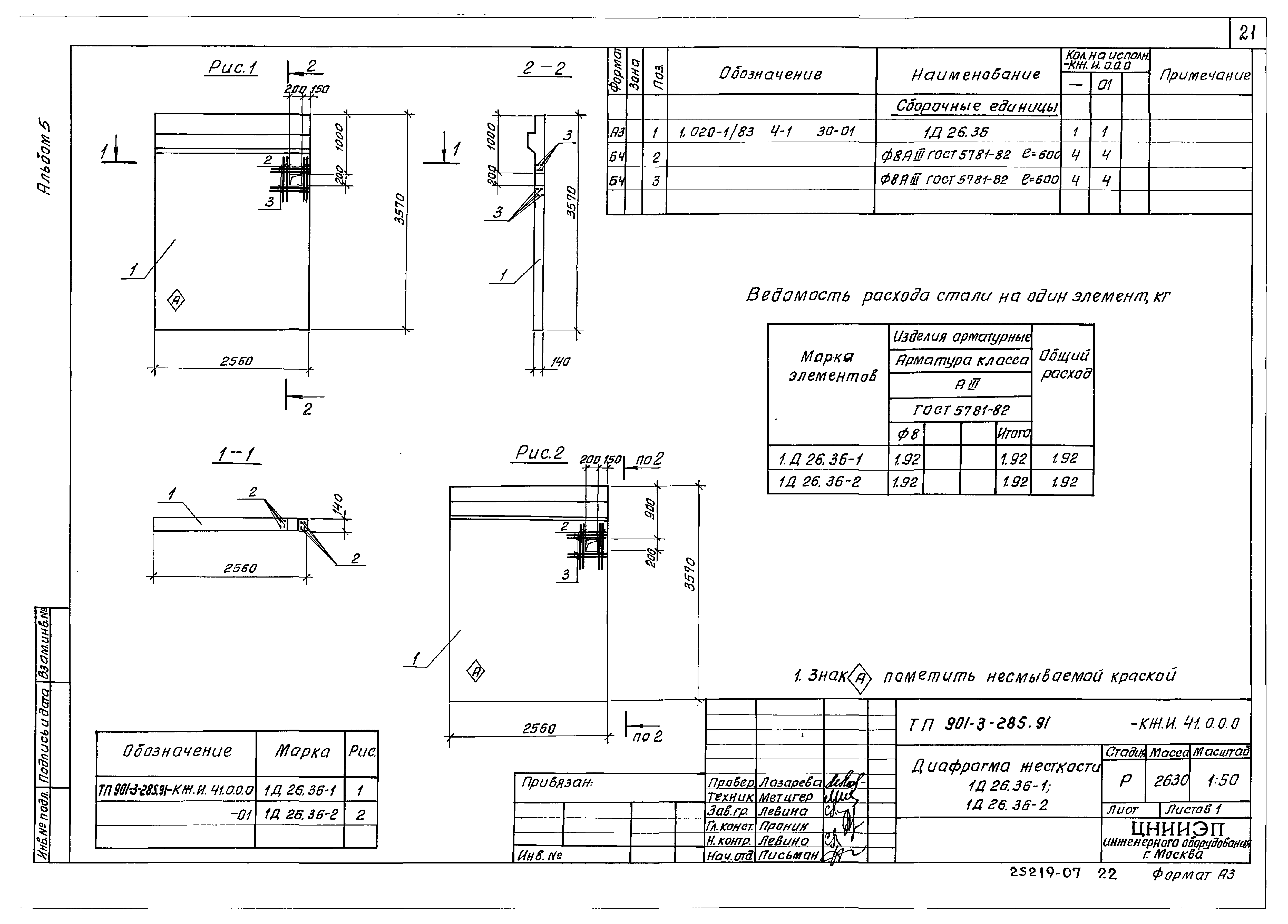
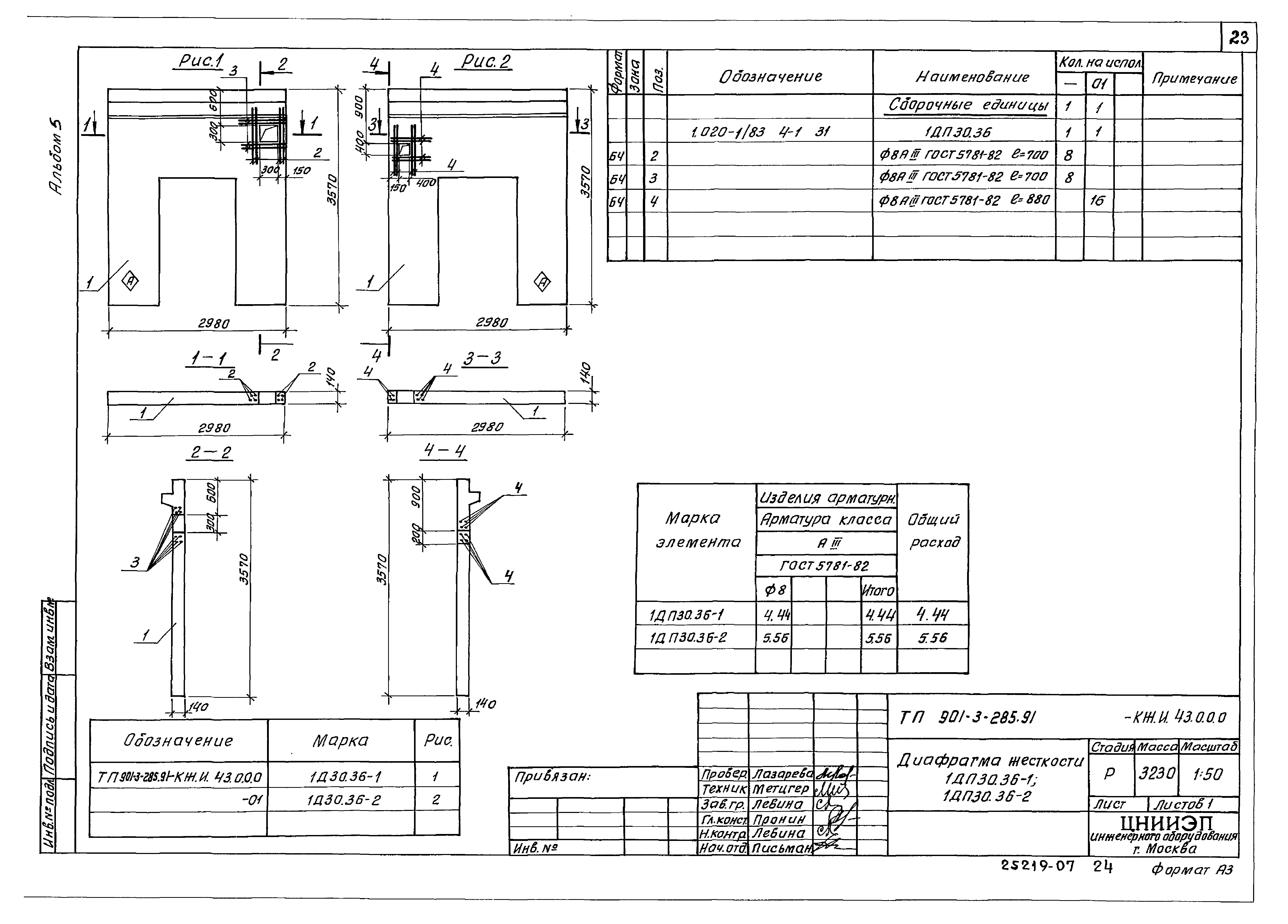
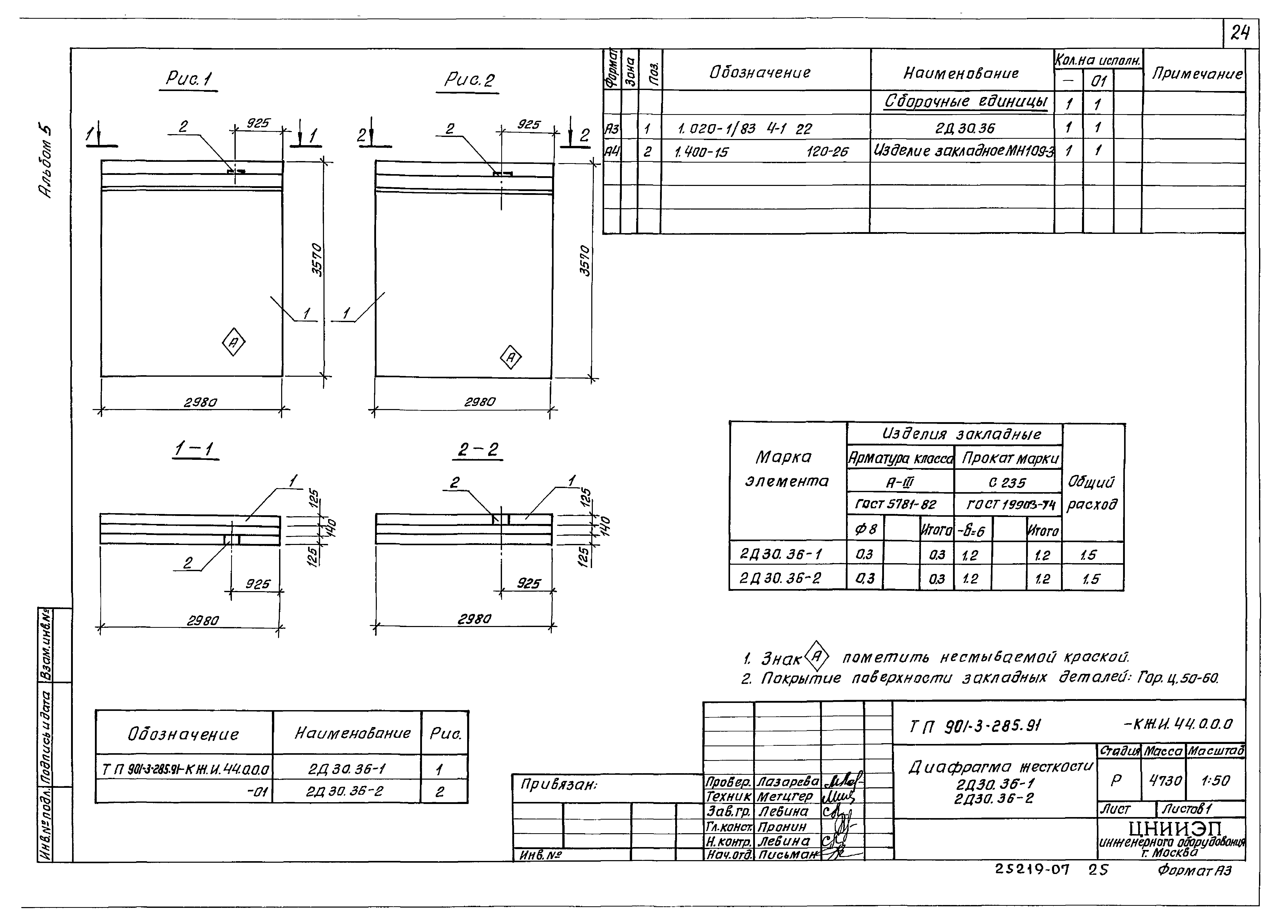
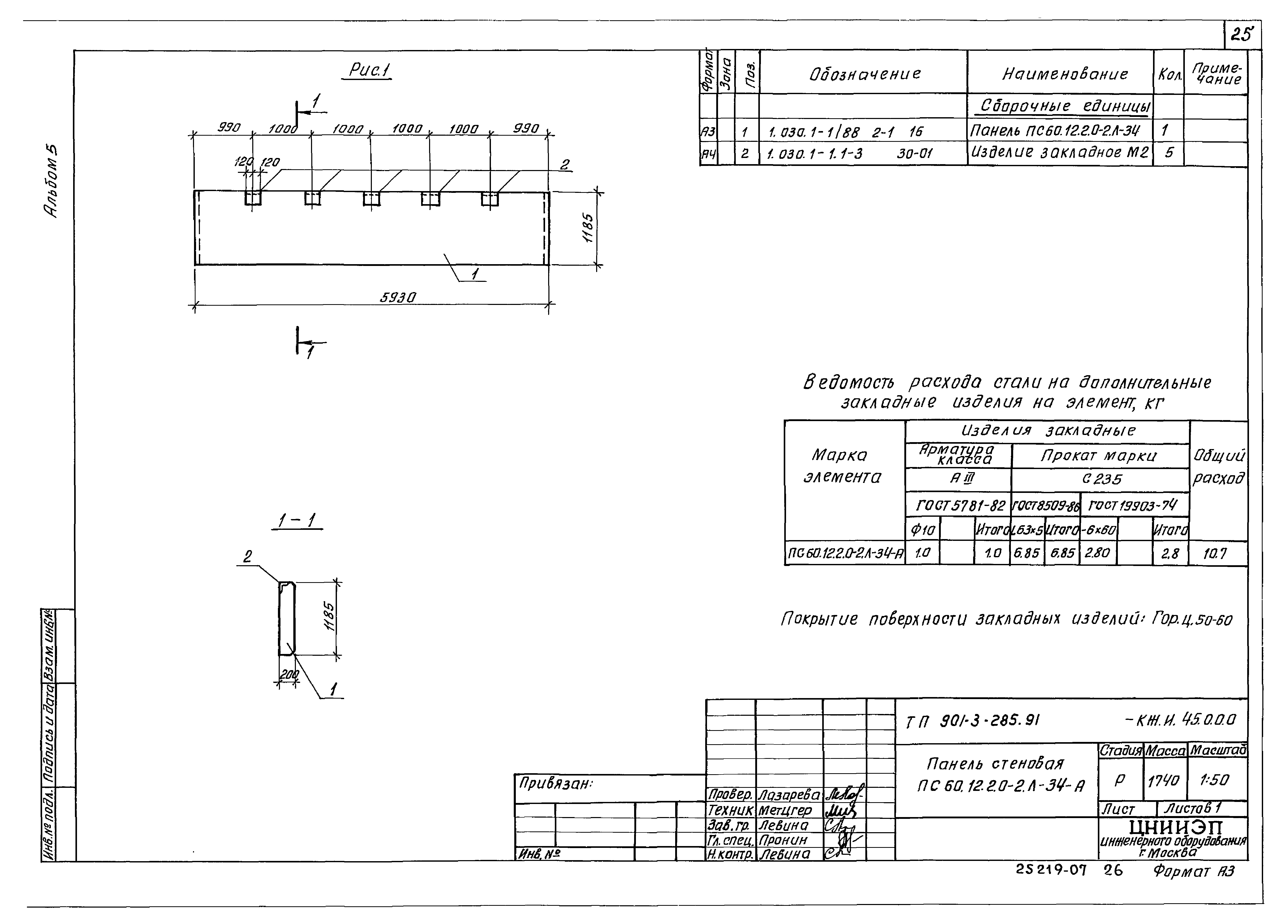
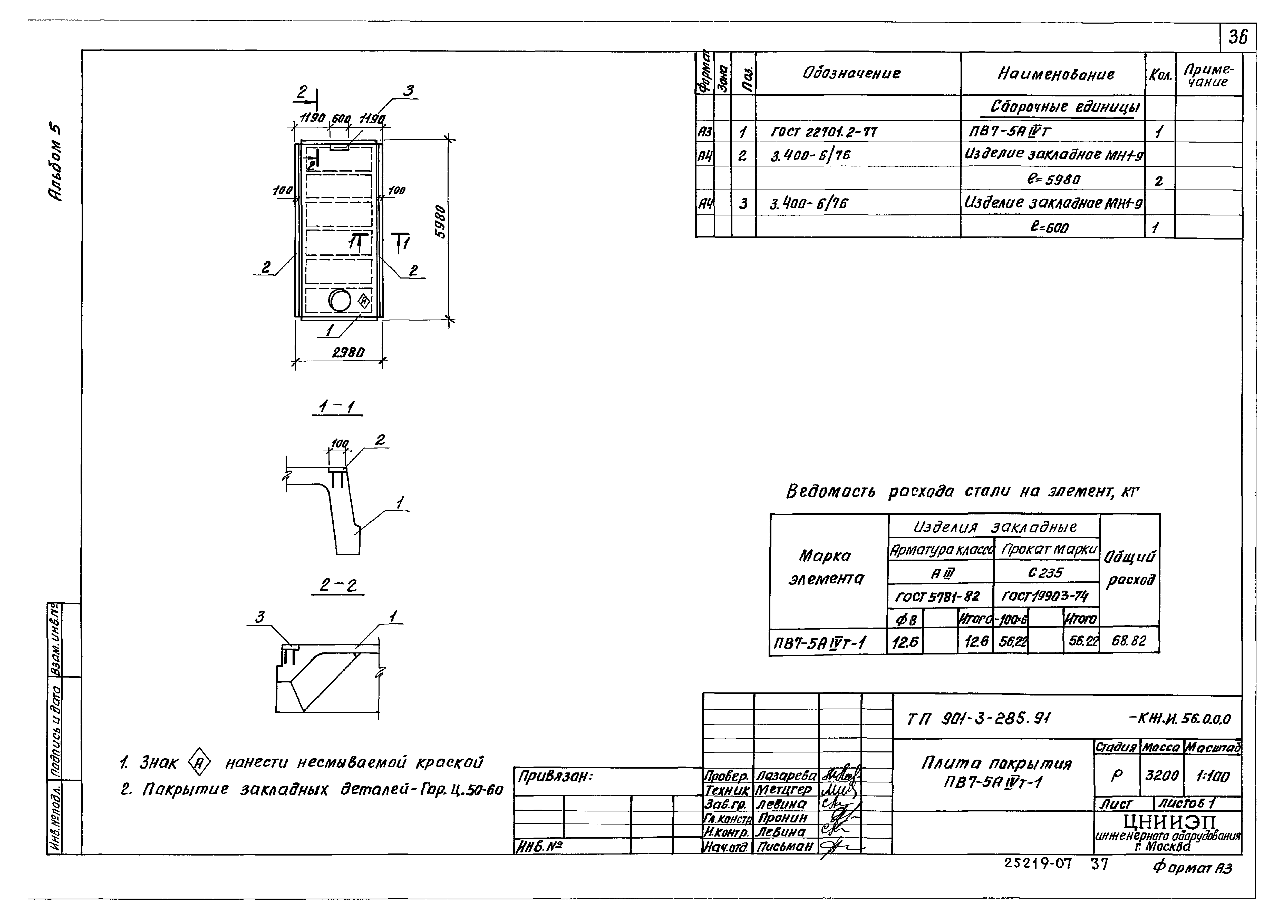
| Оглавление: | 901-3-285.91 КЖ.И 01.0.0.0 Колонны 2К120-1МЗ-П1…2К120-1МЗ-П6 901-3-285.91 КЖ.И 02.0.0.0 Колонна 8КФ127-1-1 901-3-285.91 КЖ.И 03.0.0.0 Колонны 2К60-1М2-Н1…2К60-1М2-Н6 901-3-285.91 КЖ.И 04.0.0.0 Колонны 2КОЗ.36-2.1-1…2КОЗ.36-2.1-8 901-3-285.91 КЖ.И 05.0.0.0 Колонна 2К3.36-1-1 901-3-285.91 КЖ.И 06.0.0.0 Колонны 2КД3.36-2.2-1…2КД3.36-2.2-3 901-3-285.91 КЖ.И 07.0.0.0 Колонны 1КОЗ.36-1...1КОЗ.36-2 901-3-285.91 КЖ.И 10.0.0.0 Колонна 6КФ69-1-1 901-3-285.91 КЖ.И 20.0.0.0 Балки 1БСП12-5АIV-Н-А; 1БСП12-5АIV-Н-Б 901-3-285.91 КЖ.И 21.0.0.0 Балка 2БСП12-5АIV-Н-А 901-3-285.91 КЖ.И 30.0.0.0 Ригель РДП57-80АтV-1; РДП57-80АтV-2; РДП57-80АтV-3 901-3-285.91 КЖ.И 31.0.0.0 Ригель РОП4.57-45-1; РОП4.57-45-2 901-3-285.91 КЖ.И 32.0.0.0 Ригель РЛП4.57-45-1 901-3-285.91 КЖ.И 41.0.0.0 Диафрагма жесткости 1Д26.36-1; 1Д26.36-2 901-3-285.91 КЖ.И 42.0.0.0 Диафрагма жесткости 2Д26.36-1; 2Д26.36-2 901-3-285.91 КЖ.И 43.0.0.0 Диафрагма жесткости 1ДП30.36-1; 1ДП30.36-2 901-3-285.91 КЖ.И 44.0.0.0 Диафрагма жесткости 2Д30.36-1; 2Д30.36-2 901-3-285.91 КЖ.И 45.0.0.0 Панель стеновая ПС60.12.2.0-2.л-34-А 901-3-285.91 КЖ.И 46.0.0.0 Панель стеновая ПС62.12.2.0-2.л-2.34-А; ПС62.12.2.0-2.л-2.34-Б 901-3-285.91 КЖ.И 50.0.0.0 Плита покрытия 1ПВ7-3АIVт-80фн-300п-А; 1ПВ7-3АIVт-80фн-300п-Б 901-3-285.91 КЖ.И 51.0.0.0 Плита покрытия 1ПГ-5АIVт-80фн-300п-А; 1ПГ-5АIVт-80фн-300п-Б 901-3-285.91 КЖ.И 52.0.0.0 Плита покрытия 1ПГ-2АIVт-80фн-300п-А; 1ПГ-2АIVт-80фн-300п-Б 901-3-285.91 КЖ.И 53.0.0.0 Плита ПРС56.15-10АIV-1...ПРС56.15-10АIV-5 901-3-285.91 КЖ.И 54.0.0.0 Плита покрытия 1ПВ7-6АIVт-80фн-300п-А 901-3-285.91 КЖ.И 55.0.0.0 Лоток ЛТ1 901-3-285.91 КЖ.И 55.1.0.0 Сетка арматурная С1 901-3-285.91 КЖ.И 55.2.0.0 Сетка арматурная С2 901-3-285.91 КЖ.И 55.3.0.0 Сетка арматурная С3 901-3-285.91 КЖ.И 69.0.0.0 Изделие закладное МН1 901-3-285.91 КЖ.И 56.0.0.0 Плита покрытия ПВ7-5АIVт-1 901-3-285.91 КЖ.И 57.0.0.0 Перемычка 5ПБ-30-37-п-1 901-3-285.91 КЖ.И 58.0.0.0 Перемычка 3ПБ-30-8-п-1 901-3-285.91 КЖ.И 59.0.0.0 Щит Щ3 901-3-285.91 КЖ.И 60.0.0.0 Плита покрытия ПГ-5АIVт-1 901-3-285.91 КЖ.И 61.0.0.0 Элемент соединительный МС2 901-3-285.91 КЖ.И 62.0.0.0 Элемент соединительный МС1, МС4 901-3-285.91 КЖ.И 63.0.0.0 Решетка Р1 901-3-285.91 КЖ.И 66.0.0.0 Элемент соединительный МС6 901-3-285.91 КЖ.И 64.0.0.0 Закладная деталь МН2 901-3-285.91 КЖ.И 65.0.0.0 Кр1 901-3-285.91 КЖ.И 67.0.0.0 Лоток металлический ЛМ1 901-3-285.91 КЖ.И 68.0.0.0 Водослив В-1 901-3-285.91 КЖ.И 73.0.0.0 Рамка металлическая РМ1 901-3-285.91 КЖ.И 74.0.0.0 Рамка металлическая РМ2 901-3-285.91 КЖ.И 75.0.0.0 Петля ПЛ1 901-3-285.91 КЖ.И 76.0.0.0 Элемент соединительный МС5 901-3-285.91 КЖ.И 90.0.0.0 Щит металлический Щ1 901-3-285.91 КЖ.И 70.0.0.0 Щит металлический Щ2 901-3-285.91 КЖ.И 71.0.0.0 Щит металлический Щ4 901-3-285.91 КЖ.И 72.0.0.0 Щит металлический Щ5 901-3-285.91 КЖ.И 80.0.0.0 Сетка арматурная С4 901-3-285.91 КЖ.И 81.0.0.0 Сетка арматурная С5 901-3-285.91 КЖ.И 82.0.0.0 Сетка арматурная С6 901-3-285.91 КЖ.И 83.0.0.0 Сетка арматурная С7 901-3-285.91 КЖ.И 84.0.0.0 Сетка арматурная С8 901-3-285.91 КЖ.И 85.0.0.0 Сетка арматурная С9 901-3-285.91 КЖ.И 86.0.0.0 Сетка арматурная С10 901-3-285.91 КЖ.И 87.0.0.0 Сетка арматурная С11 901-3-285.91 КЖ.И 88.0.0.0 Сетка арматурная С12 901-3-285.91 КЖ.И 89.0.0.0 Сетка арматурная С13 |
| Разработан: | ЦНИИЭП |
| Утверждён: | 29.07.1986 Госгражданстрой (Gosgrazhdanstroy 242) |
| Заменяет собой: |
|





















































