Скачать Типовой проект 503-1-25.84 Альбом I. Архитектурно-строительные решения. Конструкции железобетонные. Отопление и вентиляция. Электрооборудование. Автоматизация санитарно-технических системДата актуализации: 01.01.2021
|
| Обозначение: | Типовой проект 503-1-25.84 |
| Обозначение англ: | 503-1-25.84 |
| Статус: | не определен законодательством |
| Название рус.: | Альбом I. Архитектурно-строительные решения. Конструкции железобетонные. Отопление и вентиляция. Электрооборудование. Автоматизация санитарно-технических систем |
| Дата добавления в базу: | 01.10.2014 |
| Дата актуализации: | 01.01.2021 |
| Дата введения: | 24.07.1984 |
| Дата окончания срока действия: | 30.06.2003 |
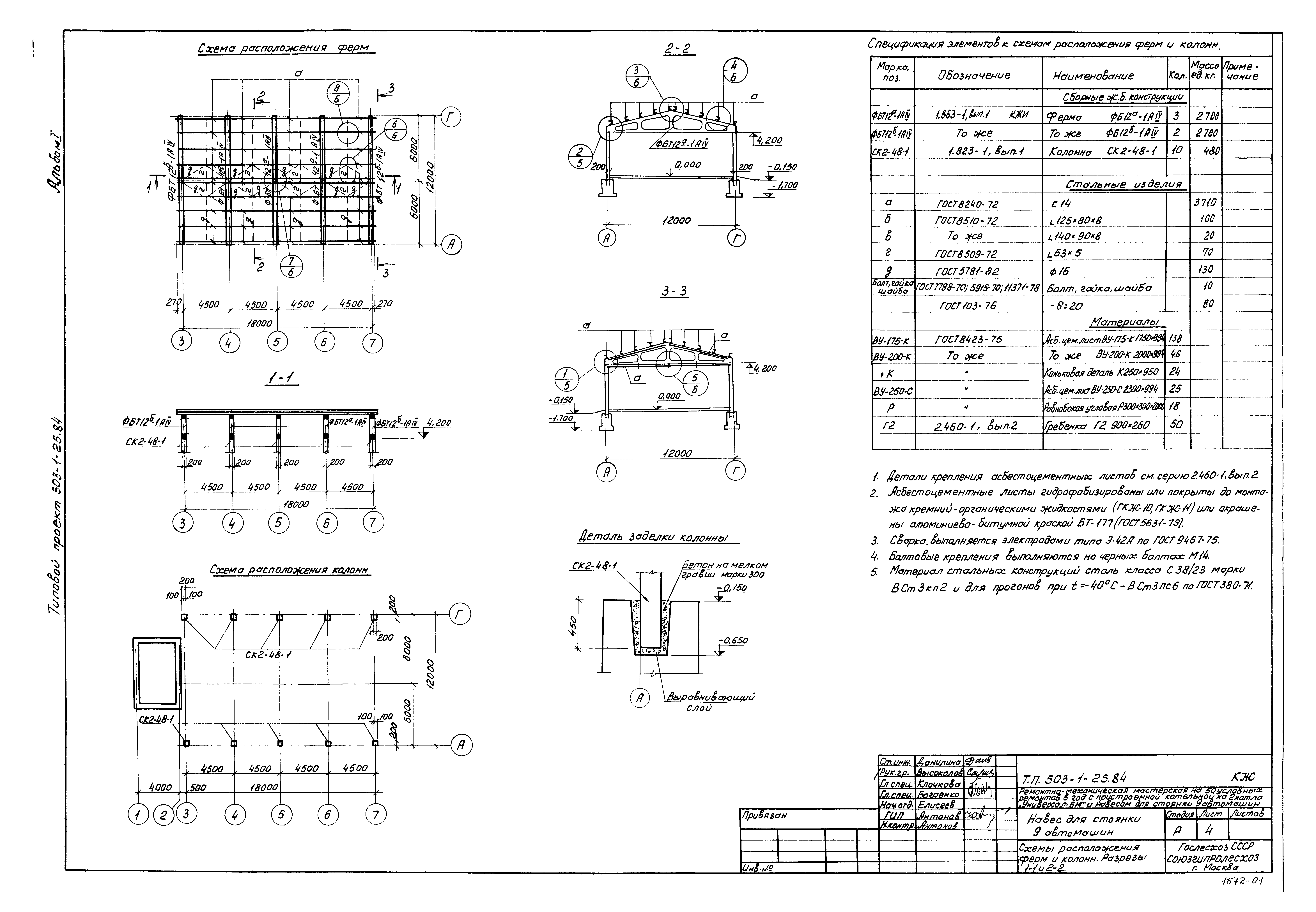
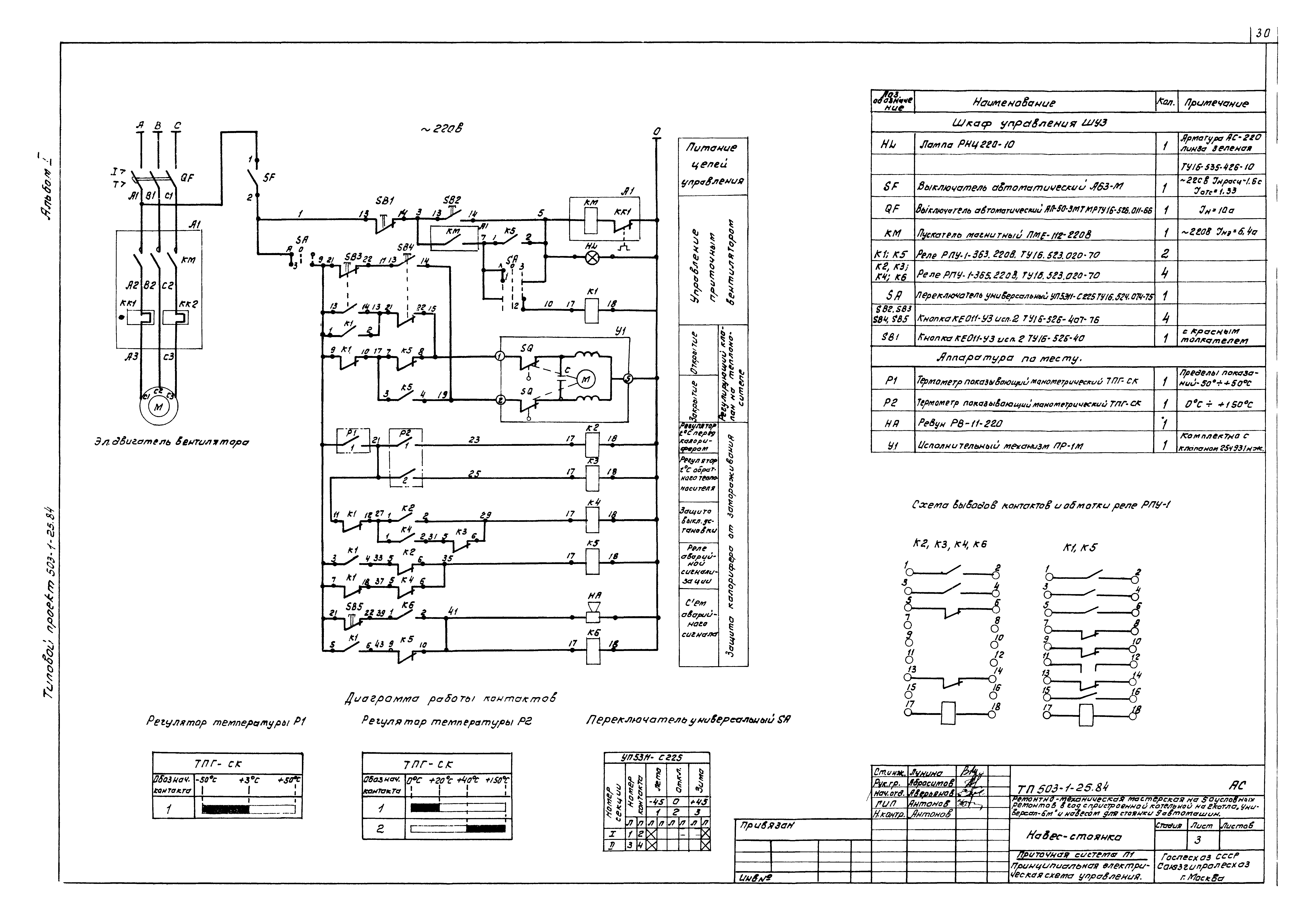
| Оглавление: | Содержание альбома Архитектурно-строительные решения Общие данные План на отм. 0.000 Разрезы 1-1, 2-2, 3-3 Фасады План полов и кровли. Экспликация полов Конструкции железобетонные Общие данные Схема расположения элементов фундаментов. Фундаменты Фм1, ФОм1, ФОм2. Сечения 1-1 - 7-7 Схема расположения элементов фундаментов (вариант из сборных блоков) и плит покрытия Схема расположения ферм и колонн. Разрезы 1-1 - 2-2 Узлы 1 и 2 Узлы 3 - 8. Схема раскладки асбестоцементных листов покрытия Калориферная К-1 Канал для подогрева автомашин. План. Разрезы 1-1, 2-2. Узел 1 Схемы расположения лотков и плит перекрытия канала Фермы ФБТ12а-1АIV; ФБТ12б-1АIV. Плита ПИ-1. Закладные изделия МС1 - МС3, МН1 Отопление и вентиляция Общие данные Отопление, вентиляция и теплоснабжение Установка системы П-1 Подключение автомобиля к системе воздухоподогрева. Общий вид Воздухосборники горизонтальный и вертикальный Электрооборудование Общие данные Электрооборудование. План на отм. 0.000 Ведомости электрооборудования кабельных изделий и материалов, поставляемых заказчиком, подрядчиком и электромонтажной организацией Автоматизация санитарно-технических систем Общие данные Приточная система П1. Функциональная схема Приточная система П1. Принципиальная электрическая схема управления Приточная система П1. Схема внешних соединений. План размещения электрооборудования |
| Разработан: | Союзгипролесхоз |
| Утверждён: | 08.10.1980 Гослесхоз СССР (USSR Gosleskhoz 84) |































