Скачать Типовой проект 902-2-478.89 Альбом 3. Варианты решений для усреднителей агрессивных сточных вод. Конструкции железобетонные. Антикоррозийная защита. Организация строительстваДата актуализации: 01.01.2021
|
| Обозначение: | Типовой проект 902-2-478.89 |
| Обозначение англ: | 902-2-478.89 |
| Статус: | не определен законодательством |
| Название рус.: | Альбом 3. Варианты решений для усреднителей агрессивных сточных вод. Конструкции железобетонные. Антикоррозийная защита. Организация строительства |
| Дата добавления в базу: | 01.10.2014 |
| Дата актуализации: | 01.01.2021 |
| Дата введения: | 28.09.1989 |
| Дата окончания срока действия: | 30.06.2003 |
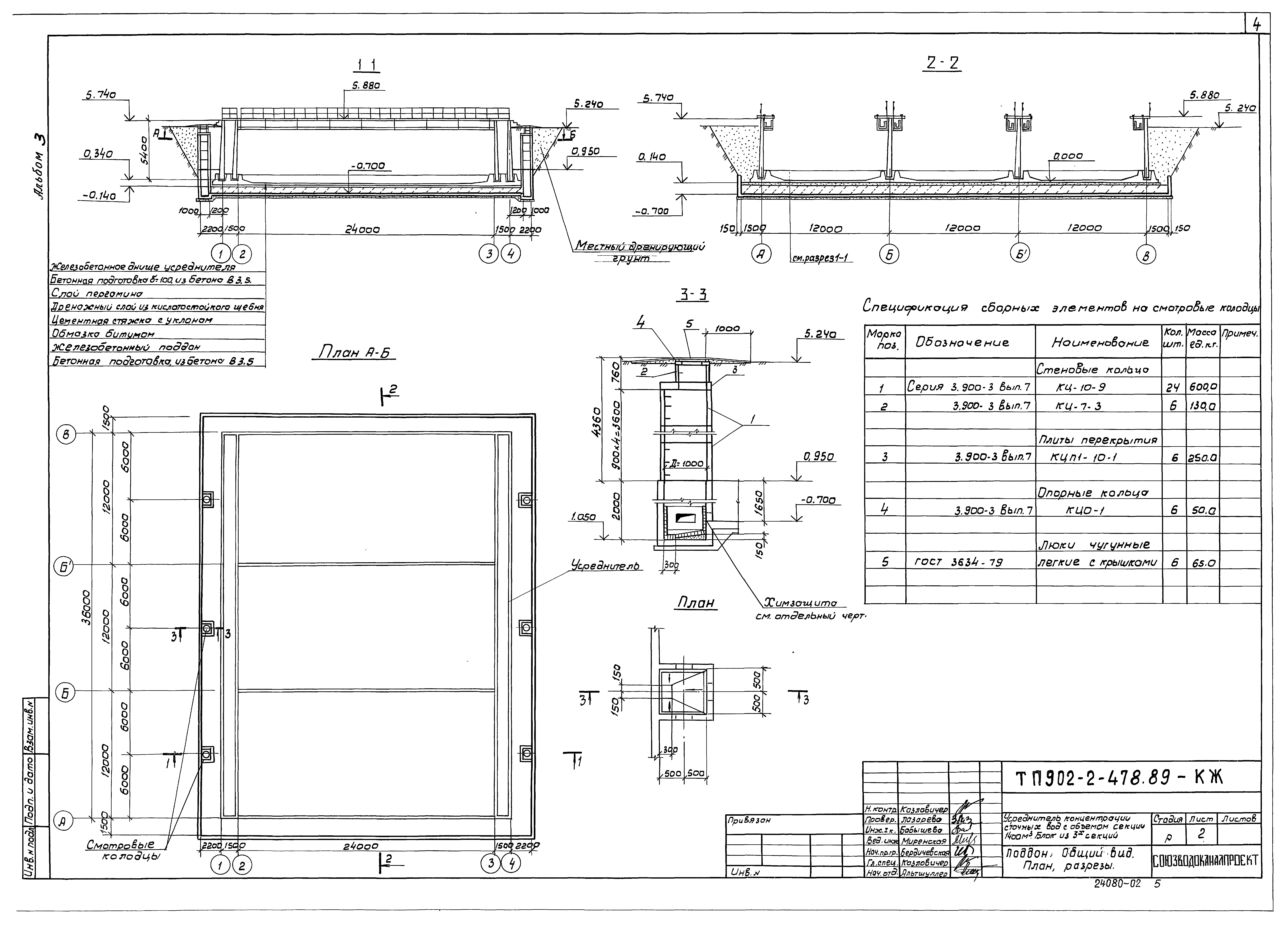
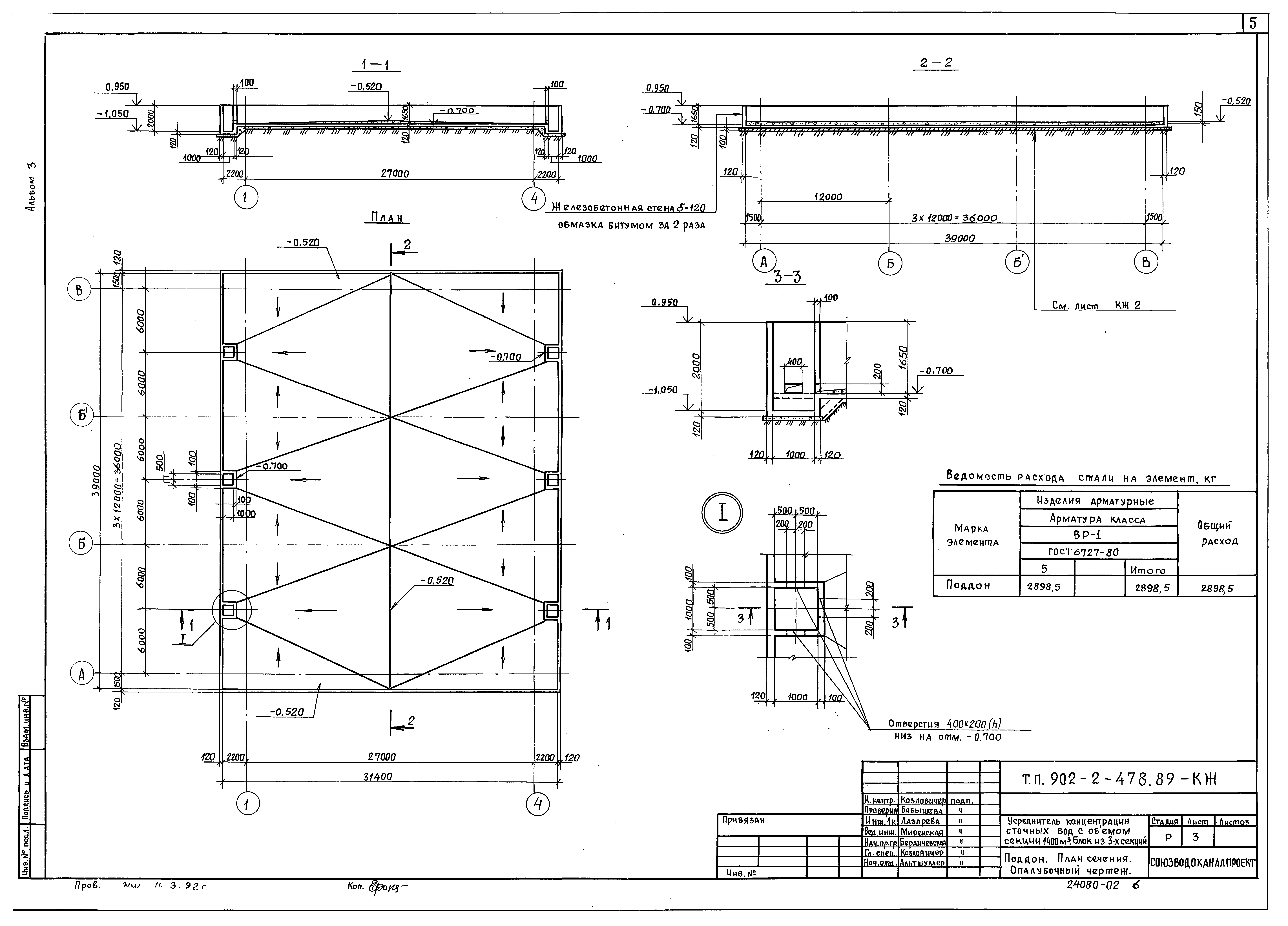
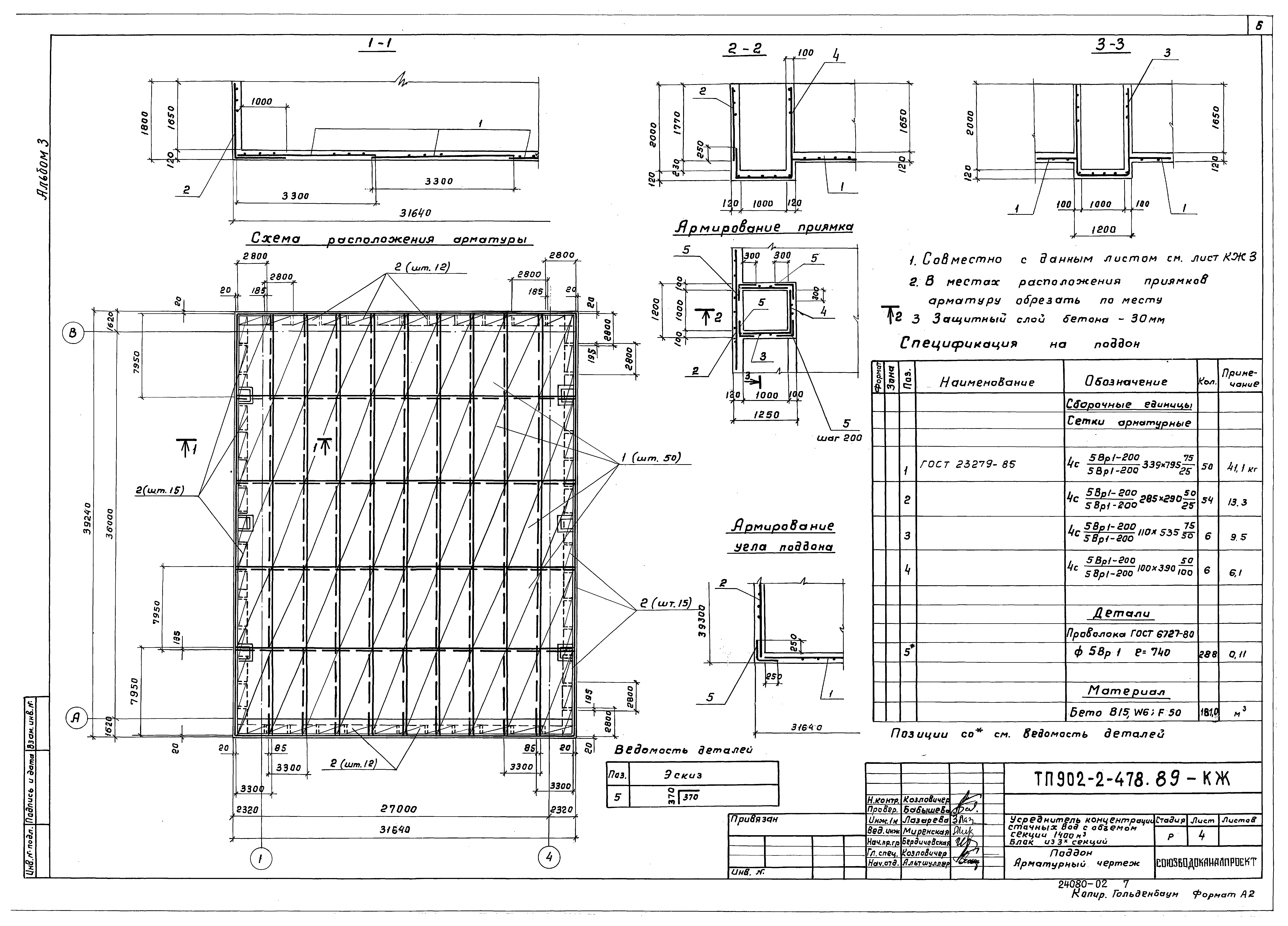
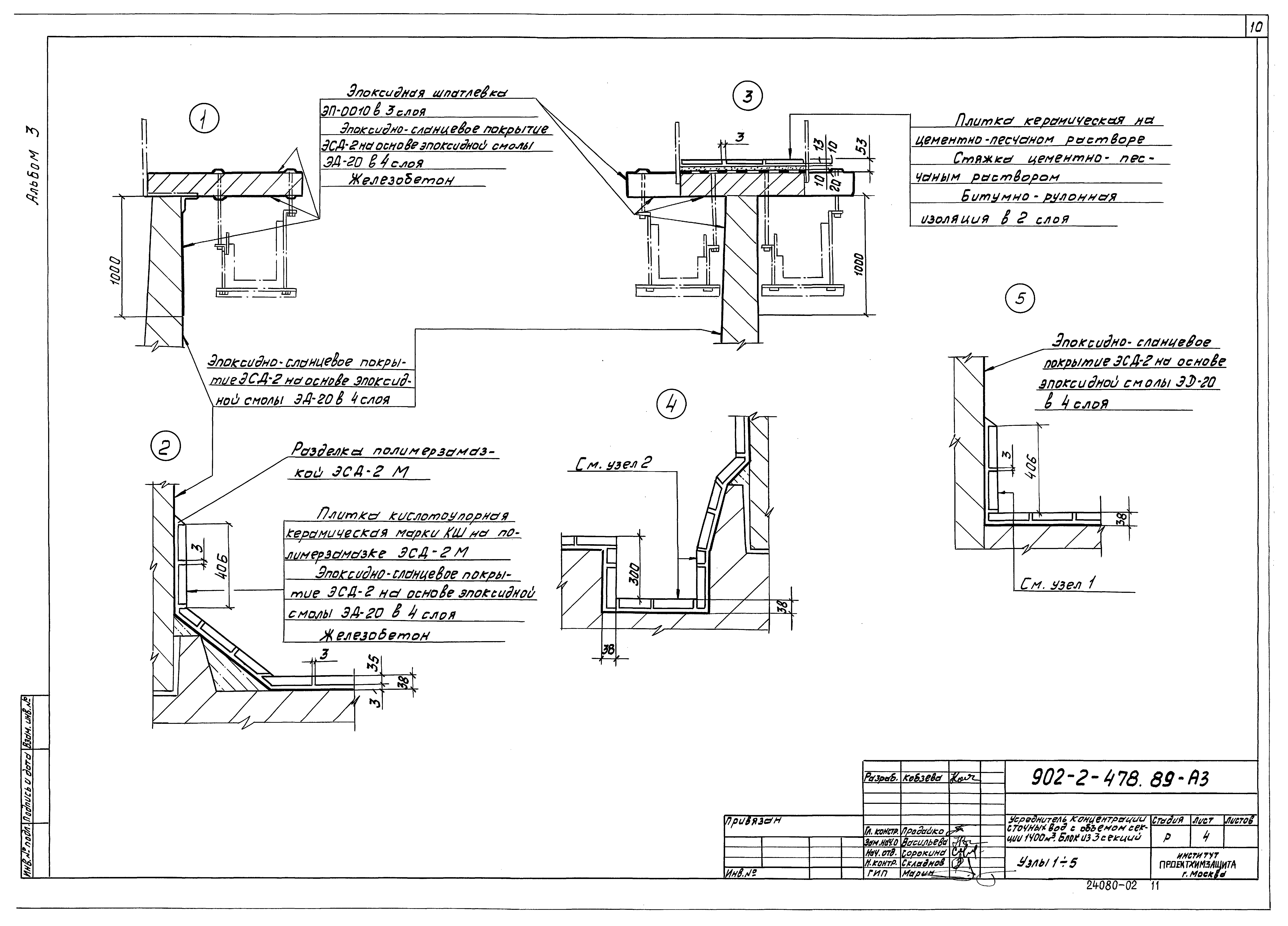
| Оглавление: | Содержание альбома Чертежи основного комплекта марки КЖ Общие данные Поддон. Общий вид. План, разрезы Поддон. Опалубочный чертеж Поддон. Арматурный чертеж Чертежи основного комплекта марки АЗ Общие данные План. Сечения 1-1, 2-2, 3-3 Узлы 1 - 5 Сечения 4-4, 5-5. Узлы 6, 7. Узел опоры под трубопровод Чертежи основного комплекта марки АЗ Общие данные. Стройгенплан График производства основных строительных и монтажных работ |
| Разработан: | Союзводоканалниипроект |
| Утверждён: | 28.09.1989 СоюзводоканалНИИпроект (SoyuzvodokanalNIIproject 86) |
| Заменяет собой: |
|













