Скачать Типовой проект 902-5-22.86 Альбом II. Электротехнические решения, автоматизация, технологический контрольДата актуализации: 01.01.2021
|
| Обозначение: | Типовой проект 902-5-22.86 |
| Обозначение англ: | 902-5-22.86 |
| Статус: | не определен законодательством |
| Название рус.: | Альбом II. Электротехнические решения, автоматизация, технологический контроль |
| Дата добавления в базу: | 01.10.2014 |
| Дата актуализации: | 01.01.2021 |
| Дата введения: | 12.03.1986 |
| Дата окончания срока действия: | 30.06.2003 |
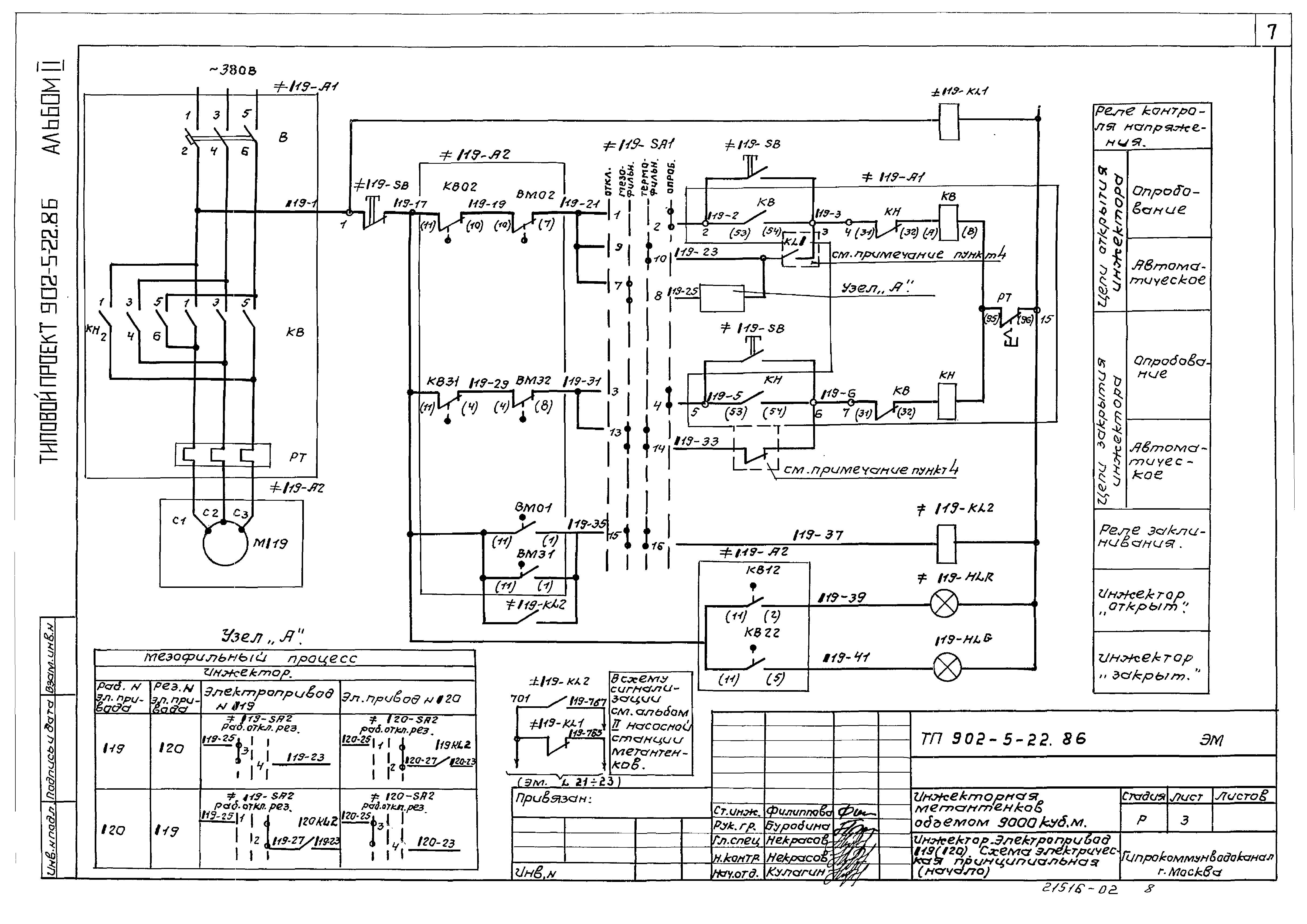
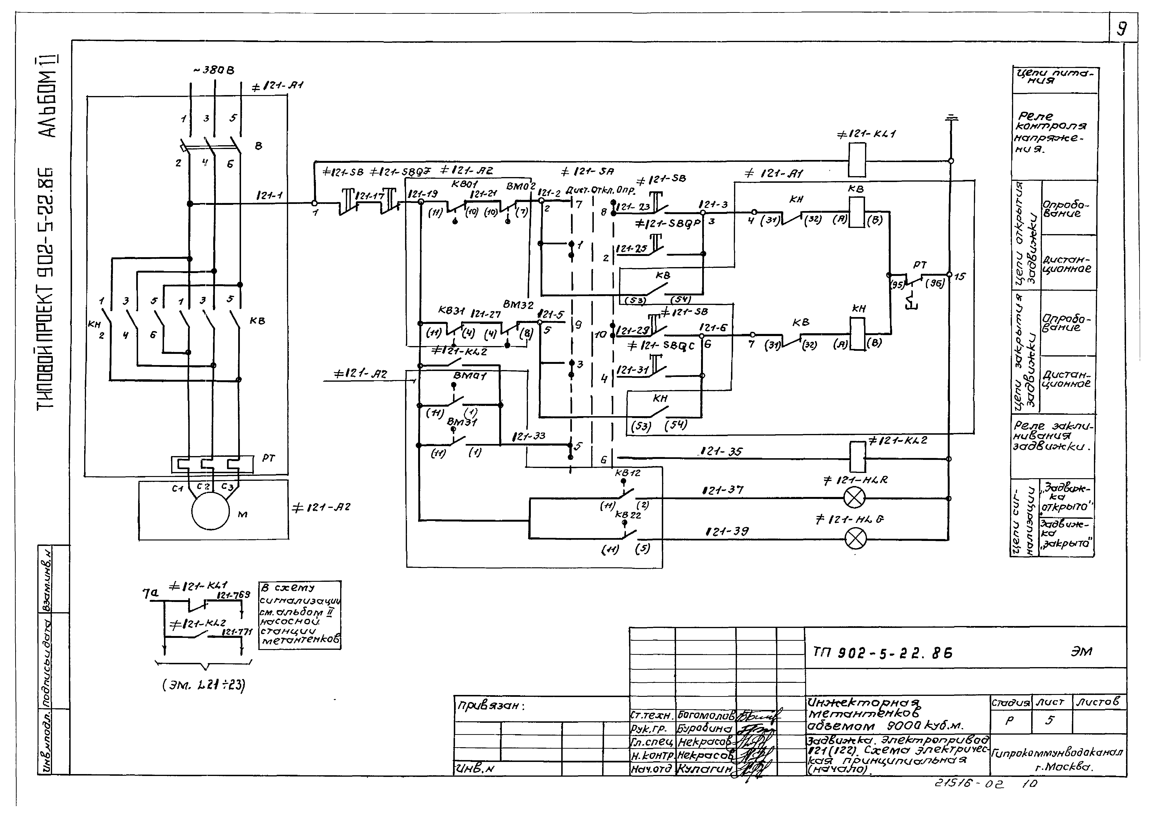
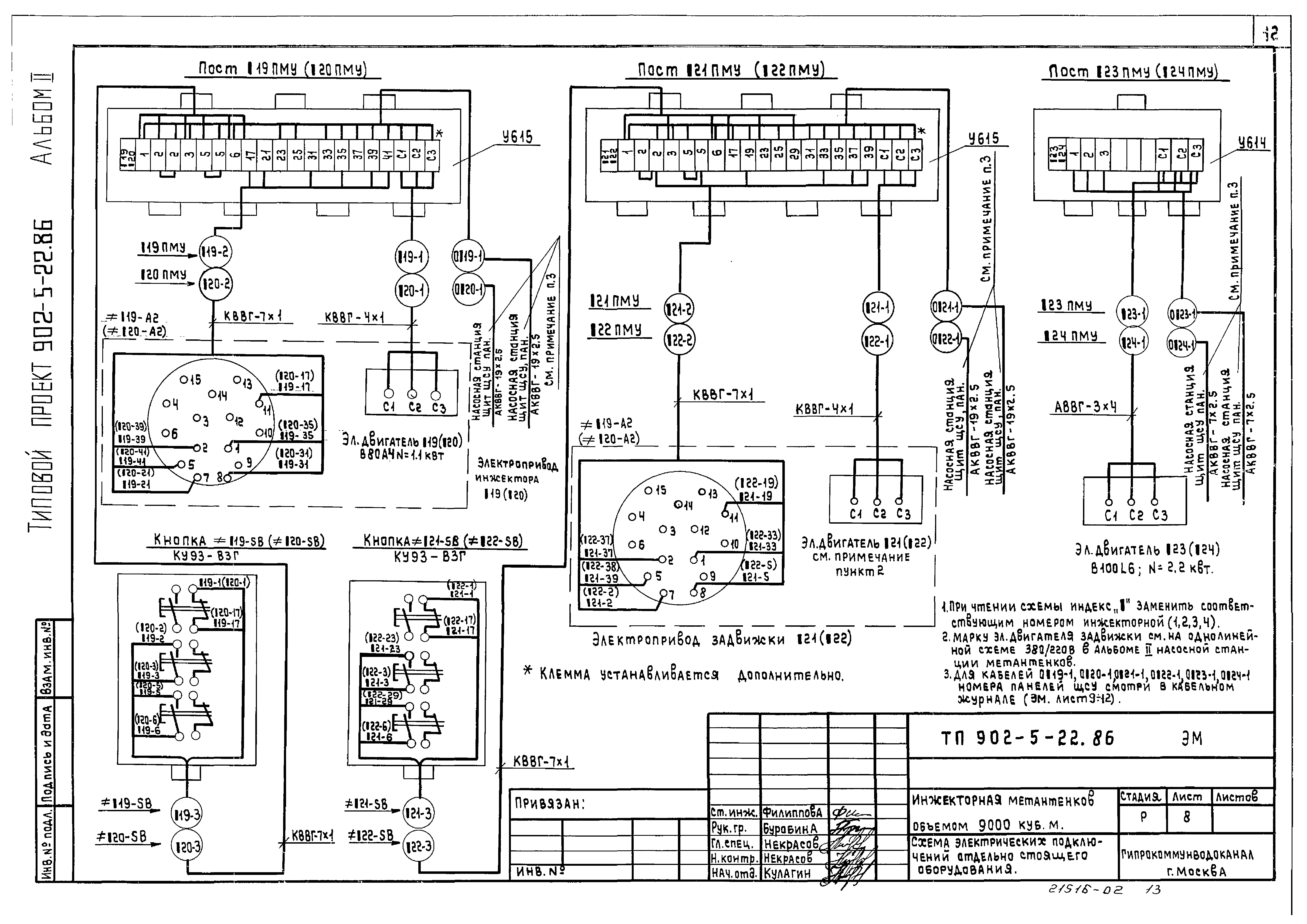
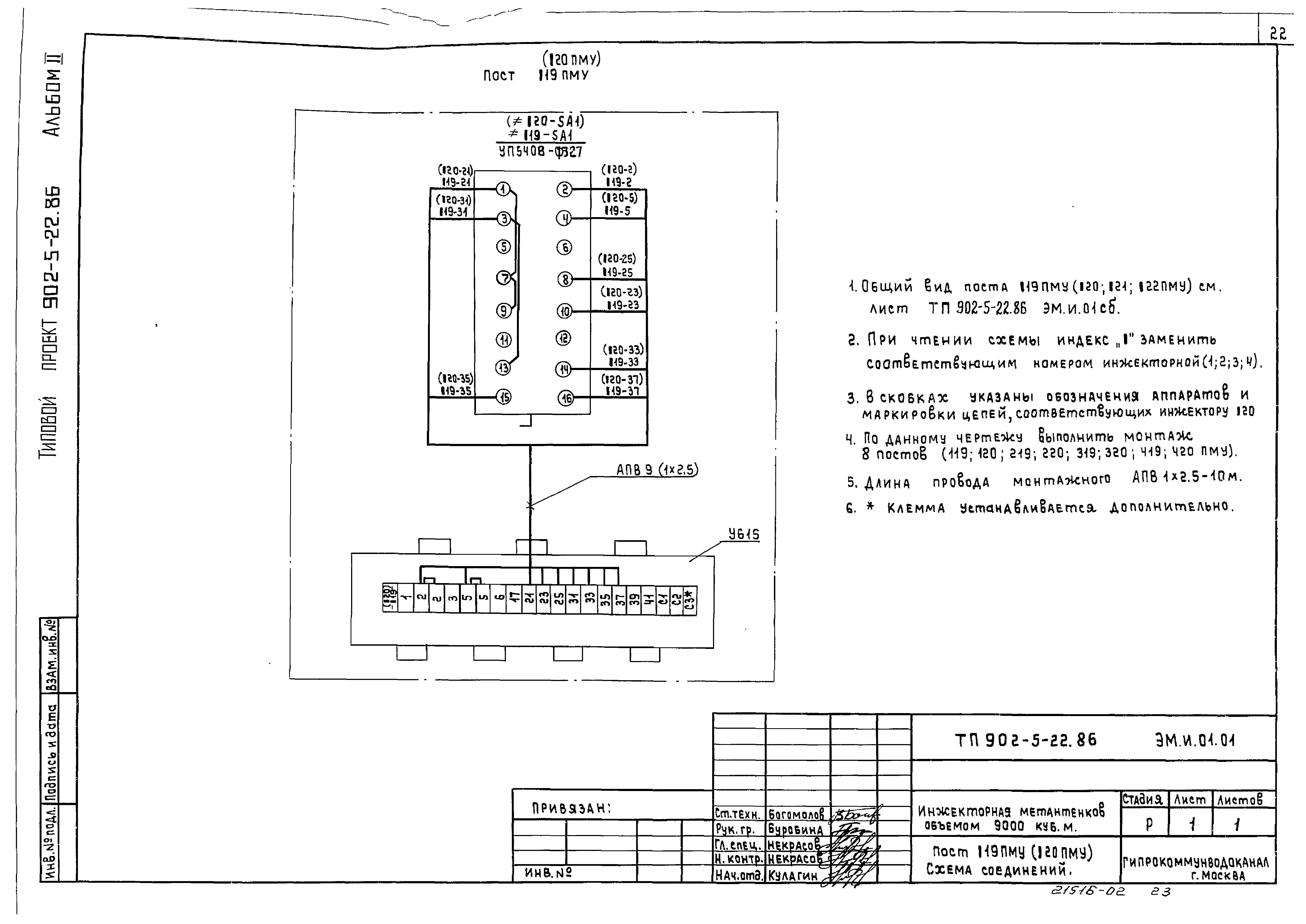
| Оглавление: | Содержание альбома Пояснительная записка Чертежи основного комплекта марки ЭМ Общие данные Инжектор. Электропривод /19 (/20). Схема электрическая принципиальная Задвижка. Электропривод /21 (/22). Схема электрическая принципиальная Вентилятор. Электропривод /23 (/24). Схема электрическая принципиальная Схема электрических подключений отдельно стоящего оборудования Кабельный журнал. Сводка кабелей и проводов Расположения электрооборудования и прокладка кабелей Прокладка магистралей зануления Электроосвещение. План Прилагаемые документы основного комплекта марки ЭМ Пост /19ПМУ (/20; /21; /22ПМУ). Общий вид Пост /19ПМУ (/20ПМУ). Схема соединений Пост /21ПМУ (/22ПМУ). Схема соединений Пост /23ПМУ (/24ПМУ). Общий вид Пост /23ПМУ (/24ПМУ). Схема соединений Ведомость объемов электромонтажных и строительных работ; ведомость конструкций и деталей, подлежащих изготовлению в МЭЗ; ведомость изделий и материалов для изготовления конструкций и деталей в МЭЗ Чертежи основного комплекта марки АВК Общие данные Схема функциональная Схема внешних электрических и трубных проводок План расположения средств автоматизации и проводок |
| Разработан: | Гипрокоммунводоканал Минжилкомхоза РСФСР |
| Утверждён: | 04.03.1986 МЖКХ РСФСР (111) |






























