Скачать Типовой проект 902-5-32.86 Альбом 1. Газоснабжение. Архитектурно-строительные, санитарно-технические решенияДата актуализации: 01.01.2021
|
| Обозначение: | Типовой проект 902-5-32.86 |
| Обозначение англ: | 902-5-32.86 |
| Статус: | не определен законодательством |
| Название рус.: | Альбом 1. Газоснабжение. Архитектурно-строительные, санитарно-технические решения |
| Дата добавления в базу: | 01.10.2014 |
| Дата актуализации: | 01.01.2021 |
| Дата введения: | 24.03.1986 |
| Дата окончания срока действия: | 30.06.2003 |
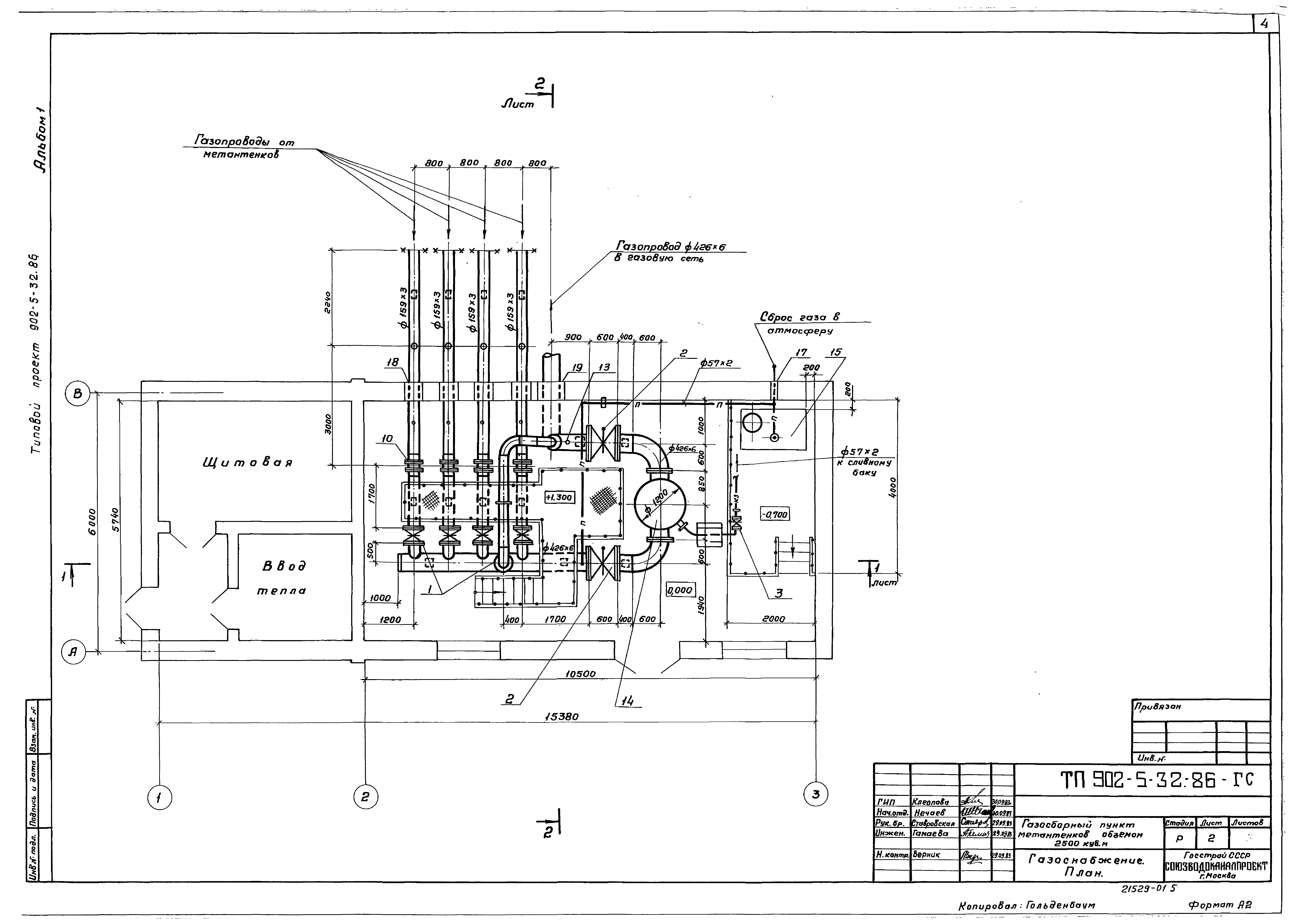
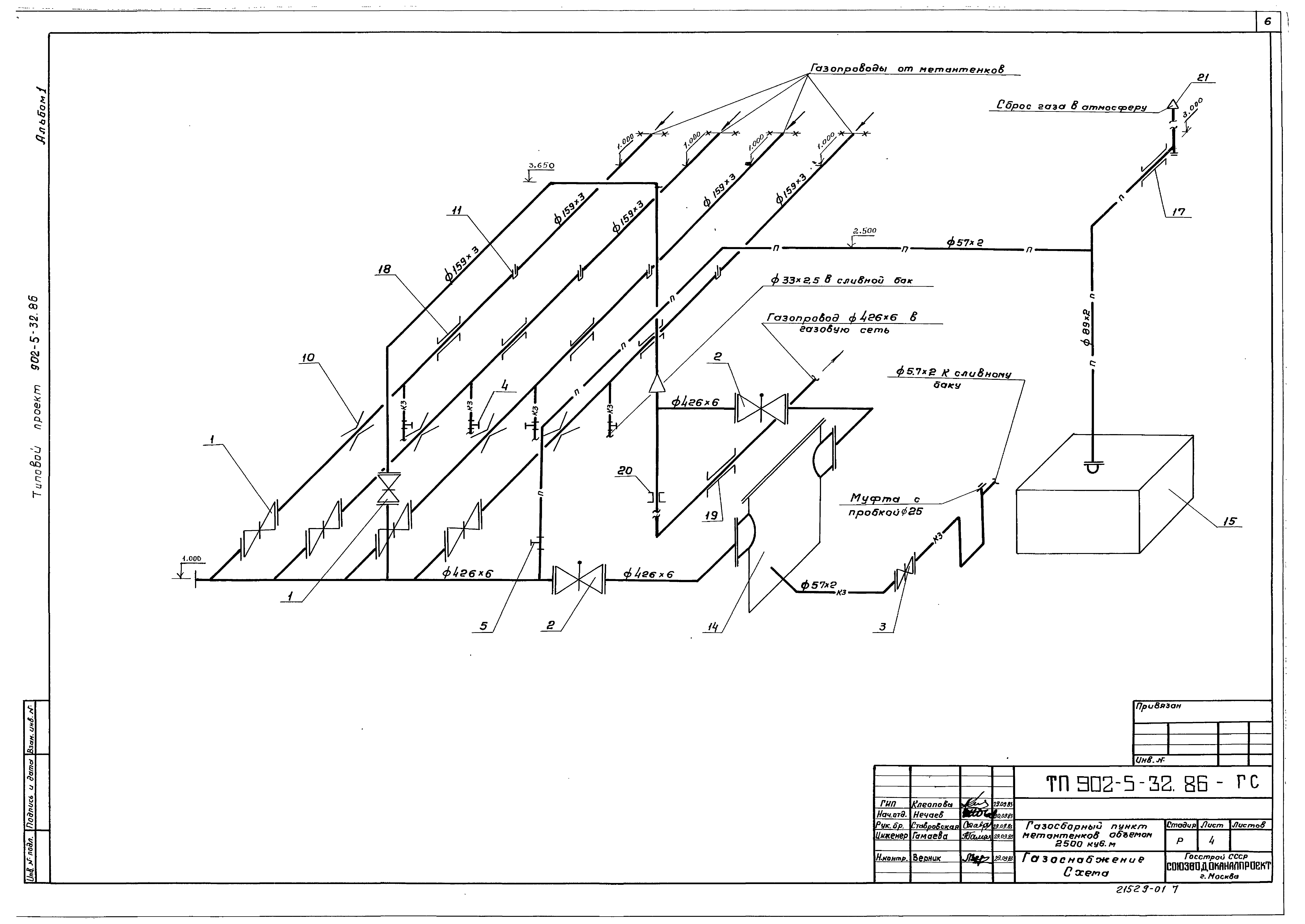
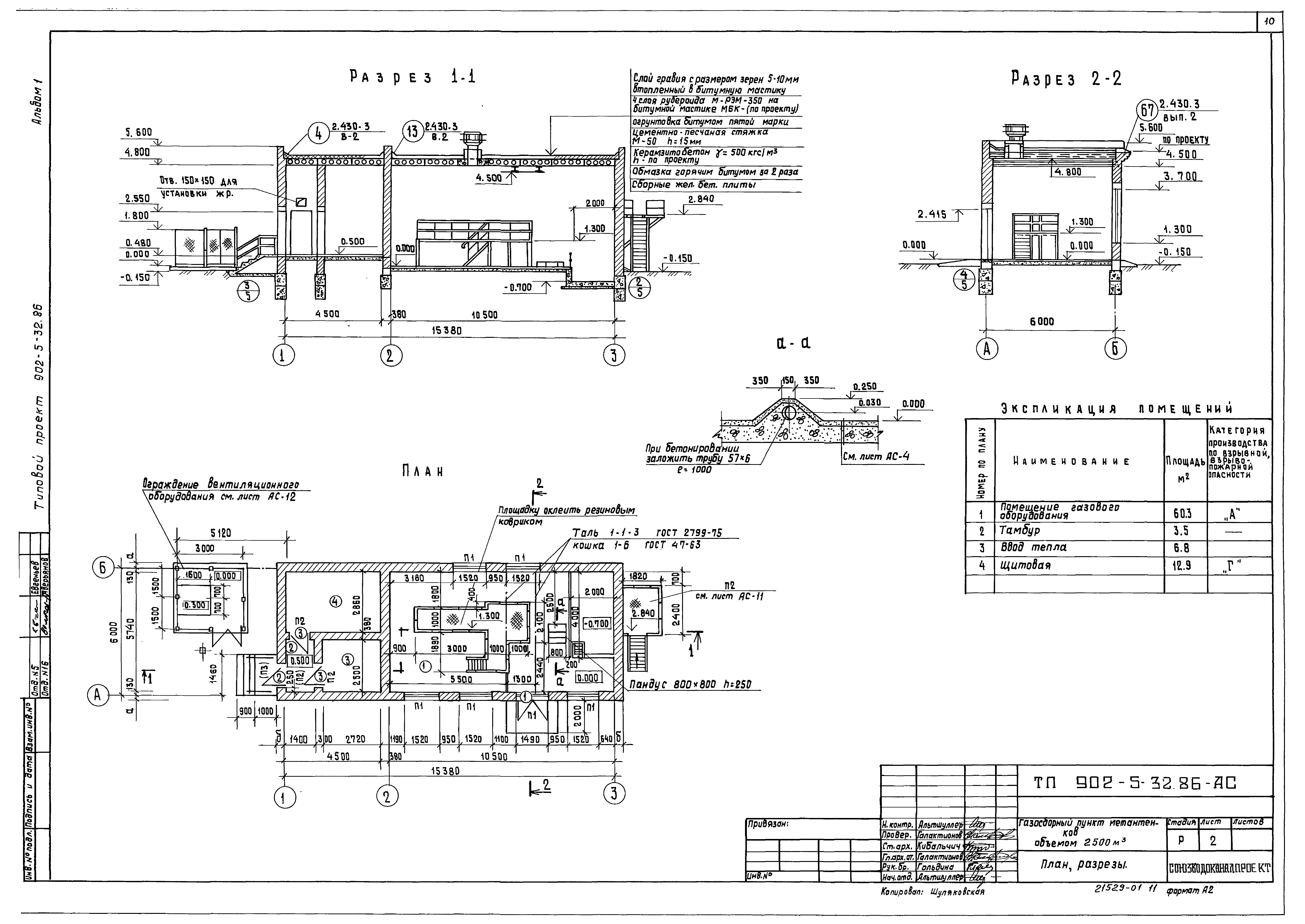
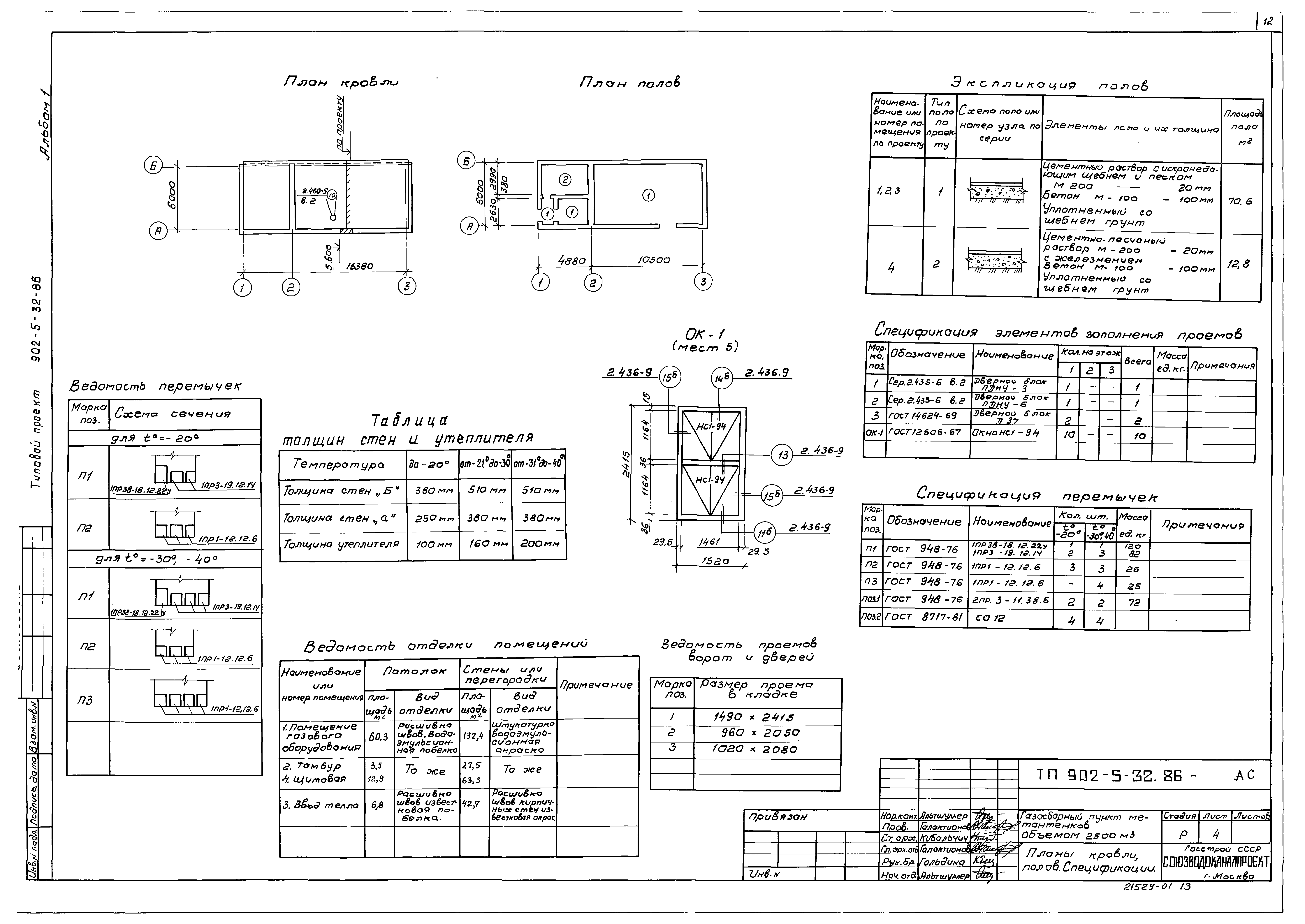
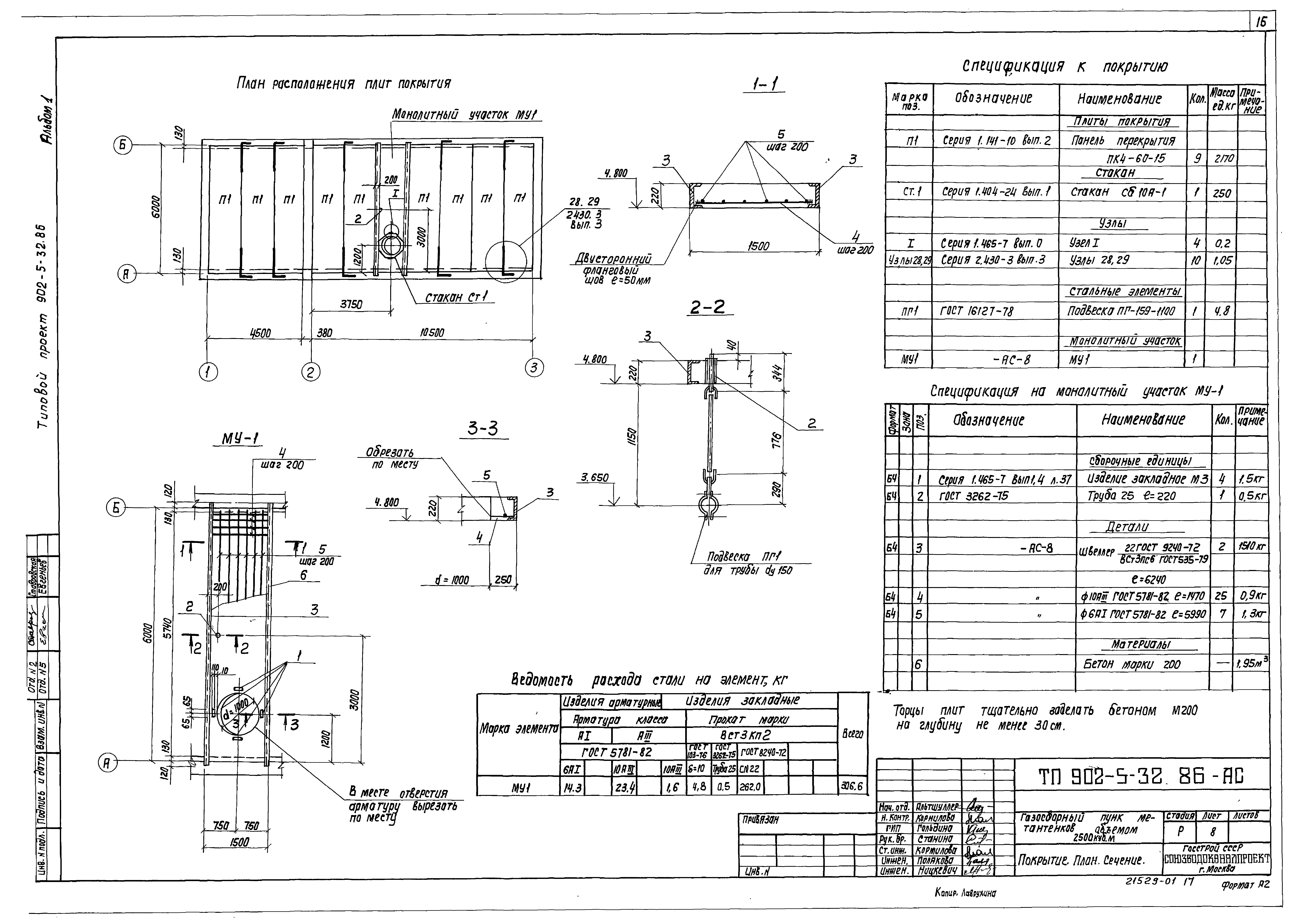
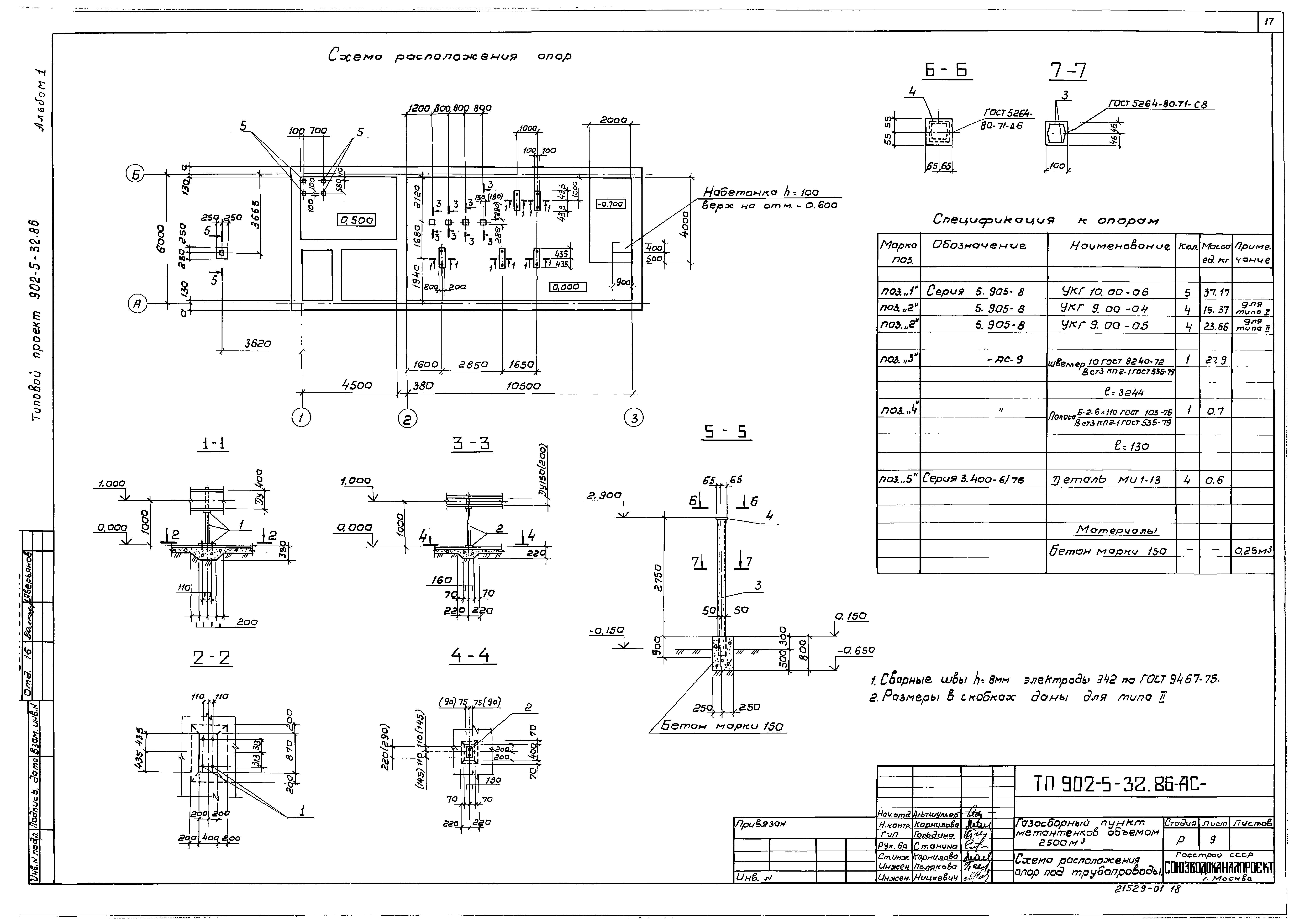
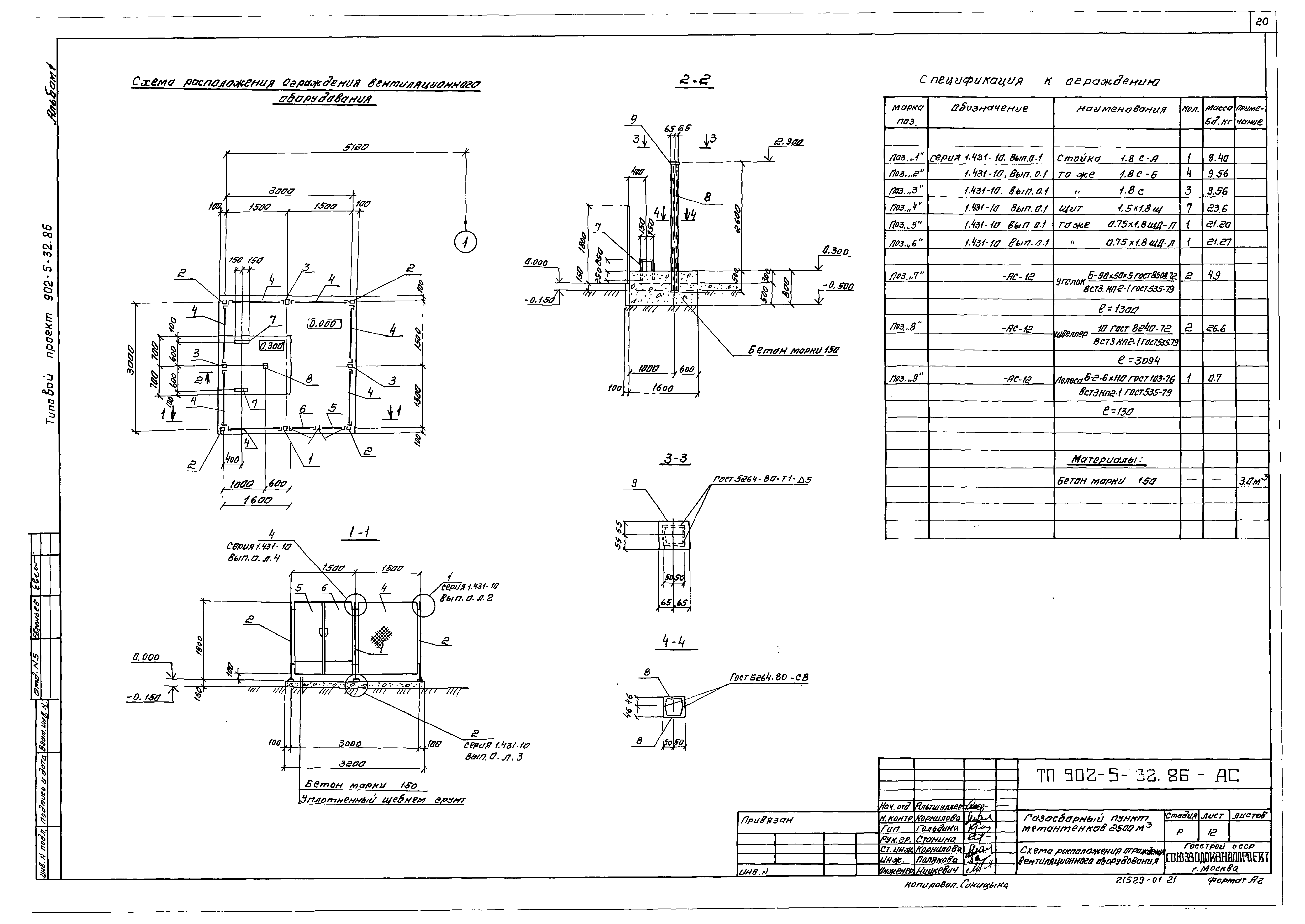
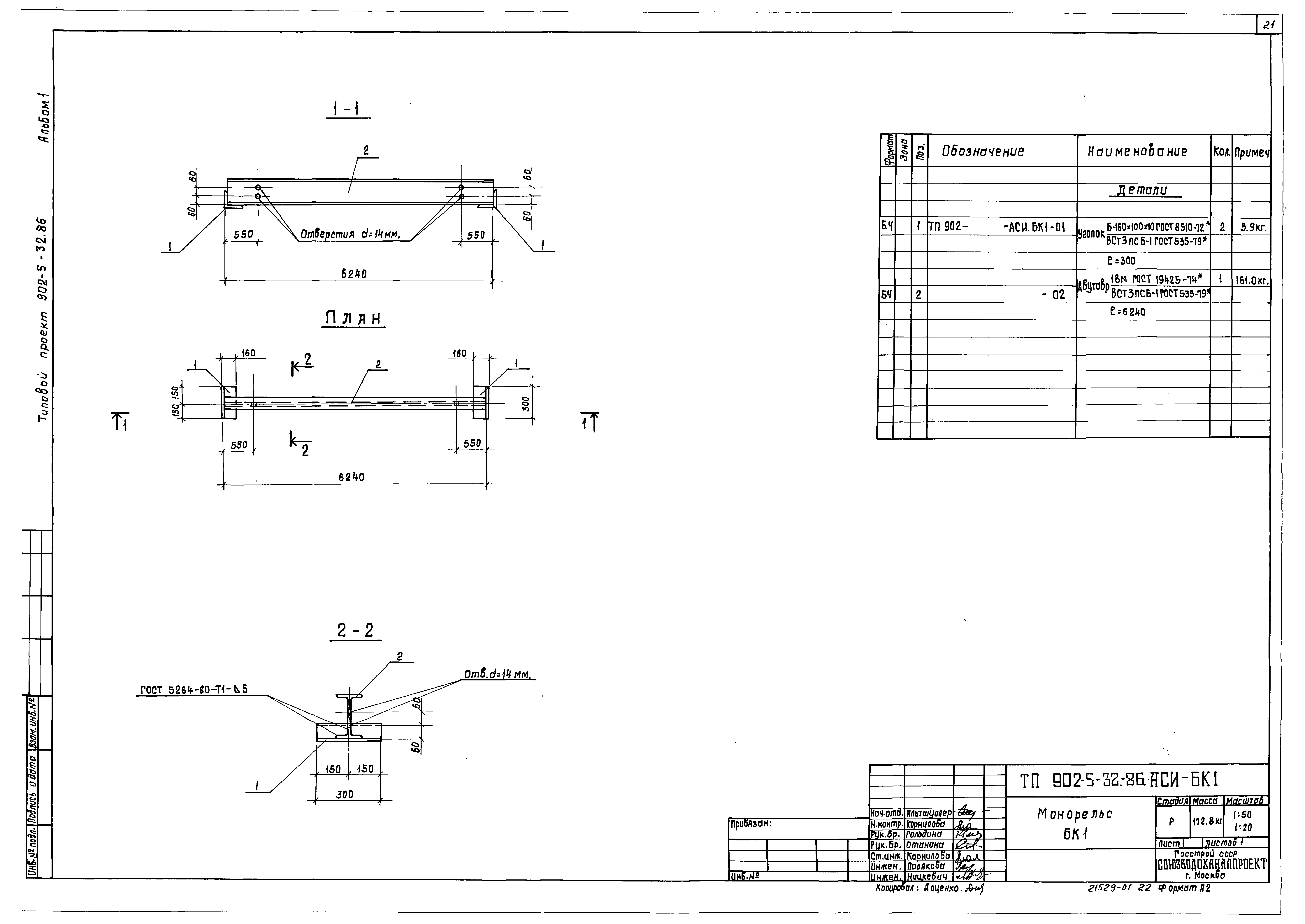
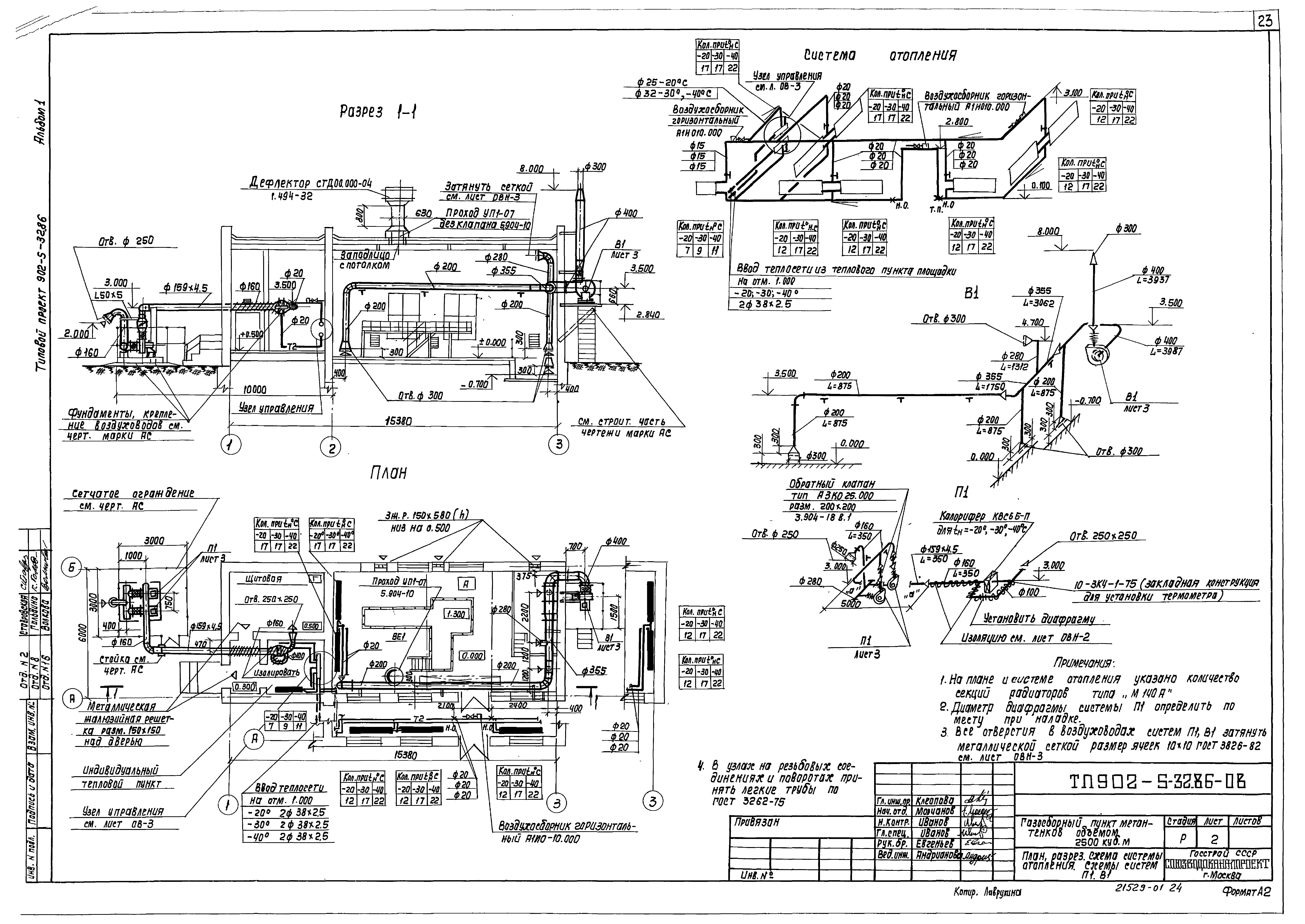
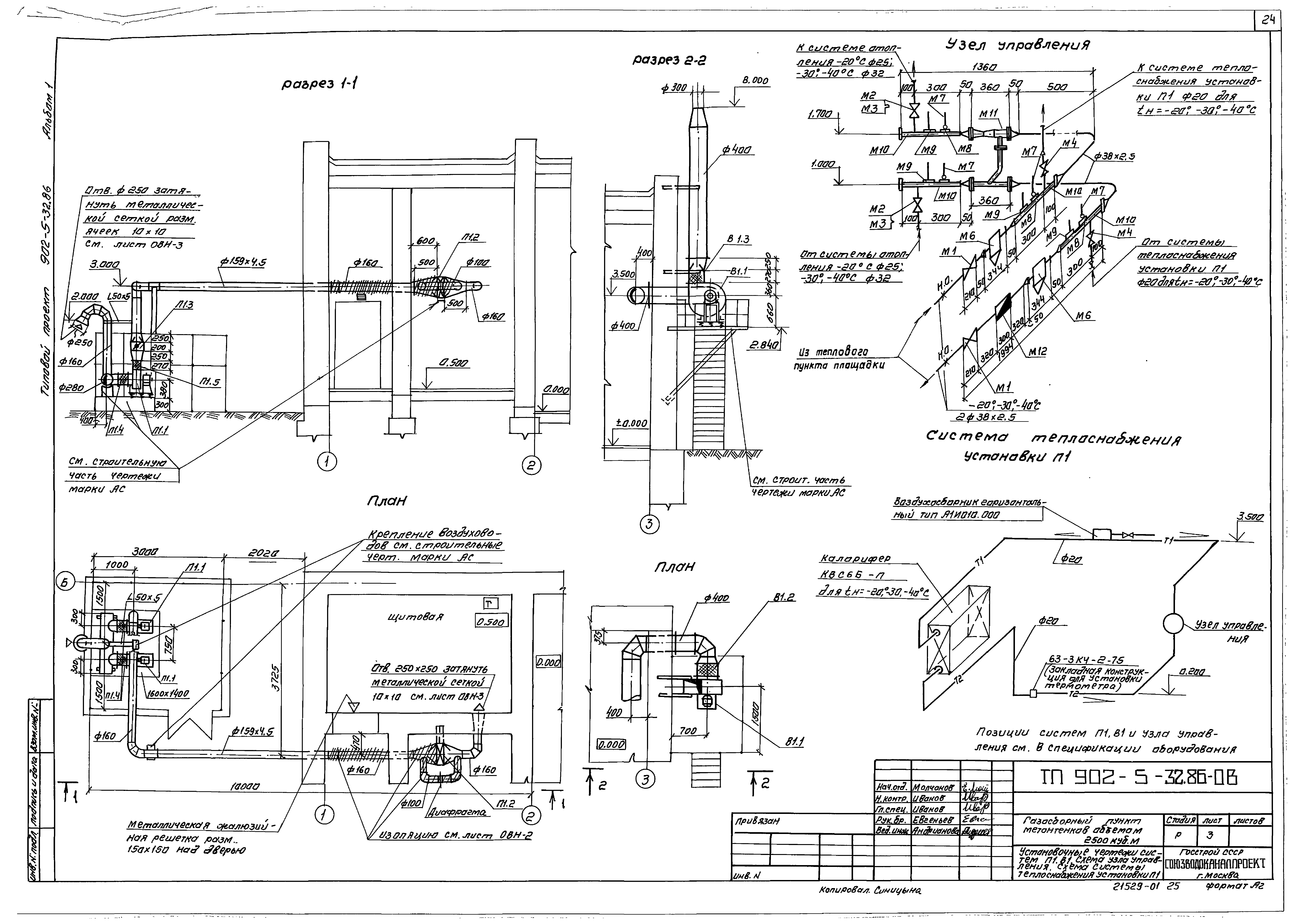
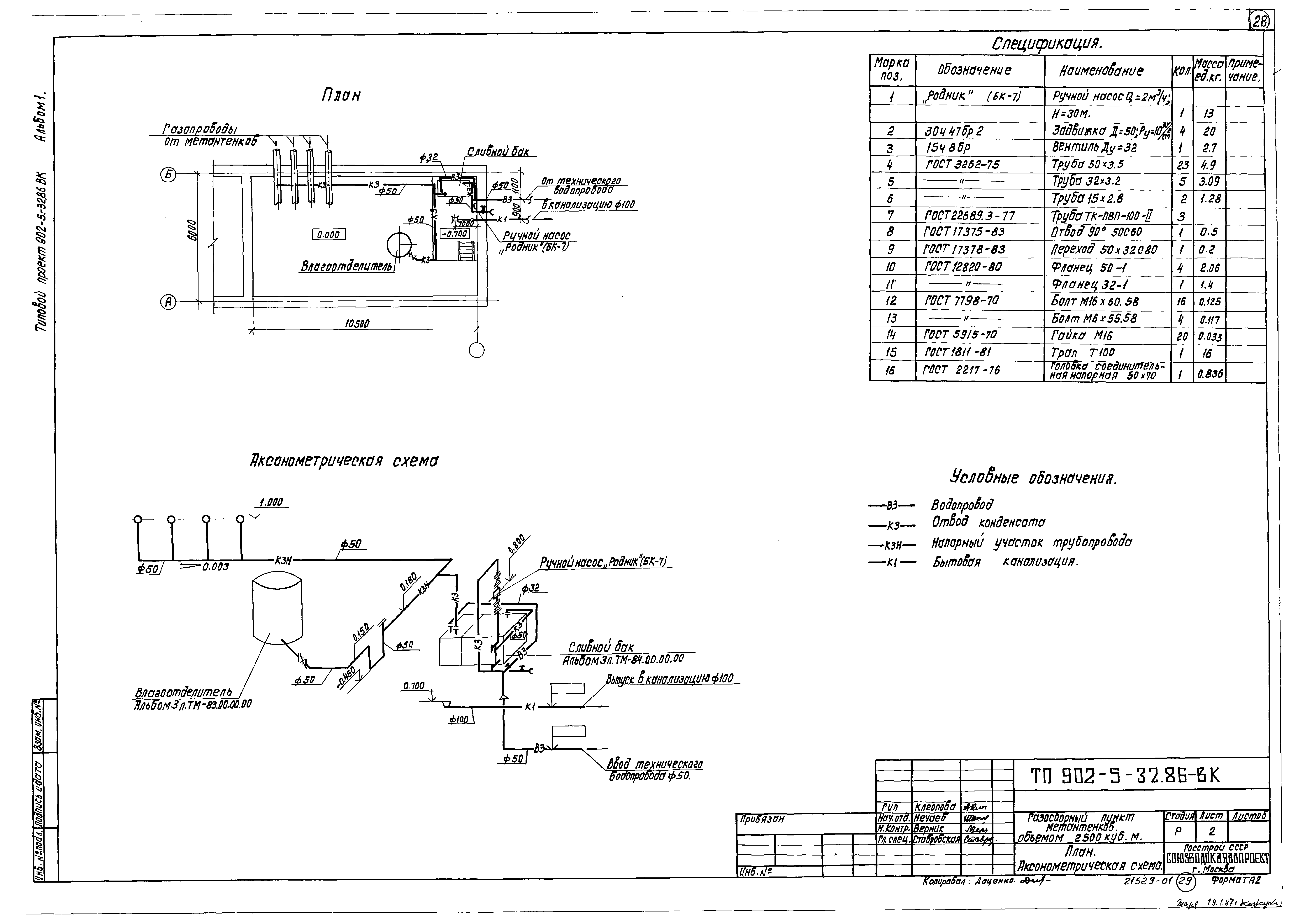
| Оглавление: | Газоснабжение Общие данные План Разрезы 1-1 и 2-2 Схема Спецификация Детали прохода газопроводов через стену, фундамент и пол Архитектурно-строительные решения Общие данные План. Разрезы Фасады Планы кровли, полов. Спецификации Узлы Схема расположения фундаментов Схема расположения отверстий и закладных элементов в стенах. Схема расположения монорельсов Покрытие. План. Сечение Схема расположения опор под трубопроводы Схема расположения площадок П1, П2. Площадка П1 Площадка П2. Сечения 7-7, 13-13 Схема расположения ограждения вентиляционного оборудования Монорельс БК1 Отопление и вентиляция Общие данные План, разрез, схема системы отопления, схемы систем П1, В1 Установочные чертежи систем П1, В1. Схема узла управления. Схема системы теплоснабжения установки П1 Общие виды нетиповых конструкций Спецификация отопительно-вентиляционных установок П1, В1 и узла управления Внутренний водопровод и канализация Общие данные План. Аксонометрическая схема |
| Разработан: | Союзводоканалпроект |
| Утверждён: | 04.03.1986 МЖКХ РСФСР (111) |




























