Скачать Типовой проект 902-5-32.86 Альбом 2. Электротехнические решения. Автоматизация и технологический контрольДата актуализации: 01.01.2021
|
| Обозначение: | Типовой проект 902-5-32.86 |
| Обозначение англ: | 902-5-32.86 |
| Статус: | не определен законодательством |
| Название рус.: | Альбом 2. Электротехнические решения. Автоматизация и технологический контроль |
| Дата добавления в базу: | 01.10.2014 |
| Дата актуализации: | 01.01.2021 |
| Дата введения: | 24.03.1986 |
| Дата окончания срока действия: | 30.06.2003 |
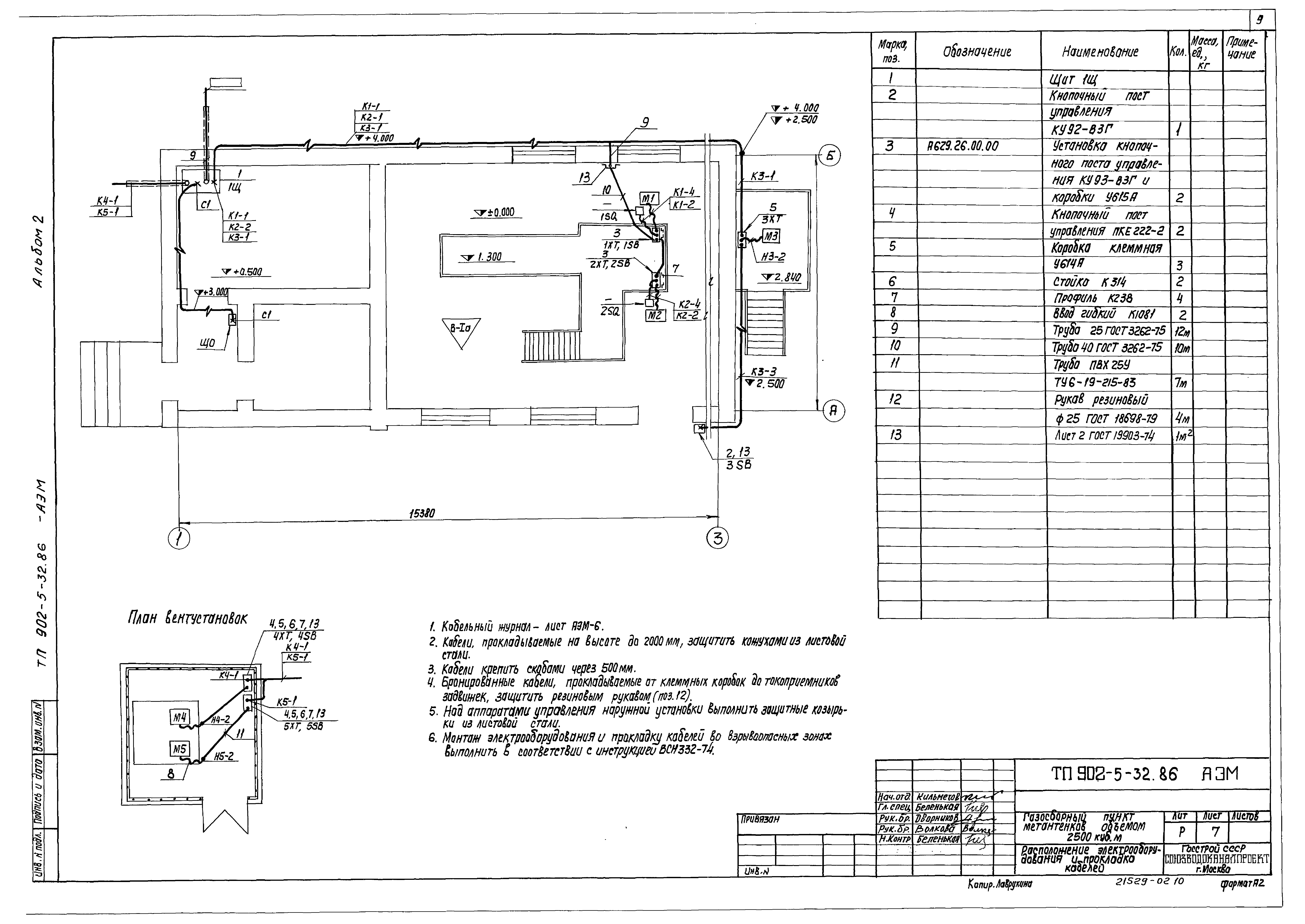
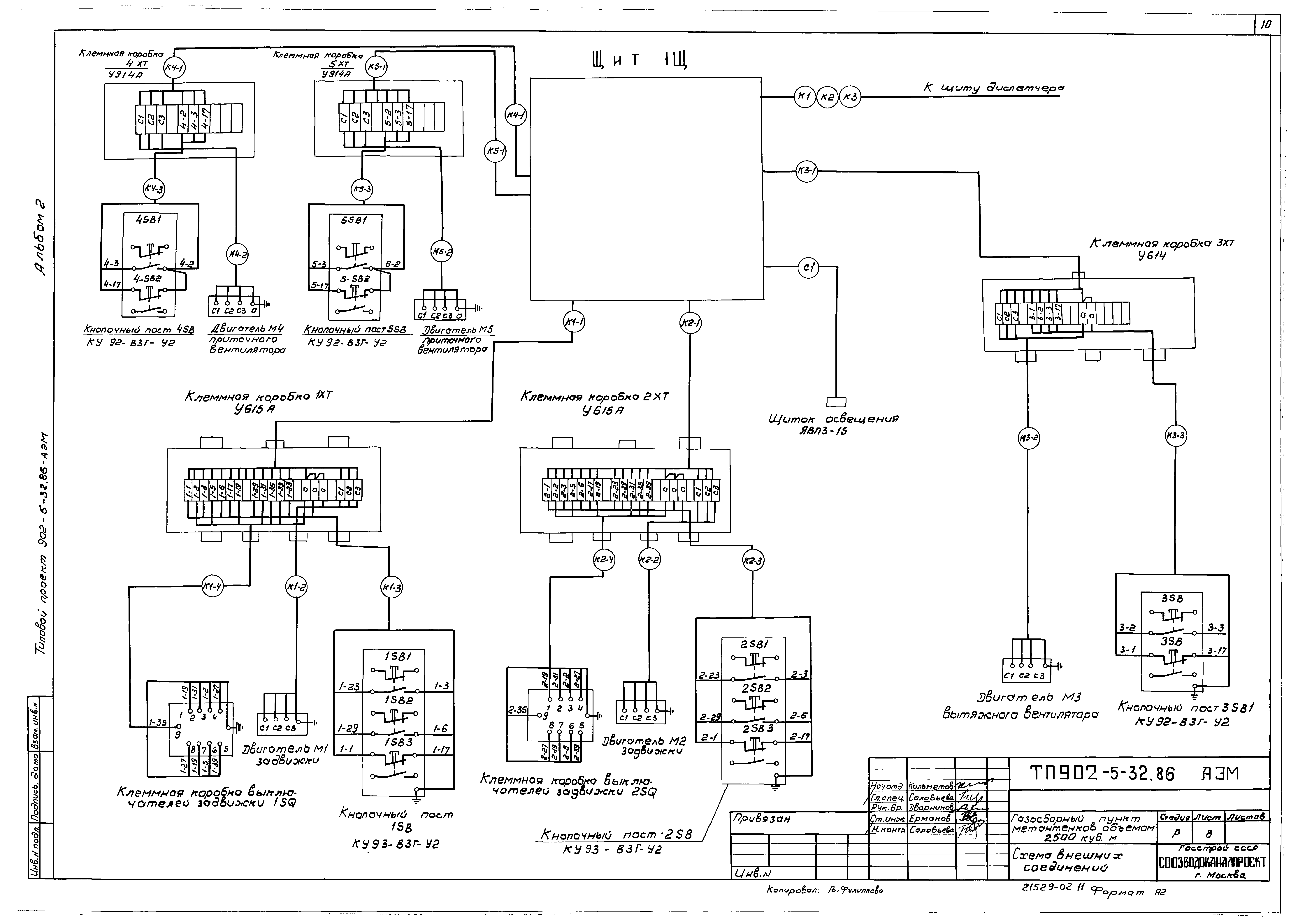
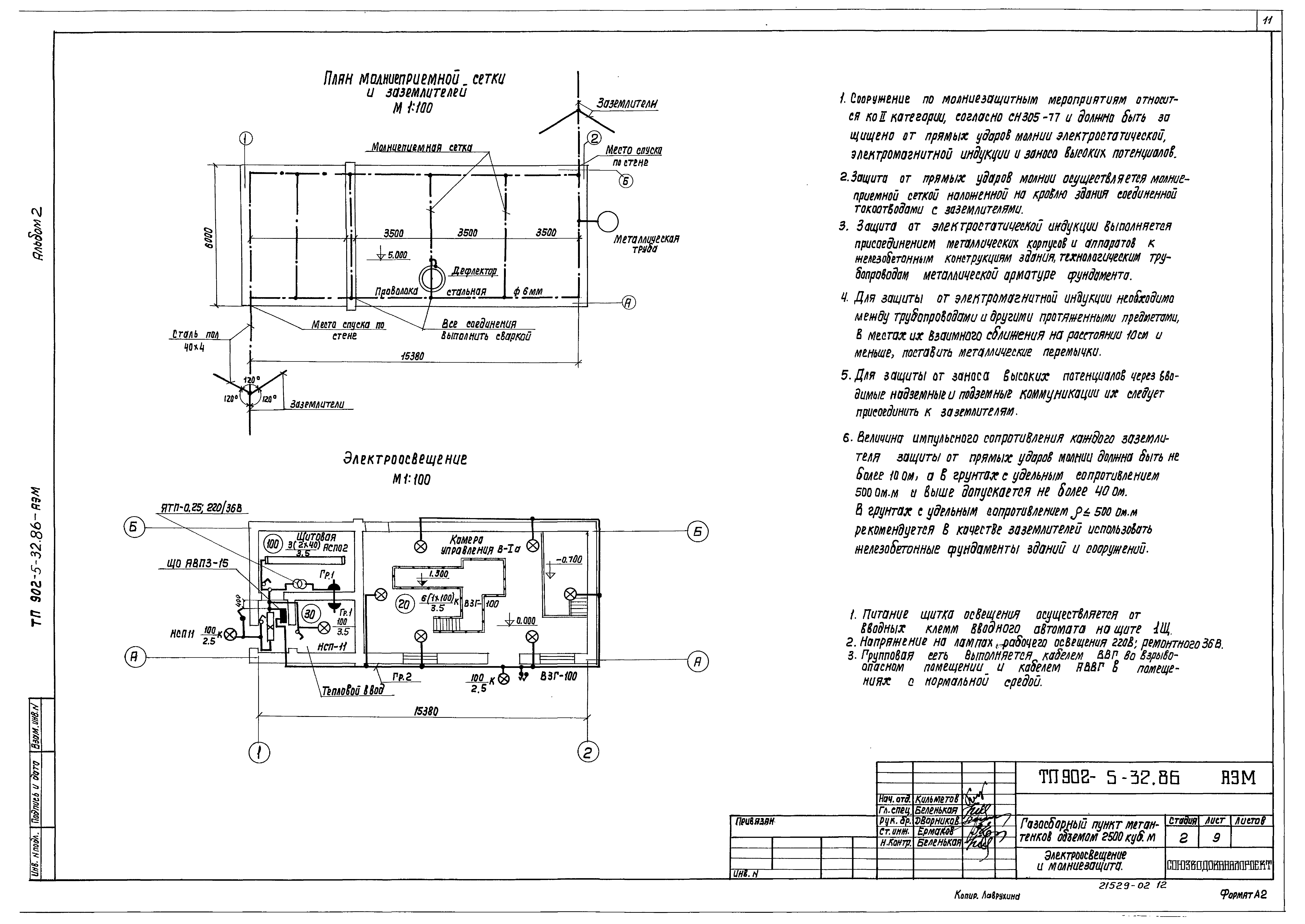
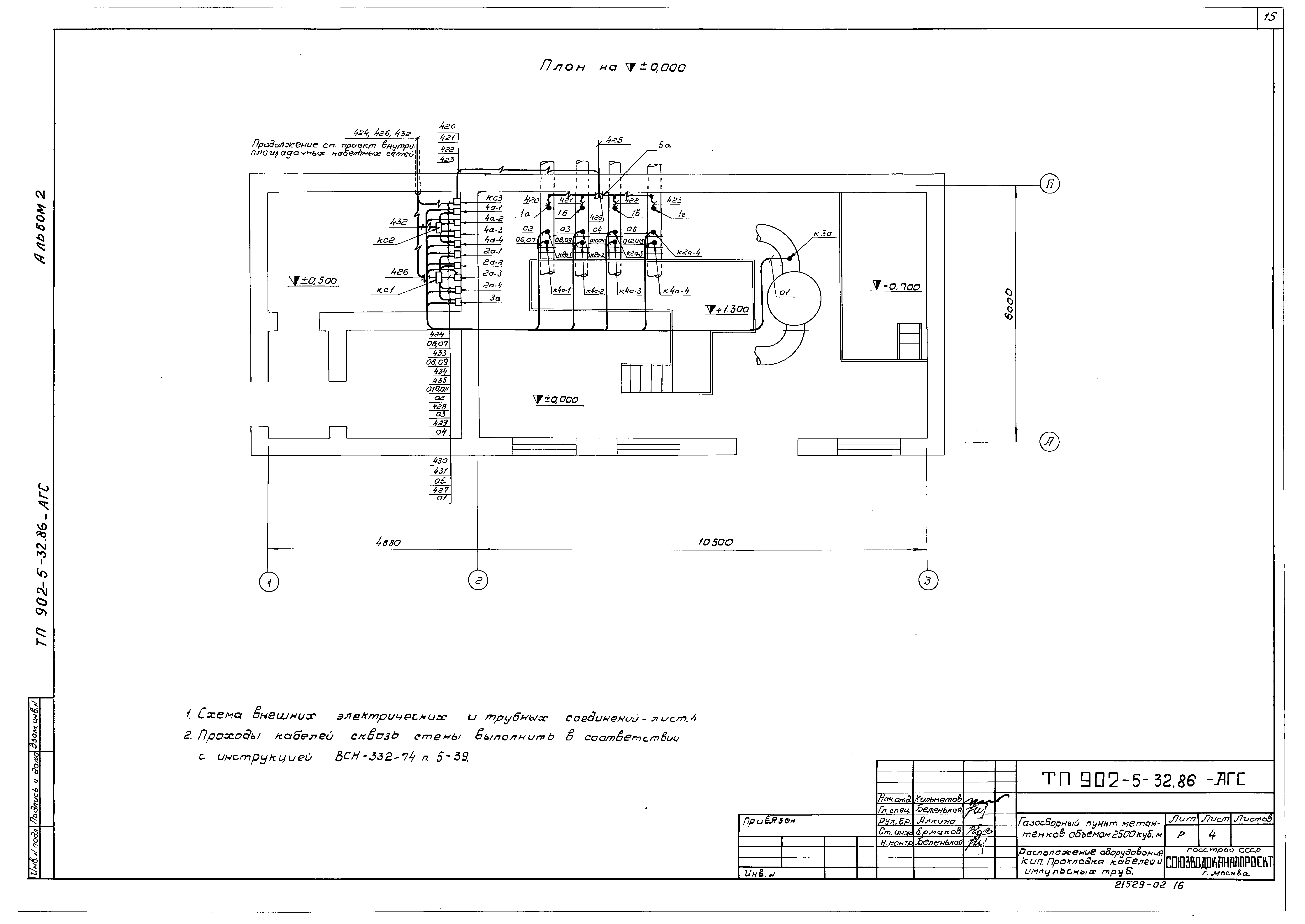
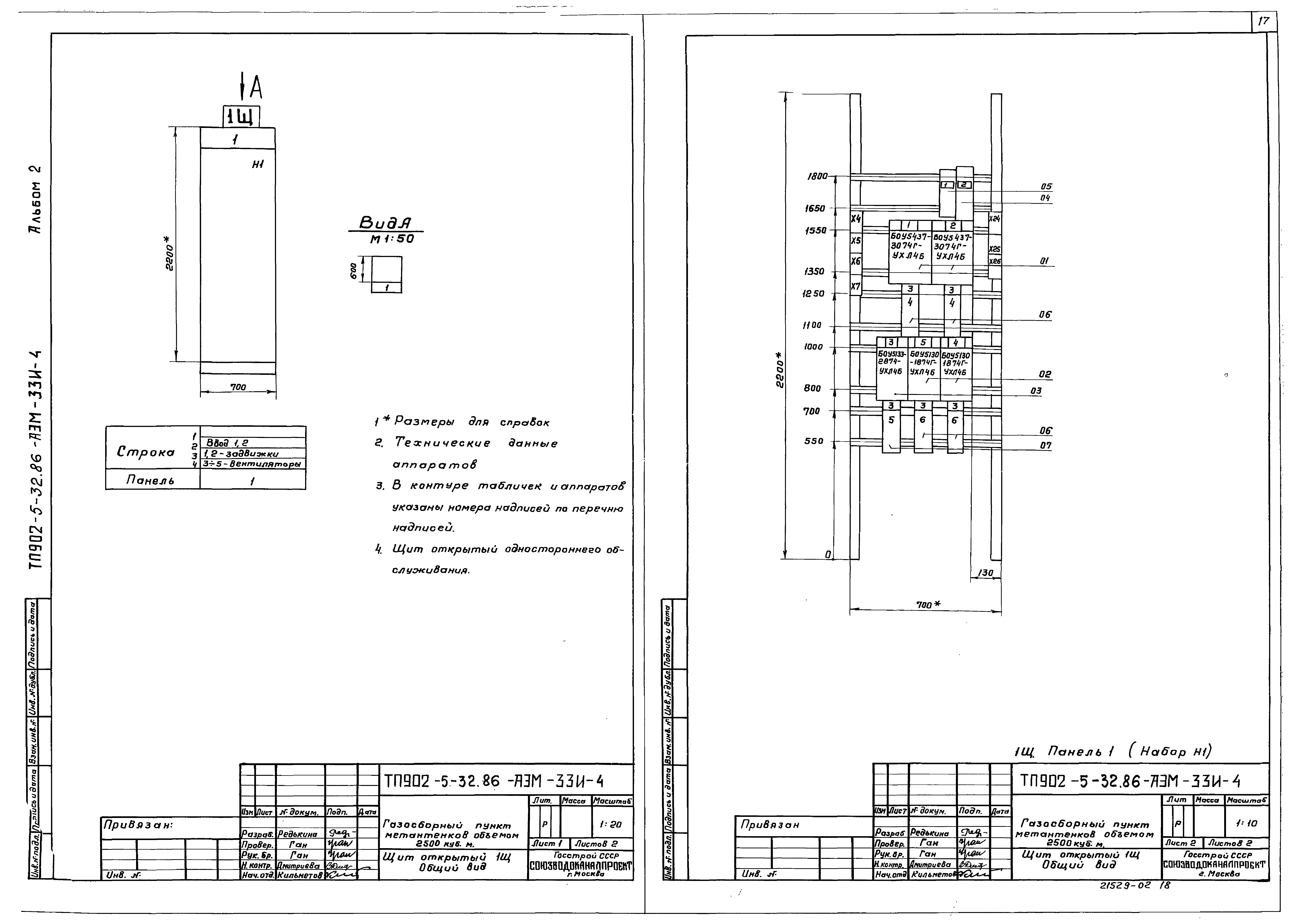
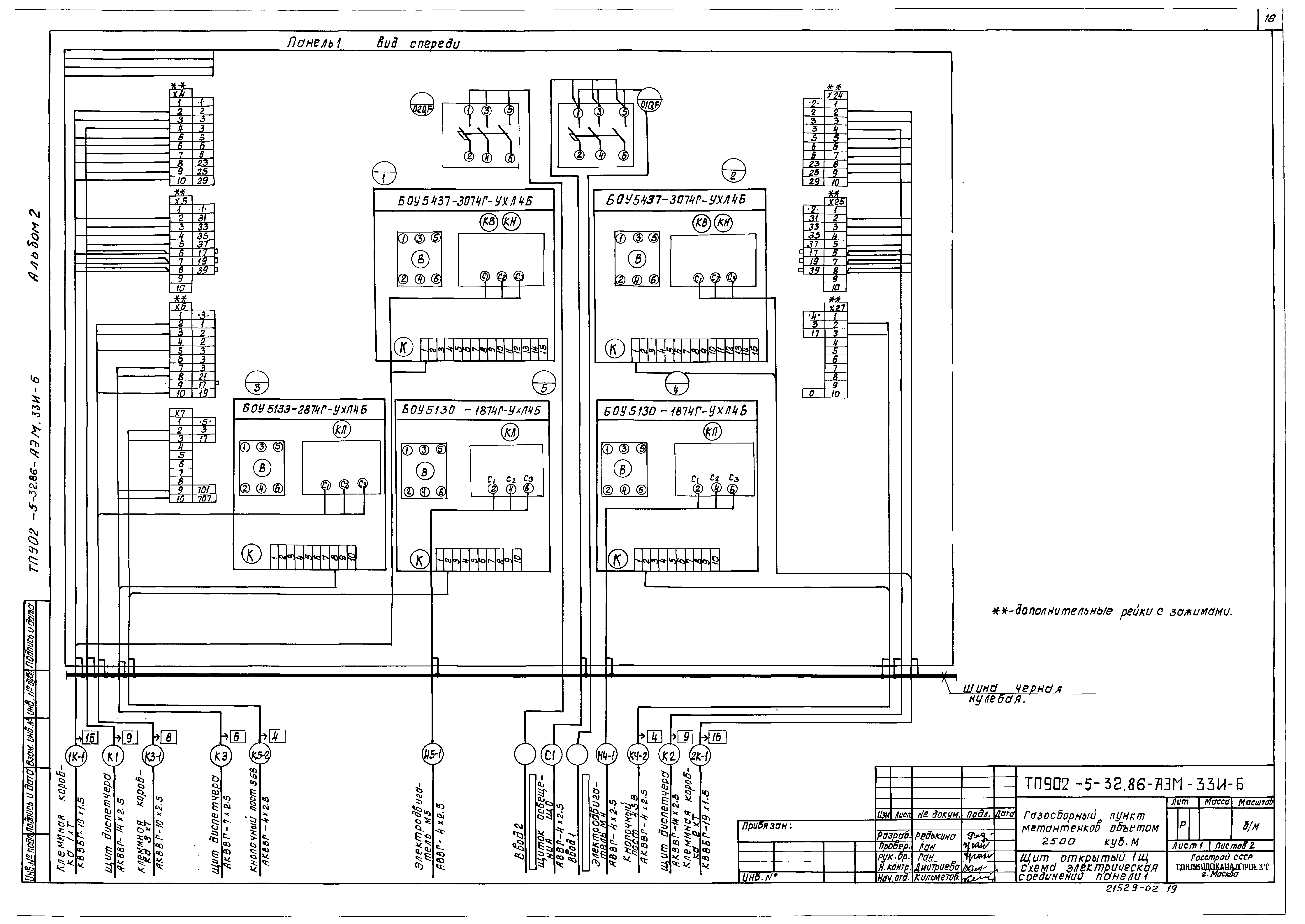
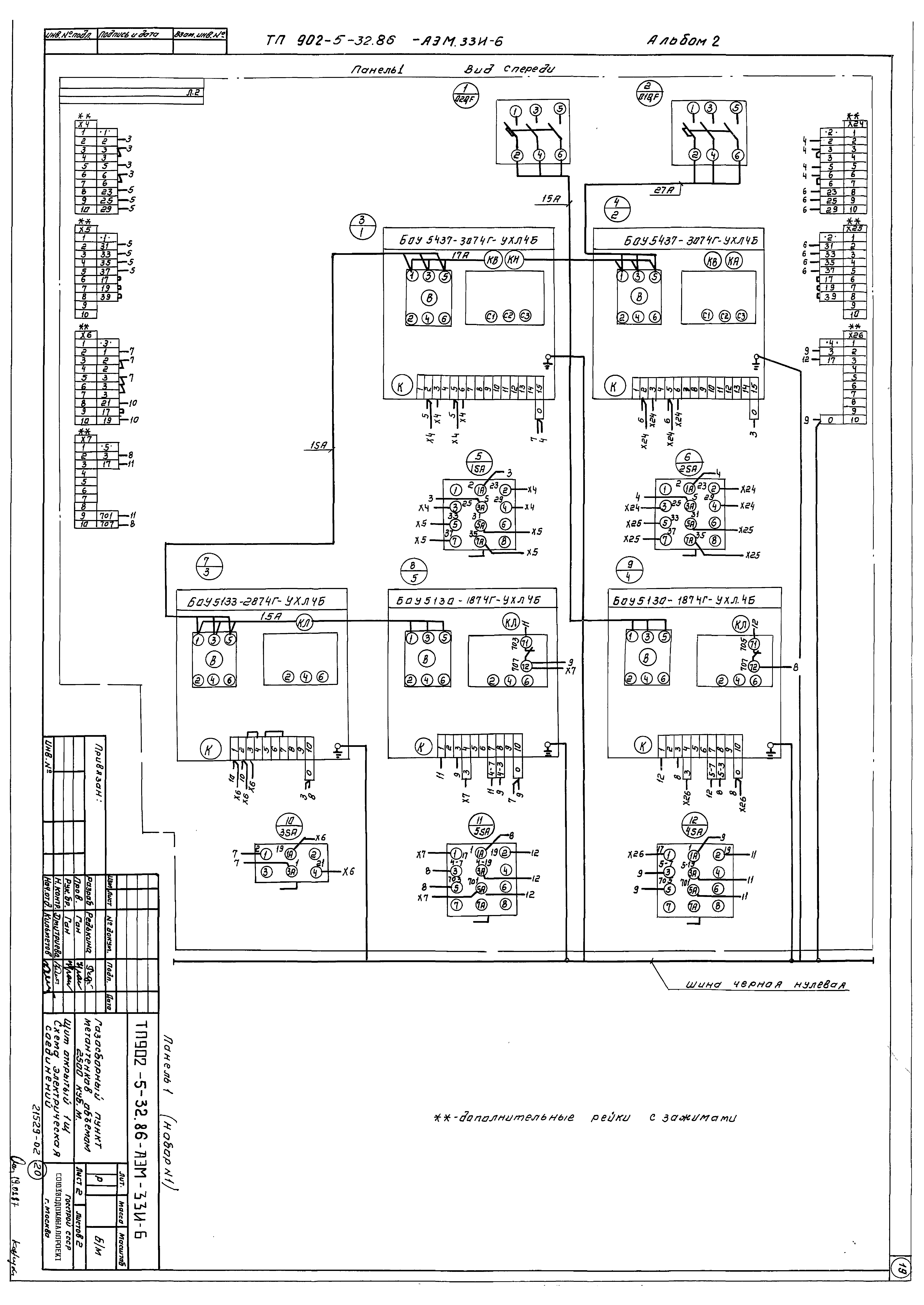
| Оглавление: | Содержание альбома Электрооборудование и автоматика Общие данные Схема электрических соединений 380/220 В Схема принципиальная управления задвижками №№1 и 2 Схема принципиальная управления вытяжным вентилятором №3 Схема принципиальная управления приточными вентиляторами №№4 и 5 Кабельный журнал Расположение электрооборудования. Прокладка кабелей Схема внешних соединений Электроосвещение. Молниезащита Автоматизация газоснабжения Общие данные Схема функциональная Схема внешних электрических и трубных соединений Расположение приборов КИП. Прокладка кабелей и импульсных труб Задание заводу-изготовителю на открытый щит 1Щ Содержание Таблица комплектных устройств Щит открытый 1Щ. Технические данные аппаратов Щит открытый 1Щ. Общий вид Щит открытый 1Щ. Таблица перечня надписей Щит открытый 1Щ. Схема электрическая соединений |
| Разработан: | Союзводоканалпроект |
| Утверждён: | 04.03.1986 МЖКХ РСФСР (111) |



















