Скачать Типовой проект 902-5-52.88 Альбом 3. Силовое электрооборудование. Технологический контрольДата актуализации: 01.01.2021
|
| Обозначение: | Типовой проект 902-5-52.88 |
| Обозначение англ: | 902-5-52.88 |
| Статус: | не определен законодательством |
| Название рус.: | Альбом 3. Силовое электрооборудование. Технологический контроль |
| Дата добавления в базу: | 01.10.2014 |
| Дата актуализации: | 01.01.2021 |
| Дата введения: | 07.09.1988 |
| Дата окончания срока действия: | 30.06.2003 |
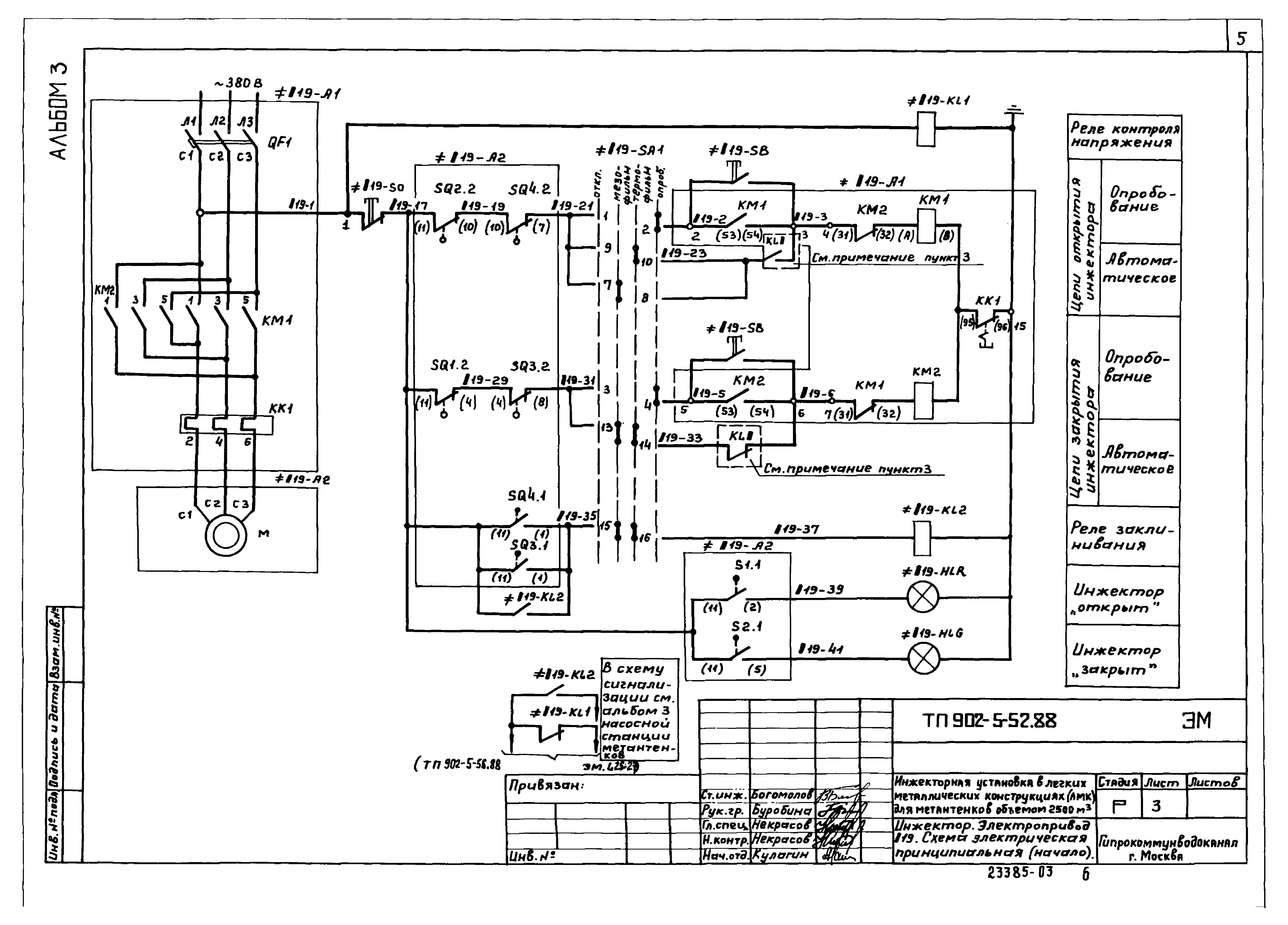
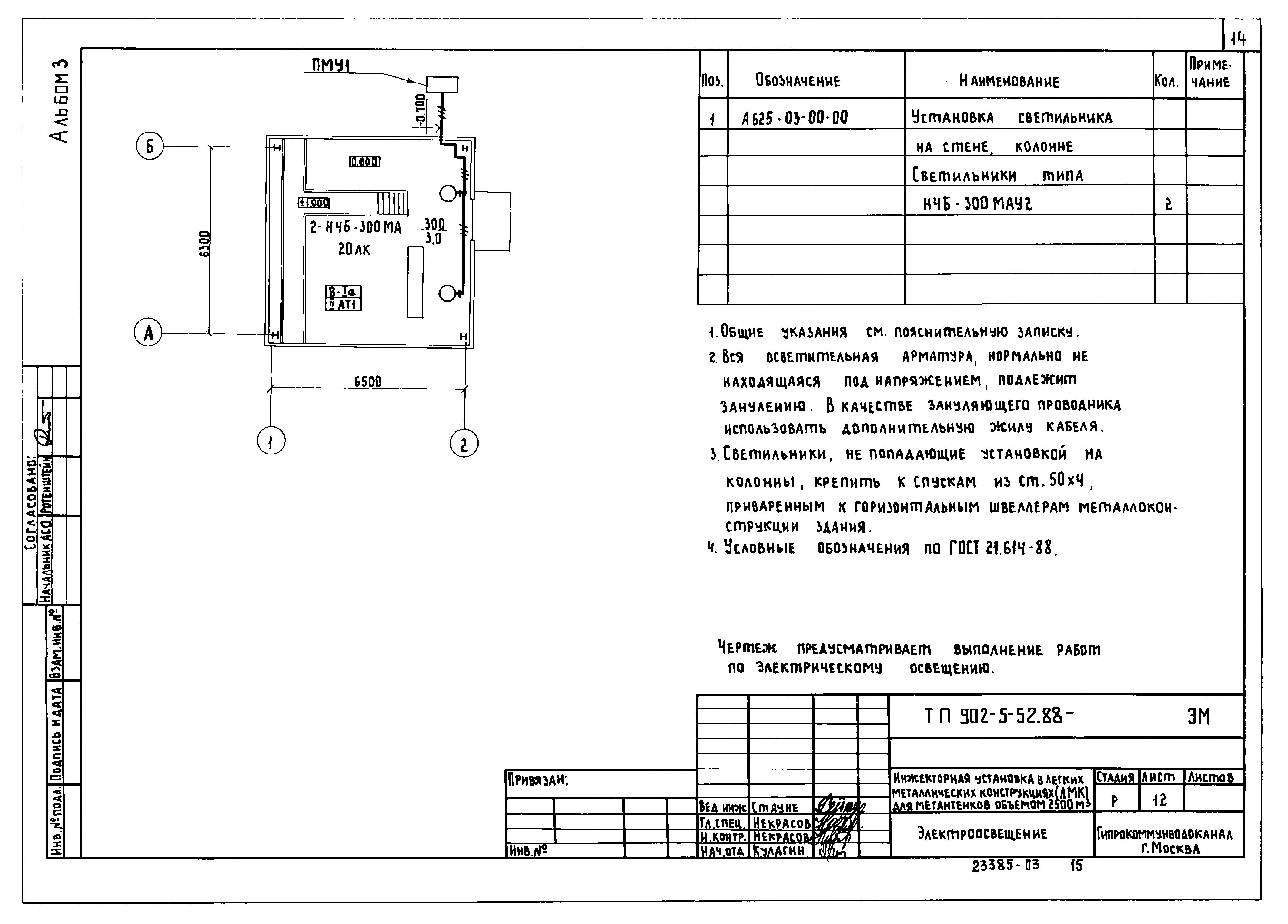
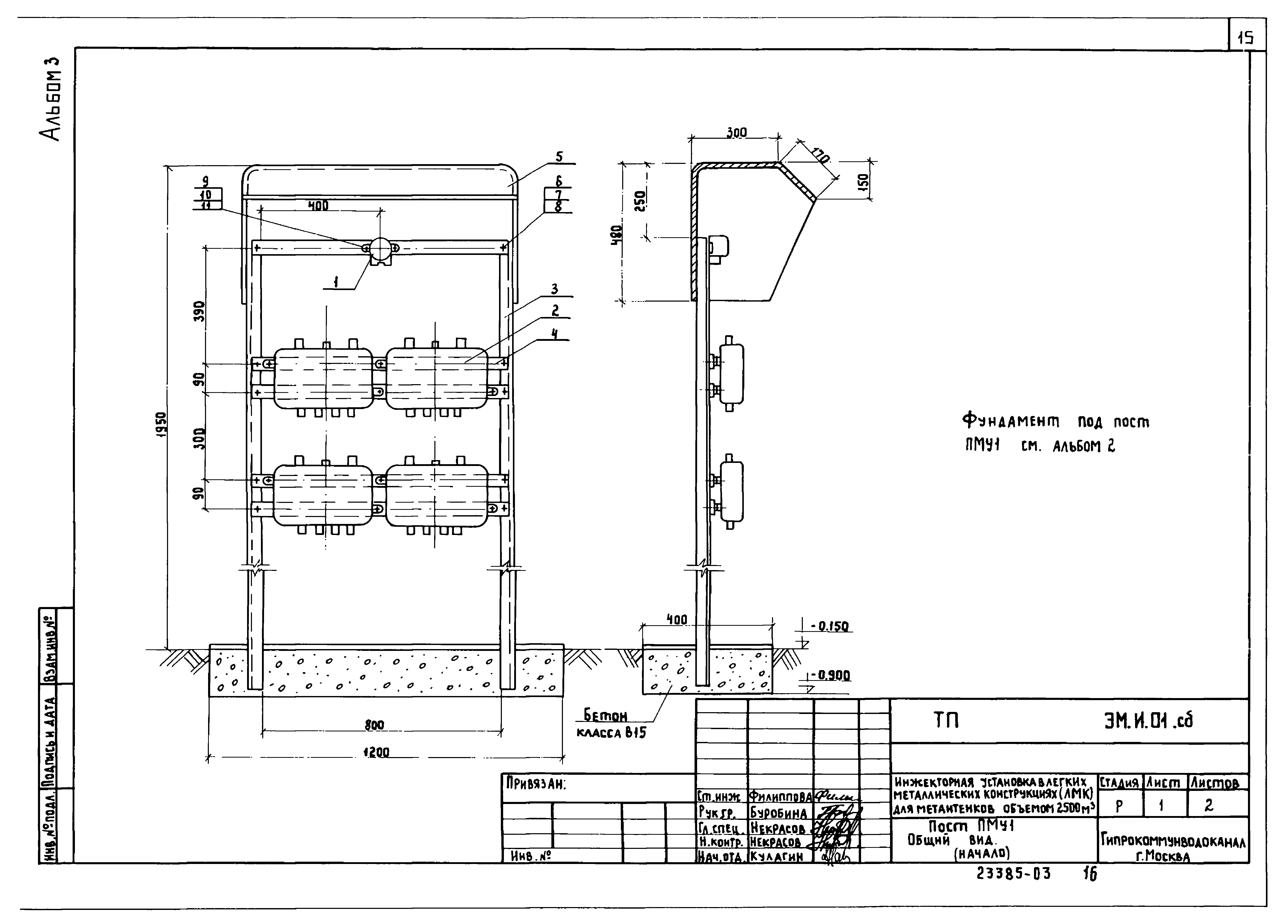
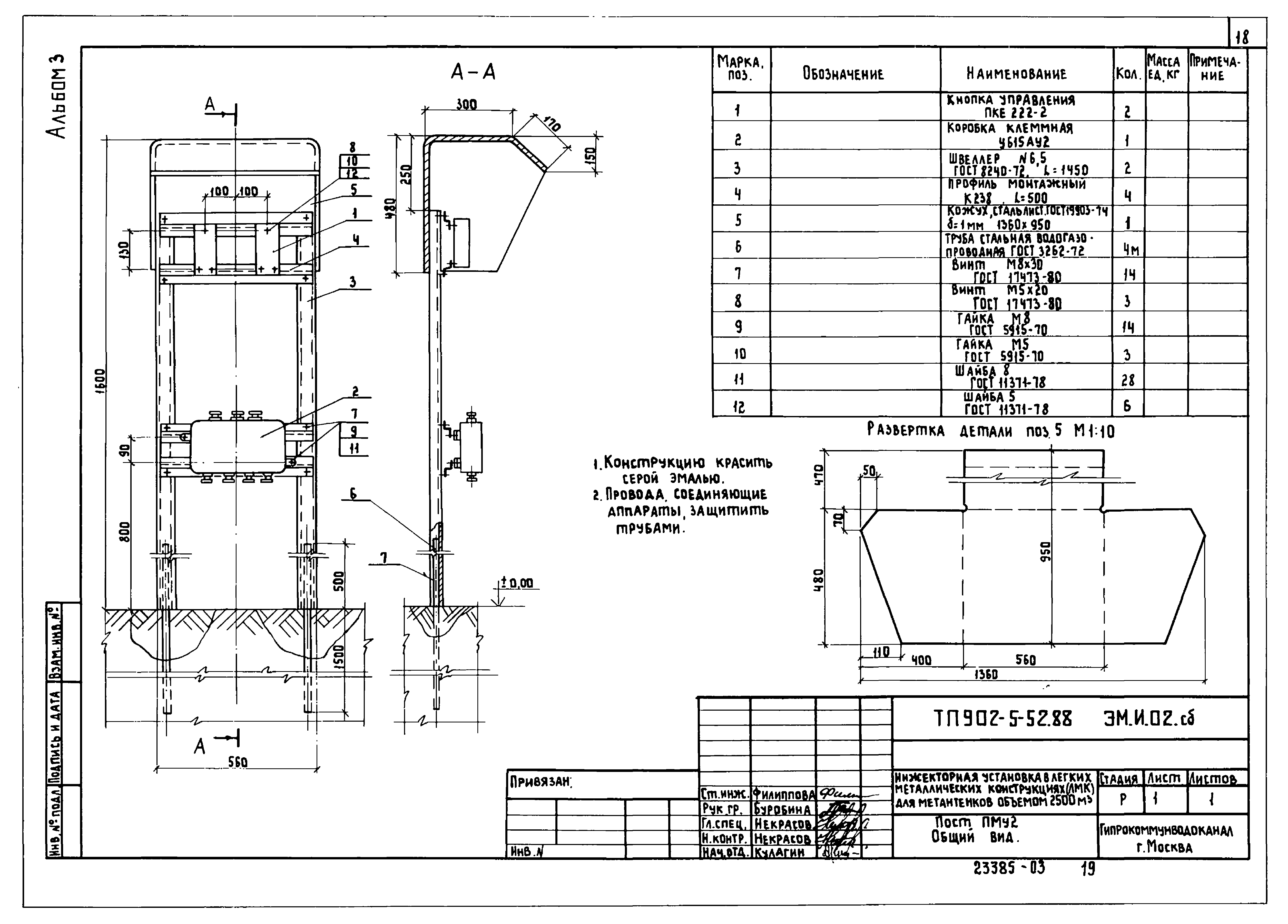
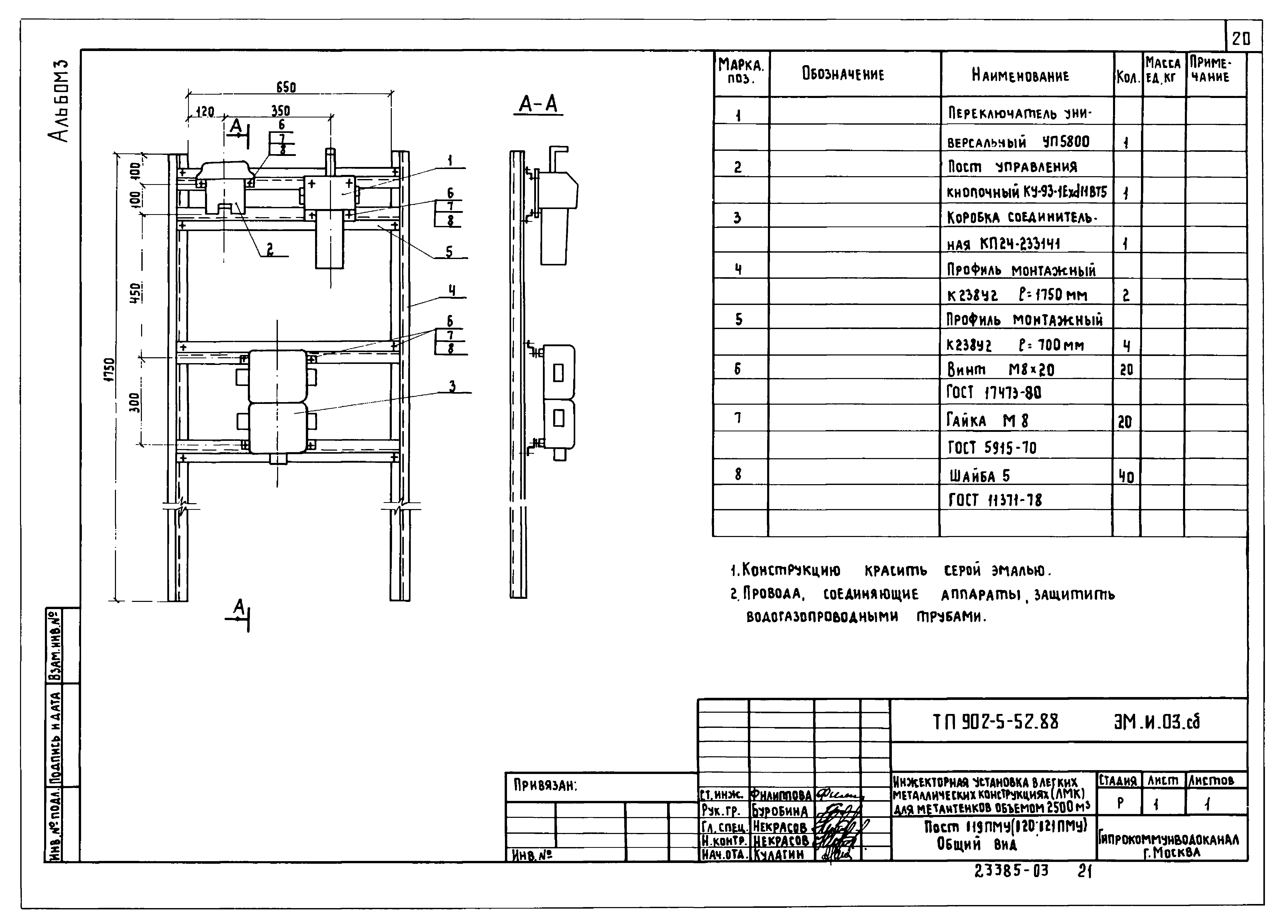
| Оглавление: | Содержание альбома Чертежи основного комплекта марки ЭМ Общие данные Инжектор. Электропривод /19. Схема электрическая принципиальная Задвижка. Электропривод /20 (/21). Схема электрическая принципиальная Вентилятор. Электропривод /22 (/23). Схема электрическая принципиальная Схема электрическая подключений отдельно стоящего оборудования Кабельный журнал. Сводка кабелей и проводов Расположение электрооборудования и прокладка кабелей. Прокладка магистралей зануления Электроосвещение Прилагаемые документы основного комплекта марки ЭМ Пост ПМУ1. Общий вид Пост ПМУ1. Схема соединений Пост ПМУ2. Общий вид Пост ПМУ2. Схема соединений Пост /19ПМУ (/20; /21ПМУ). Общий вид Пост /19ПМУ. Схема соединений Пост /20ПМУ (21ПМУ). Схема соединений Ведомость электромонтажных конструкций, подлежащих изготовлению в МЭЗ, ведомость изделий и материалов для изготовления электромонтажных конструкций и деталей в МЭЗ Чертежи основного комплекта марки АТХ Общие данные Схема функциональная Схема внешних электрических и трубных проводок План расположения средств автоматизации и проводок |
| Разработан: | Гипрокоммунводоканал Минжилкомхоза РСФСР |
| Утверждён: | 07.09.1988 МЖКХ РСФСР (232) |



























