Скачать 1988 Номенклатурный каталог на освоенные и серийно выпускаемые изделия арматуростроения на 1988 годДата актуализации: 01.01.2021
|
| Обозначение: | 1988 |
| Обозначение англ: | 1988 |
| Статус: | справочные материалы, мп, тпр |
| Название рус.: | Номенклатурный каталог на освоенные и серийно выпускаемые изделия арматуростроения на 1988 год |
| Дата добавления в базу: | 01.10.2014 |
| Дата актуализации: | 01.01.2021 |
| Область применения: | В номенклатурном каталоге содержатся сведения о промышленной трубопроводной арматуре общего назначения, изготовляемой заводами Министерства химического и нефтяного машиностроения. Каталог предназначен для инженерно-технических работников проектно-конструкторских организаций, проектирующих предприятия и установки, на которых применяют трубопроводную арматуру; предприятий, эксплуатирующих эту арматуру, а также организаций, занимающихся распределением и сбытом арматуры. |
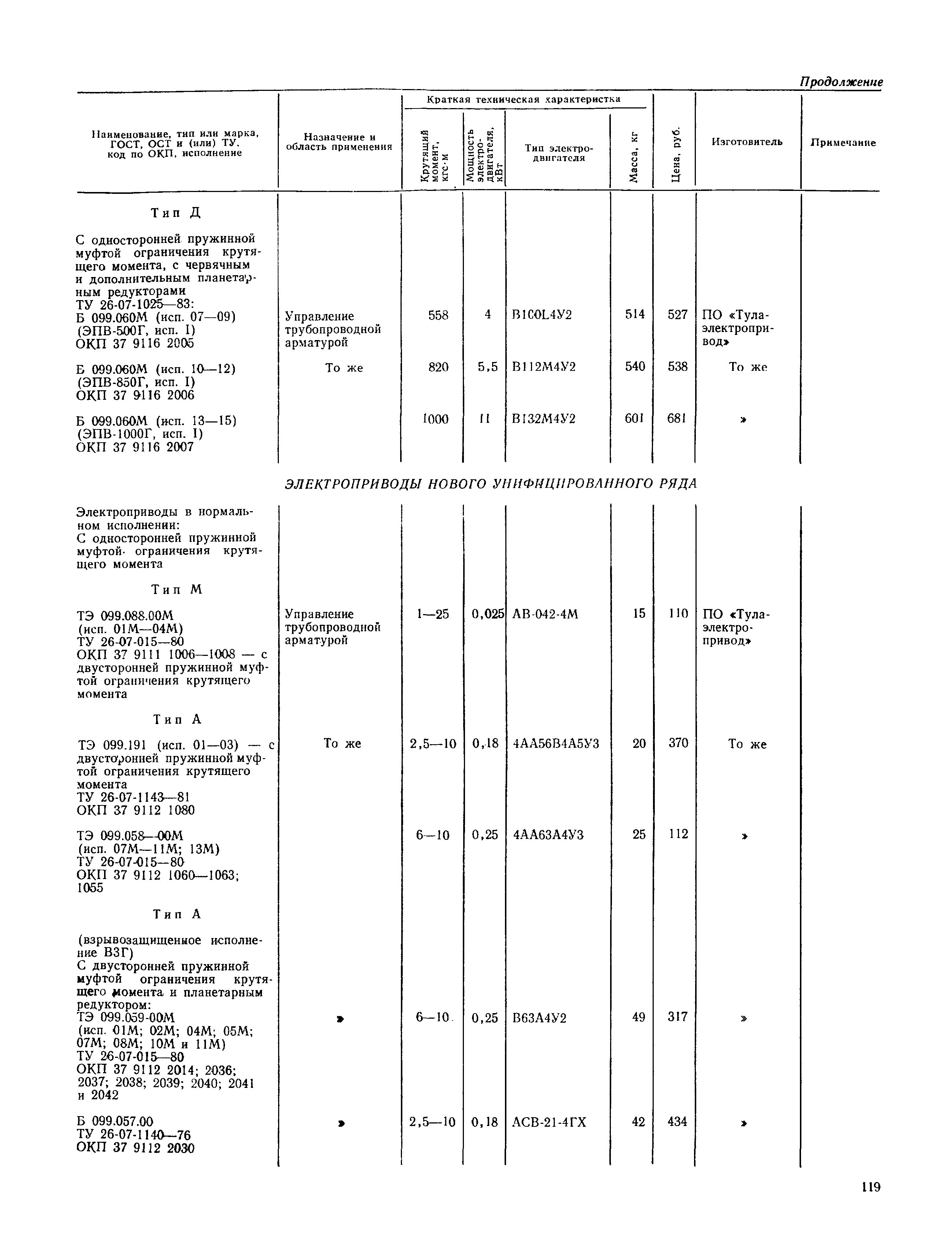
| Оглавление: | Введение Коды предприятий Указатель изделий промышленной трубопроводной арматуры, описанных в "Номенклатурном каталоге" систематизированных по условным обозначениям Краны Краны из цветных сплавов Краны из титана Краны из серого чугуна Краны из углеродистой стали Краны из коррозионно-стойкой стали Краны из неметаллических материалов Указатели уровня и запорные устройства указателей уровня Запорные устройства указателей уровня из углеродистой и коррозионно-стойкой сталей Указатели уровня из ковкого чугуна Клапаны (вентили) Клапаны (вентили) из цветных сплавов Клапаны (вентили) из титана Клапаны (вентили) из серого чугуна Клапаны (вентили) из серого чугуна, футерованные коррозионно-стойкими покрытиями Клапаны (вентили) из ковкого чугуна Клапаны (вентили) из углеродистой стали Клапаны (вентили) из коррозионно-стойкой стали Клапаны (вентиля) из неметаллических материалов Клапаны обратные подъемные и приемные Клапаны из цветных сплавов Клапаны из титана Клапаны из серого чугуна Клапаны из ковкого чугуна Клапаны из углеродистой стали Клапаны из коррозионно-стойкой стали Клапаны обратные подъемные (питательные) Клапаны из углеродистой стали Клапаны из коррозионно-стойкой стали Клапаны обратные поворотные Клапаны из цветных сплавов Клапаны из титана Клапаны из серого чугуна Клапаны из углеродистой стали Клапаны из коррозионно-стойкой стали Клапаны предохранительные Клапаны из цветных сплавов Клапаны из серого чугуна Клапаны из углеродистой стали Клапаны из коррозионно-стойкой стали Регуляторы скорости и давления прямого действия Регуляторы скорости и давления из цветных металлов Регуляторы давления прямого действия из серого чугуна Регуляторы давления прямого действия из углеродистой и коррозионно-стойкой сталей Клапаны герметические Клапаны из углеродистой стали Клапаны регулирующие Клапаны из цветных сплавов Клапаны из серого чугуна Клапаны из серого чугуна, футерованные коррозионно-стойкими покрытиями Клапаны из углеродистой стали Клапаны из коррозионно-стойкой стали Клапаны отсечные Клапаны из углеродистой стали Клапаны из коррозионно-стойкой стали Клапаны из титана Клапаны смесительные Клапаны из серого чугуна Клапаны различного назначения Клапаны из цветных сплавов Клапаны из титана Клапаны из неметаллических материалов Клапаны из серого чугуна Распределители из ковкого чугуна Клапаны и исполнительные пневматические устройства из углеродистой стали Клапаны и исполнительные пневматические устройства из коррозионно-стойкой стали Задвижки Задвижки из цветных сплавов Задвижки и заслонки из серого чугуна Задвижки из ковкого чугуна Задвижки из углеродистой стали Задвижки из коррозионно-стойкой стали Затворы Затворы из цветных сплавов Затворы из серого чугуна Затворы из ковкого чугуна Затворы из углеродистой и коррозионно-стойкой сталей Конденсатоотводчики Конденсатоотводчики из серого чугуна Конденсатоотводчики из углеродистой и коррозионно-стойкой сталей Прочая арматура Элеваторы из углеродистой стали Электроприводы Электроприводы с планетарным и червячным редукторами Электроприводы нового унифицированного ряда |
| Разработан: | НИИОГАЗ |
| Утверждён: | ЦКБА |
| Список изменений: |































































































































Текстовое изменение № 1


