Скачать 1981 Номенклатурный каталог на освоенные и серийно выпускаемые изделия арматуростроения на 1981 годДата актуализации: 01.01.2021
|
| Обозначение: | 1981 |
| Обозначение англ: | 1981 |
| Статус: | справочные материалы, мп, тпр |
| Название рус.: | Номенклатурный каталог на освоенные и серийно выпускаемые изделия арматуростроения на 1981 год |
| Дата добавления в базу: | 01.10.2014 |
| Дата актуализации: | 01.01.2021 |
| Область применения: | В номенклатурном каталоге содержатся сведения о промышленной трубопроводной арматуре общего назначения, изготовляемой заводами Министерства химического и нефтяного машиностроения, а также некоторыми заводами других министерств и ведомств. Каталог предназначен для инженерно-технических работников проектно-конструкторских организаций, проектирующих предприятия и установки, на которых применяют трубопроводную арматуру, предприятий, выпускающих эту арматуру, а также организаций, занимающихся распределением и сбытом арматуры. |
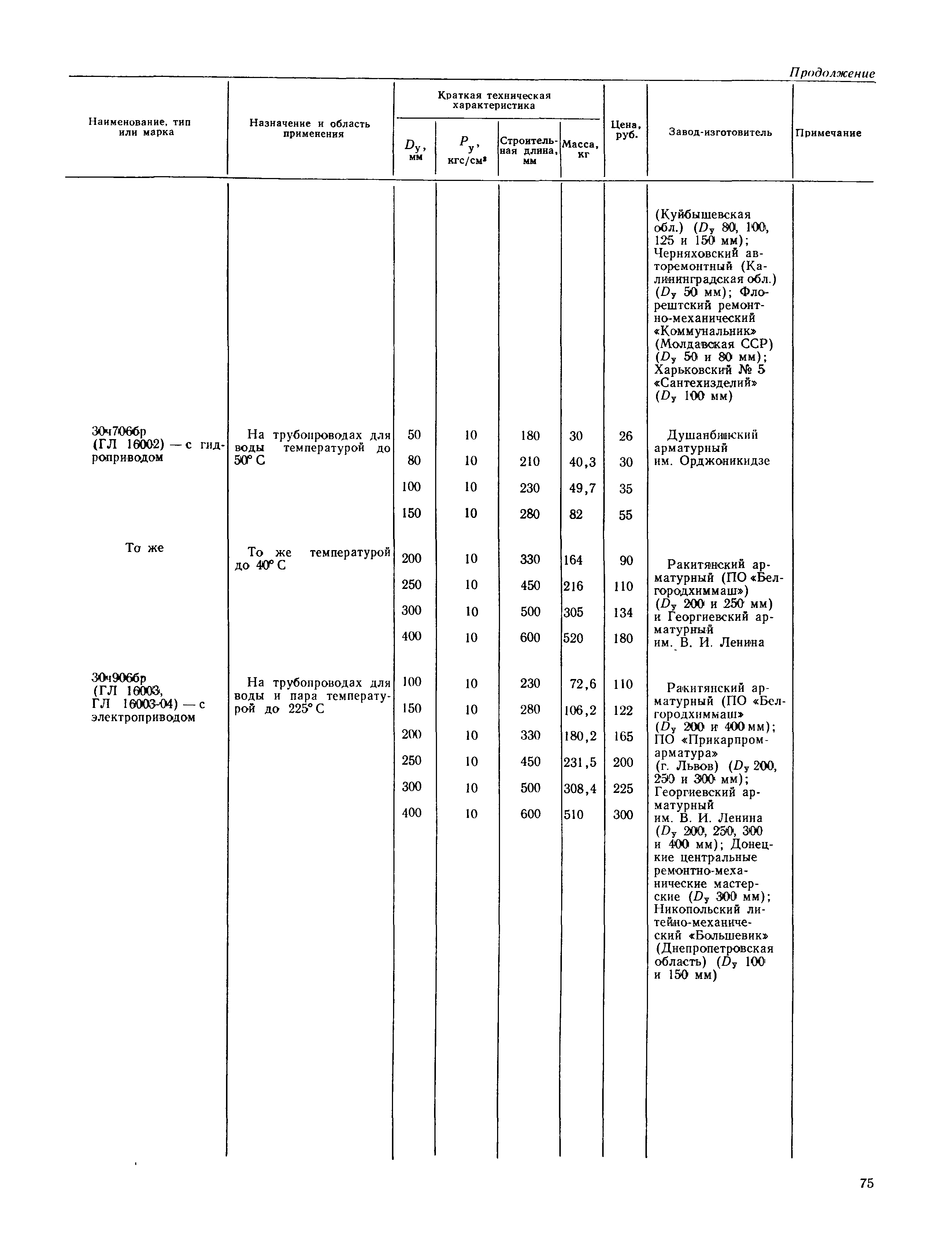
| Оглавление: | Введение Указатель изделий промышленной трубопроводной арматуры, включенных в Номенклатурный каталог и систематизированных по условным обозначениям Краны Краны из цветных сплавов Краны из титана Краны из серого чугуна Краны из ковкого чугуна Краны из углеродистой стали Краны из коррозионностойкой стали Указатели уровня, запорные устройства указателей уровня и рамки к ним и устройства для манометра Запорные устройства указателей уровня из цветных сплавов Запорные устройства указателей уровня стальные Рамки указателей уровня из ковкого чугуна Устройства для манометров стальные Вентили Вентили из цветных сплавов Вентили из титана Вентили из серого чугуна Вентили из серого чугуна, футерованные коррозионностойкими покрытиями Вентили из ковкого чугуна Вентили из углеродистой стали Вентили из коррозионностойкой стали Вентили из неметаллических материалов Клапаны обратные подъемные и приемные Клапаны из цветных сплавов Клапаны из титана Клапаны из серого чугуна Клапаны из ковкого чугуна Клапаны из углеродистой стали Клапаны из коррозионностойкой стали Клапаны обратные питательные Клапаны из углеродистой стали Клапаны из коррозионностойкой стали Клапаны обратные поворотные Клапаны из титана Клапаны из серого чугуна Клапаны из углеродистой стали Клапаны из коррозионностойкой стали Клапаны предохранительные Клапаны из цветных сплавов Клапаны из серого чугуна Клапаны из углеродистой стали Клапаны из коррозионностойкой стали Регуляторы давления (скорости) и уровня и редукционные клапаны Регуляторы давления (скорости) из цветных сплавов Редукционные клапаны. регуляторы давления и уровня из серого чугуна регуляторы давления стальные Клапаны герметические Клапаны из углеродистой стали Клапаны регулирующие Клапаны из цветных сплавов Клапаны из серого чугуна Клапаны из серого чугуна Клапаны из серого чугуна, футерованные коррозионностойкими покрытиями Клапаны из углеродистой стали Клапаны из коррозионностойкой стали Клапаны отсечные Клапаны из цветных сплавов Клапаны из углеродистой стали Клапаны из коррозионностойкой стали Клапаны различного назначения Клапаны из цветных сплавов Клапаны из неметаллических материалов Клапаны из серого чугуна Распределители из ковкого чугуна Клапаны из углеродистой стали Клапаны из коррозионностойкой стали Задвижки Задвижки из цветных сплавов Задвижки из серого чугуна Задвижки из ковкого чугуна Задвижки из углеродистой стали Задвижки из коррозионностойкой стали Затворы и заслонки Затворы из цветных сплавов Затворы из серого чугуна Затворы и заслонки из углеродистой и коррозионностойкой сталей Конденсатоотводчики и воздухоотводчикм Конденсатоотводчики и воздухоотводчики из серого чугуна Конденсатоотводчики из ковкого чугуна Конденсатоотводчики из углеродистой и коррозионностойкой сталей Прочая арматура Инжекторы из серого чугуна Элеваторы из углеродистой стали Электроприводы Электроприводы с электродвигателем в нормальном исполнении Электроприводы с электродвигателем во взрывозащищенном исполнении |
| Разработан: | МосЦКБА |
| Утверждён: | ЦКБА |




































































































