Скачать 1985 Номенклатурный каталог на освоенные и серийно выпускаемые изделия арматуростроения на 1985 годДата актуализации: 01.01.2021
|
| Обозначение: | 1985 |
| Обозначение англ: | 1985 |
| Статус: | справочные материалы, мп, тпр |
| Название рус.: | Номенклатурный каталог на освоенные и серийно выпускаемые изделия арматуростроения на 1985 год |
| Дата добавления в базу: | 01.10.2014 |
| Дата актуализации: | 01.01.2021 |
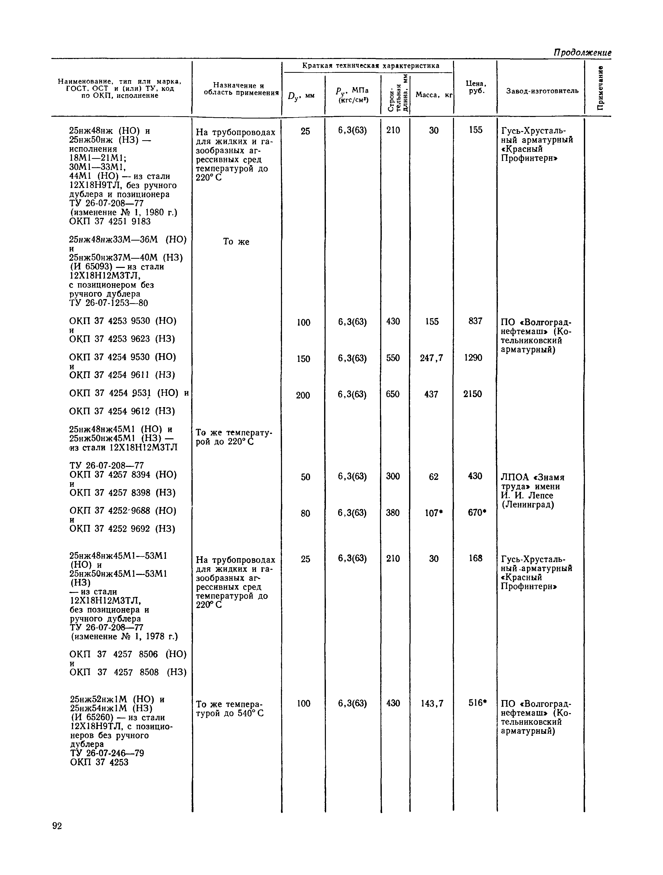
| Область применения: | В номенклатурном каталоге содержатся сведения о промышленной трубопроводной арматуре общего назначения, изготовляемой заводами Министерства химического и нефтяного машиностроения, а также некоторыми заводами других министерств и ведомств. Каталог предназначен для инженерно-технических работников проектно-конструкторских организаций, проектирующих предприятия и установки, на которых применяют трубопроводную арматуру; предприятий, эксплуатирующих эту арматуру, а также организаций, занимающихся распределением и сбытом арматуры. |
| Оглавление: | Введение Коды предприятий Указатель изделий промышленной трубопроводной арматуры, описанных в "Номенклатурном каталоге" и систематизированных по условным обозначениям Краны Краны из цветных сплавов Краны из титана Краны из серого чугуна Краны из углеродистой стали Краны из коррозионностойкой стали Указатели уровня и запорные устройства указателей уровня Запорные устройства указателей уровня из цветных сплавов Запорные устройства указателей уровня из углеродистой и коррозионностойкой сталей Указатели уровня из ковкого чугуна Вентили Вентили из цветных сплавов Вентили из титана Вентили из серого чугуна Вентили из серого чугуна, футерованные коррозионностойкими покрытиями Вентили из ковкого чугуна Вентили из углеродистой стали Вентили из коррозионностойкой стали Вентили из неметаллических материалов Клапаны обратные подъемные и приемные Клапаны из цветных сплавов Клапаны из титана Клапаны из серого чугуна Клапаны из ковкого чугуна Клапаны из углеродистой стали Клапаны из коррозионностойкой стали Клапаны обратные питательные Клапаны из углеродистой стали Клапаны из коррозионностойкой стали Клапаны обратные поворотные Клапаны из цветных сплавов Клапаны из титана Клапаны из серого чугуна Клапаны из углеродистой стали Клапаны из коррозионностойкой стали Клапаны предохранительные Клапаны из цветных сплавов Клапаны из серого чугуна Клапаны из углеродистой стали Клапаны из коррозионностойкой стали Регуляторы скорости и давления прямого действия и редукционные клапаны Регуляторы скорости из цветных сплавов Редукционные клапаны и регуляторы давления прямого действия из серого чугуна Регуляторы давления прямого действия стальные Клапаны герметические Клапаны из углеродистой стали Клапаны регулирующие Клапаны из цветных сплавов Клапаны из серого чугуна Клапаны из серого чугуна, футерованные коррозионностойкими покрытиями Клапаны из углеродистой стали Клапаны из коррозионностойкой стали Клапаны отсечные Клапаны из углеродистой стали Клапаны из коррозионностойкой стали Клапаны из титана Клапаны смесительные Клапаны из серого чугуна Клапаны различного назначения Клапаны из цветных сплавов Клапаны из титана Клапаны из неметаллических материалов Клапаны из серого чугуна Распределители из ковкого чугуна Клапаны и исполнительные пневматические устройства из углеродистой стали Клапаны и исполнительные пневматические устройства из коррозионностойкой стали Задвижки Задвижки из цветных сплавов Задвижки и заслонки из серого чугуна Задвижки из ковкого чугуна Задвижки из углеродистой стали Задвижки из коррозионностойкой стали Затворы Затворы из цветных сплавов Затворы из серого чугуна Затворы из углеродистой и коррозионностойкой сталей Конденсатоотводчики Конденсатоотводчики из серого чугуна Конденсатоотводчики из углеродистой и коррозионностойкой сталей Прочая арматура Инжекторы из серого чугуна Фильтры из серого чугуна Элеваторы из углеродистой стали Электроприводы Электроприводы с планетарными и червячным редукторами Электроприводы нового унифицированного ряда |
| Разработан: | МосЦКБА |
| Утверждён: | ЦКБА |










































































































































