Скачать 1979 Номенклатурный каталог на освоенное и серийно выпускаемое насосное оборудование на 1979 годДата актуализации: 01.01.2021
|
| Обозначение: | 1979 |
| Обозначение англ: | 1979 |
| Статус: | справочные материалы, мп, тпр |
| Название рус.: | Номенклатурный каталог на освоенное и серийно выпускаемое насосное оборудование на 1979 год |
| Дата добавления в базу: | 01.10.2014 |
| Дата актуализации: | 01.01.2021 |
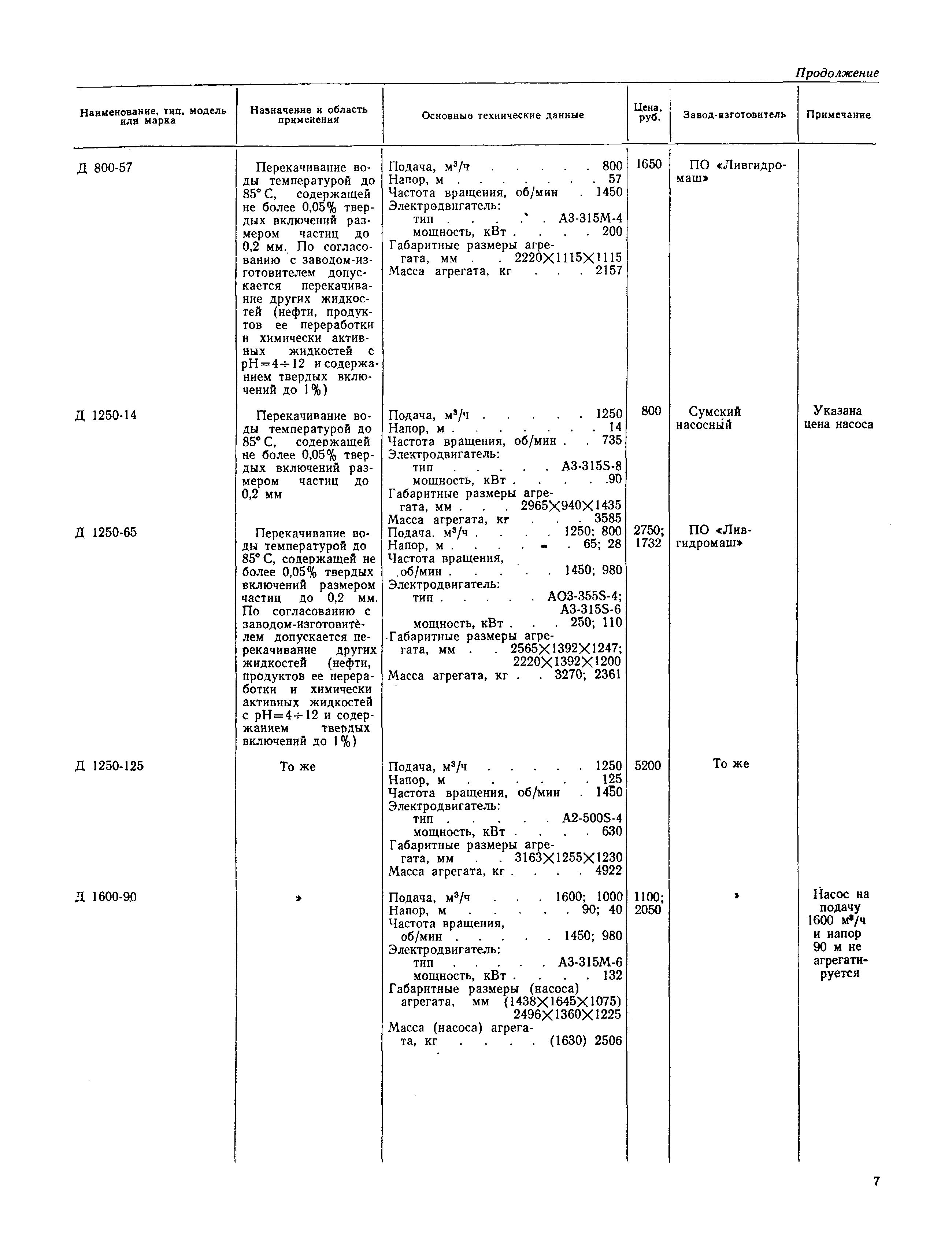
| Область применения: | В номенклатурном справочнике приведены сведения о насосном оборудовании, изготовляемом заводами Министерства химического и нефтяного машиностроения и некоторыми заводами других министерств в 1979 г. Справочник предназначен для инженерно-технических работников проектно-конструкторских организаций, проектирующих предприятия, на которых используют насосное оборудование, предприятий эксплуатирующих это оборудование, а также для работников плановых и сбытовых организаций. |
| Оглавление: | Центробежные консольные насосы Центробежные насосы двустороннего входа Многоступенчатые насосы Морские насосы Химические насосы Центробежные консольные насосы Центробежные насосы из неметаллических материалов Центробежные погружные насосы Центробежные герметичные электронасосы Центробежные вертикальные насосы Вихревые насосы Вихревые насосы с сальниковым уплотнением Вихревые насосы с торцовым уплотнением Центробежно-вихревые насосы Скважинные и артезианские насосы Скважинные насосы Артезианские насосы Центробежные питательные насосы Центробежные конденсатные насосы Центробежные сетевые насосы Специальные насосы Центробежные грунтовые насосы Центробежные массные насосы Центробежные фекальные насосы Центробежные песковые и шламовые насосы Центробежные насосы для жидкостей со взвесями Осевые насосы Дозировочные насосы Дозировочные агрегаты Поршневые приводные насосы Гидроприводные прямодействующие насосы Поршневые паровые горизонтальные насосы Поршневые паровые вертикальные насосы Одновинтовые насосы Двухвинтовые насосы Трехвинтовые насосы Шестеренные насосы Коловратные насосы Нефтяные насосы Насосы для технологических установок Насосы для магистральных трубопроводов Установки погружных центробежных электронасосов Установки погружных винтовых сдвоенных электронасосов |
| Разработан: | ВНИИнефтемаш ВНИИГидромаш |
| Утверждён: | ЦКБА |





















































































































































