Скачать Типовой проект 407-3-225 Альбом III. Архитектурно-строительная часть (вариант в кирпиче)Дата актуализации: 01.01.2021
|
| Обозначение: | Типовой проект 407-3-225 |
| Обозначение англ: | 407-3-225 |
| Статус: | действует |
| Название рус.: | Альбом III. Архитектурно-строительная часть (вариант в кирпиче) |
| Дата добавления в базу: | 01.10.2014 |
| Дата актуализации: | 01.01.2021 |
| Дата введения: | 01.10.1975 |
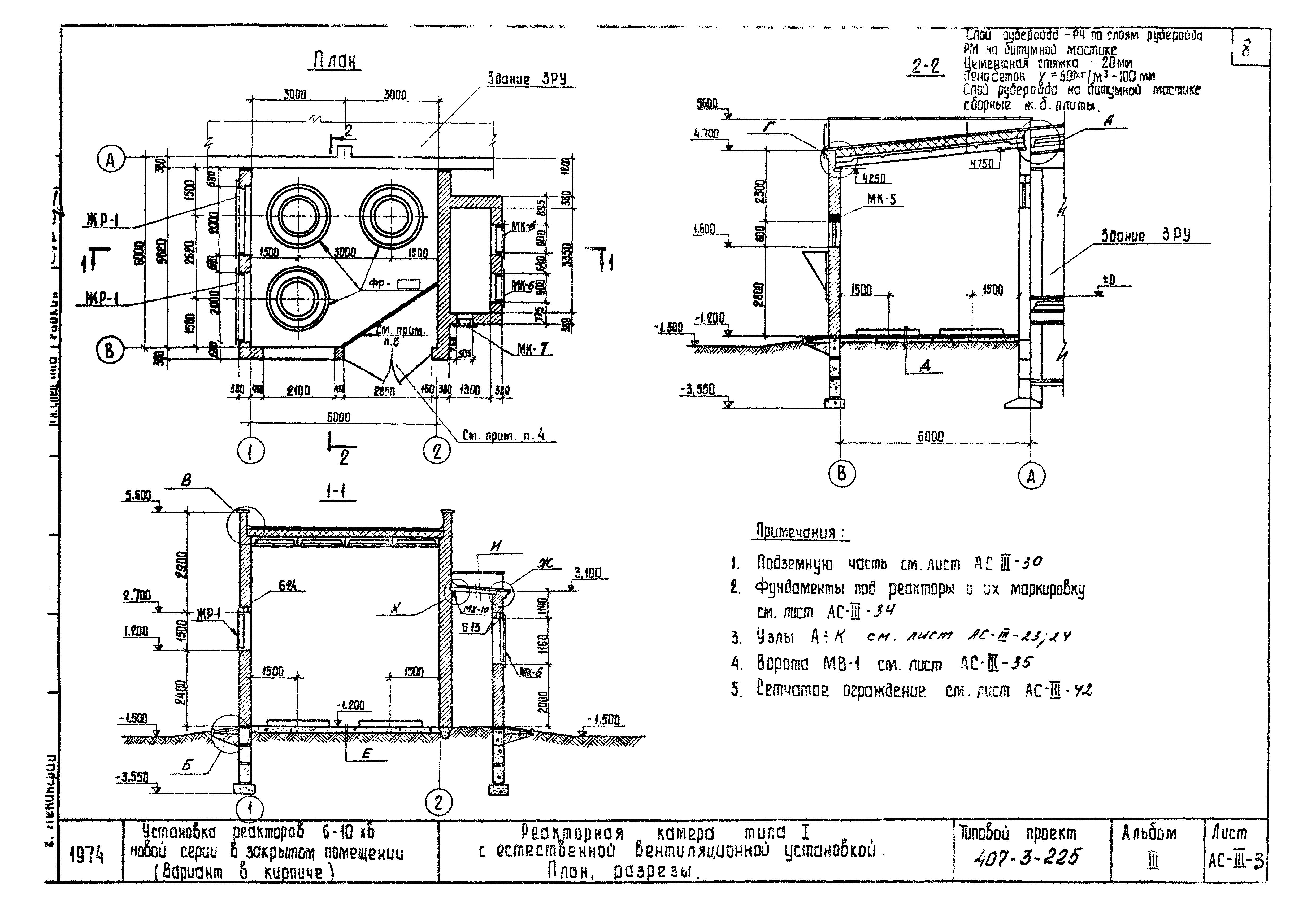
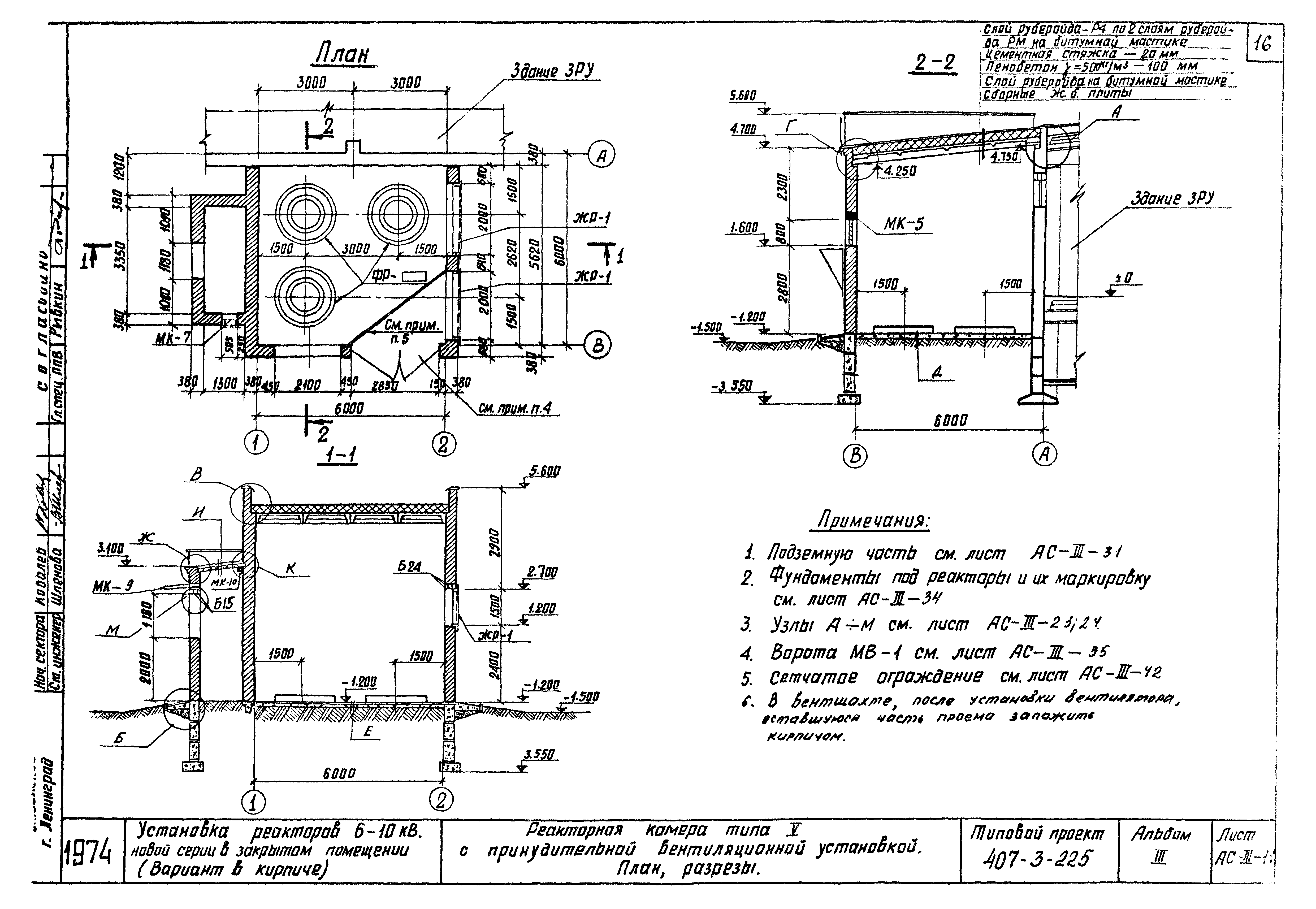
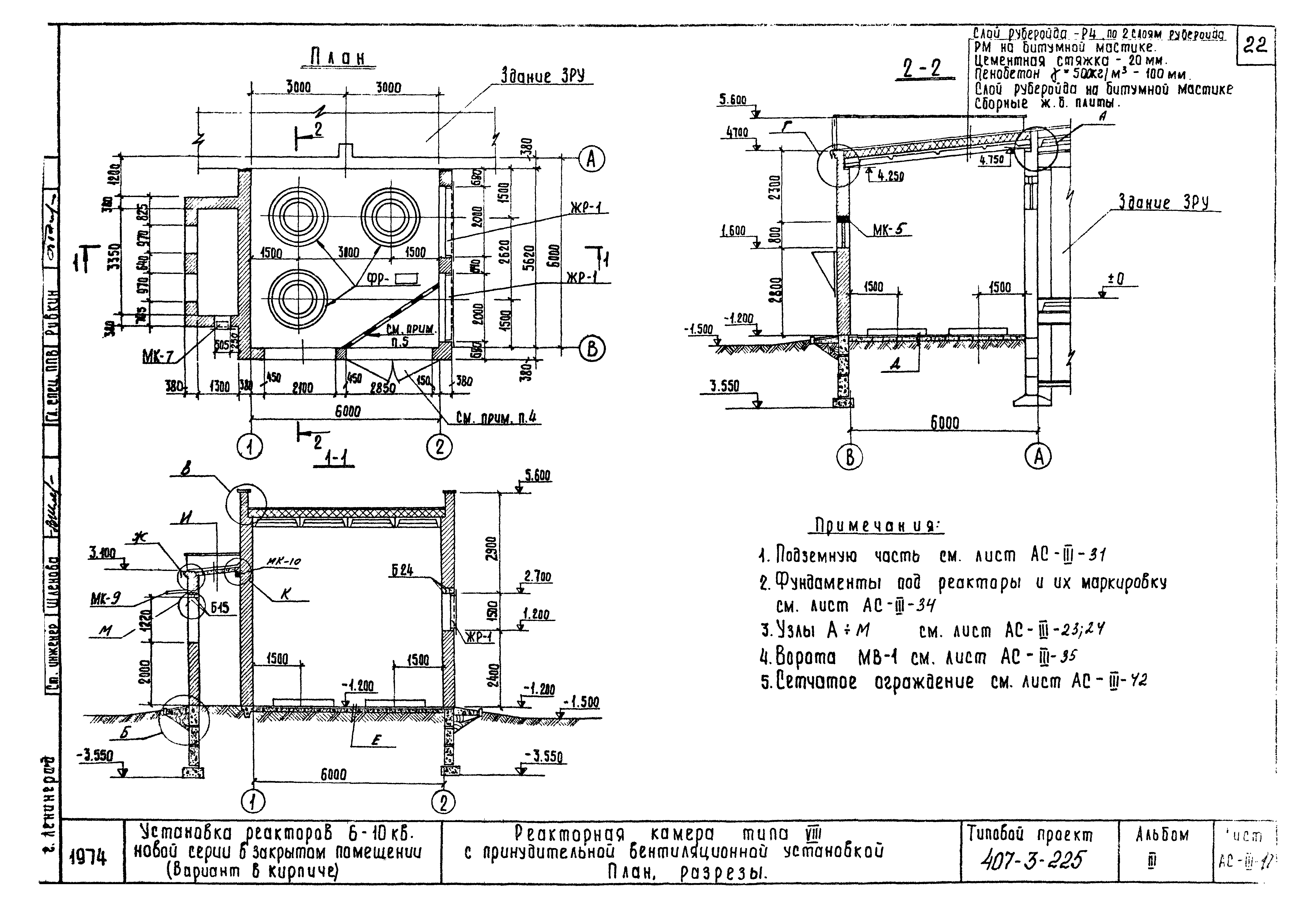
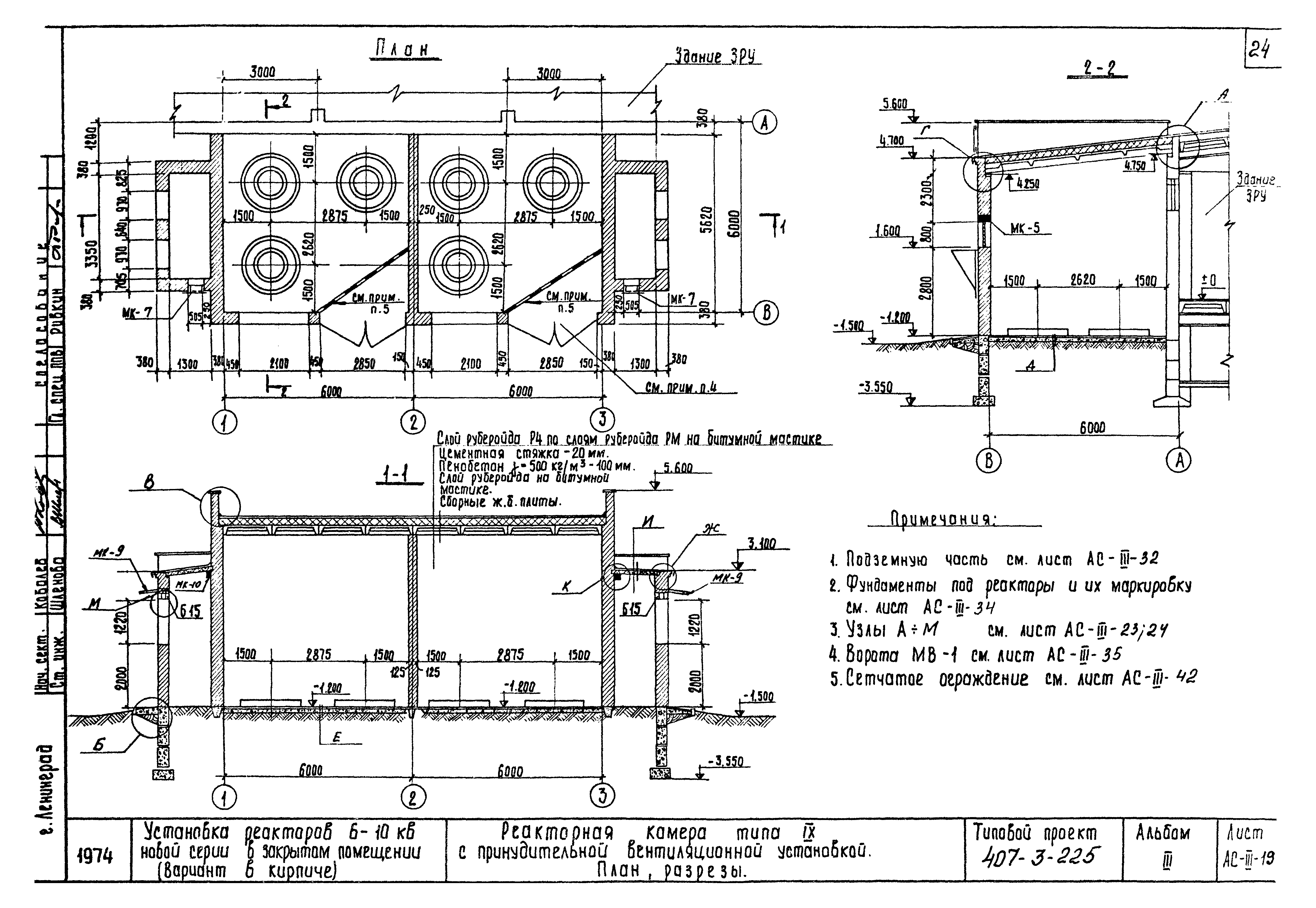
| Оглавление: | Перечень листов Пояснительная записка Обзорный лист Заглавный лист Реакторная камера типа I с естественной вентиляционной установкой. Фасады Реакторная камера типа I с естественной вентиляционной установкой. План, разрезы Реакторная камера типа II с естественной вентиляционной установкой. Фасады Реакторная камера типа II с естественной вентиляционной установкой. План, разрезы Реакторная камера типа III с естественной вентиляционной установкой. Фасады Реакторная камера типа III с естественной вентиляционной установкой. План, разрезы Реакторная камера типа IV с принудительной вентиляционной установкой. Фасады Реакторная камера типа IV с принудительной вентиляционной установкой. План, разрезы Реакторная камера типа V с принудительной вентиляционной установкой. Фасады Реакторная камера типа V с принудительной вентиляционной установкой. План, разрезы Реакторная камера типа VI с принудительной вентиляционной установкой. Фасады Реакторная камера типа VI с принудительной вентиляционной установкой. План, разрезы Реакторная камера типа VII с принудительной вентиляционной установкой. Фасады Реакторная камера типа VII с принудительной вентиляционной установкой. План, разрезы Реакторная камера типа VIII с принудительной вентиляционной установкой. Фасады Реакторная камера типа VIII с принудительной вентиляционной установкой. План, разрезы Реакторная камера типа IX с принудительной вентиляционной установкой. Фасады Реакторная камера типа IX с принудительной вентиляционной установкой. План, разрезы Реакторные камеры типа I, IV, VII. План раскладки кровельных плит. План раскладки опорных подушек Реакторные камеры типа II, V, VIII. План раскладки кровельных плит. План раскладки опорных подушек Реакторные камеры типа III, VI, IX. План раскладки кровельных плит. План раскладки опорных подушек Реакторные камеры типа I - IX. Архитектурные детали А - Д Реакторные камеры типа I - IX. Архитектурные детали Е - Л Реакторные камеры типа I, II, IV, V, VII, VIII. Фрагмент фасада №1 Реакторные камеры типа III, VI, IX. Фрагмент фасада №2 Реакторные камеры типа I, IV, VII. Фундаменты здания. План, виды, сечения Реакторные камеры типа II, V, VIII. Фундаменты здания. План, виды, сечения Реакторные камеры типа III, VI, IX. Фундаменты здания. План, виды, сечения Реакторные камеры типа I, IV, VII. Подземная часть. План каналов. План раскладки асбестоцементных досок. Разрезы Реакторные камеры типа II, V, VIII. Подземная часть. План каналов. План раскладки асбестоцементных досок. Разрезы Реакторные камеры типа III, VI, IX. Подземная часть. План каналов. План раскладки асбестоцементных досок. Разрезы Реакторные камеры типа III, VI, IX. Подземная часть. Разрезы Реакторные камеры I - IX. Фундаменты под реакторы Реакторные камеры I - IX. Монтажная схема установки ворот Реакторные камеры I - IX. Металлические ворота. Коробка К-1 и балка МК-5 Реакторные камеры I - IX. Металлические ворота. Полотно МВ-1 Реакторные камеры I - IX. Металлические ворота. Комплекты "Б", "В", "Г" Реакторные камеры I - IX. Металлические ворота. Комплект "Ж" Реакторные камеры I - IX. Металлические ворота. Комплекты "И", "Л" Реакторные камеры I - IX. Металлические ворота. Комплект "К" Реакторные камеры I - IX. Сетчатое ограждение. Монтажная схема Реакторные камеры I - IX. Сетчатое ограждение. Металлоконструкции. Марки С-1, С-2, К-1 Реакторные камеры I - IX. Сетчатое ограждение. Металлоконструкции. Марки С-3 - С-6 Реакторные камеры I - IX. Металлоконструкции. Марки МК-1 - МК-3 Реакторные камеры I - IX. Металлоконструкции. Марки МК-4, МК-6 - МК-8 Реакторные камеры I - IX. Металлоконструкции. Марки МК-9 - МК-10 Реакторные камеры I - IX. Металлоконструкции. Марки ЖР-1 Реакторные камеры I - IX. Металлоконструкции. Марки ЖР-2 Реакторные камеры I - IX. Сводная спецификация железобетонных и бетонных элементов Реакторные камеры I - IX. Сводная спецификация стальных элементов |
| Разработан: | Северо-западное отделение института Энергосетьпроект |
| Утверждён: | 01.10.1975 Минэнерго СССР (USSR Minenergo 175) |
























































