Скачать Типовой проект 407-3-225 Альбом VI. Сметы (вариант в кирпиче)Дата актуализации: 01.01.2021
|
| Обозначение: | Типовой проект 407-3-225 |
| Обозначение англ: | 407-3-225 |
| Статус: | действует |
| Название рус.: | Альбом VI. Сметы (вариант в кирпиче) |
| Дата добавления в базу: | 01.10.2014 |
| Дата актуализации: | 01.01.2021 |
| Дата введения: | 01.10.1975 |
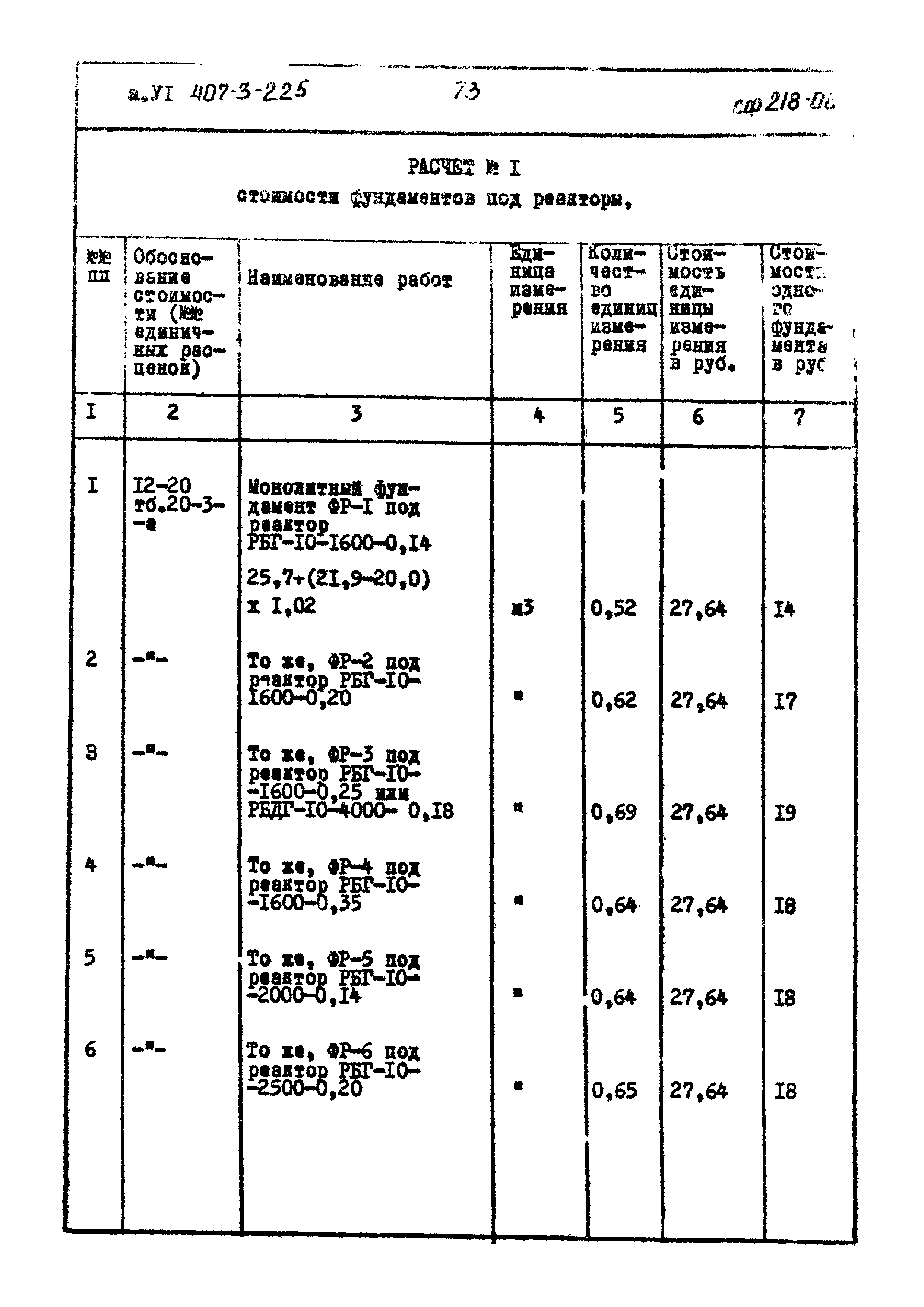
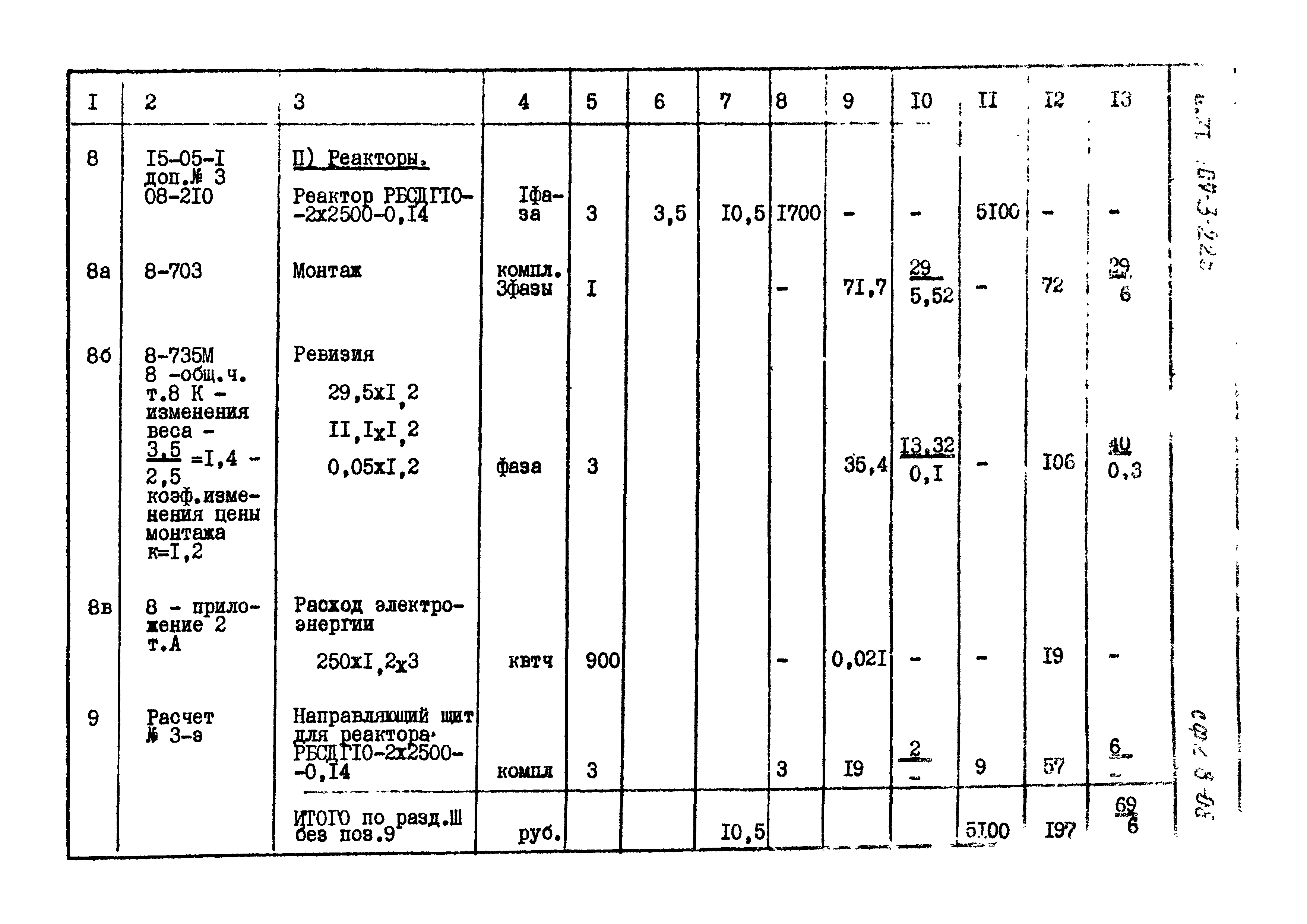
| Оглавление: | Пояснительная записка Объектная смета №1 на установку реакторов 6 - 10 кВ новой серии в закрытом помещении (реакторы РБСДГ-10-2х2500-0,14, вариант в кирпиче 6х6) Объектная смета №2 на установку реакторов 6 - 10 кВ новой серии в закрытом помещении (реакторы РБГ-10-2500-0,14, вариант в кирпиче 6х12) Смета №1 на строительные работы (здание 6х6) Смета №2 на строительные работы (здание 6х12) Выборка ресурсов к сметам №1 и 2 Смета №3 на вентиляцию Выборка ресурсов к смете №3 Калькуляция №1 транспортных расходов на 1 куб. м перемещения грунта Калькуляция №2 транспортных расходов на 1 куб. м сборных бетонных и железобетонных конструкций Калькуляция №3 стоимости железобетонных конструкций Расчет №1 стоимости фундаментов под реакторы Расчет средних оптовых цен Оптовая цена по поясам Ведомость корректировки стоимости арматуры Смета №4 на приобретение и монтаж одинарных бетонных реакторов типа РБГ10-1600-0,14; 0,20; 0,25; 0,35 Смета №5 на приобретение и монтаж одинарных бетонных реакторов типа РБГ10-2500-0,14 и 0,20; РБДГ10-2500-0,25 и 0,35 Смета №6 на приобретение и монтаж одинарных бетонных реакторов типа РБДГ10-4000-0,105 и 0,18 Смета №7 на приобретение и монтаж сдвоенных бетонных реакторов типа РБСДГ10-2х2500-0,14 Смета №8 на приобретение и монтаж сдвоенных бетонных реакторов типа РБСДГ10-2х2500-0,2 Смета №9 на приобретение и монтаж 2-х трансформаторов напряжением НОМ-10У4 Смета №10 на приобретение и монтаж 2-х трансформаторов напряжением НОМ-6У4 Смета №11 на монтаж электроосвещения помещения для установки реакторов РБГ и РБДГ/РБСДГ - 10 кВ Смета №12 стоимости шкафа обдувки реакторов Расчет №1э стоимости проходной доски наружной установки с изоляторами ПН-10/2000-1250; ПН-20/2000; 3200-1250 Расчет №2э стоимости проходной доски наружной установки с изоляторами ПН-10/5000; 6300-4250 Расчет №3э стоимости установки направляющего щита для реакторов РБГ10-1600-0,14; 0,20/РБГ10-1600-0,25; 0,35; РБГ10-2500; РБДГ10-4000; РБСДГ10-2х2500-0,2; 0,14 Сводка объемов и стоимости работ по сметам №1, 3 (вариант в кирпиче 6х6) Сводка объемов и стоимости работ по сметам №2, 3 (вариант в кирпиче 6х12) |
| Разработан: | Северо-западное отделение института Энергосетьпроект |
| Утверждён: | 01.10.1975 Минэнерго СССР (USSR Minenergo 175) |










































































































































