Скачать Типовой проект 407-3-229 Альбом IV. Строительная часть. Планы и разрезы ОРУДата актуализации: 01.01.2021
|
| Обозначение: | Типовой проект 407-3-229 |
| Обозначение англ: | 407-3-229 |
| Статус: | действует |
| Название рус.: | Альбом IV. Строительная часть. Планы и разрезы ОРУ |
| Дата добавления в базу: | 01.10.2014 |
| Дата актуализации: | 01.01.2021 |
| Дата введения: | 27.01.1975 |
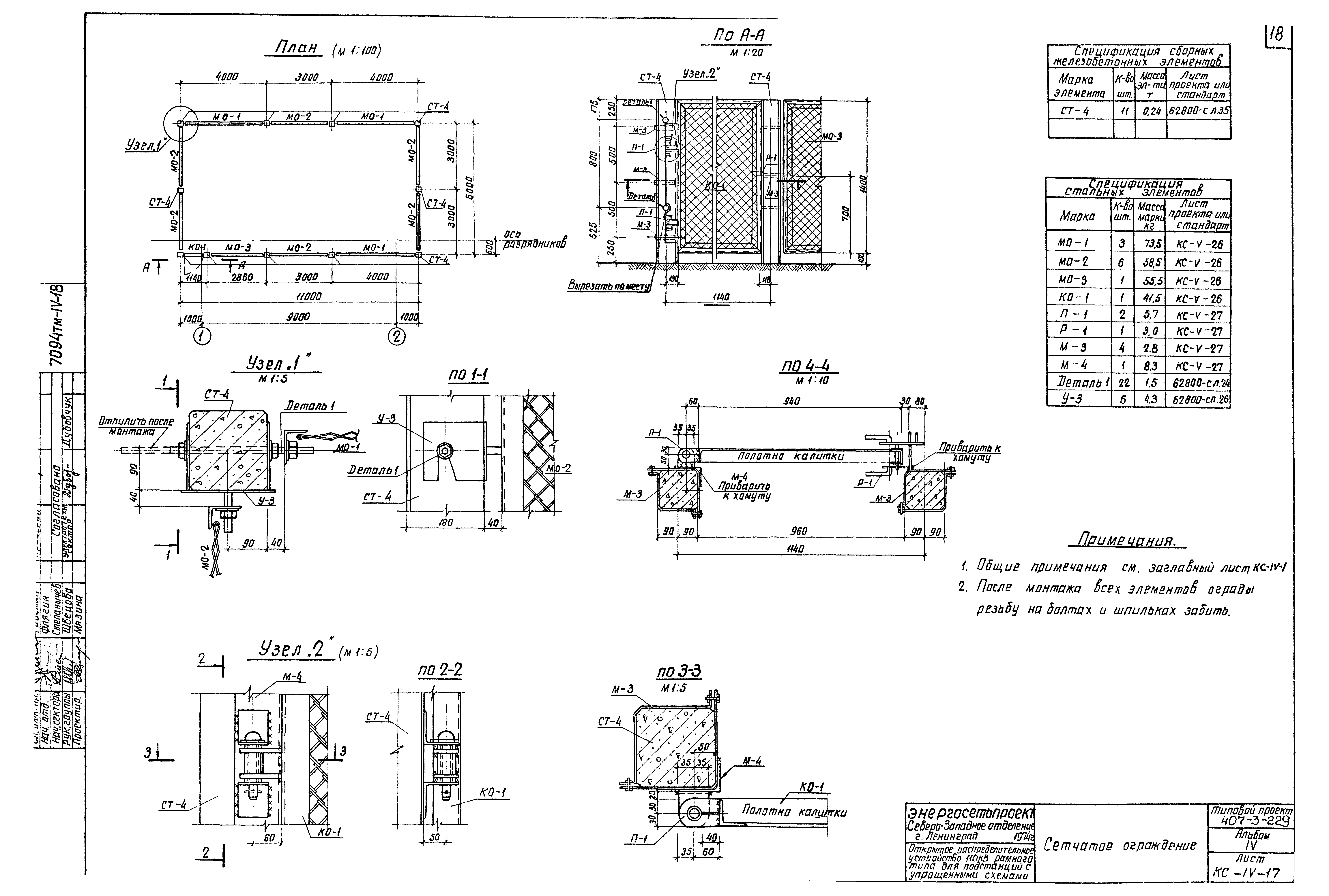
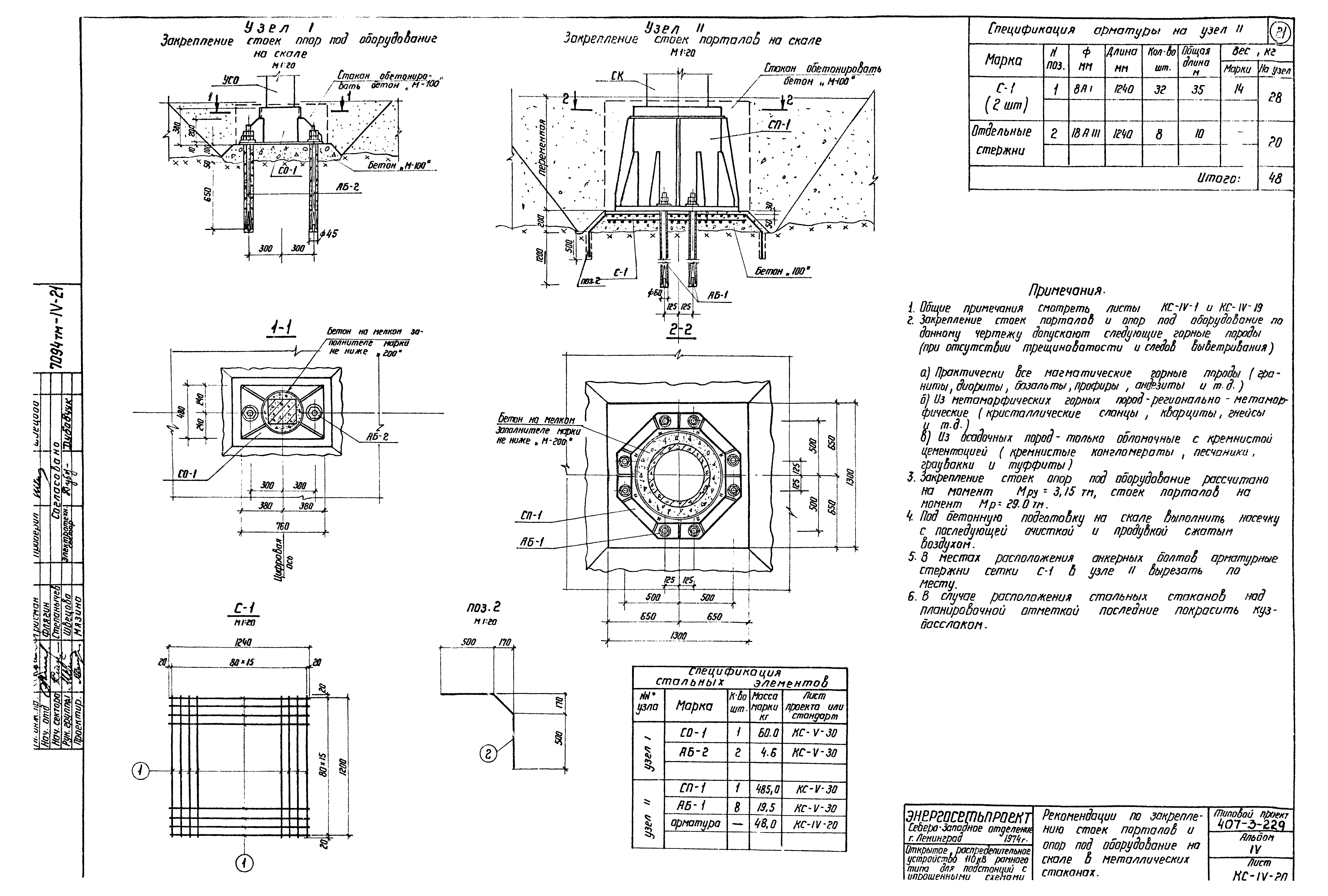
| Оглавление: | Содержание альбома. Заглавный лист Схема 110-1. План, разрезы, маркировка, сводные спецификации Схема 110-2. План, разрезы, маркировка, сводные спецификации Схема 110-3. План, разрезы, маркировка, сводные спецификации Схема 110-4. План, разрезы, маркировка, сводные спецификации Схема 110-5. План, разрезы, маркировка, сводные спецификации Схема 110-5. Разрезы, схема портала, узел 1 Схема 110-6. План. Сводные спецификации Схема 110-6. Разрезы, маркировка Схема 110-8. Планы, маркировка. Сводные спецификации Схема 110-8. Разрезы, схема портала, узел 1 Схема 110-9. План порталов Схема 110-9. План конструкций под оборудование с выключателями МКП Схема 110-9. План конструкций под оборудование с выключателями ВВБ Схема 110-9. Разрезы 1-1, 2-2. Сводные спецификации Монтажные узлы 1 - 7 Сетчатое ограждение Узлы крепления приводов Рекомендации по закреплению в грунте стоек порталов опор под оборудование Рекомендации по закреплению стоек порталов и опор под оборудование на скале в металлических стаканах |
| Разработан: | Северо-западное отделение института Энергосетьпроект |
| Утверждён: | 27.01.1975 Минэнерго СССР (USSR Minenergo 20) |





















