Скачать Типовой проект 411-2-187.88 Альбом 2. Часть 1. Архитектурные решения. Конструкции железобетонныеДата актуализации: 01.01.2021
|
| Обозначение: | Типовой проект 411-2-187.88 |
| Обозначение англ: | 411-2-187.88 |
| Статус: | не определен законодательством |
| Название рус.: | Альбом 2. Часть 1. Архитектурные решения. Конструкции железобетонные |
| Дата добавления в базу: | 01.10.2014 |
| Дата актуализации: | 01.01.2021 |
| Дата введения: | 27.06.1988 |
| Дата окончания срока действия: | 30.06.2003 |
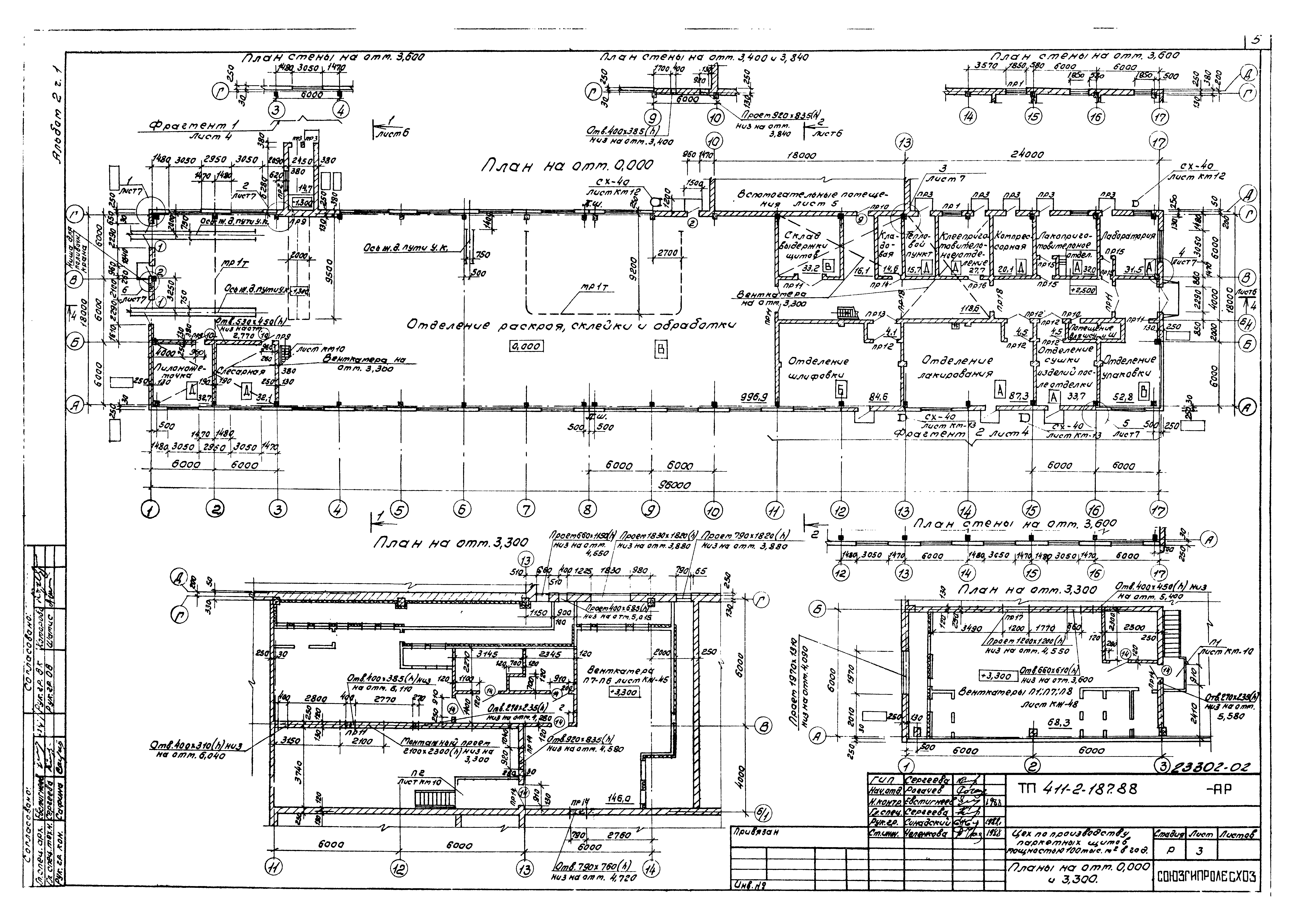
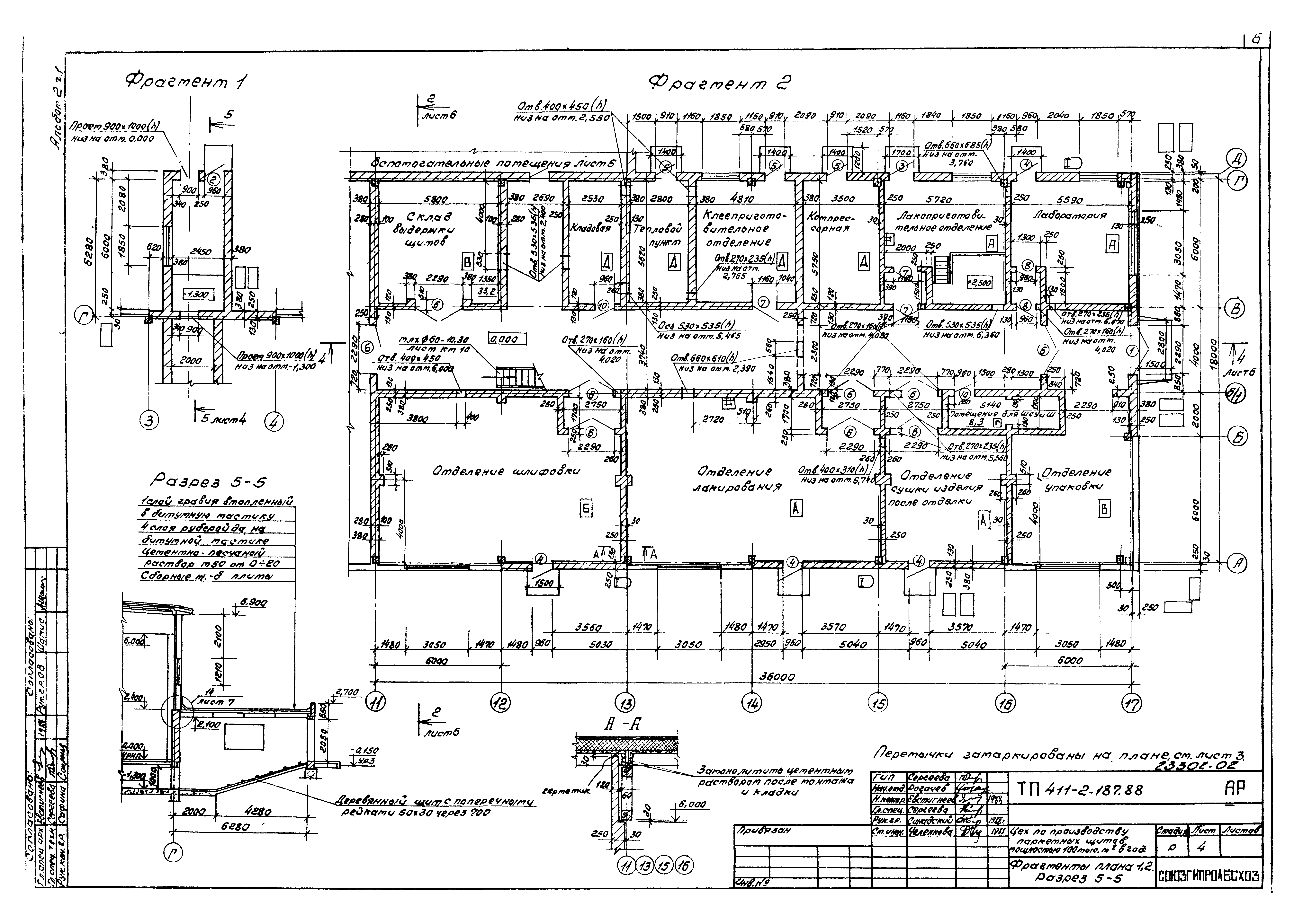
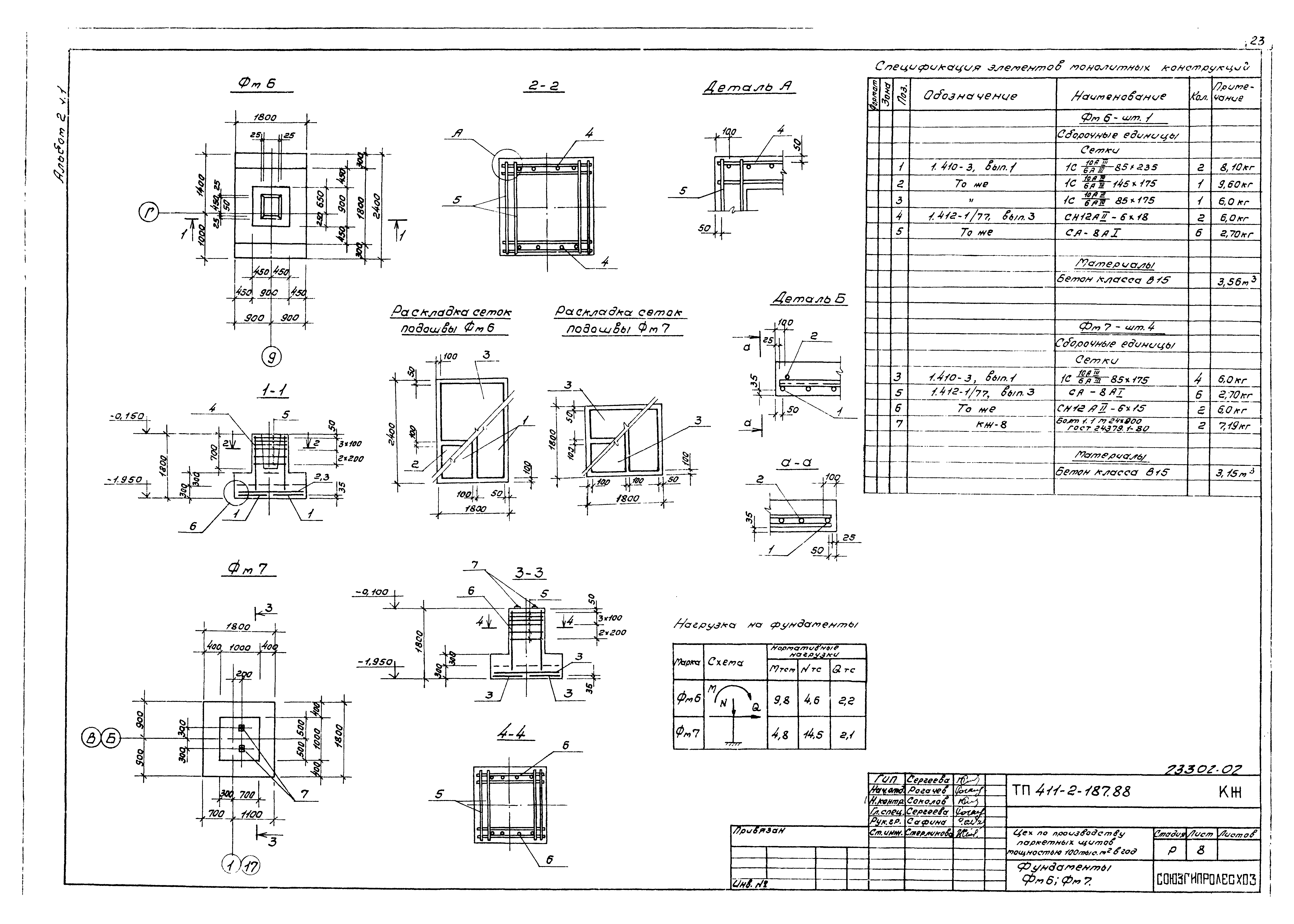
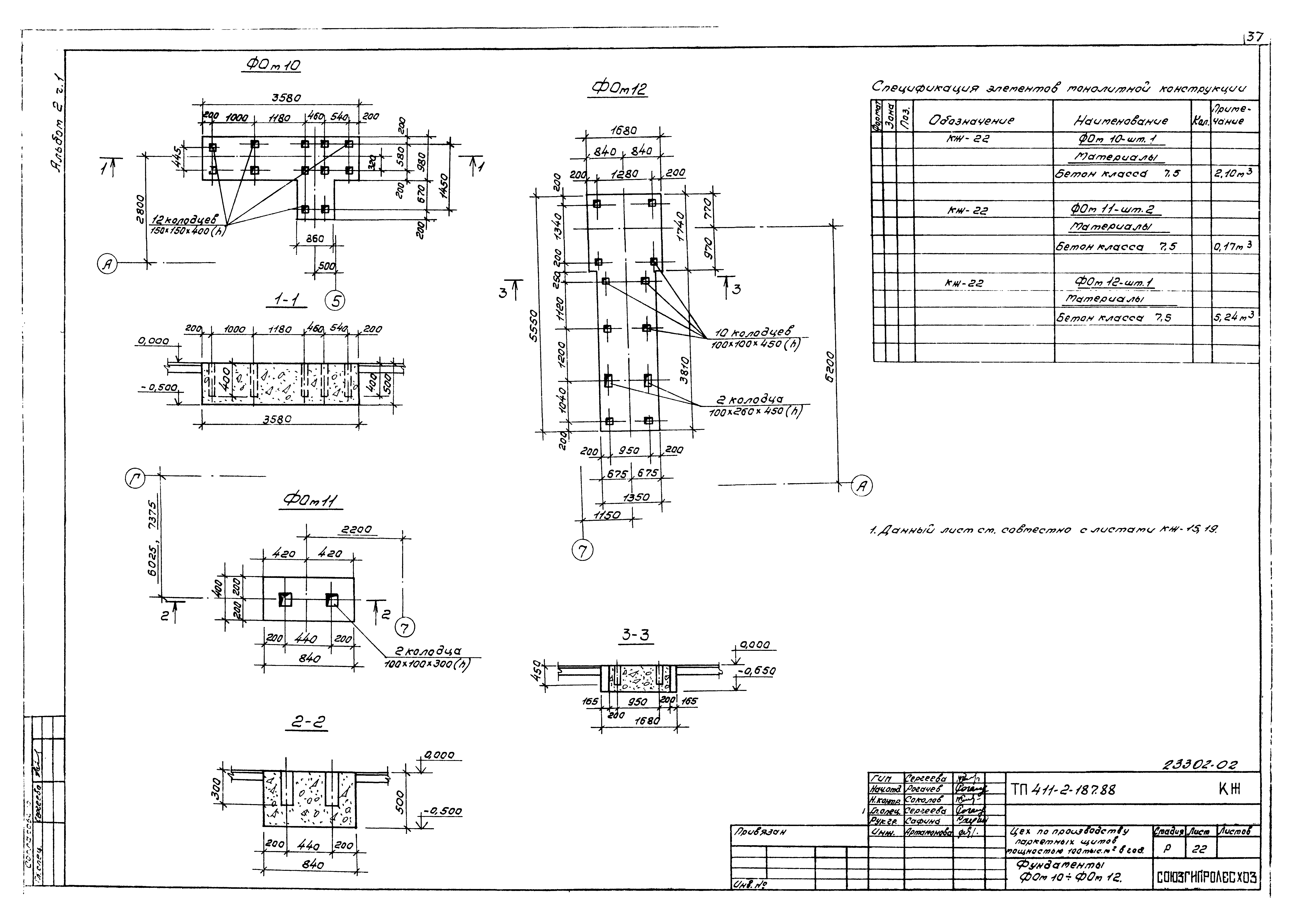
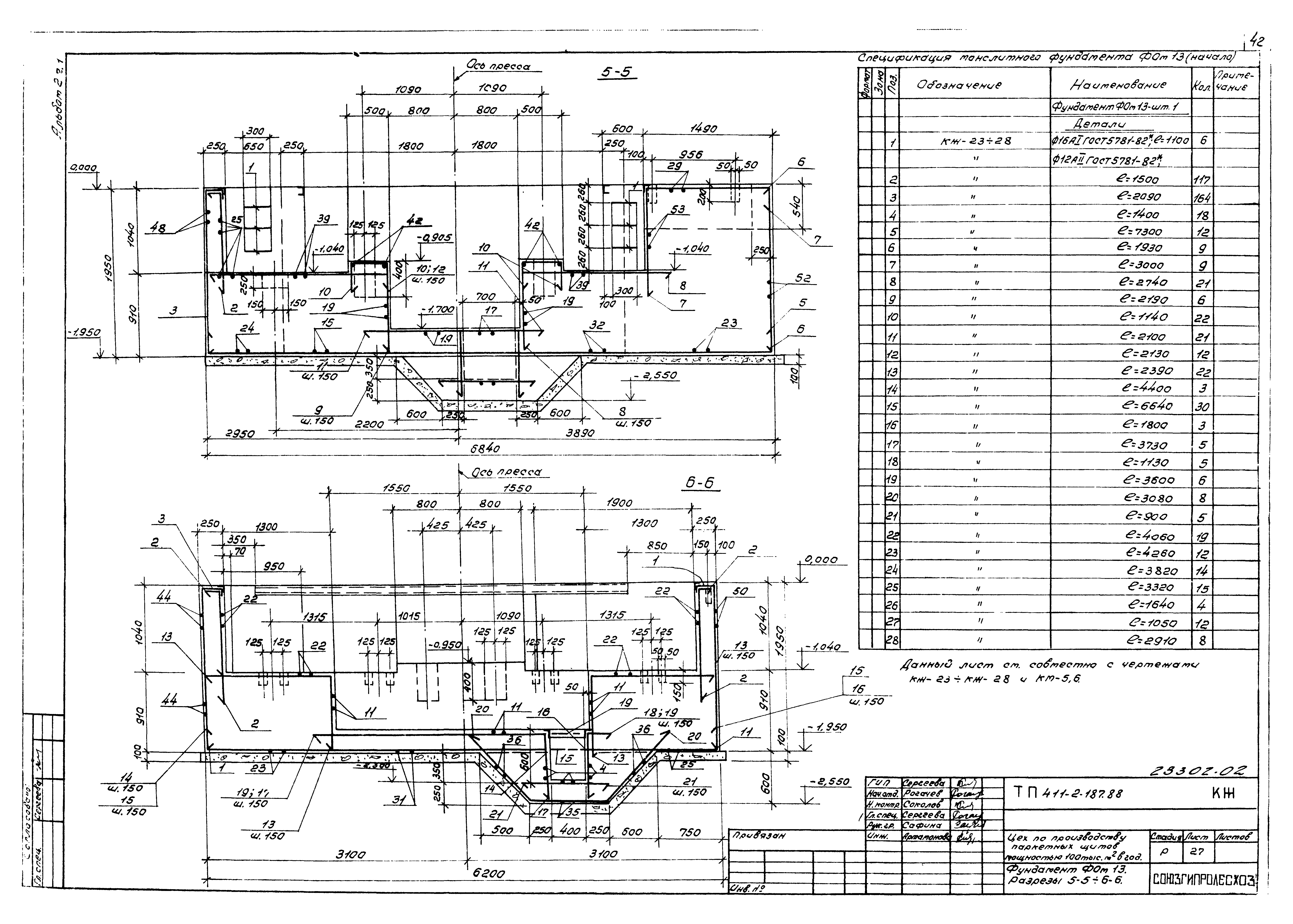
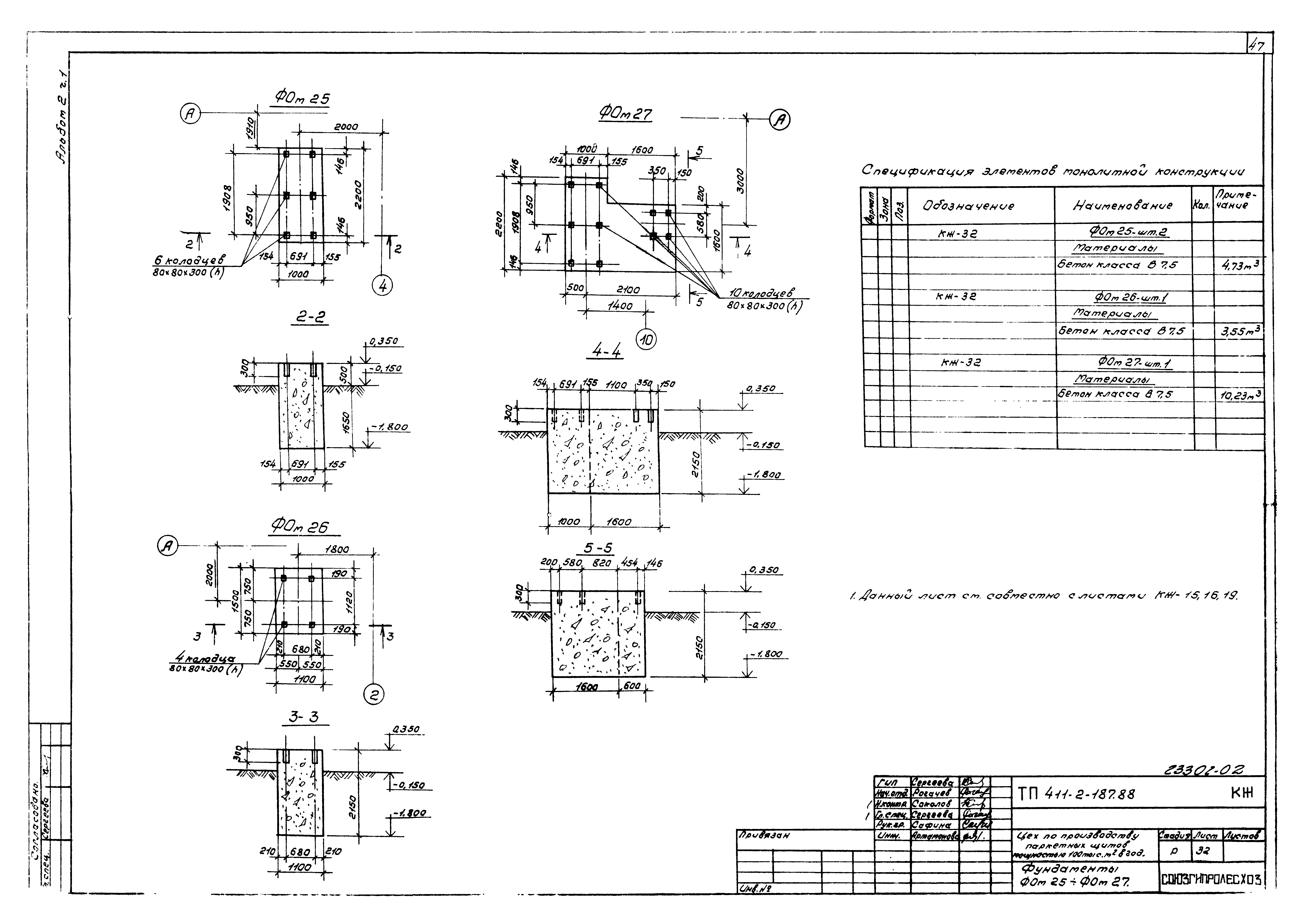
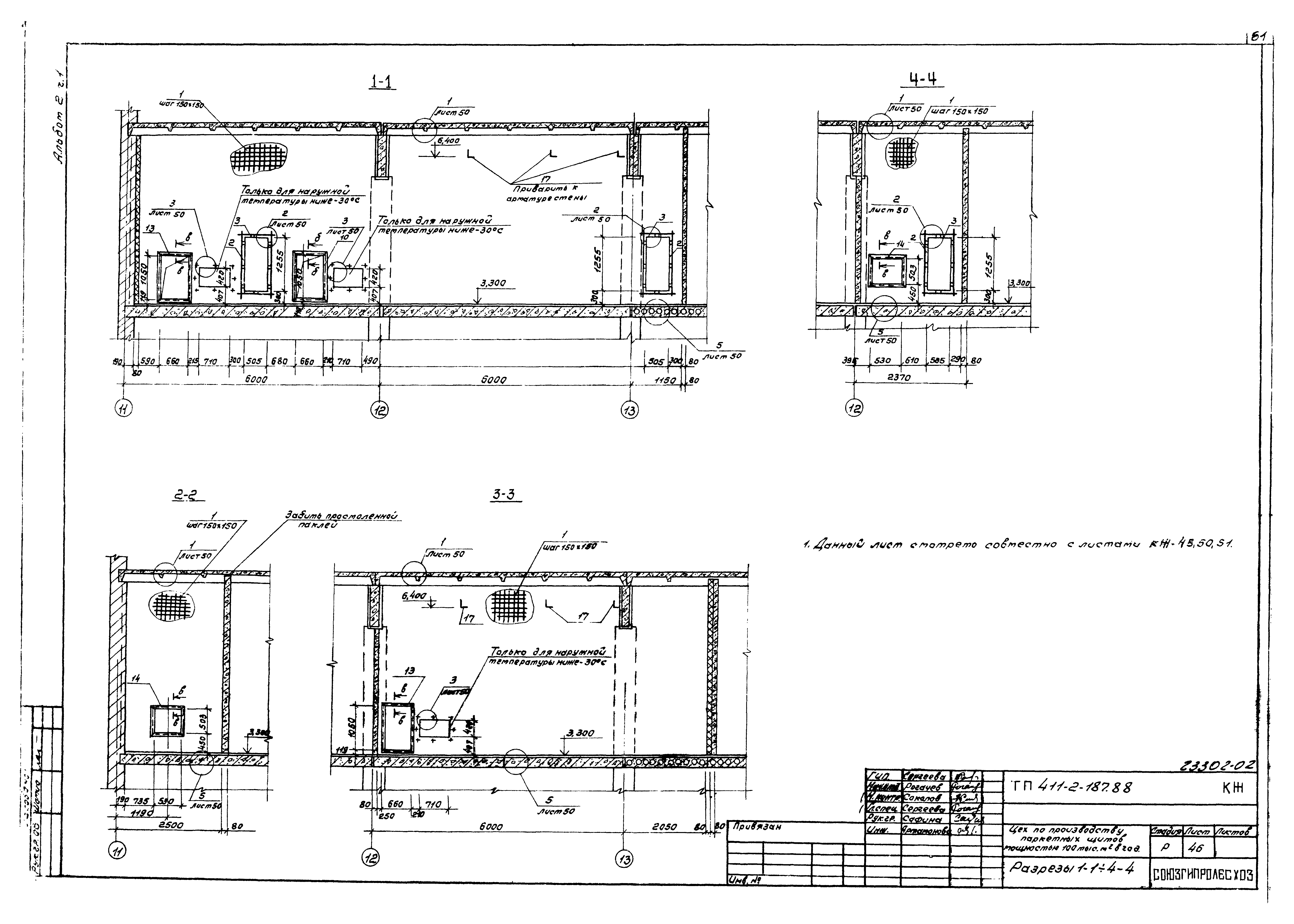
| Оглавление: | Содержание альбома Архитектурные решения Общие данные Планы на отм. 0.000 и 3.300 Фрагменты плана 1, 2. Разрез 5-5 Вспомогательные помещения. Планы на отм. 0.000 и 3.300 Разрезы 1-1, 2-2, 3-3, 4-4 Детали с 1 - 14 Планы расположения отверстий, ниш Фасады Планы полов и кровли. Экспликация полов. Деталь. Фрагменты плана Спецификация. Ведомость проемов дверей. Схемы расположения элементов оконных проемов и жалюзийных решеток Ведомость перемычек. Спецификация перемычек Ведомость перемычек. Спецификация перемычек для наружной температуры минус 20 и минус 40 градусов Цельсия Конструкции железобетонные Общие данные Схема расположения фундаментов и фундаментных балок Сечения 1-1 - 7-7. Узлы 1, 2 Узлы 3 - 6 Фундаменты Фм1, Фм2, Фм3 Фундаменты Фм4, Фм5 Фундаменты Фм6, Фм7 Бытовые помещения. Схема расположения фундаментов Бытовые помещения. Схема расположения сборных фундаментов (вариант) Раскладка блоков по осям Е, Ж, 10, 12/1, 13 Схема расположения фундаментов под ленточный конвейер. Фундаменты Фм9, Фм10 Схема расположения фундаментов под опоры пневмотранспорта Фундаменты под опоры пневмотранспорта Фм11, Фм12 Схема расположения фундаментов под оборудование в осях 1 - 9 Схема расположения фундаментов под оборудование в осях 9 - 17 Схема расположения узкоколейного пути. Сечение 1-1 - 3-3 Сечения 4-4 - 9-9 Схема расположения фундаментов под оборудование в траншее Т1, подпольных каналов в бытовых помещениях Фундаменты ФОм1 - ФОм16 Фундаменты ФОм7 - ФОм9 Фундаменты ФОм10 - ФОм12 Фундамент под пресс ФОм13. Опалубка Фундамент ФОм13. Армирование подошвы фундамента Фундамент ФОм13. Армирование сетей Фундамент ФОм13. Разрезы 1-1, 4-4 Фундамент ФОм13. Разрезы 5-5, 6-6 Фундамент ФОм13. Разрез 7-7. Спецификация Фундаменты ФОм14 - ФОм16 Фундаменты ФОм17 - ФОм21 Фундаменты ФОм22 - ФОм24 Фундаменты ФОм25 - ФОм27 Схема расположения отстойника для клея Схема расположения колонн Схема расположения балок и плит Разрезы 1-1, 2-2. Схема расположения плит перекрытия на отм. 3.300 Схема расположения плит перекрытия на отм. 3.300. Монолитные участки Ум1, Ум2 Бытовые помещения. Схемы расположения панелей перекрытия и покрытия Схема расположения панелей по осям А, Г, 1, 17 Фрагменты крепления панелей 1 - 13 Спецификация к схеме расположения панелей Спецификация к схеме расположения и крепления панелей Спецификация элементов крепления панелей Схема расположения элементов железобетонной лестницы Схема расположения венткамеры ВК1 Разрезы 1-1 - 4-4 Разрезы 5-5 - 8-8 Схемы расположения венткамер ВК2, ВК3 Разрезы 1-1, 2-2 Разрезы 3-3 - 7-7 Спецификация элементов венткамер ВК1, ВК2, ВК3 Схема расположения подвесок воздуховодов в осях 1 - 9 Схема расположения подвесок воздуховодов в осях 9 - 17 Схема расположения опор пневмотранспорта |
| Разработан: | Союзгипролесхоз |
| Утверждён: | 20.06.1988 Госкомлес СССР (USSR Goskomles 16) |
| Издан: | ЦИТП Госстроя СССР (CITP, Gosstroy (USSR) 1989 г. ) |






































































