Скачать Типовой проект 411-2-187.88 Альбом 4. Силовое электрооборудование. Электрическое освещение. Связь и сигнализация. Автоматизация санитарно-технических системДата актуализации: 01.01.2021
|
| Обозначение: | Типовой проект 411-2-187.88 |
| Обозначение англ: | 411-2-187.88 |
| Статус: | не определен законодательством |
| Название рус.: | Альбом 4. Силовое электрооборудование. Электрическое освещение. Связь и сигнализация. Автоматизация санитарно-технических систем |
| Дата добавления в базу: | 01.10.2014 |
| Дата актуализации: | 01.01.2021 |
| Дата введения: | 27.06.1988 |
| Дата окончания срока действия: | 30.06.2003 |
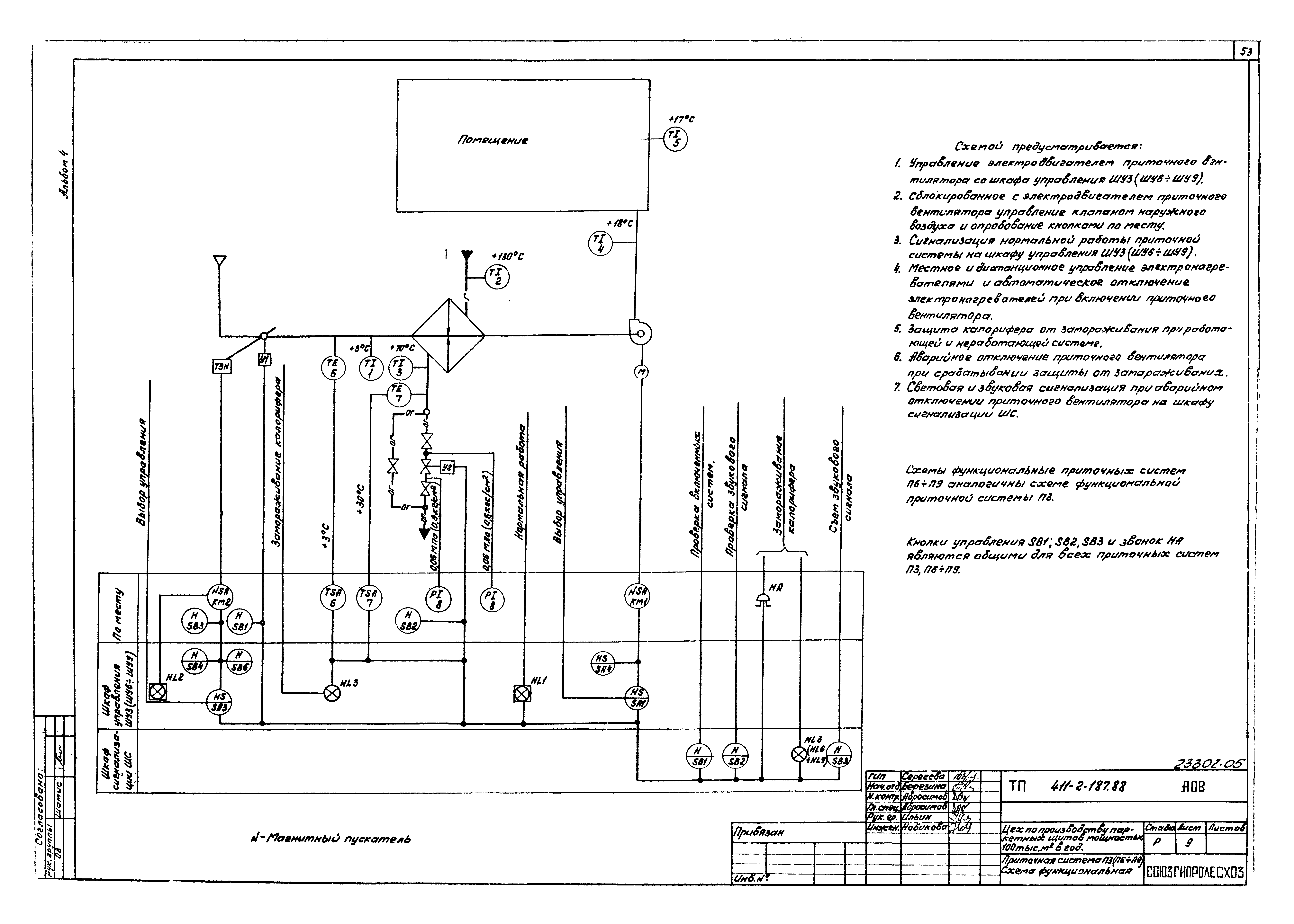
| Оглавление: | Содержание альбома Силовое электрооборудование Общие данные План питающей сети и магистрали зануления План расположения электрооборудования и прокладки электрических сетей в осях 1 - 9 План расположения электрооборудования и прокладки электрических сетей в осях 9 - 17 Планы вспомогательных помещений Пневмотранспорт В1 - В5. План расположения Спецификация к чертежам ЭМ5 - ЭМ8 Сводка кабелей, проводов и труб Схема принципиальная питающей и распределительной сети Отключение вентсистем при пожаре. Схема электрическая принципиальная управления. Схема подключения Схема электрическая принципиальная управления задвижкой Схема подключения пожарной задвижки Механизмы поз. 9, 4-1, 4-2, 40. Схемы электрические принципиальные управления Механизмы поз. 9, 4-1, 4-2, 40. Схемы подключения Пневмотранспорт В1 (В2 - В5). Схема электрическая принципиальная управления Пневмотранспорт В1. Схемы подключения Пневмотранспорт В2, В3. Схемы подключения Пневмотранспорт В4, В5. Схемы подключения Молниезащита Ведомости Электрическое освещение Общие данные Планы расположения электрического оборудования и прокладки электрических сетей производственных помещений Планы расположения электрического оборудования и прокладки электрических сетей вспомогательных помещений Принципиальная схема питающей сети Ведомости Связь и сигнализация Общие данные План на отм. 0.000 расположения комплексной телефонной сети План на отм. 0.000 и 3.000 расположения комплексной телефонной сети Планы на отм. 0.000 и 3.000 расположения сетей радиотрансляции и телевидения Спецификация к чертежам СС-2, СС-3, СС-4 Схемы устройства связи и сигнализации Автоматизация отопления и вентиляции Общие данные Приточная система П1 (П2, П4). Схема функциональная Приточная система П1 (П4). Схема электрическая принципиальная управления Приточная система П1 (П4). Схема электрическая принципиальная регулирования Приточная система П1 (П4). Схема внешних проводок Приточная система П2. Схема электрическая принципиальная управления Приточная система П2. Схема электрическая принципиальная регулирования Приточная система П2. Схема внешних проводок Приточная система П3 (П6 - П9). Схема функциональная Приточная система П3 (П6 - П9). Схема электрическая принципиальная управления Приточная система П3 (П6 - П9). Схема внешних проводок Приточная система П5. Схема функциональная Приточная система П5. Схема электрическая принципиальная управления Приточная система П5. Схема внешних проводок Сигнализация приточных систем П1 - П9. Схема электрическая принципиальная управления Сигнализация приточных систем П1 - П9. Схема внешних проводок Воздушно-тепловая завеса У1 (У2 - У3). Схема функциональная. Схемы электрические принципиальные управления Воздушно-тепловая завеса У1 (У2 - У3). Схема внешних проводок. Узел управления теплового пункта Воздушно-тепловая завеса У1 (У2 - У3). Схема функциональная. Схема трубных проводок Аварийная сигнализация. Схема функциональная. Схема электрическая принципиальная управления. Схема внешних проводок Аварийная сигнализация. План расположения |
| Разработан: | Союзгипролесхоз |
| Утверждён: | 20.06.1988 Госкомлес СССР (USSR Goskomles 16) |
| Издан: | ЦИТП Госстроя СССР (CITP, Gosstroy (USSR) 1989 г. ) |




































































