Скачать Типовые проектные решения 820-04-19.85 Альбом VII. Сметы. Монолитный вариантДата актуализации: 01.01.2021
|
| Обозначение: | Типовые проектные решения 820-04-19.85 |
| Обозначение англ: | 820-04-19.85 |
| Статус: | справочные материалы, мп, тпр |
| Название рус.: | Альбом VII. Сметы. Монолитный вариант |
| Дата добавления в базу: | 01.10.2014 |
| Дата актуализации: | 01.01.2021 |
| Дата окончания срока действия: | 29.04.1985 |
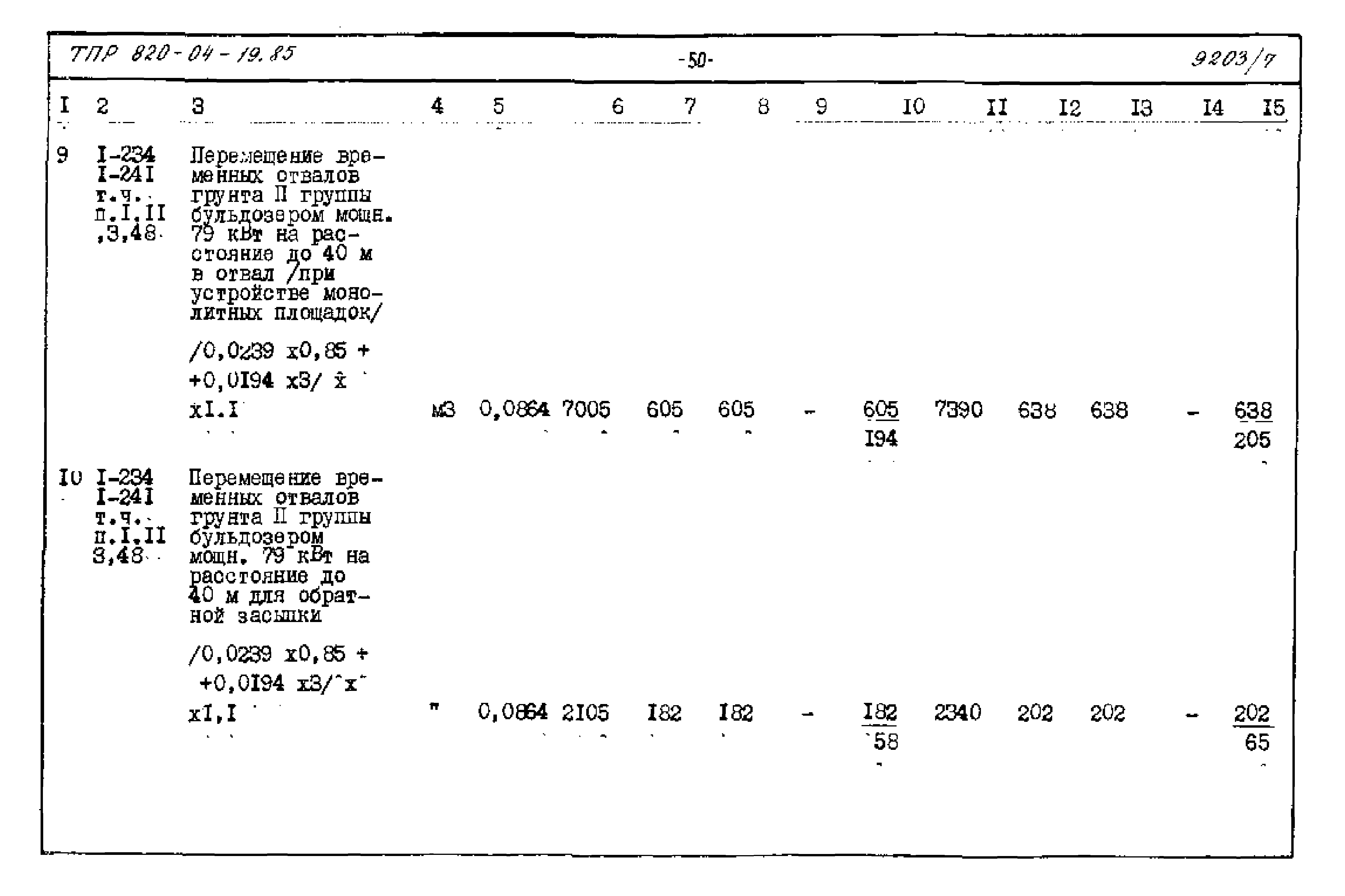
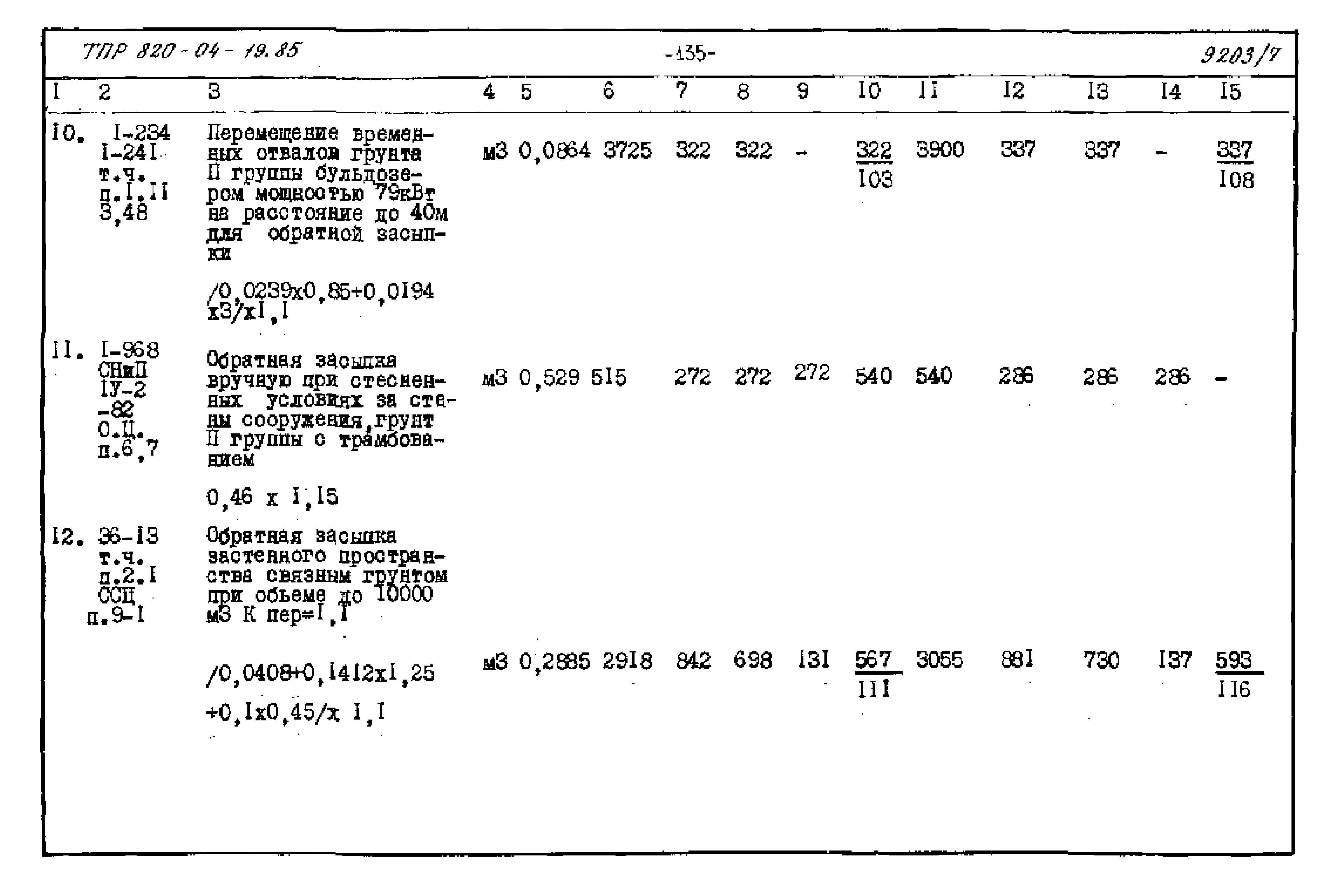
| Оглавление: | Пояснительная записка Каталог стоимости строительства водосбросов шахтного типа на расход воды от 50 до 110 куб. м/с при перепадах до 12 м Объектные сметы №1 - 16 на строительство водосбросов шахтного типа на расход воды от 50 до 110 куб. м/с при перепадах до 12 м Локальные сметы №1 - 16 на строительство водосбросов шахтного типа на расход воды от 50 до 110 куб. м/с при перепадах до 12 м Локальная смета №33 на приобретение и монтаж пазовой рамы Локальная смета №34 на приобретение и монтаж плоского глубинного затвора Локальная смета №35 на приобретение и монтаж сороудерживающей решетки Локальная смета №36 - 38 на приобретение и монтаж подъемника с ручным приводом 2, 5В, 5В, 10В Ведомость потребности в производственных ресурсах Каталог единых районных единичных расценок, привязанных к условиям строительства в Московской области |
| Разработан: | Укргипроводхоз Минводхоза СССР |
| Утверждён: | 29.04.1985 Минводхоз СССР (USSR Minvodkhoz 434) |



























































































































































































































