Скачать Временное положение о планово-предупредительном ремонте электроэнергетических устройств, оборудования и установок электрических сетей, наружного освещения и электрической части электростанций системы Минжилкомхоза РСФСРДата актуализации: 01.01.2021
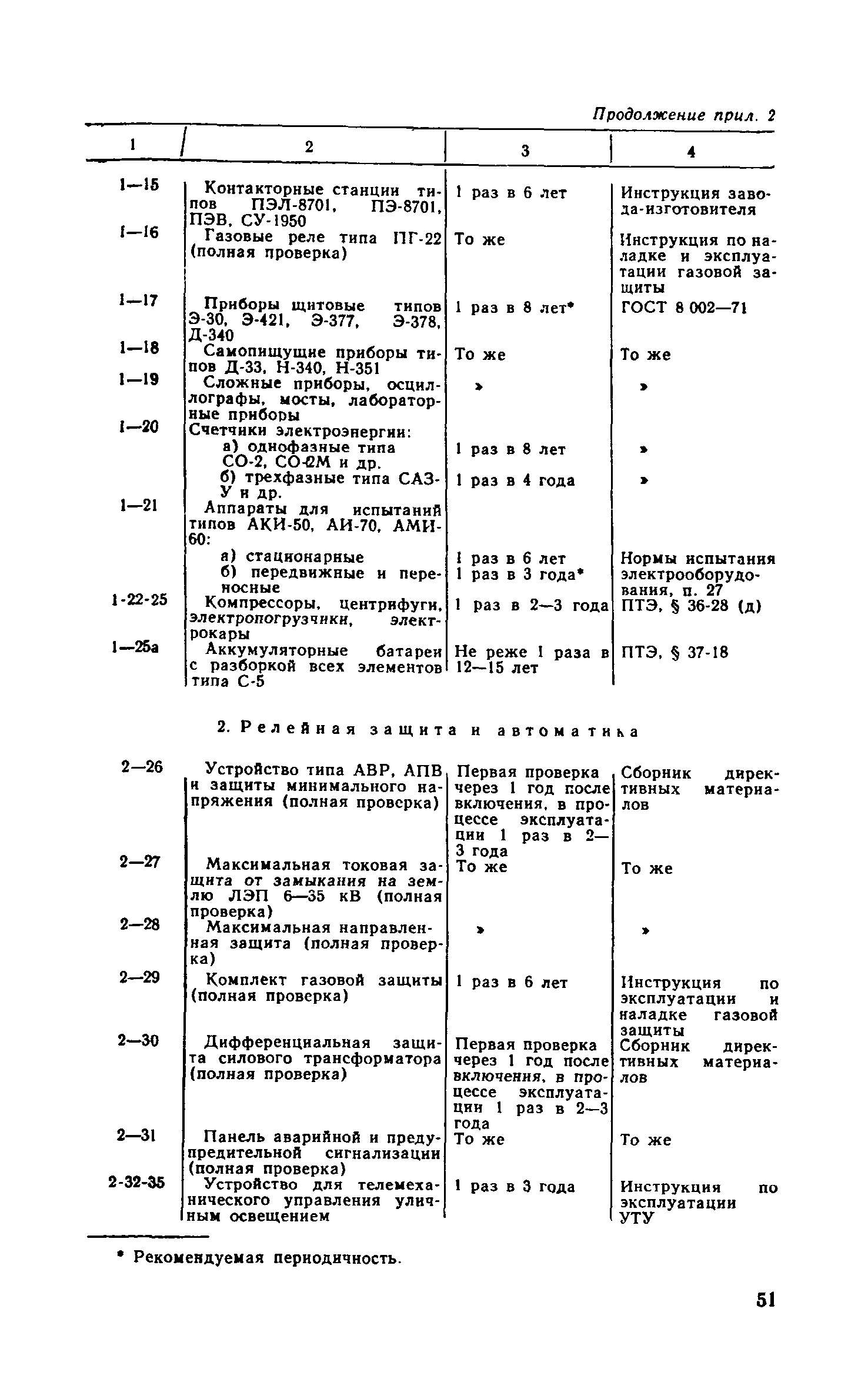
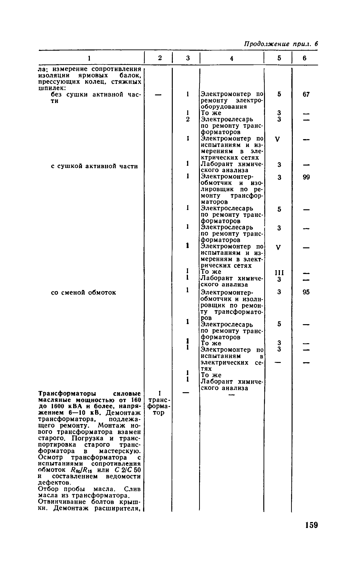
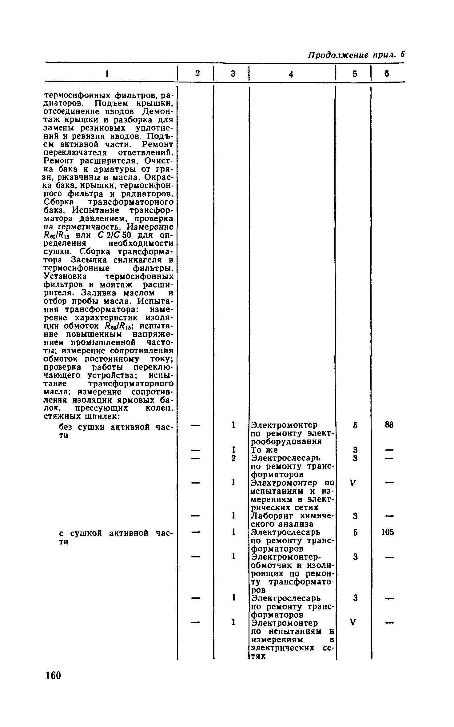
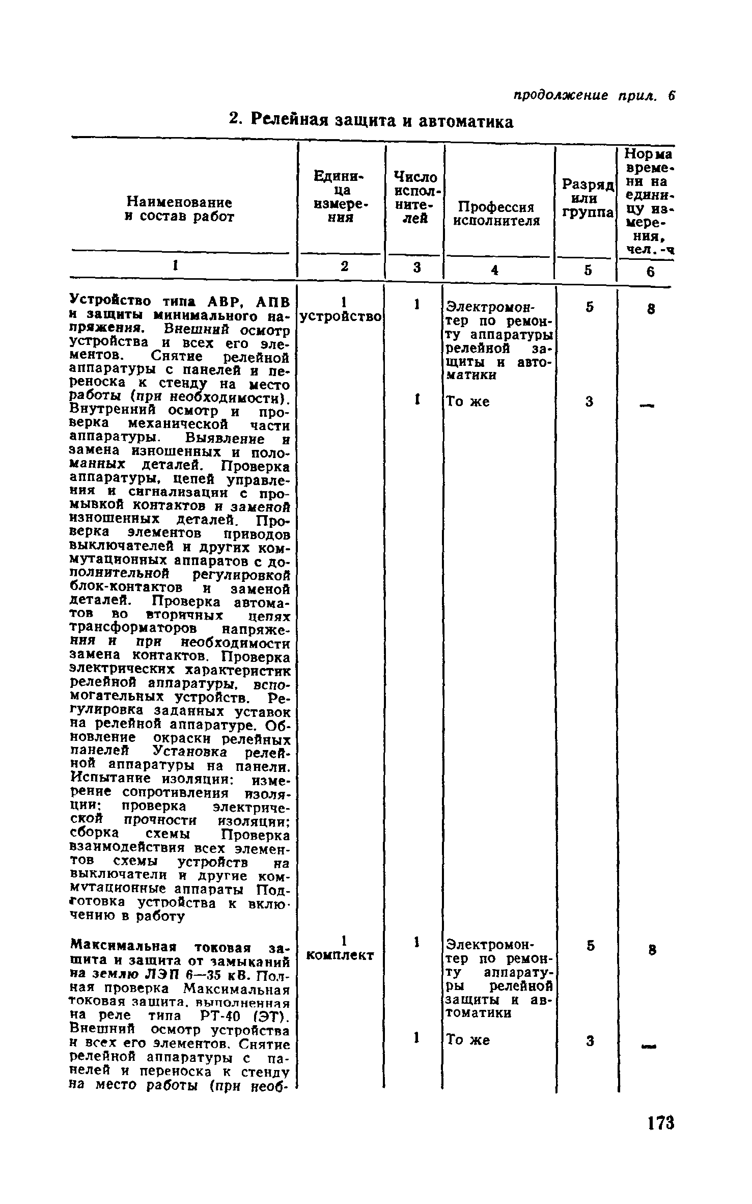
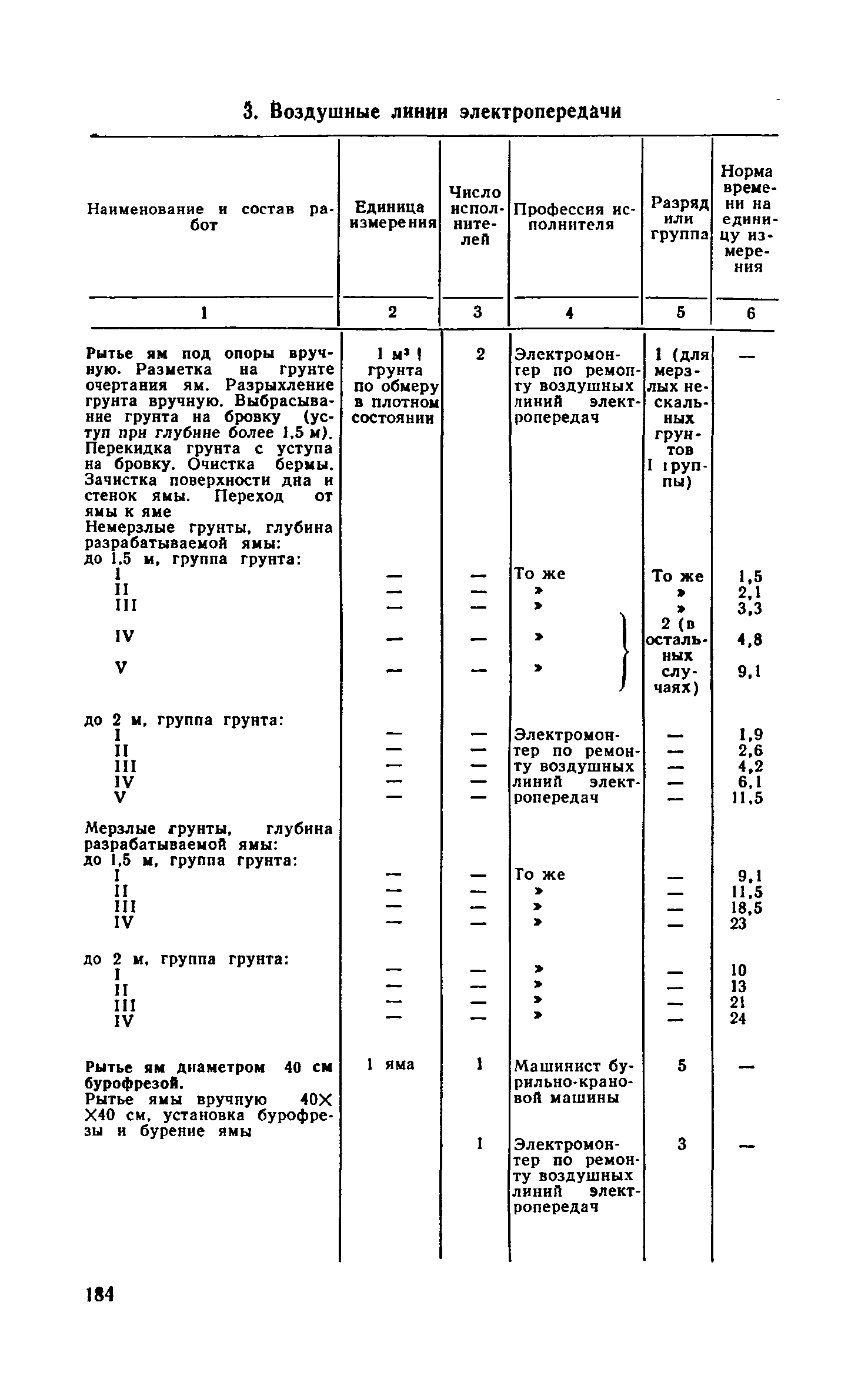
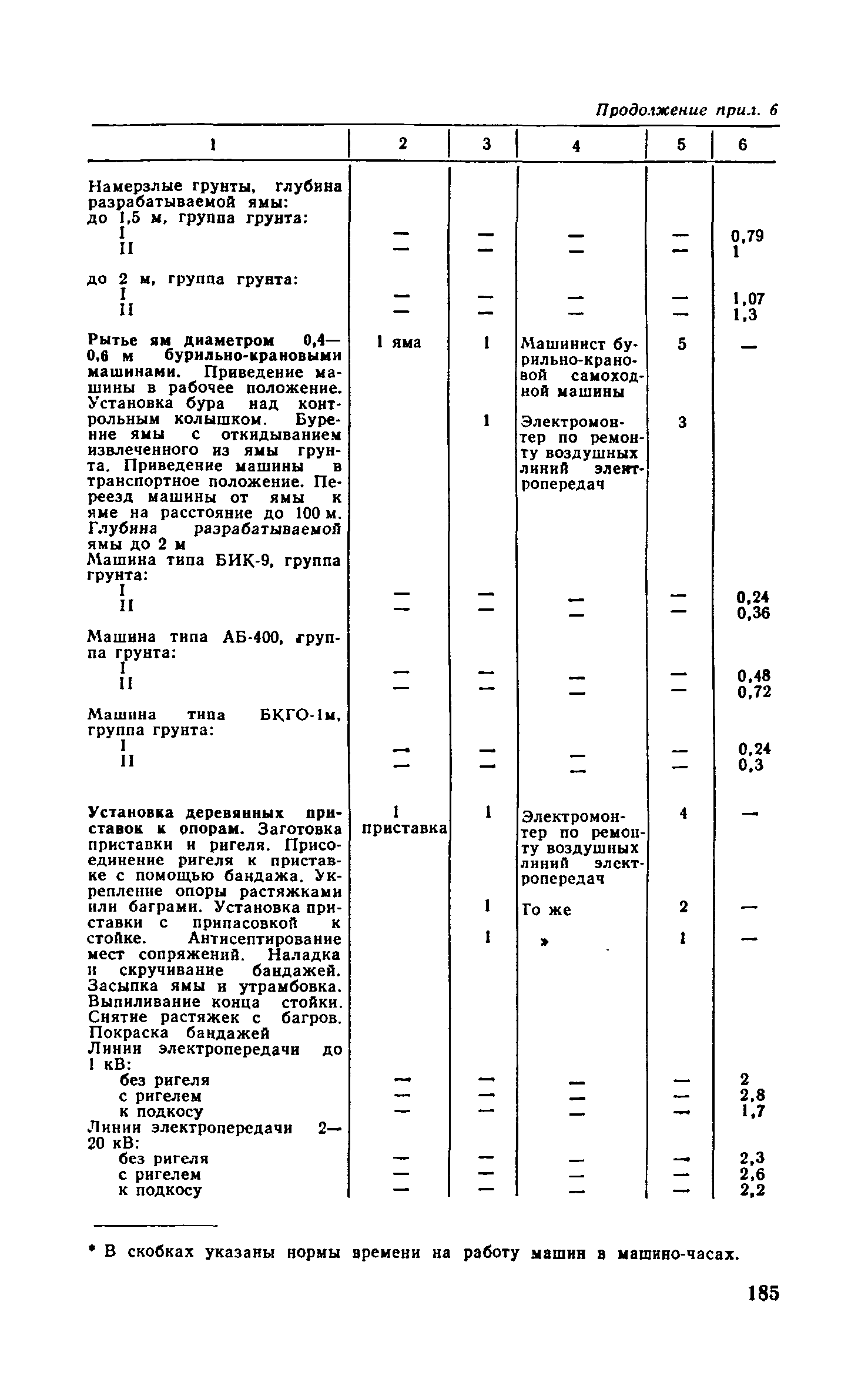
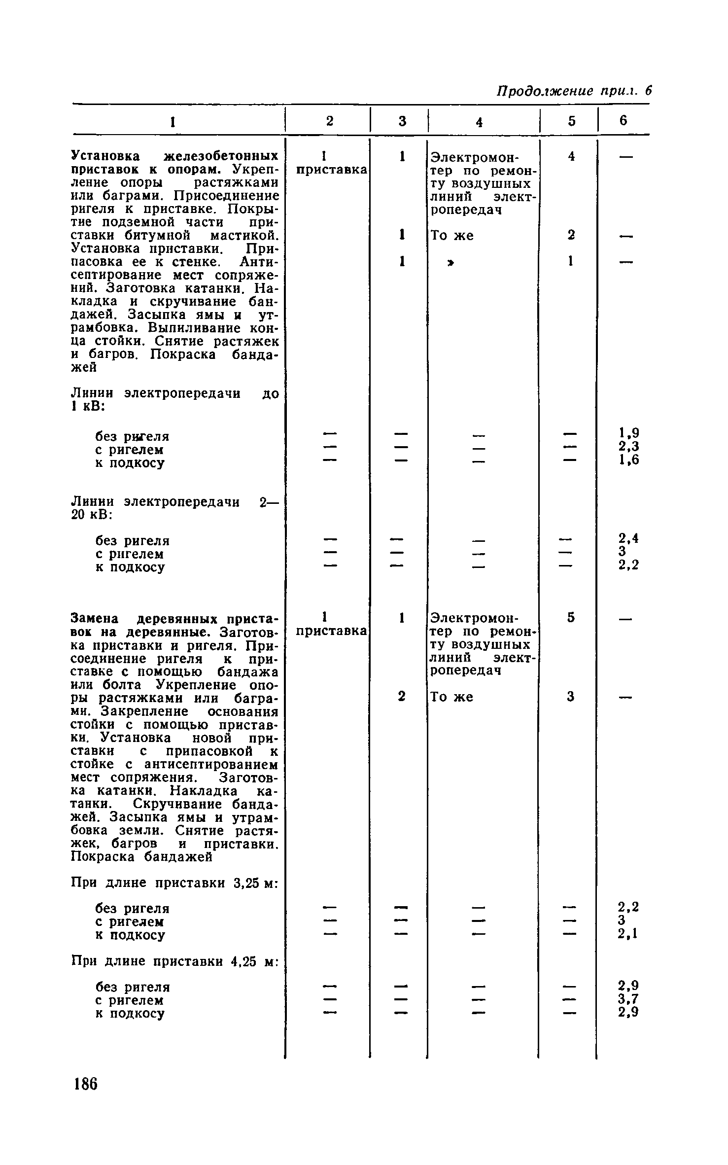
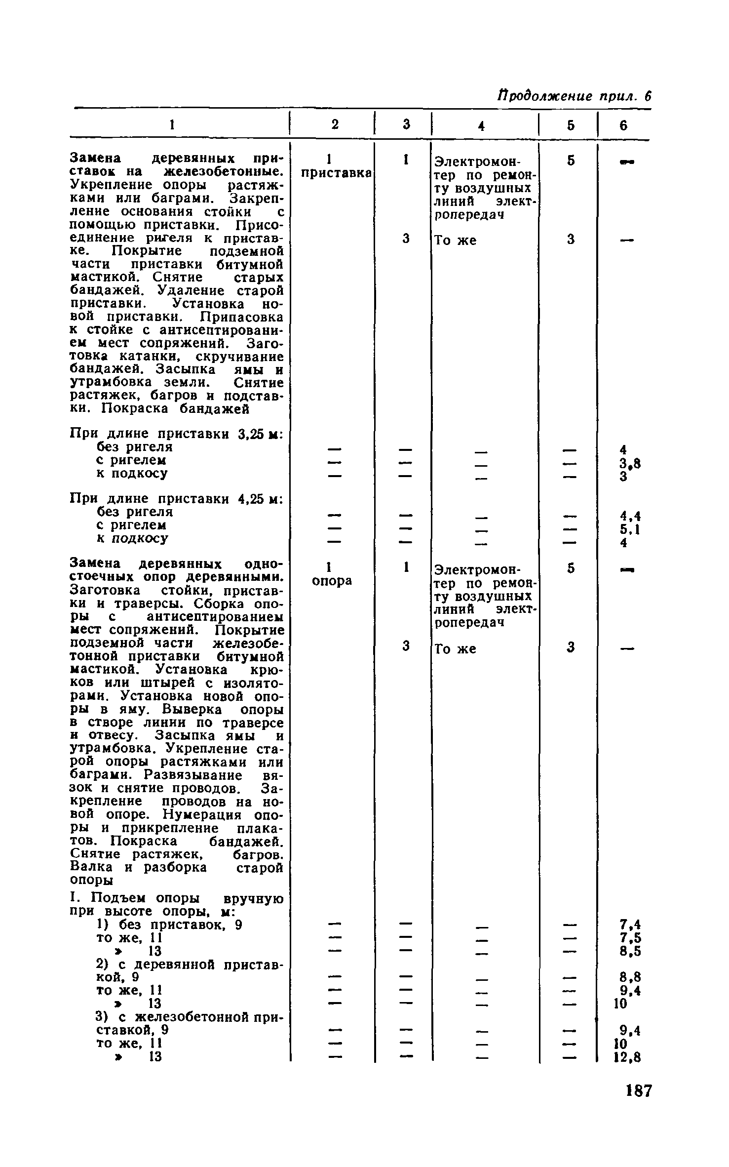
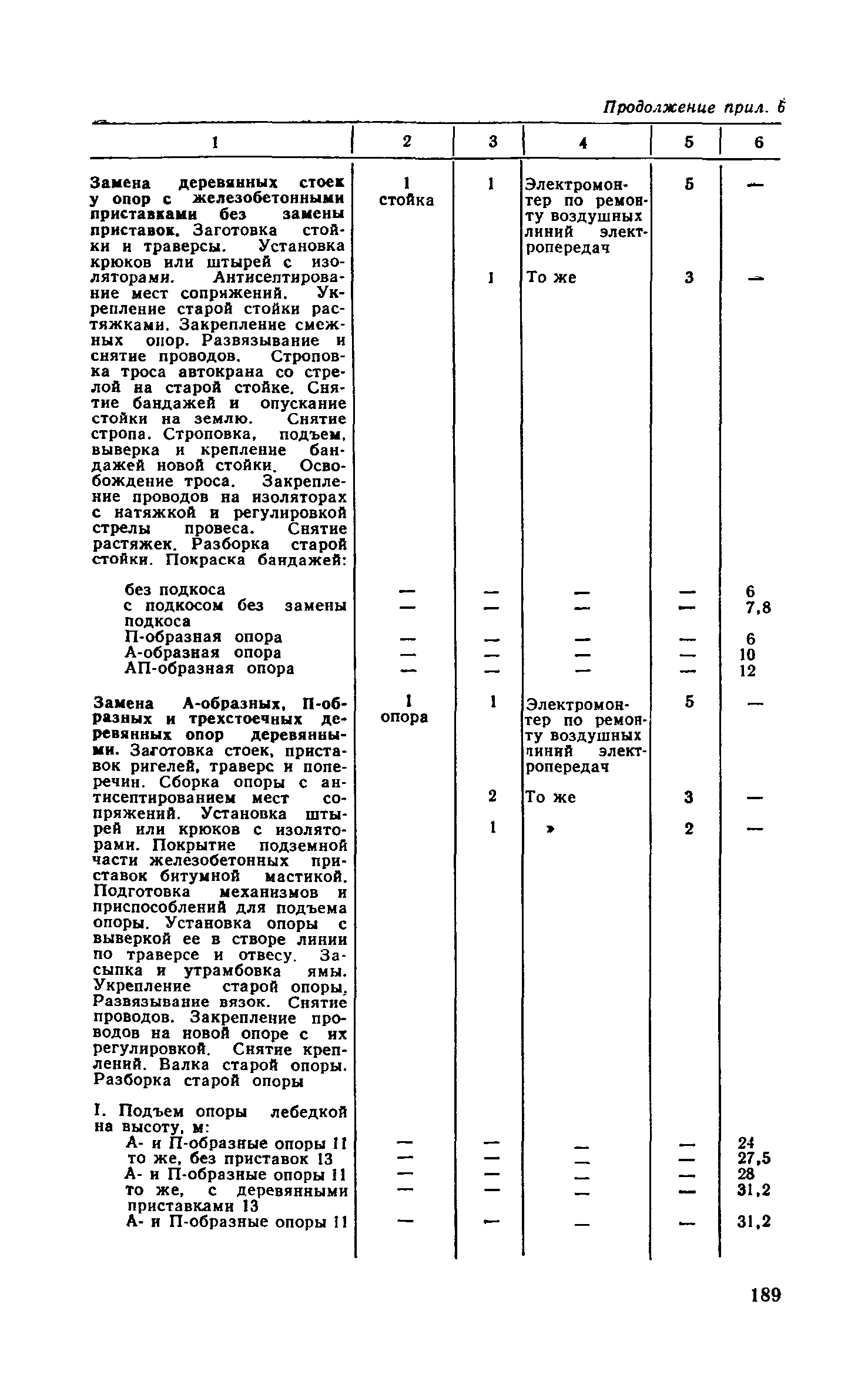
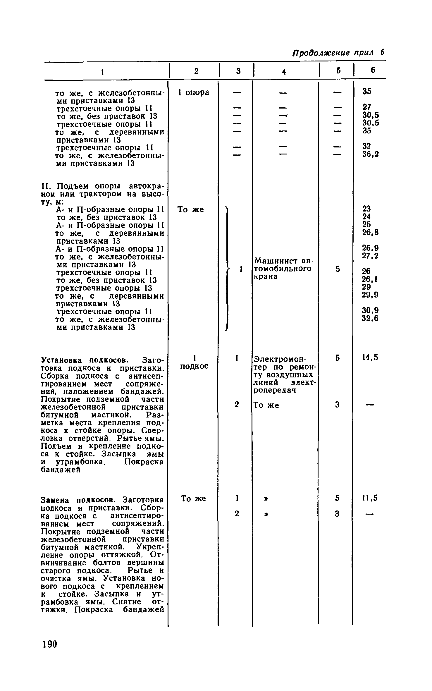
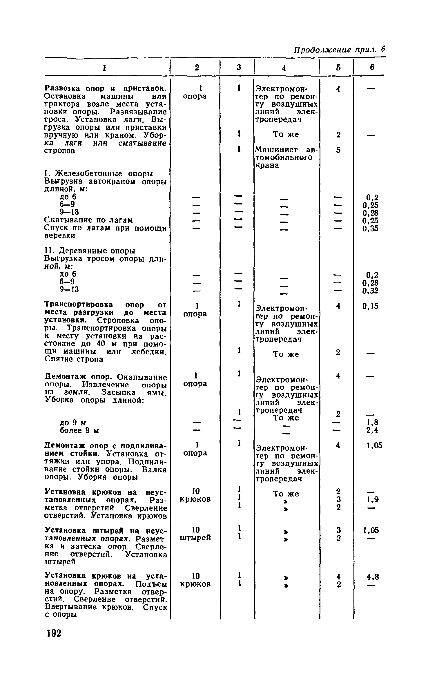
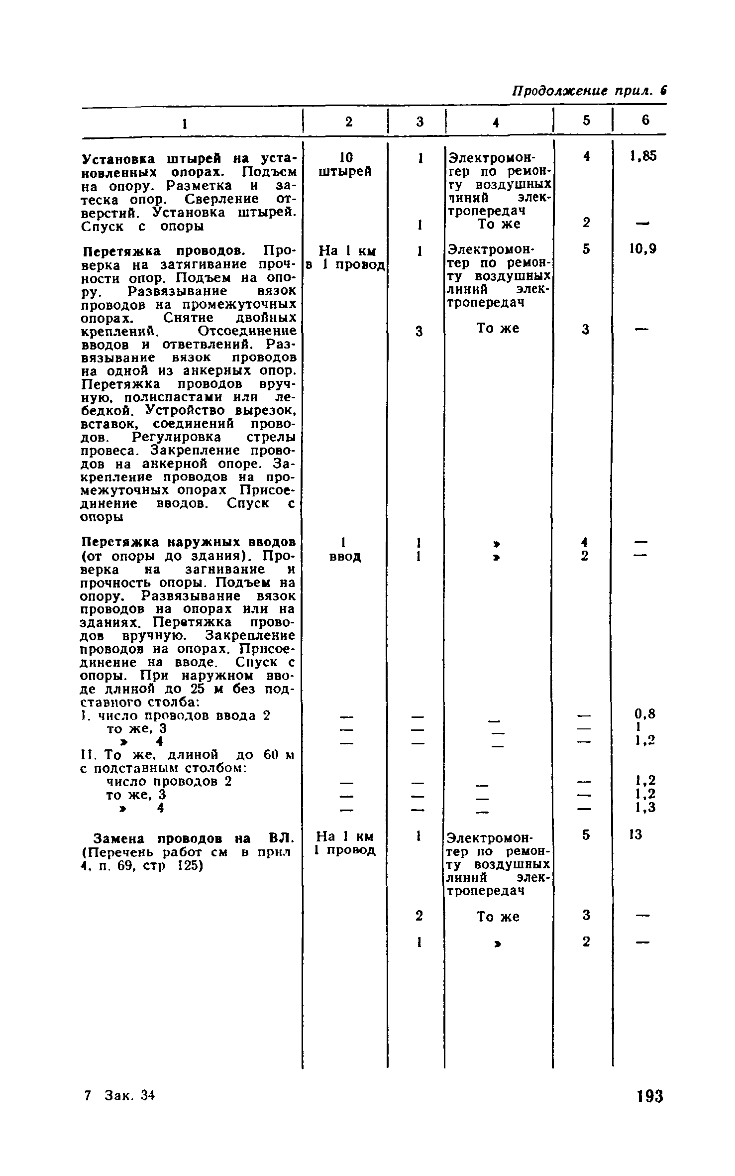
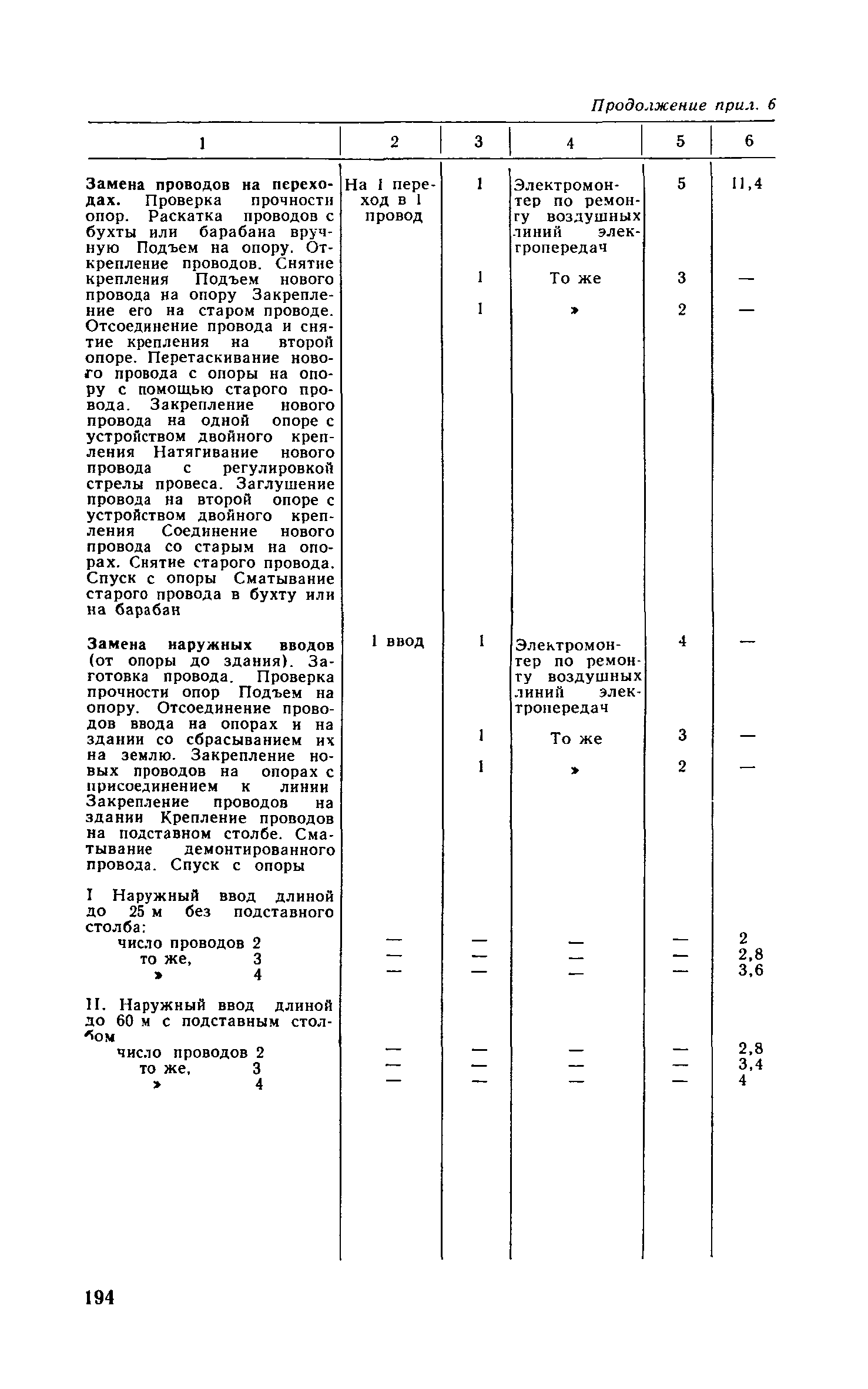
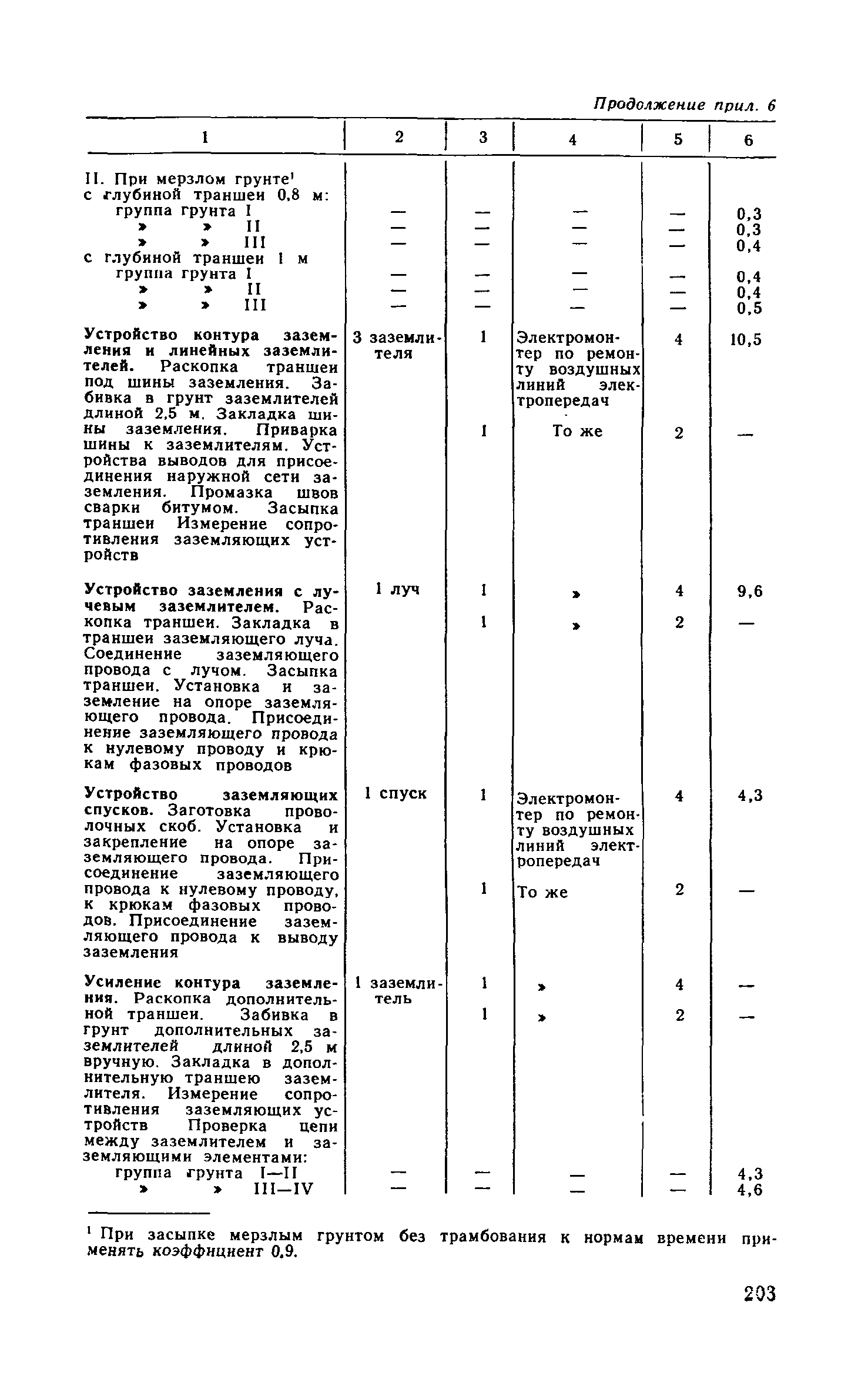
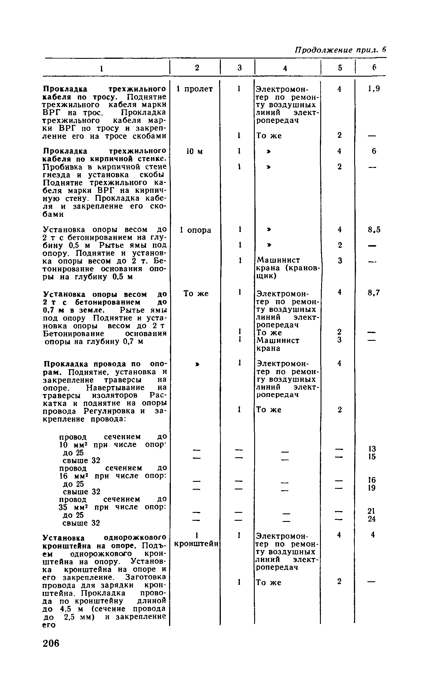
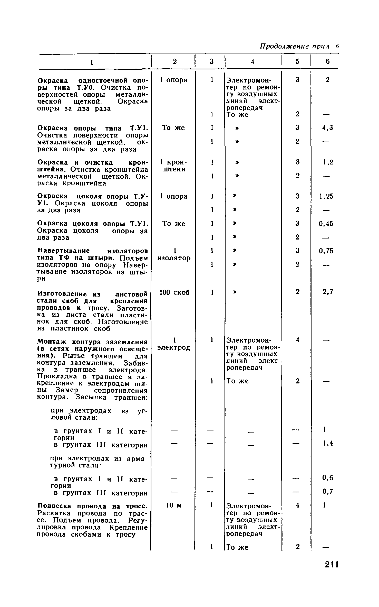
Временное положение о планово-предупредительном ремонте электроэнергетических устройств, оборудования и установок электрических сетей, наружного освещения и электрической части электростанций системы Минжилкомхоза РСФСР| Статус: | отменен в рф | | Название рус.: | Временное положение о планово-предупредительном ремонте электроэнергетических устройств, оборудования и установок электрических сетей, наружного освещения и электрической части электростанций системы Минжилкомхоза РСФСР | | Дата добавления в базу: | 01.10.2014 | | Дата актуализации: | 01.01.2021 | | Дата введения: | 01.01.1979 | | Дата окончания срока действия: | 25.06.2020 | | Область применения: | В документе рассматриваются планирование, организация и финансирование капитальных и текущих ремонтов электроэнергетического оборудования. Даны перечни наименований электроэнергетического оборудования, на которое распространяется Положение. Приведены нормы расхода материалов и запасных частей на ремонт, нормы времени на выполнение этих работ, а также формы документации оформления планово-предупредительных ремонтов. Временное положение предназначено для работников, занимающихся эксплуатацией электрооборудования предприятий системы Минжилкомхоза РСФСР. | | Оглавление: | Введение Глава I. Основные положения Глава II. Планирование и организация работ планово-предупредительных ремонтов Глава III. Финансирование капитальных и текущих ремонтов Глава IV. Подготовка и утверждение сметно-технической документации на проведение капитальных и текущих ремонтов Глава V. Капитальный и текущий ремонт основного оборудования электростанций, электросетей и установок наружного освещения Глава VI. Основные положения эксплуатации оборудования и ответственность за его сохранность Приложение 1. Перечень наименований электроэнергетических устройств, оборудования и установок Приложение 2. Периодичность планово-предупредительных ремонтов электроэнергетических устройств, оборудования и установок Приложение 3. Перечень работ, выполняемых при текущем ремонте электрических сетей, установок Приложение 4. Перечень типовых наборов работ по капитальному ремонту для основных видов оборудования и сооружений Приложение 5. Перечень нетиповых работ для основных видов оборудования и сооружений Приложение 6. Типовые нормы времени на капитальный ремонт электроэнергетических устройств, оборудования и установок Приложение 7. Нормы расхода материалов и запасных частей на капитальный ремонт электрических сетей, электроэнергетических устройств, оборудования и установок частей на капитальный ремонт электрических сетей, электроэнергетических устройств, оборудования и установок Приложение 8. Формы документации Приложение 9. Нормы амортизационных отчислений для устройств электропередачи, электродвигателей и силового оборудования Приложение 10. Типовые нормы времени на текущий ремонт электроэнергетических устройств, оборудования и установок Список литературы | | Разработан: | Оргкоммунэнерго
| | Утверждён: | 15.02.1978 Министерство жилищно-коммунального хозяйства РСФСР (88)
| | Издан: | Стройиздат (1979 г. )
|
                                                                                                                                                                                                                                                                                                                               
|