Скачать Типовые проектные решения 903-4-0183.95 Альбом IV. Станция производительностью от 20 до 30 т/ч. Технология производства. Архитектурно-строительные решения. Водопровод и канализация. Электрооборудование силовое. Электроосвещение. Автоматизация технологии производстваДата актуализации: 01.01.2021
|
| Обозначение: | Типовые проектные решения 903-4-0183.95 |
| Обозначение англ: | 903-4-0183.95 |
| Статус: | справочные материалы, мп, тпр |
| Название рус.: | Альбом IV. Станция производительностью от 20 до 30 т/ч. Технология производства. Архитектурно-строительные решения. Водопровод и канализация. Электрооборудование силовое. Электроосвещение. Автоматизация технологии производства |
| Дата добавления в базу: | 01.10.2014 |
| Дата актуализации: | 01.01.2021 |
| Дата введения: | 24.11.1995 |
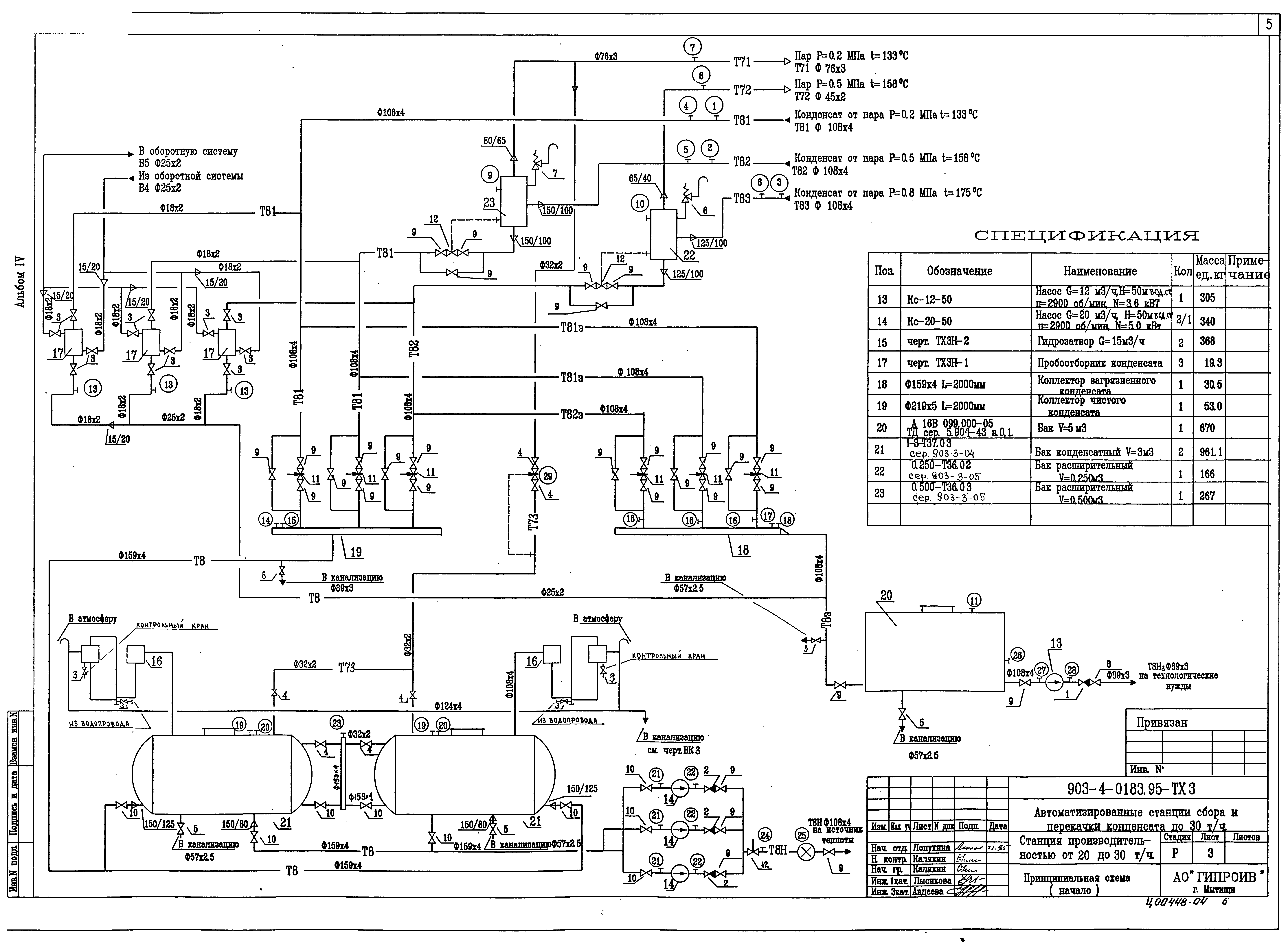
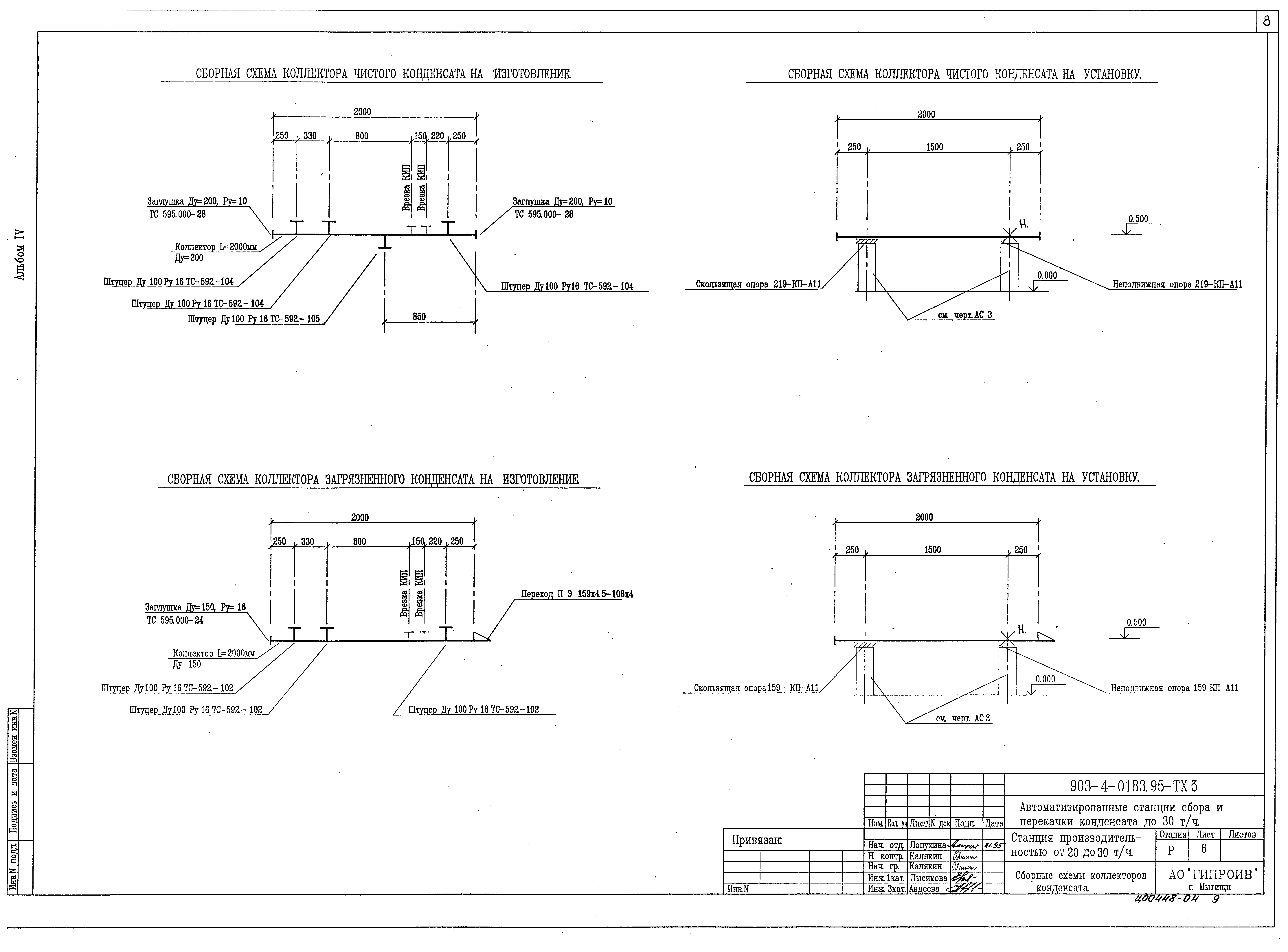
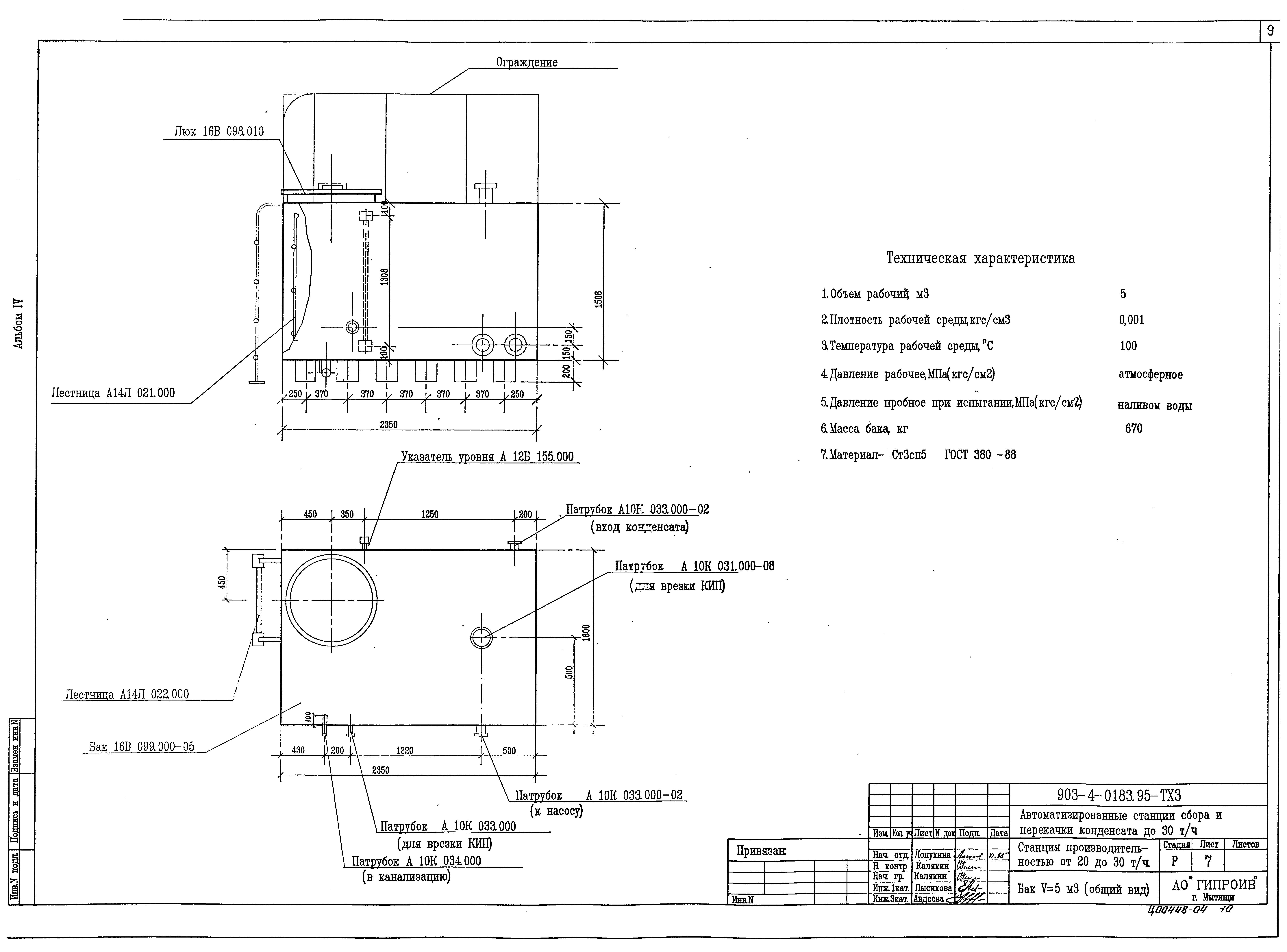
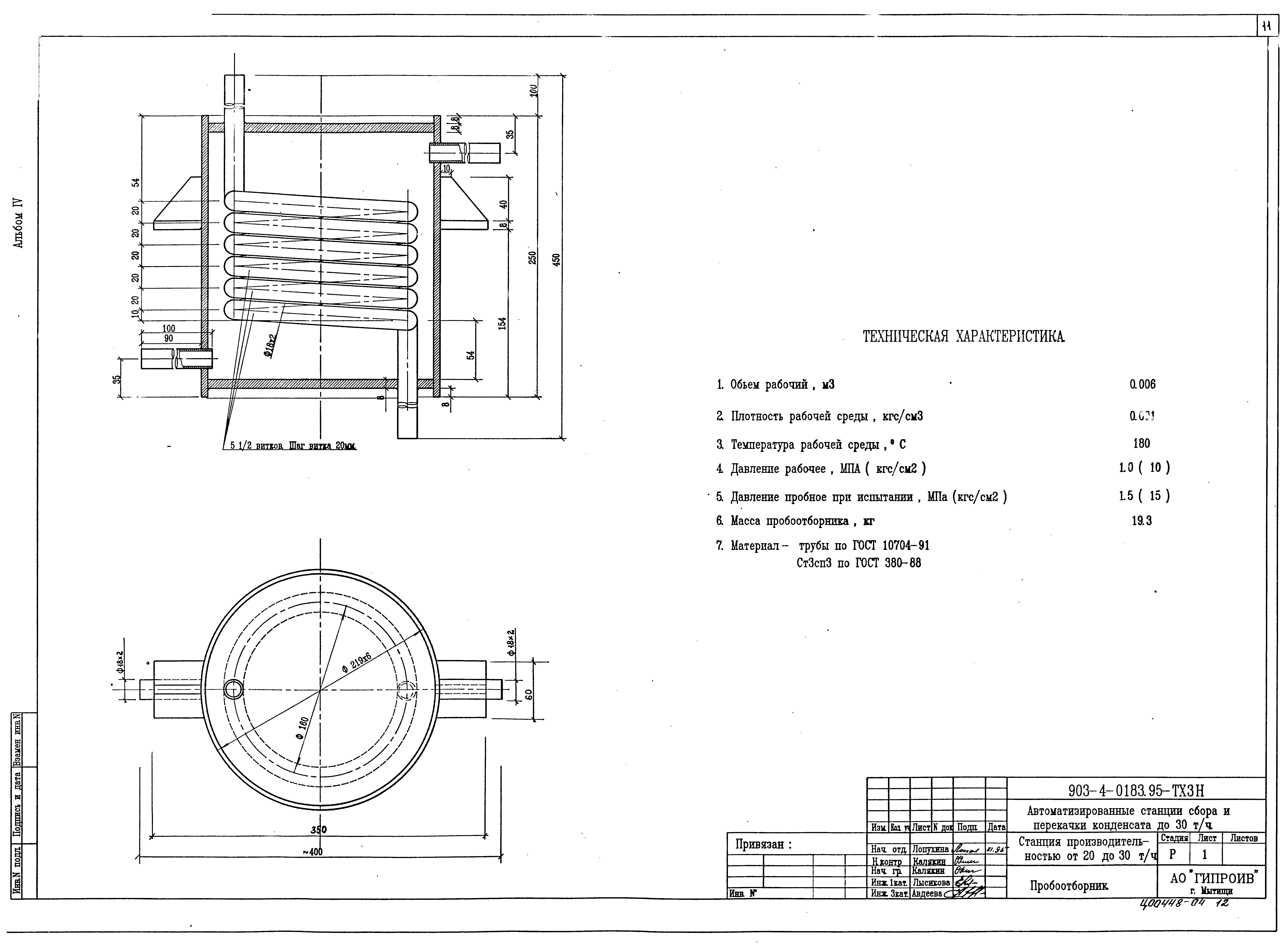
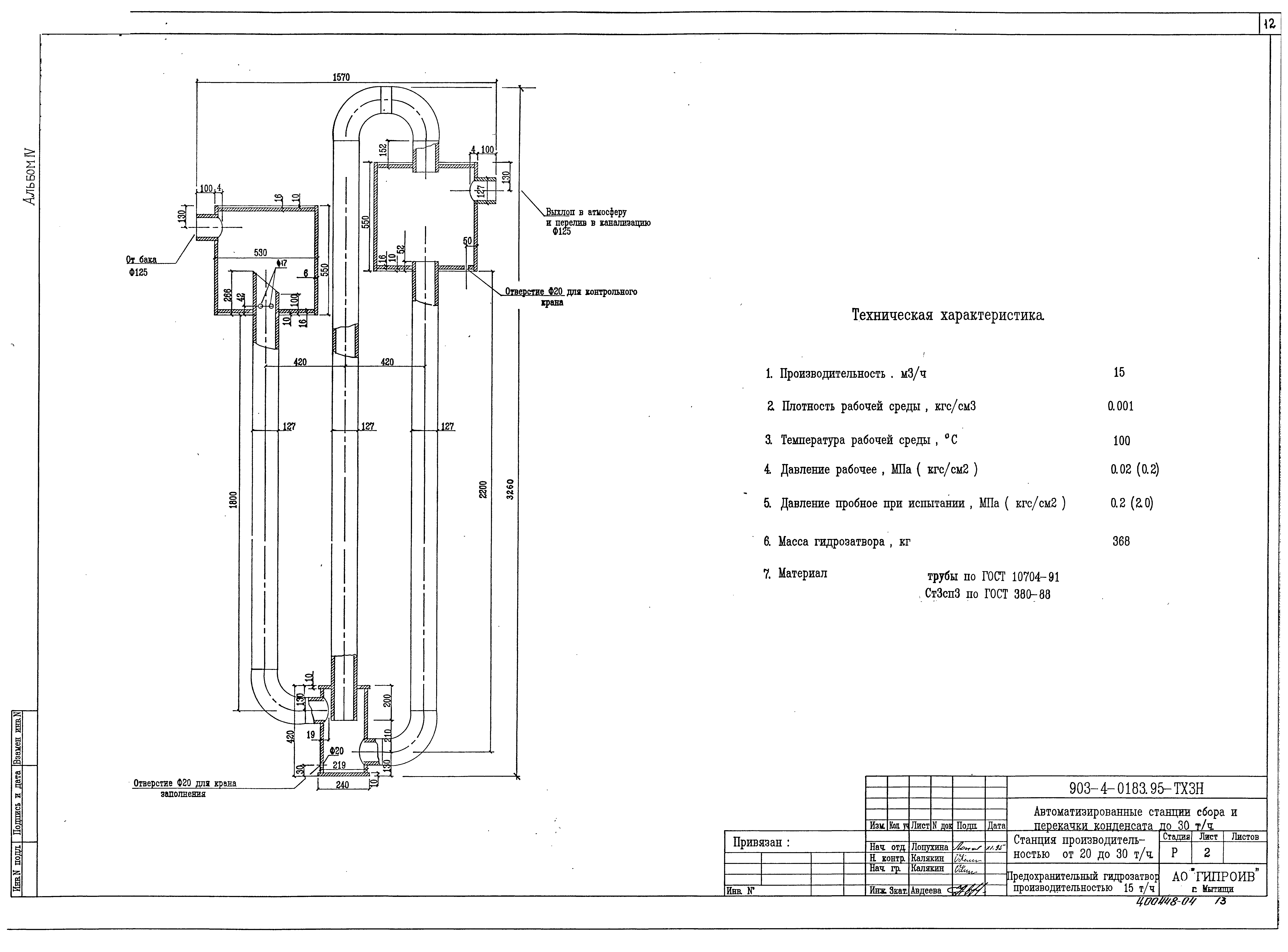
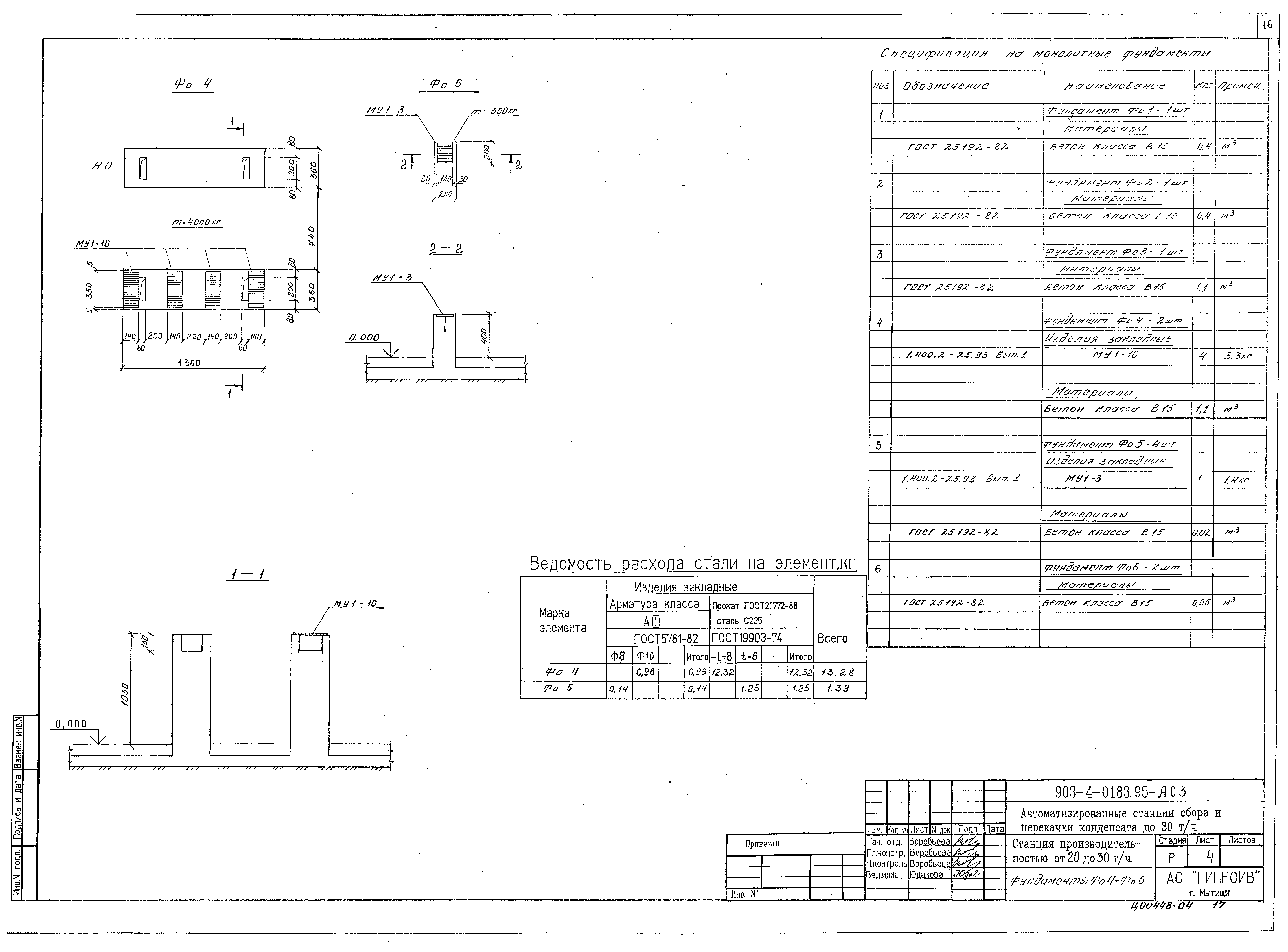
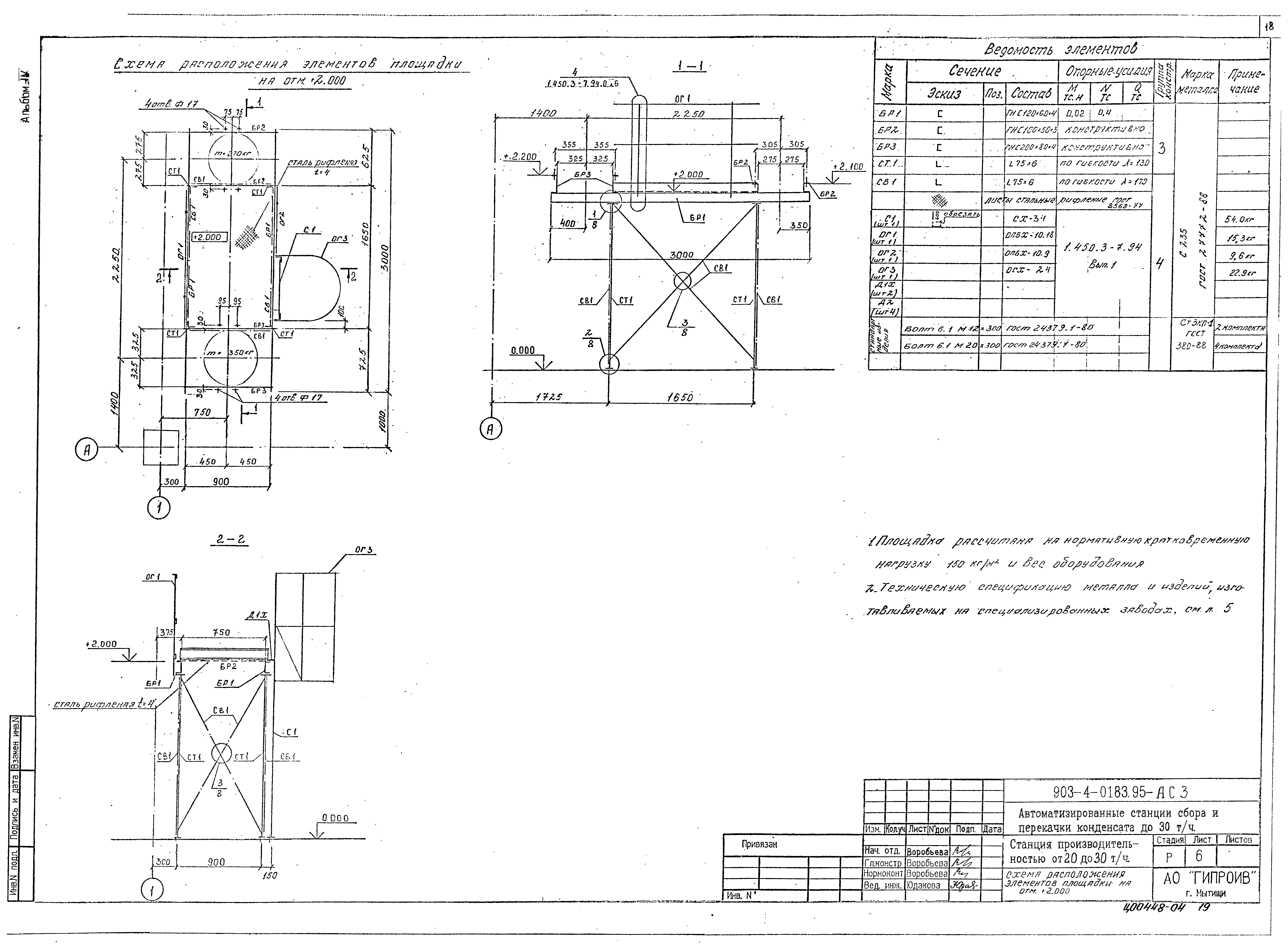
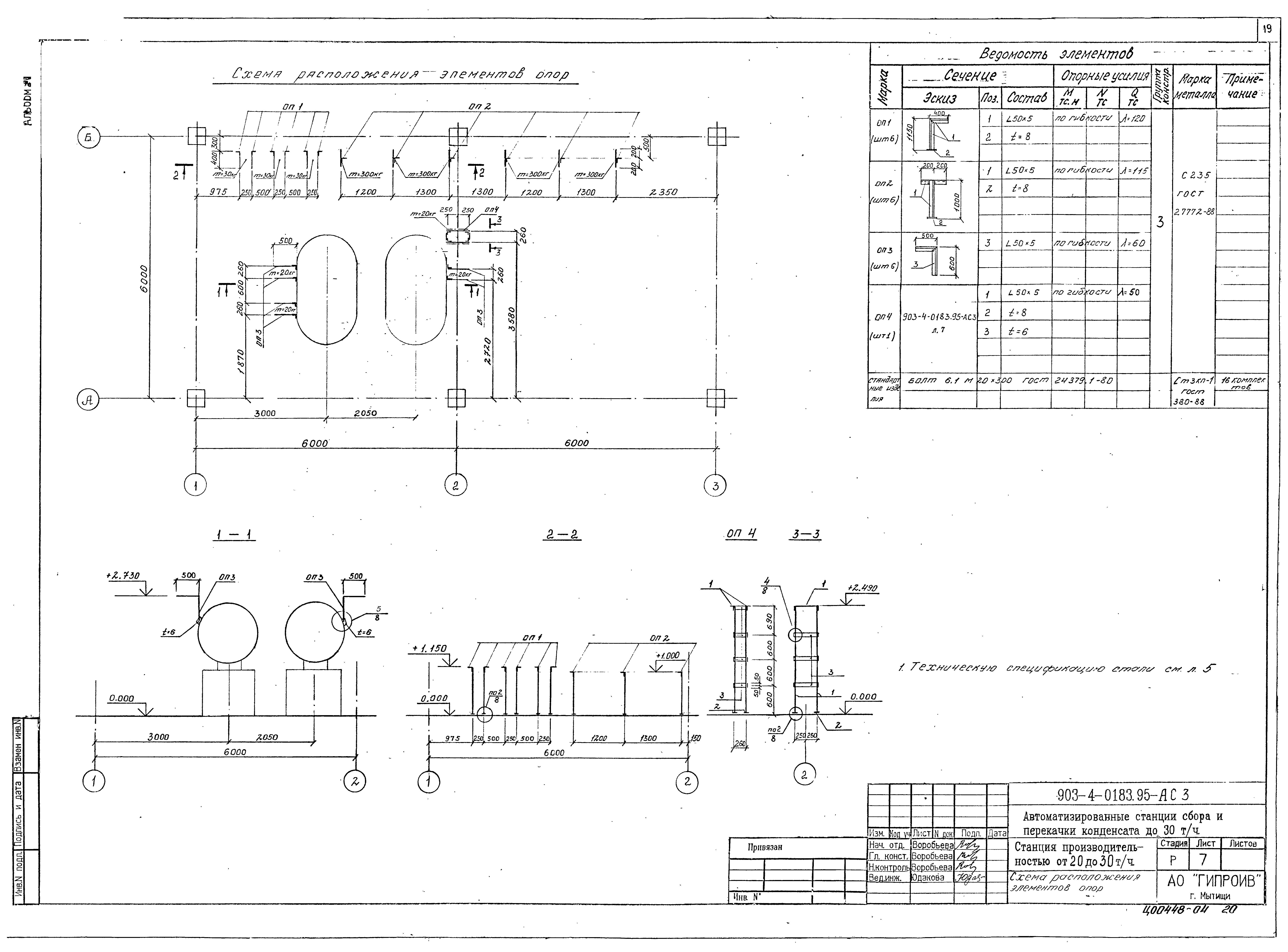
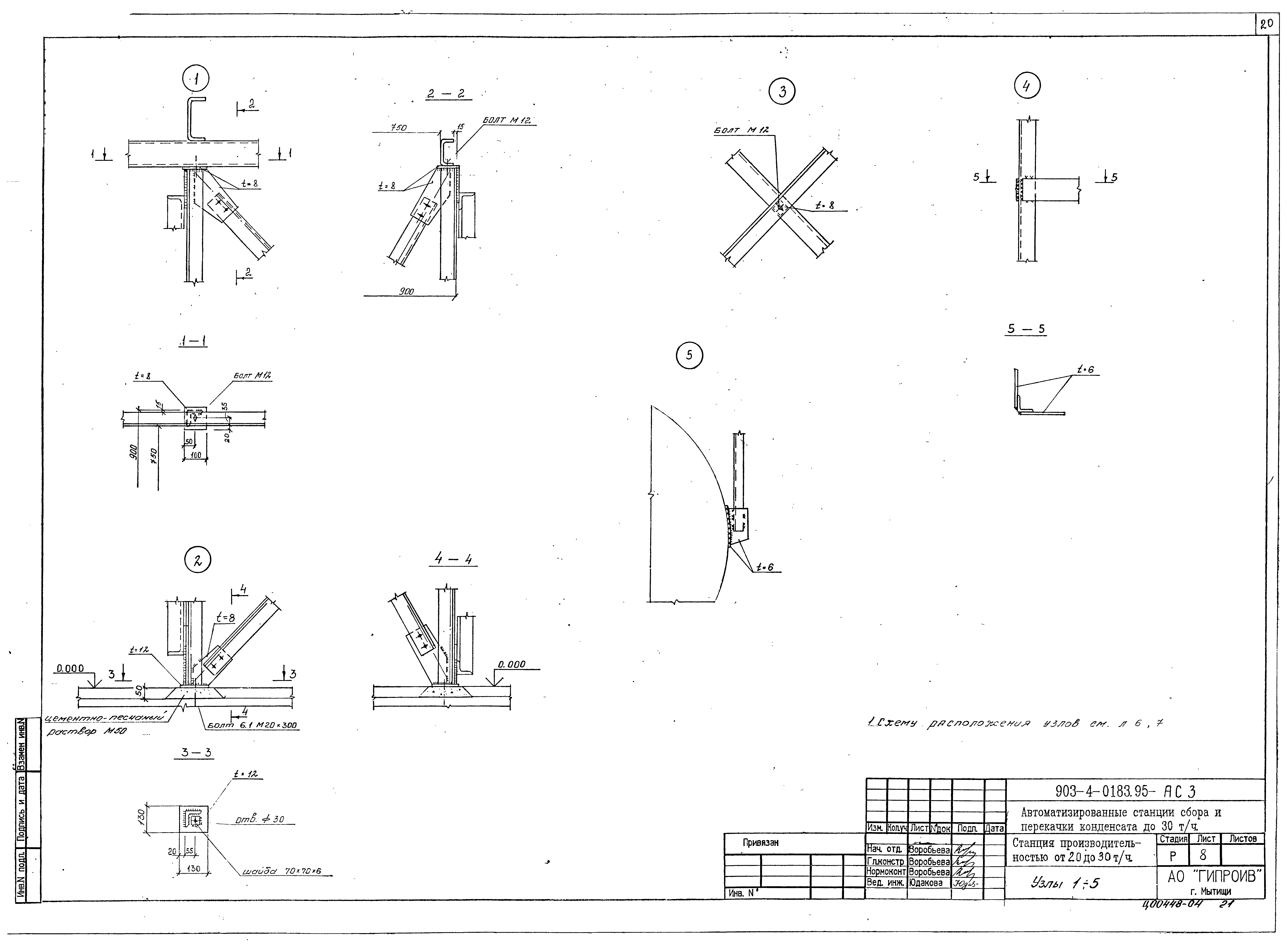
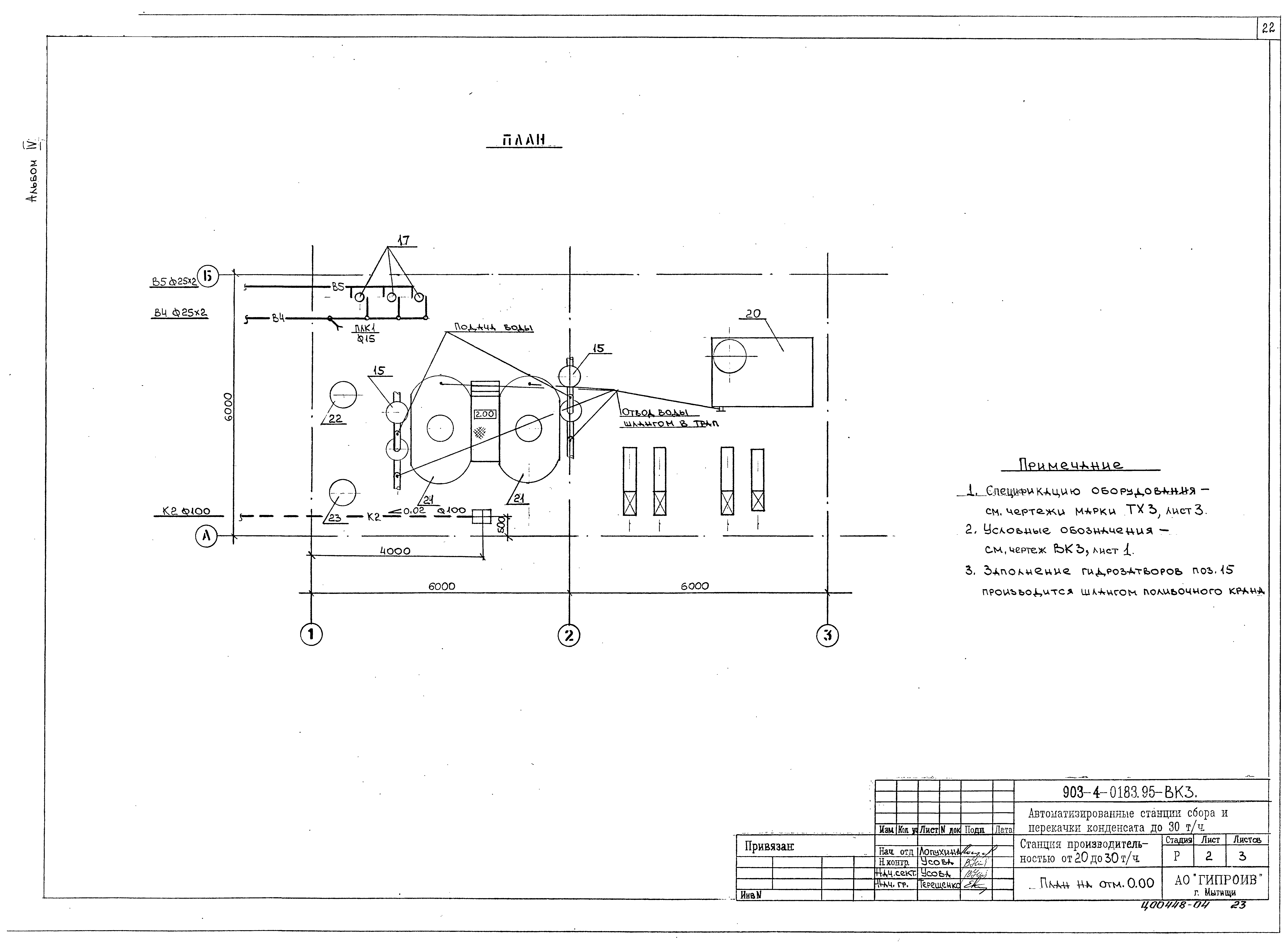
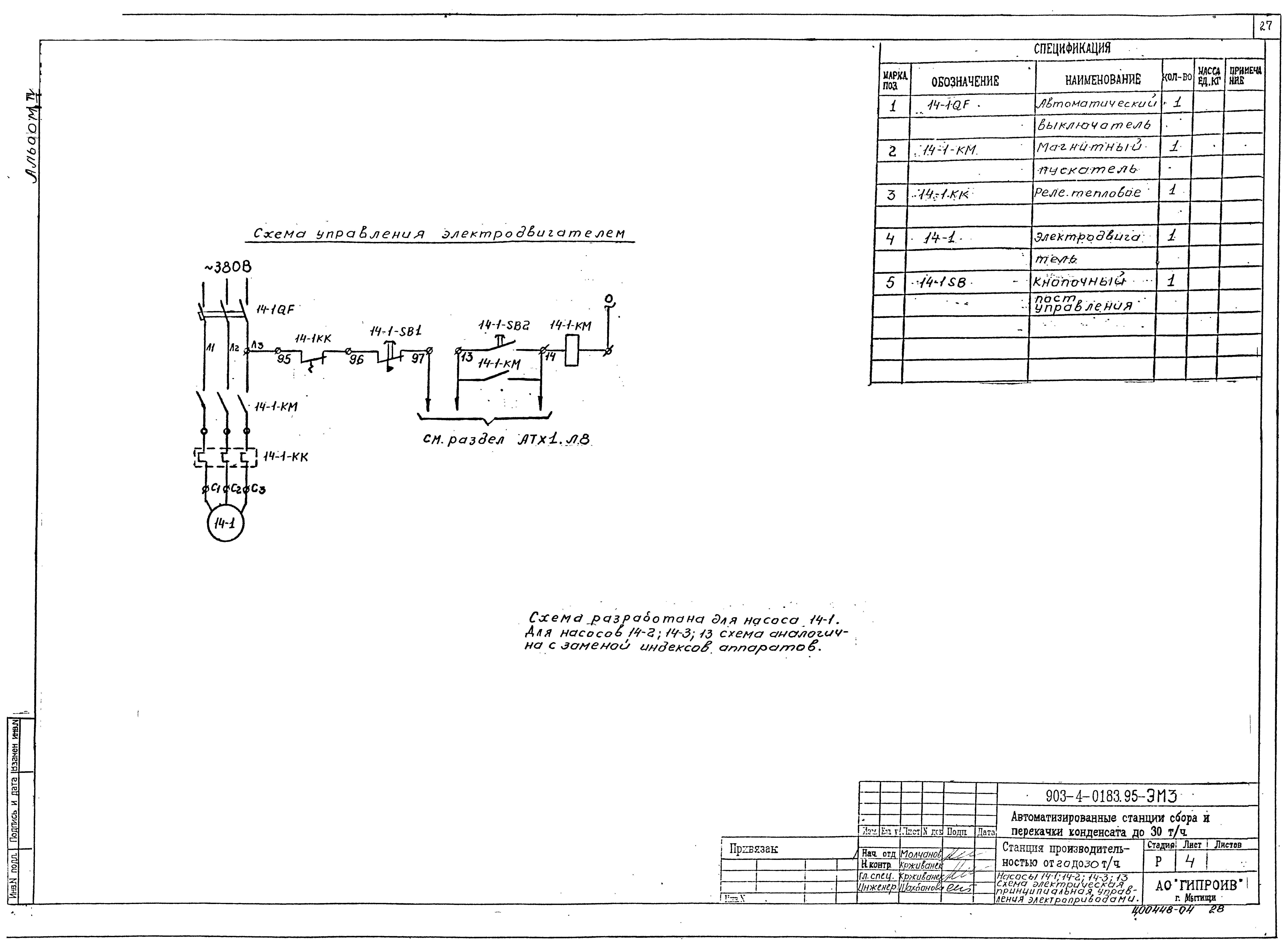
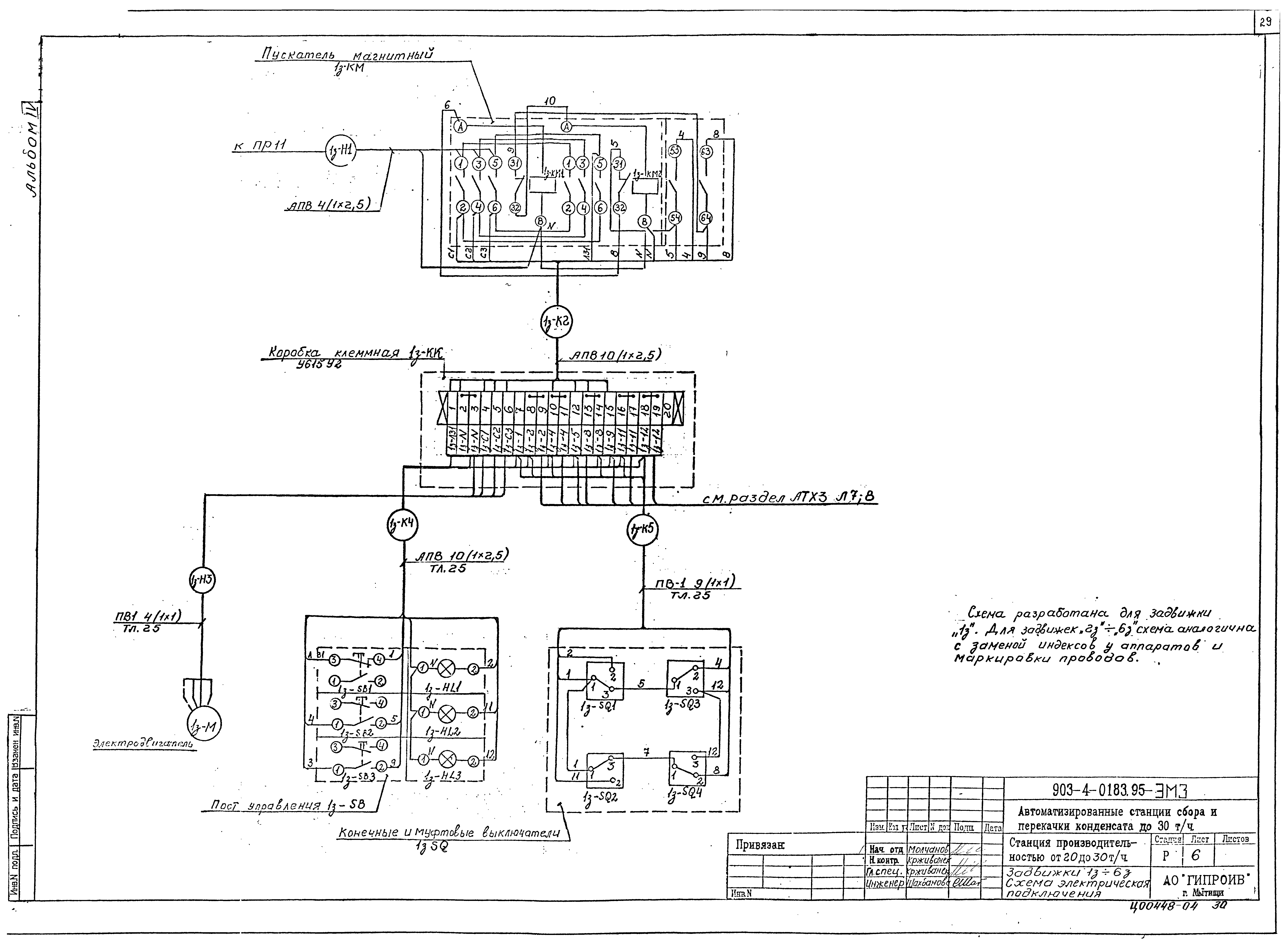
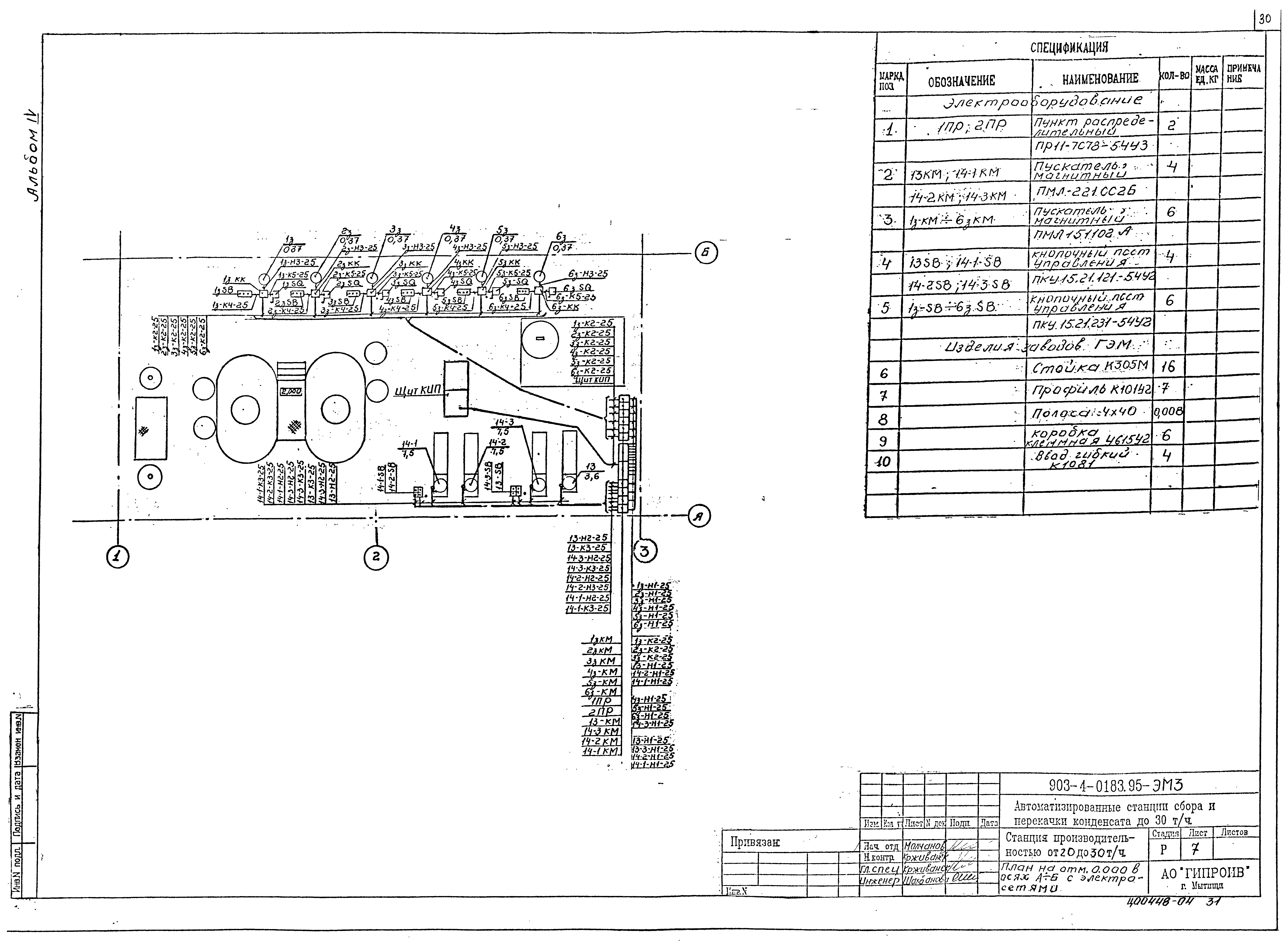
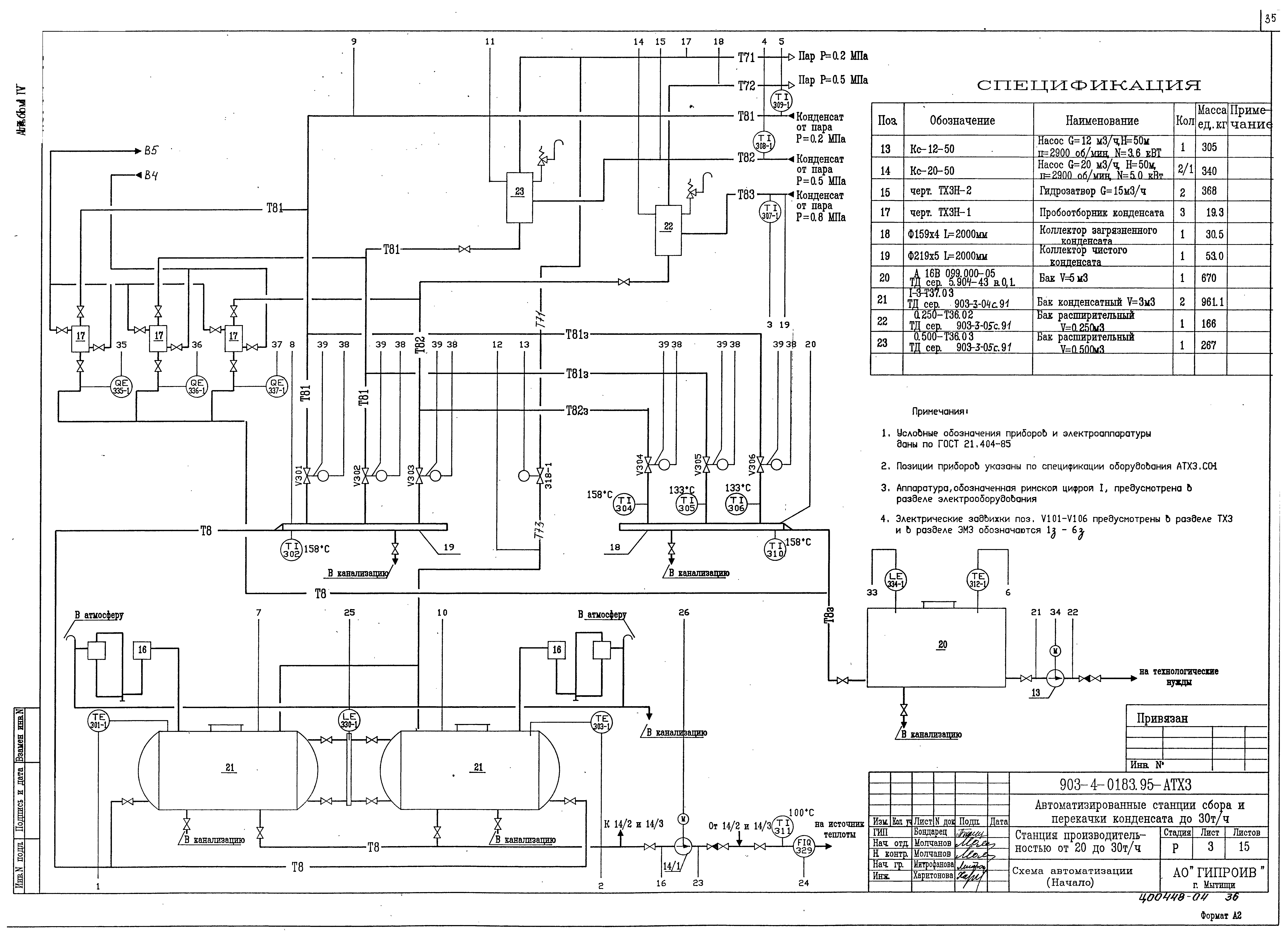
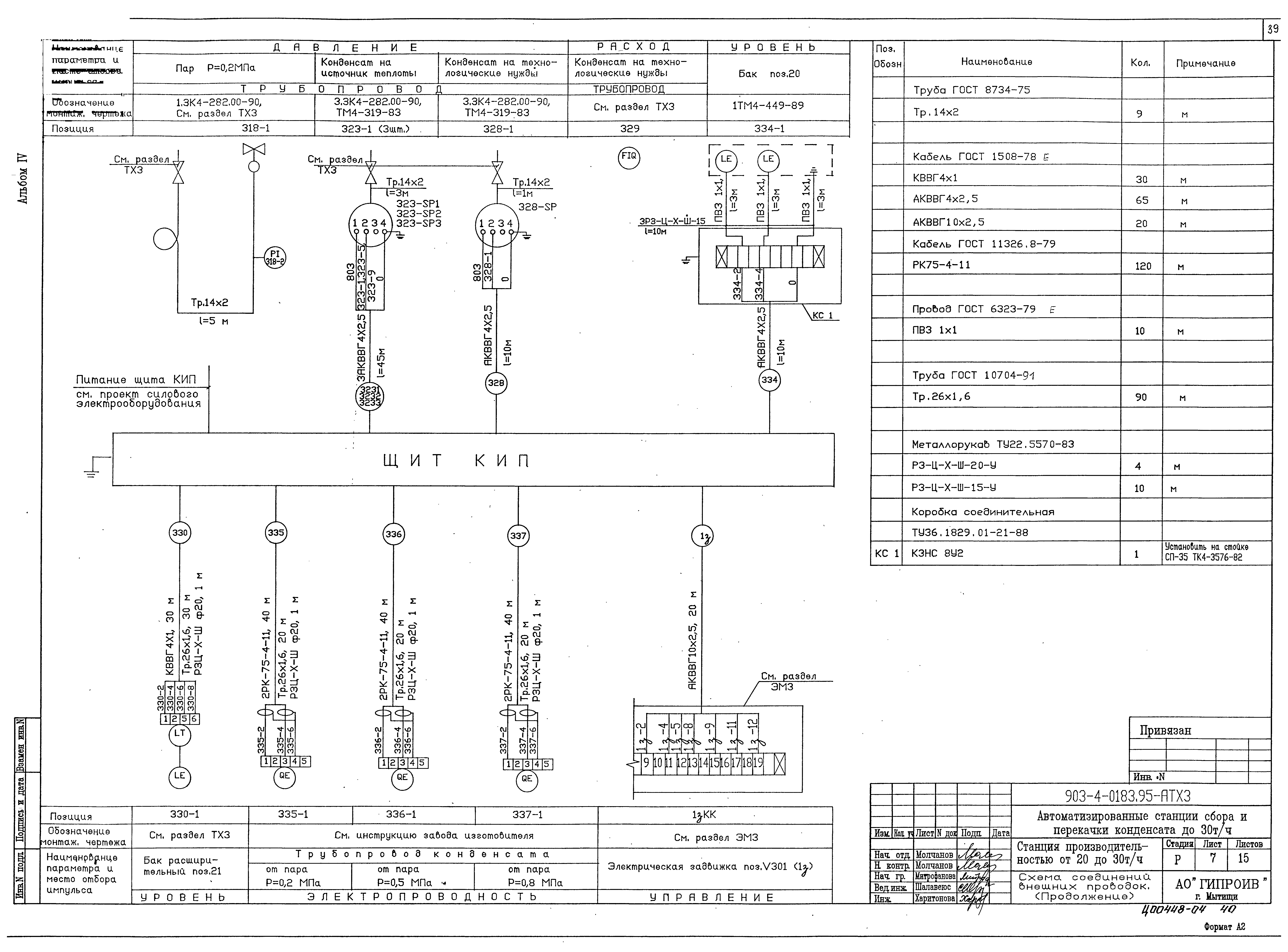
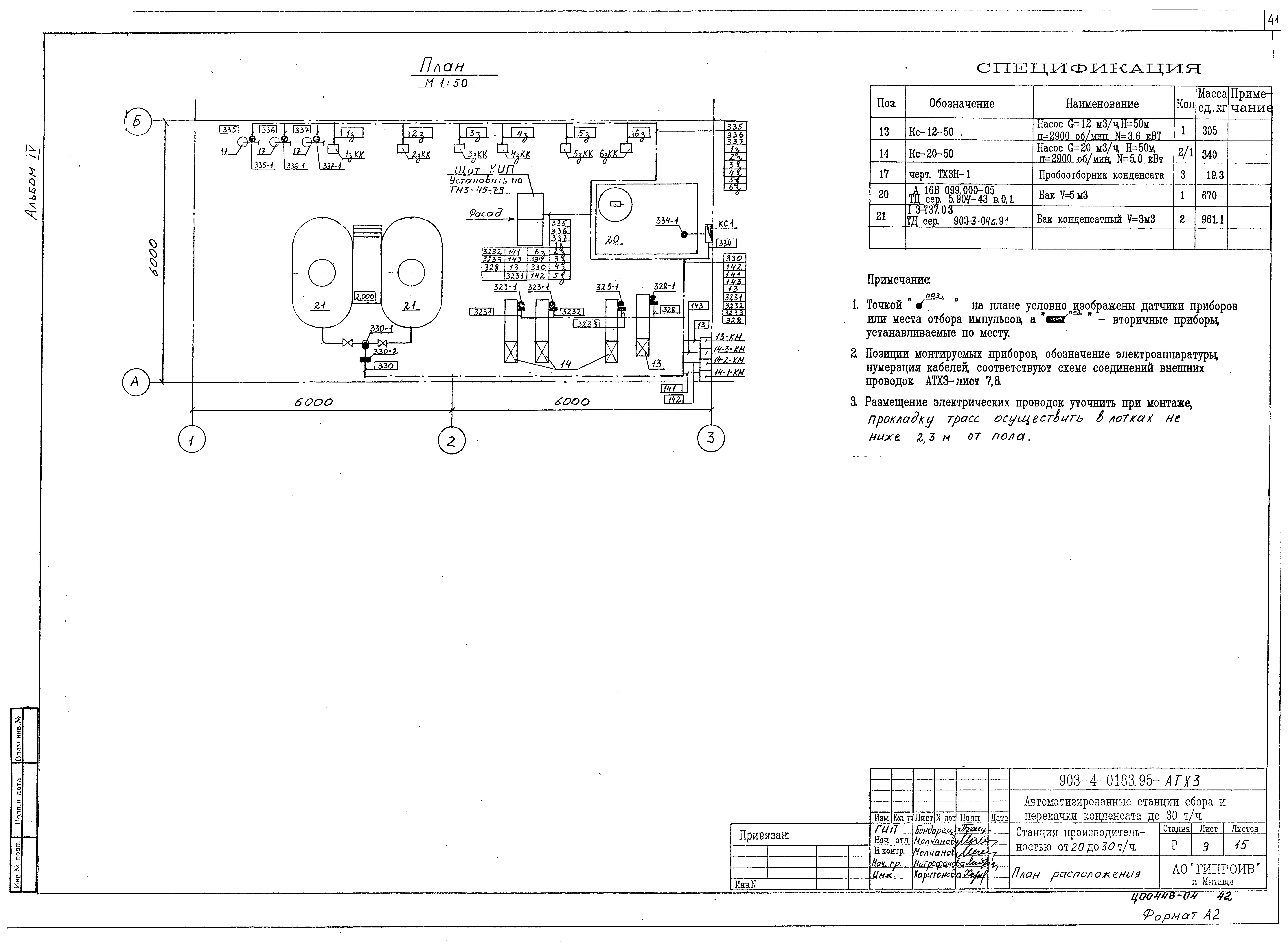
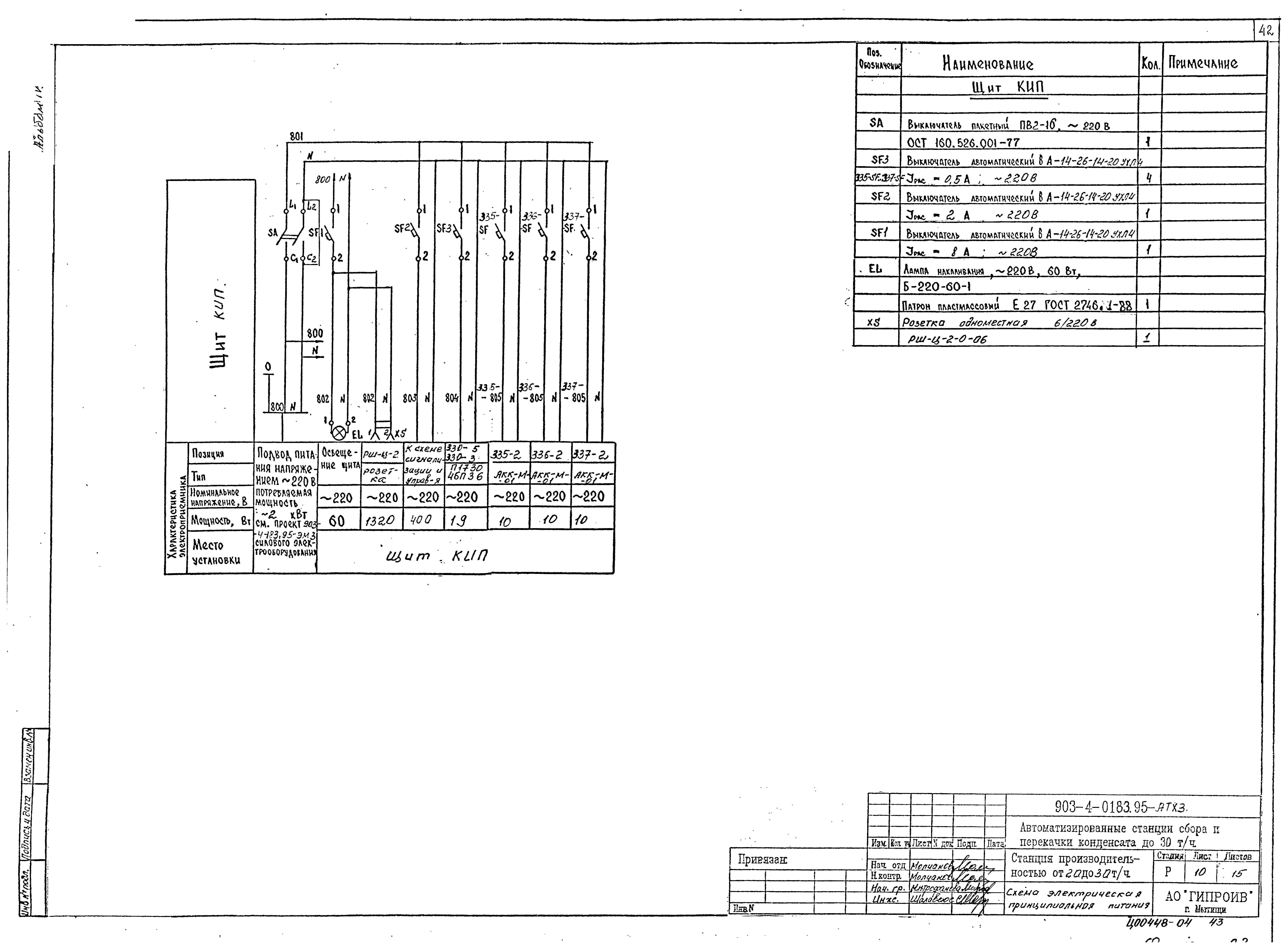
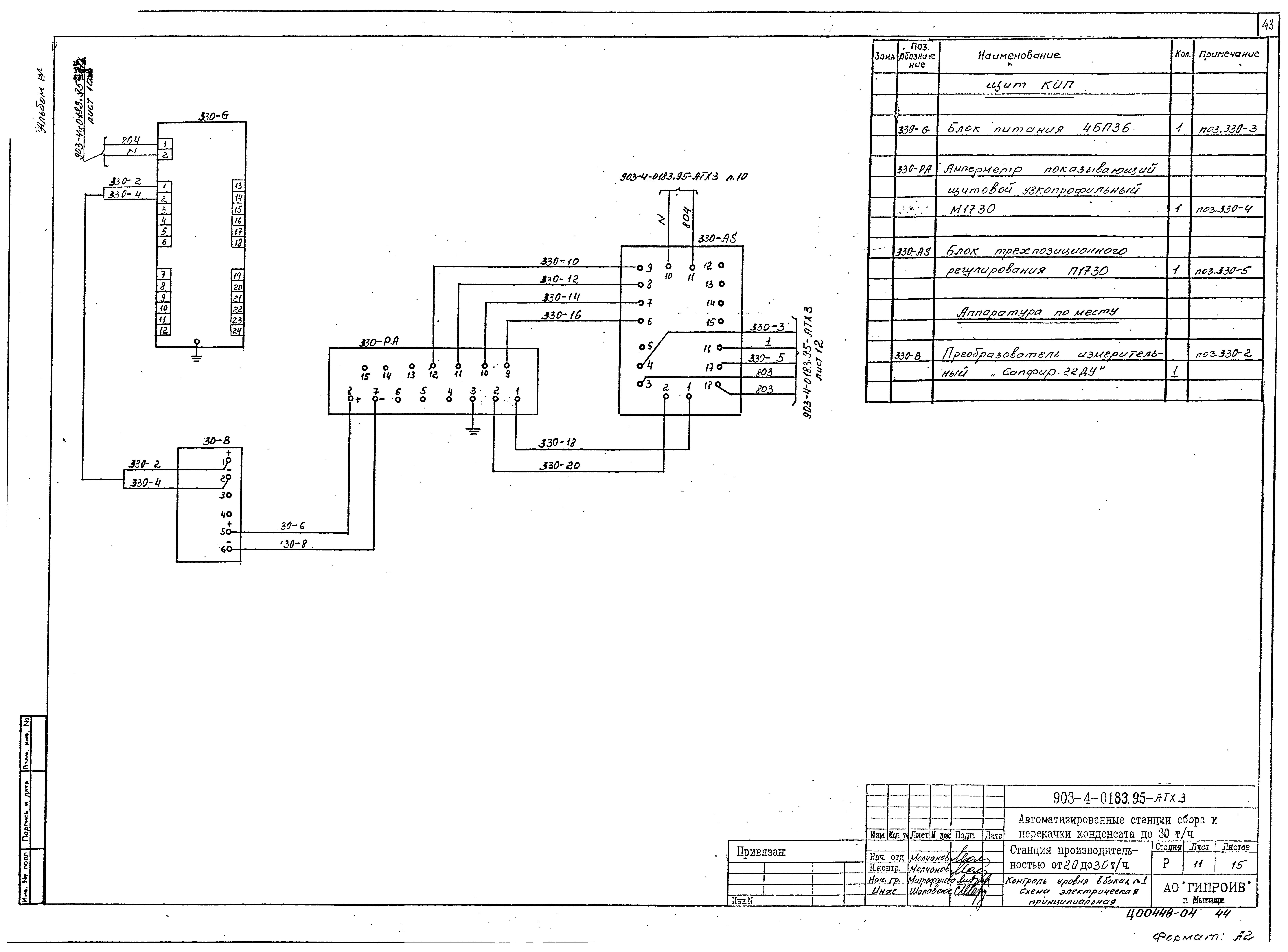
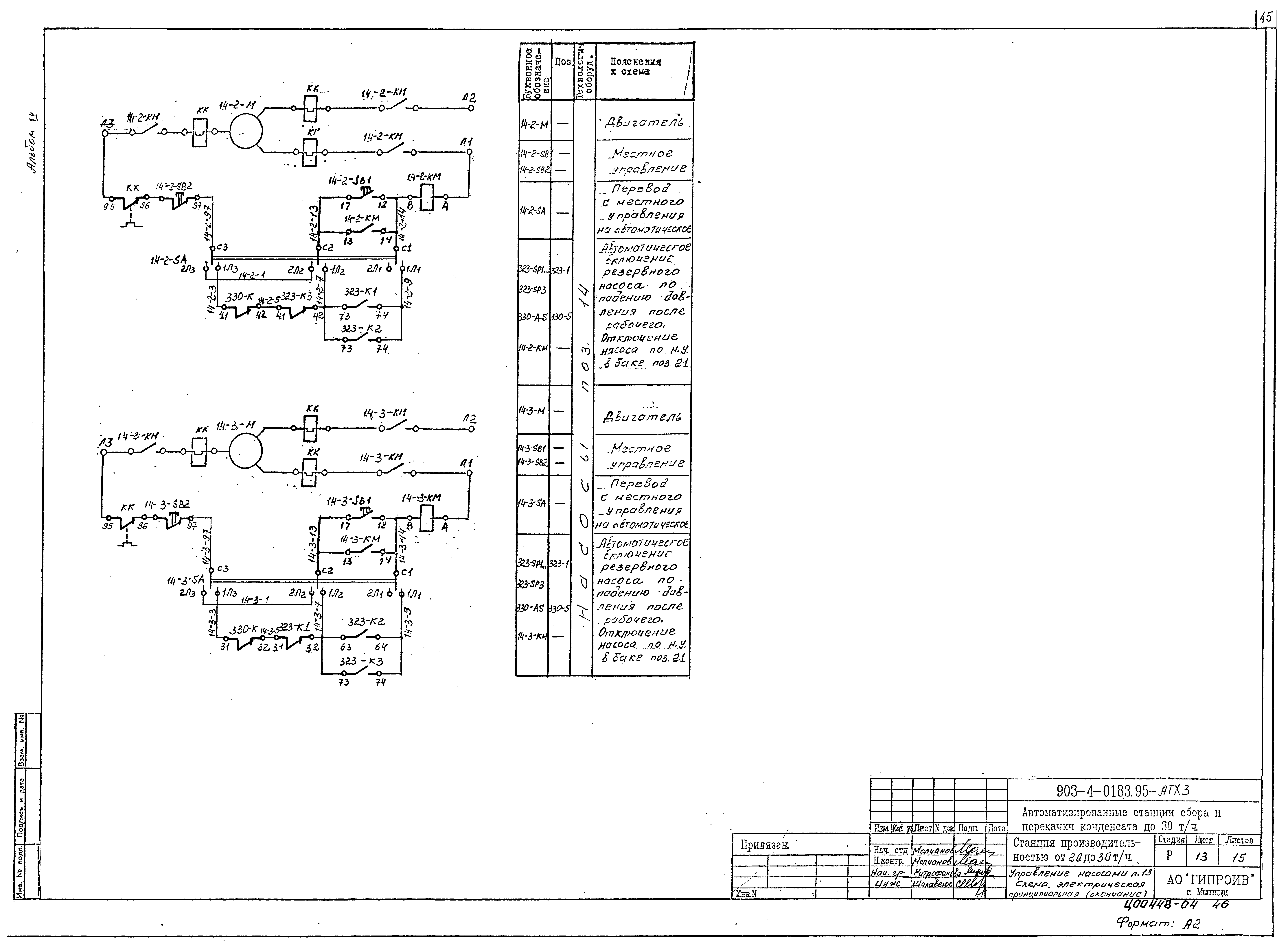
| Оглавление: | Содержание альбома Технология производства Общие данные Принципиальная схема План на отм. 0.000. Разрезы А-А, Б-Б, В-В Сборные схемы коллекторов конденсата Бак V = 5 куб. м (общий вид) Ведомость объемов теплоизоляционных работ Эскизные чертежи общих видов нестандартизированного оборудования Пробоотборник Предохранительный гидрозатвор производительностью 15 т/ч Архитектурно-строительные решения Общие данные Схема элементов консольных сетчатых перегородок Схема расположения фундаментов под оборудование на отм. 0.000 Фундаменты Фо4 - Фо6 Техническая спецификация стали на листы 6 - 8 Схемы расположения элементов площадки на отм. 2.000 Схема расположения элементов опор Узлы 1 - 5 Водопровод и канализация Общие данные План на отм. 0.000 Схемы сетей В4, В5, К2 Электрооборудование силовое Общие данные Принципиальная схема распределительной сети (1ПР) Принципиальная схема распределительной сети (2ПР) Насос 14 - 1; 14 - 2; 14-3; 13. Схема электрическая принципиальная управления электроприводом Задвижки 1з - 6з. Схема электрическая принципиальная управления электроприводом Задвижки 1з - 6з. Схема электрическая подключения План на отм. 0.000 в осях А - Б; 1 - 3 с электросетями Электроосвещение Общие данные План на отм. 0.000 в осях 1 - 3; А - Б Автоматизация технологии производства Общие данные Схема автоматизации Схема соединений внешних проводок План расположения Схема электрическая принципиальная питания Контроль уровня в баках поз. 21. Схема электрическая принципиальная Управление насосами поз. 14. Схема электрическая принципиальная Контроль загрязнений конденсата. Схема электрическая принципиальная Управление насосом поз. 13. Схема электрическая принципиальная |
| Разработан: | АО Гипроив |
| Утверждён: | 24.11.1995 Комитет РФ по химической и нефтехимической промышленности (09/1-11-98) |















































