Скачать Типовой проект 904-1-86.91 Альбом 4. Автоматизация технологии производства. Автоматизация систем отопления и вентиляцииДата актуализации: 01.01.2021
|
| Обозначение: | Типовой проект 904-1-86.91 |
| Обозначение англ: | 904-1-86.91 |
| Статус: | не определен законодательством |
| Название рус.: | Альбом 4. Автоматизация технологии производства. Автоматизация систем отопления и вентиляции |
| Дата добавления в базу: | 01.10.2014 |
| Дата актуализации: | 01.01.2021 |
| Дата введения: | 18.10.1990 |
| Дата окончания срока действия: | 30.06.2003 |
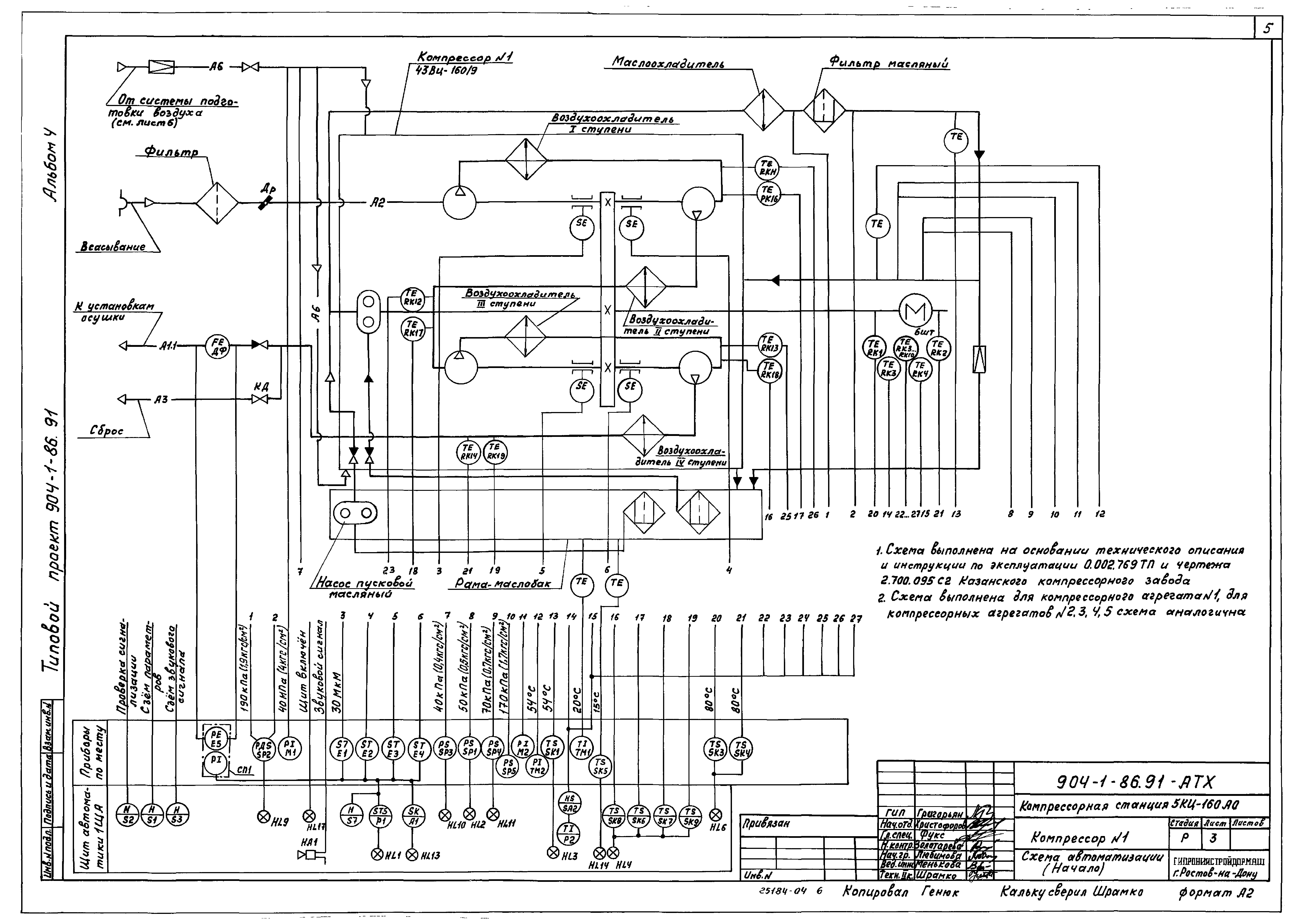
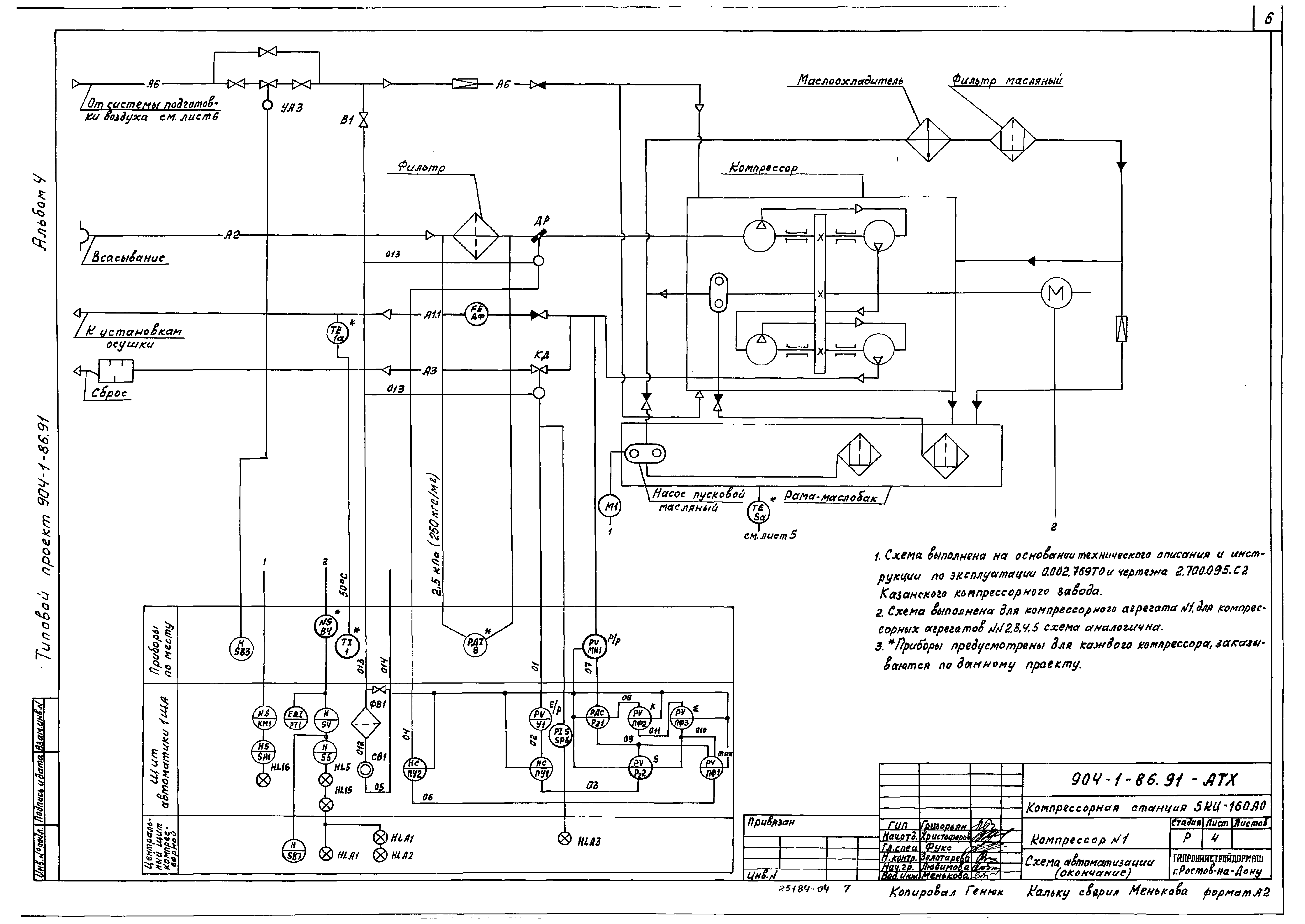
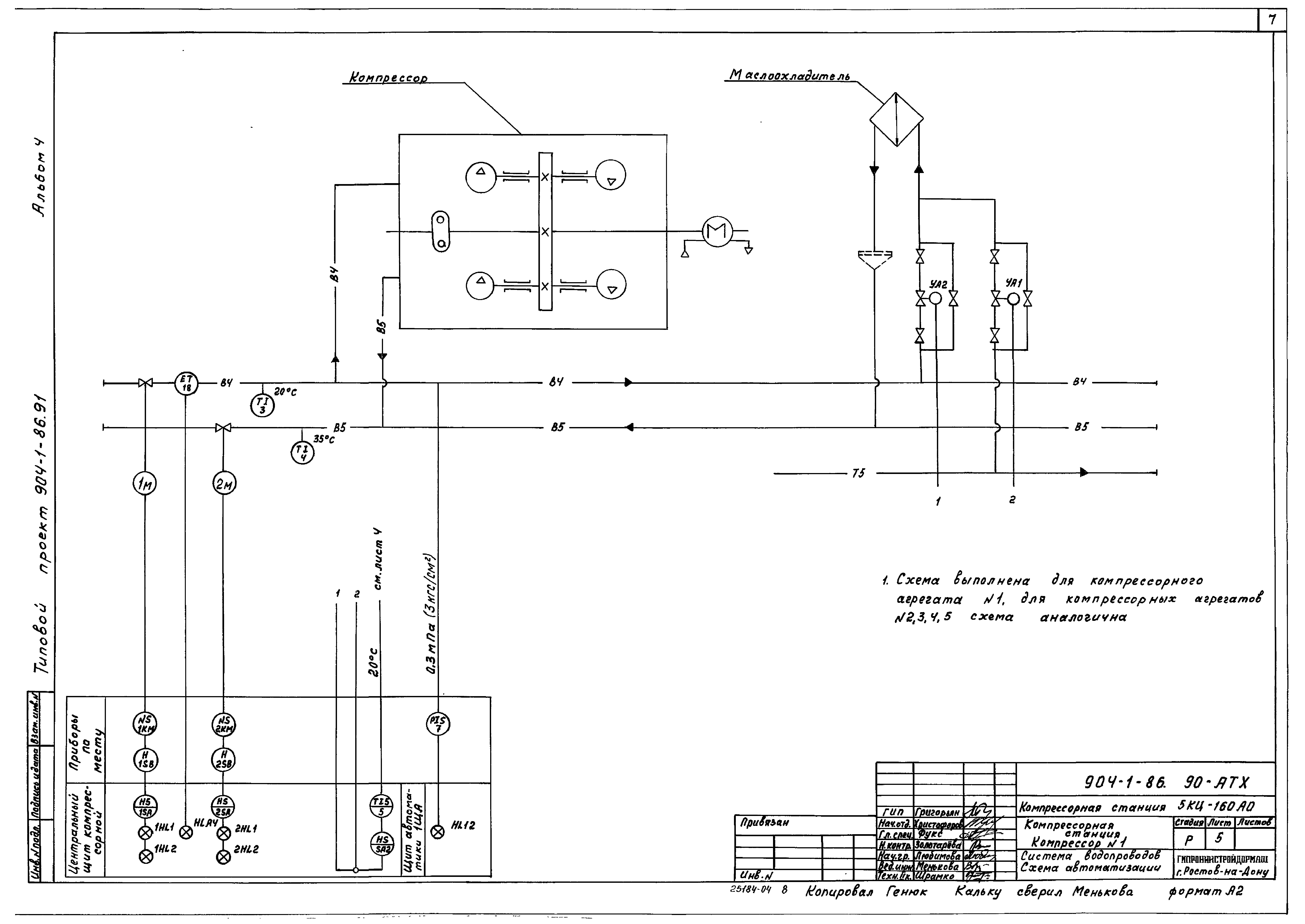
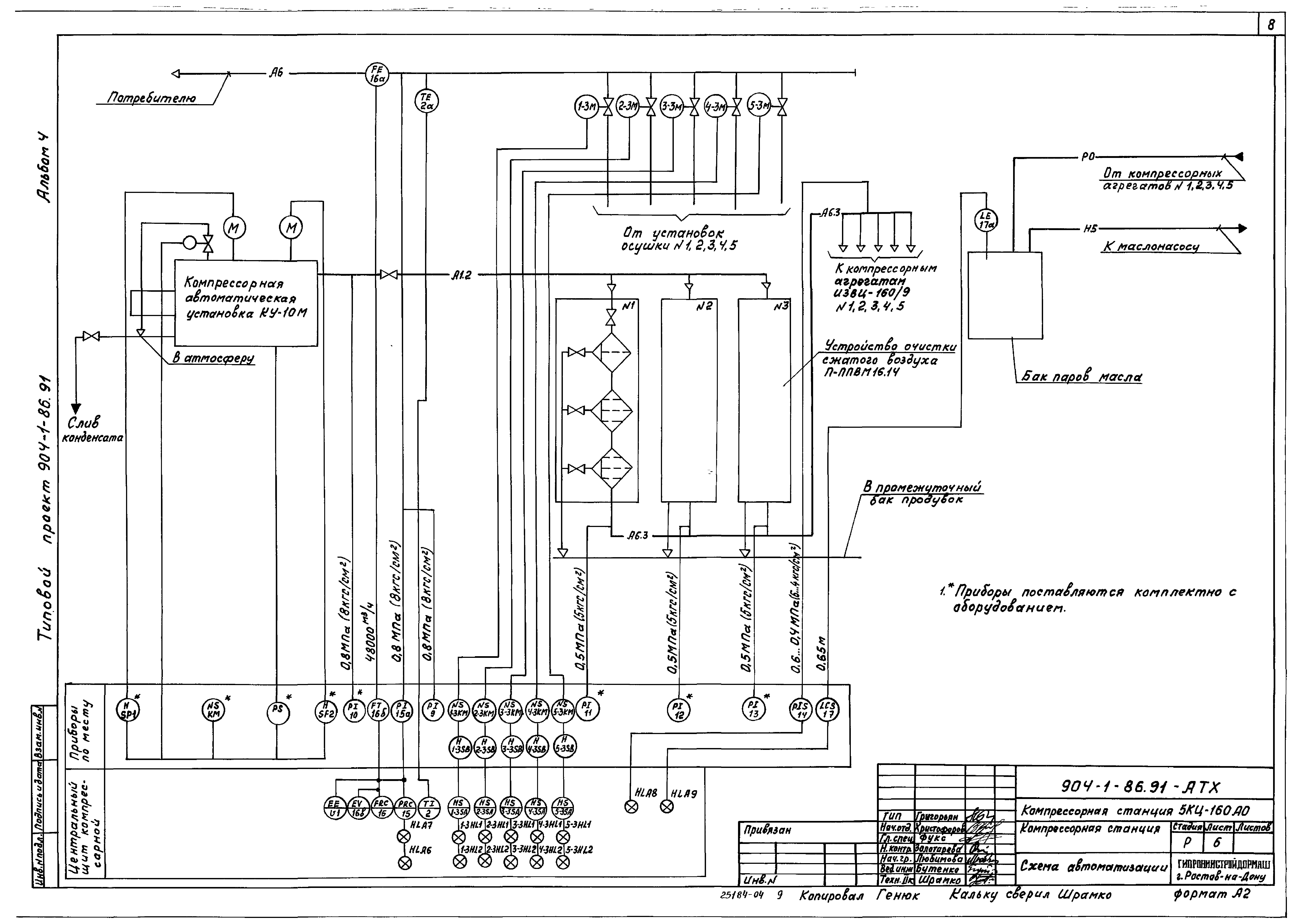
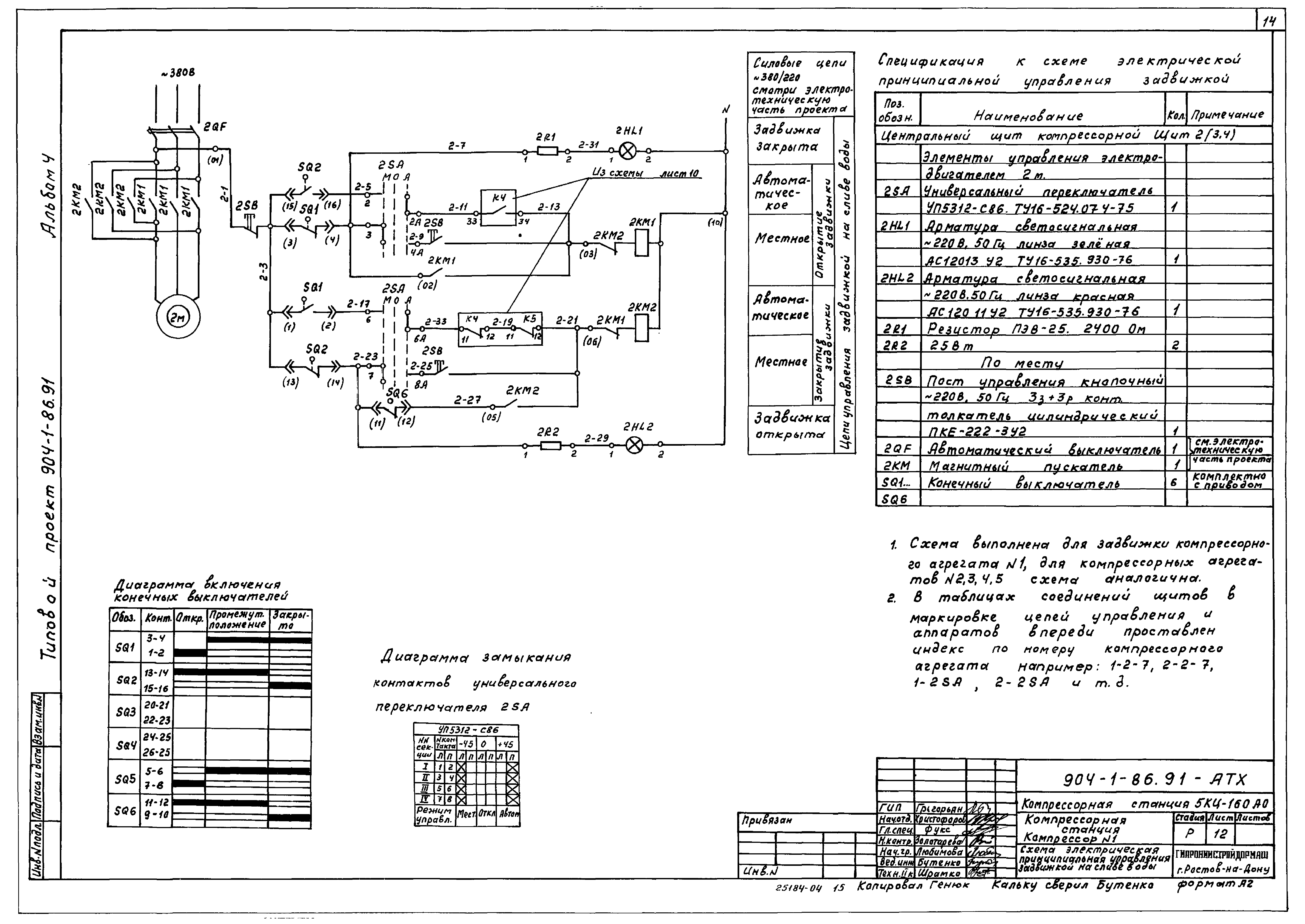
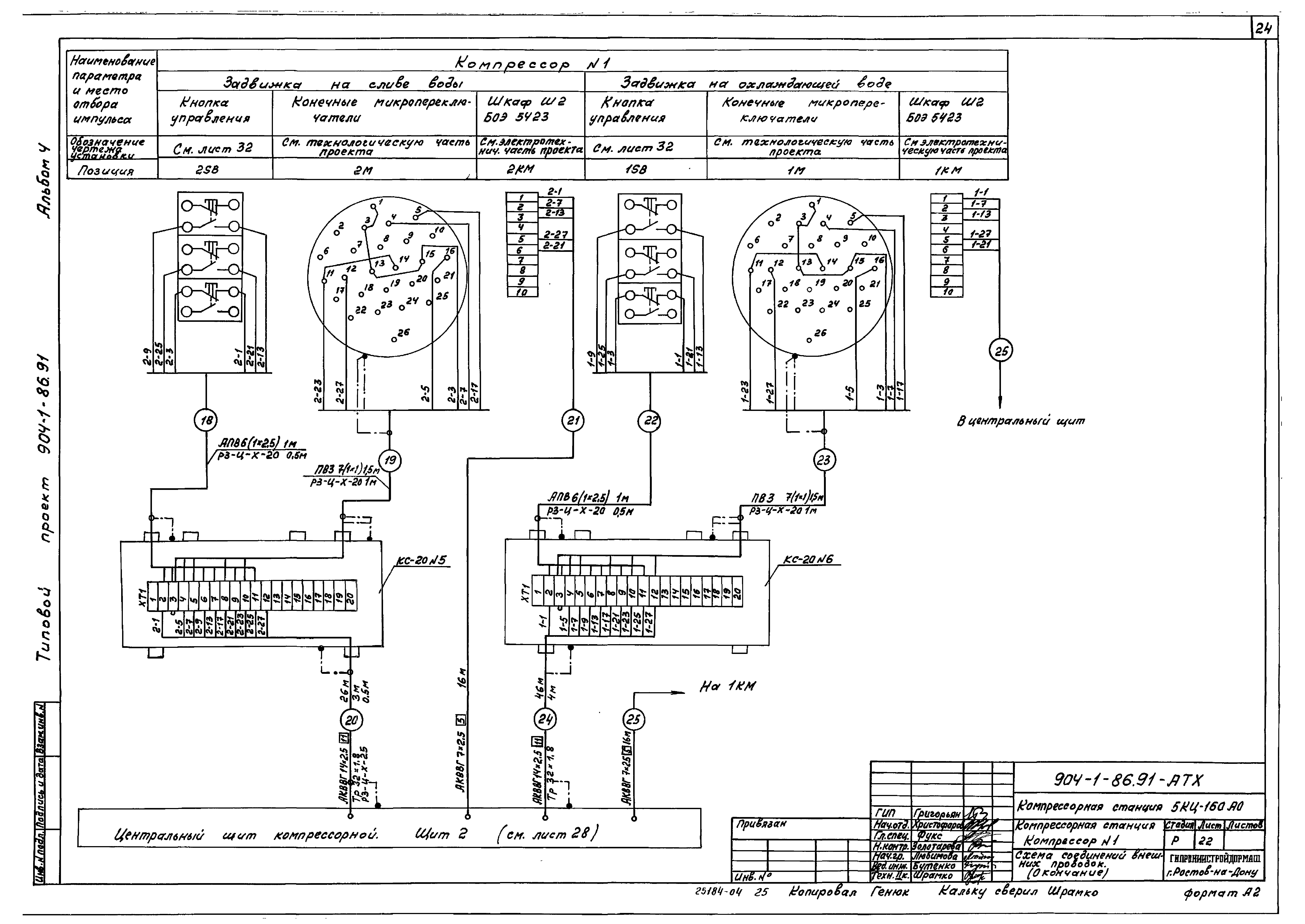
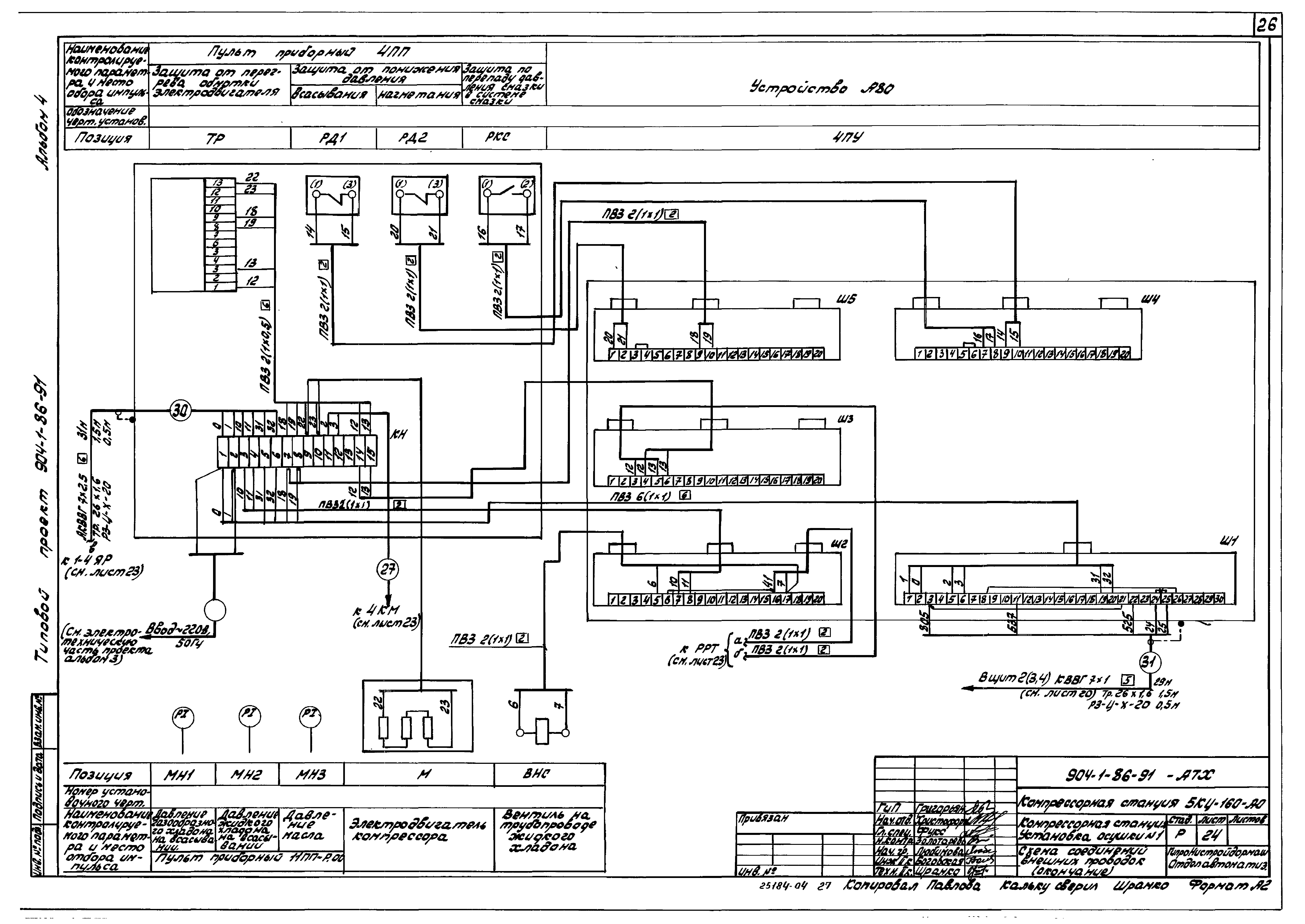
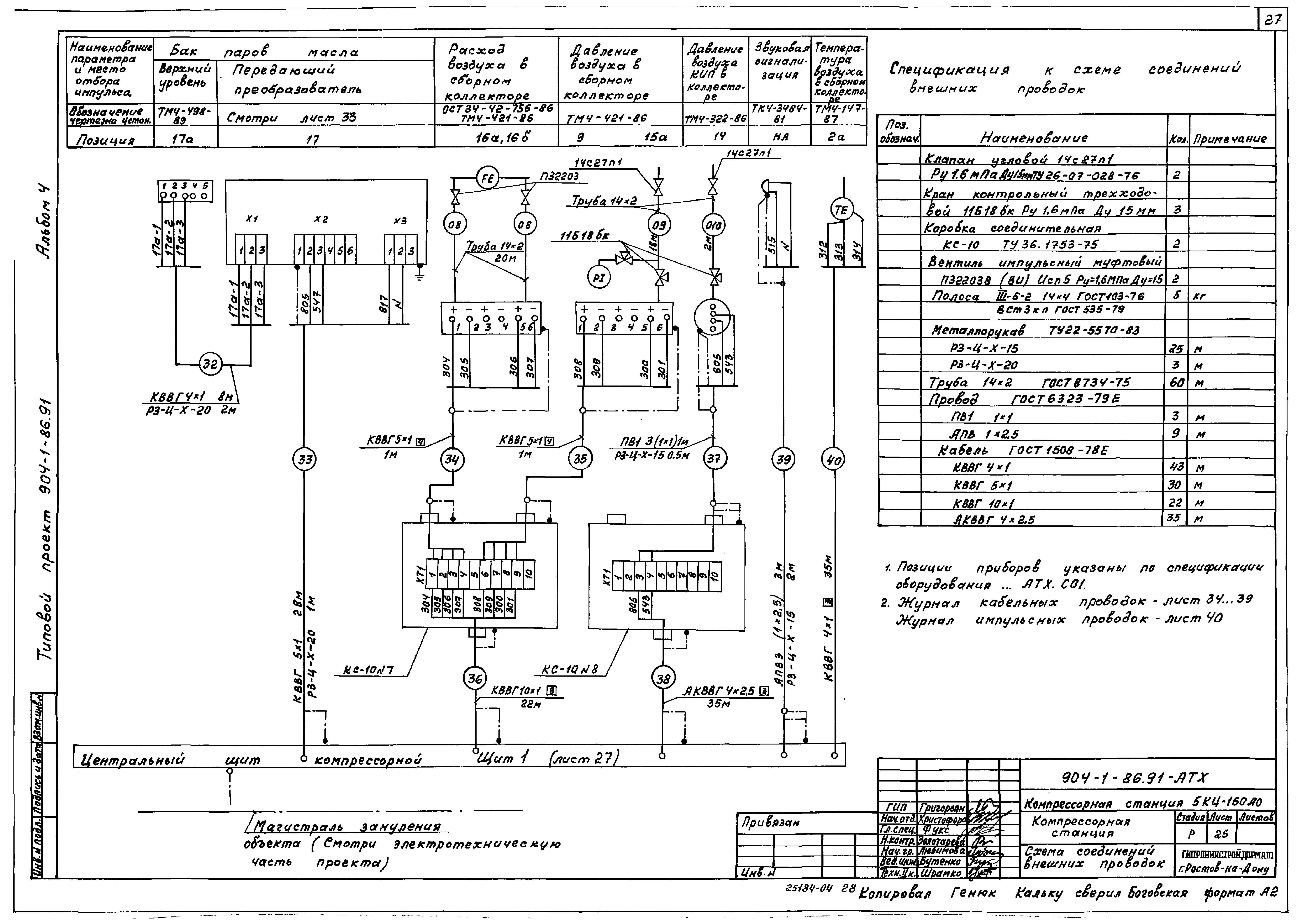
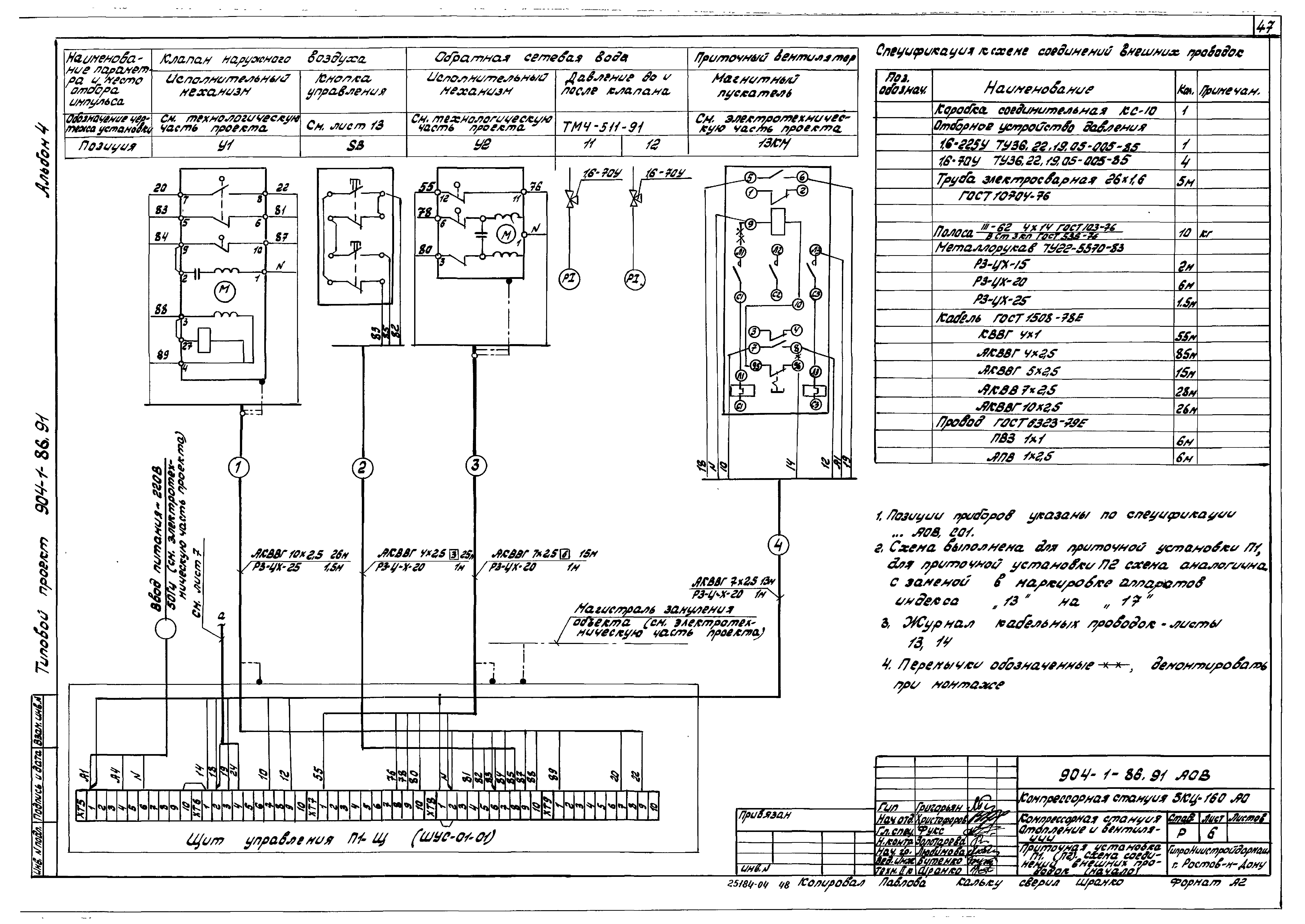
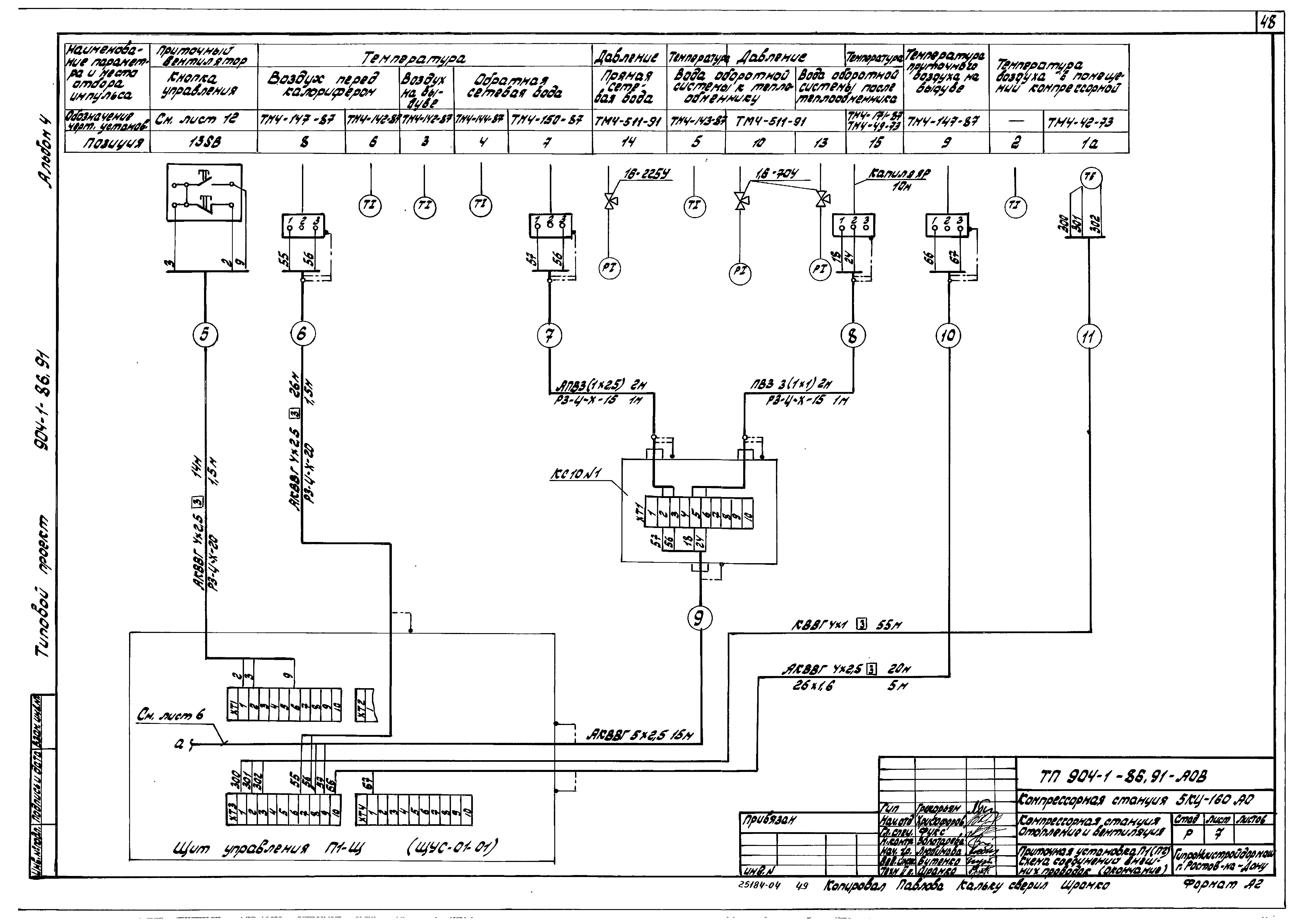
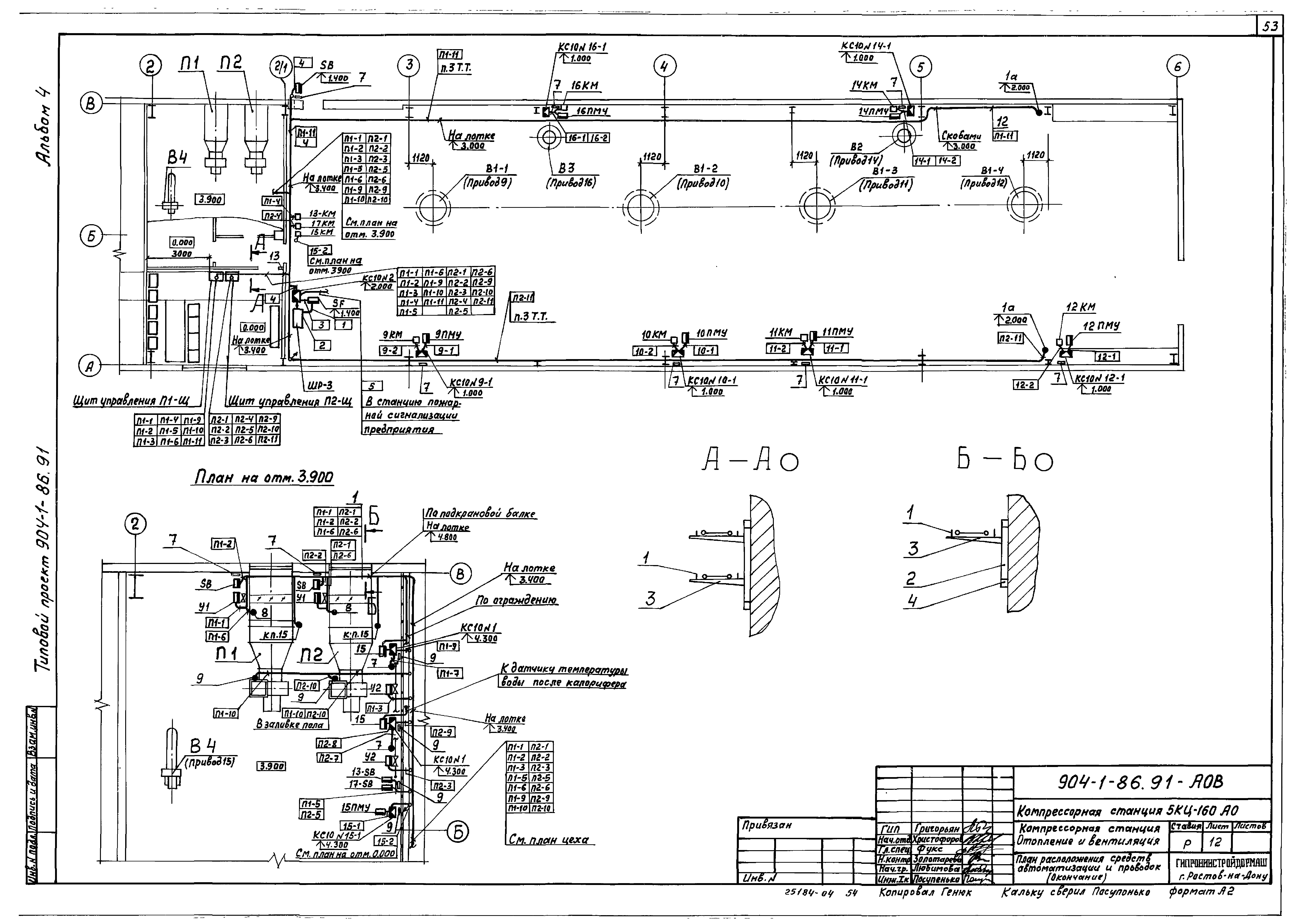
| Оглавление: | Содержание альбома Технологическая часть Общие данные Компрессор №1. Схема автоматизации Компрессорная станция. Компрессор №1. Система водопроводов. Схема автоматизации Компрессорная станция. Схема автоматизации Компрессорная станция. Установка осушки №1. Схема автоматизации Компрессорная станция. Схема электрическая принципиальная измерения давления расхода Схема электрическая принципиальная измерения температуры Компрессорная станция. Компрессор №1. Схема электрическая принципиальная управления вентилями Схема электрическая принципиальная управления задвижкой на охлаждающей воде Схема электрическая принципиальная управления задвижкой на сливе воды Схема электрическая принципиальная управления задвижкой на воздухе Компрессорная станция. Схема электрическая принципиальная сигнализации Компрессорная станция. Компрессор №1. Схема электрическая принципиальная питания Компрессор №1. Схема соединений внешних проводок Компрессорная станция. Компрессор №1. Схема соединений внешних проводок Компрессорная станция. Установка осушки №1. Схема соединений внешних проводок Компрессорная станция. Схема соединений внешних проводок Схема соединений внешних проводок между щитами Схема подключения внешних проводок Компрессорная станция. План расположения средств автоматизации и проводок Компрессорная станция. Компрессор №1. План расположения средств автоматизации и проводок Компрессорная станция. Установка осушки №1. План расположения средств автоматизации и проводок Журнал кабельных проводок Журнал импульсных проводок Отопление и вентиляция Общие данные Приточная установка П1(П2). Схема автоматизации Вытяжная установка В1(В2, В3, В4). Схема электрическая принципиальная управления Схема электрическая принципиальная отключения вытяжной вентиляции Приточная установка П1(П2). Схема соединений внешних проводок Вытяжная установка В1(В2, В3, В4). Схема соединений внешних проводок Схема соединений внешних проводок отключения вытяжной вентиляции Узел управления. Схема автоматизации. Схема соединений внешних проводок План расположения средств автоматизации и проводок Журнал кабельных проводок Задание заводу-изготовителю щитов Перечень технической документации Спецификация щитов Центральный щит компрессорной. Общий вид Щит 1. Общий вид Щит 1. Таблица соединений Щит 1. Таблица подключения Щит 2(3). Общий вид Щит 2(3). Таблица соединений Щит 2(3). Таблица подключения Щит 4. Общий вид Щит 4. Таблица соединений Щит 4. Таблица подключения |
| Разработан: | Гипрониистройдормаш |
| Утверждён: | 18.10.1990 Минтяжмаш СССР (USSR Mintyazhmash 14) |




















































































