Скачать А3-1035 Рекомендации по подбору вентиляторов крышных дымоудаления ВКРВ ДУ и ВКРН ДУДата актуализации: 01.01.2021
|
| Обозначение: | А3-1035 |
| Обозначение англ: | А3-1035 |
| Статус: | справочные материалы, мп, тпр |
| Название рус.: | Рекомендации по подбору вентиляторов крышных дымоудаления ВКРВ ДУ и ВКРН ДУ |
| Дата добавления в базу: | 21.05.2015 |
| Дата актуализации: | 01.01.2021 |
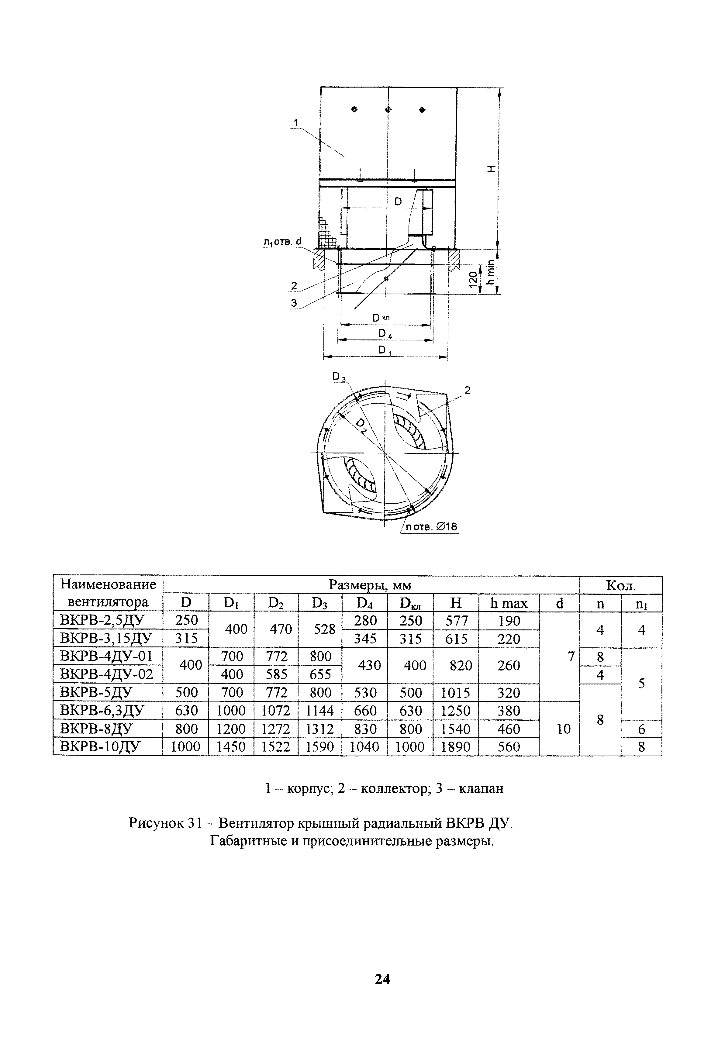
| Область применения: | Руководство содержит технические данные, рекомендации по подбору, аэродинамические характеристики, габаритные, установочные и присоединительные размеры крышных вентиляторов ВКРВ ДУ, ВКРВ2х ДУ й ВКРН ДУ для удаления газов, возникающих при пожаре. |
| Оглавление: | 1 Общие данные 2 Условные обозначения 3 Подбор вентиляторов 4 Описание конструкции и рекомендации по монтажу |
| Разработан: | ФГУП СантехНИИпроект |






























