Скачать Типовой проект 902-1-46 Альбом V. Архитектурно-строительные решения (глубина заложения подводящего коллектора 7,0 м). Подземная частьДата актуализации: 01.01.2021
|
| Обозначение: | Типовой проект 902-1-46 |
| Обозначение англ: | 902-1-46 |
| Статус: | заменен |
| Название рус.: | Альбом V. Архитектурно-строительные решения (глубина заложения подводящего коллектора 7,0 м). Подземная часть |
| Дата добавления в базу: | 01.10.2014 |
| Дата актуализации: | 01.01.2021 |
| Дата введения: | 10.05.1978 |
| Дата окончания срока действия: | 01.02.1985 |
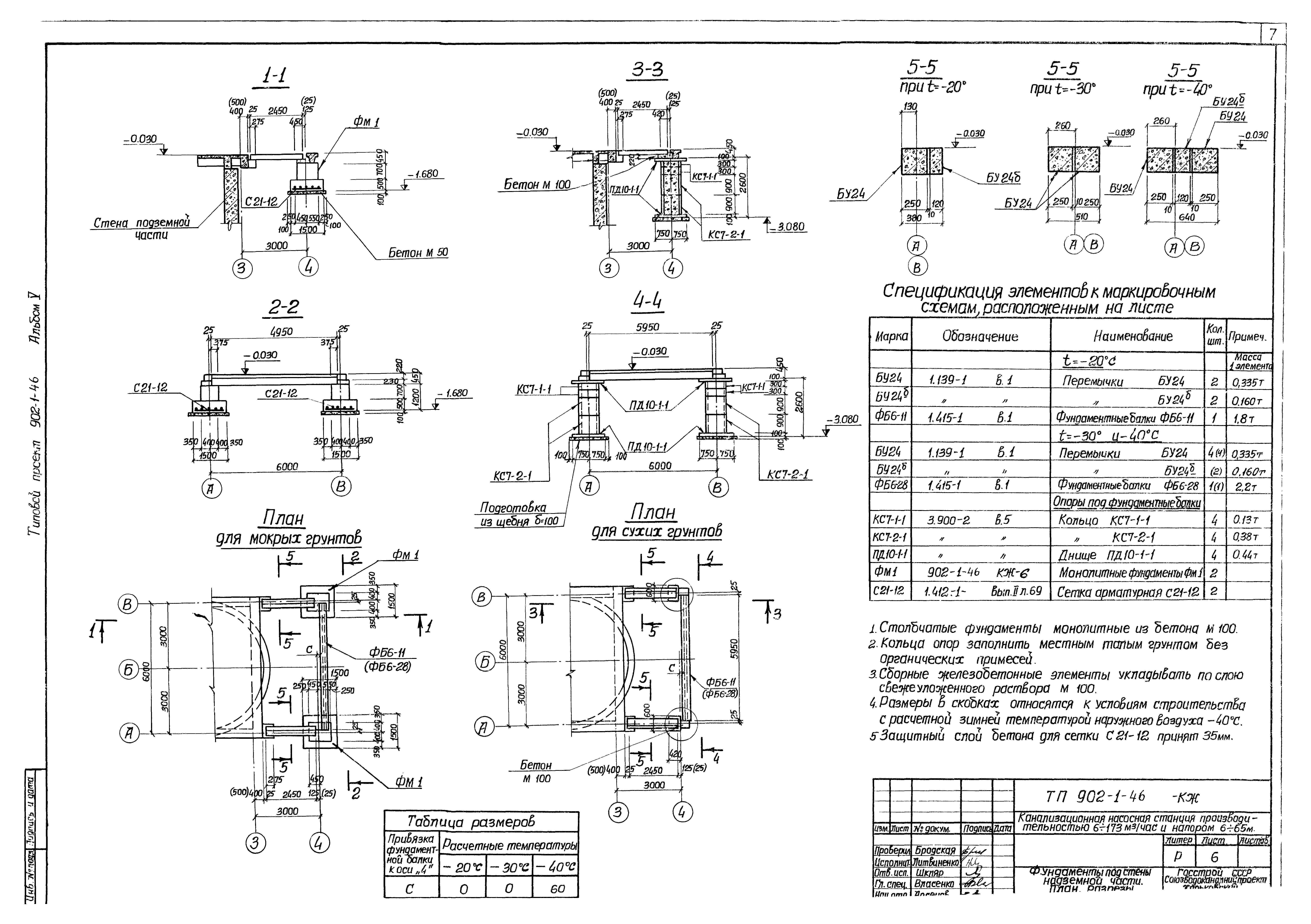
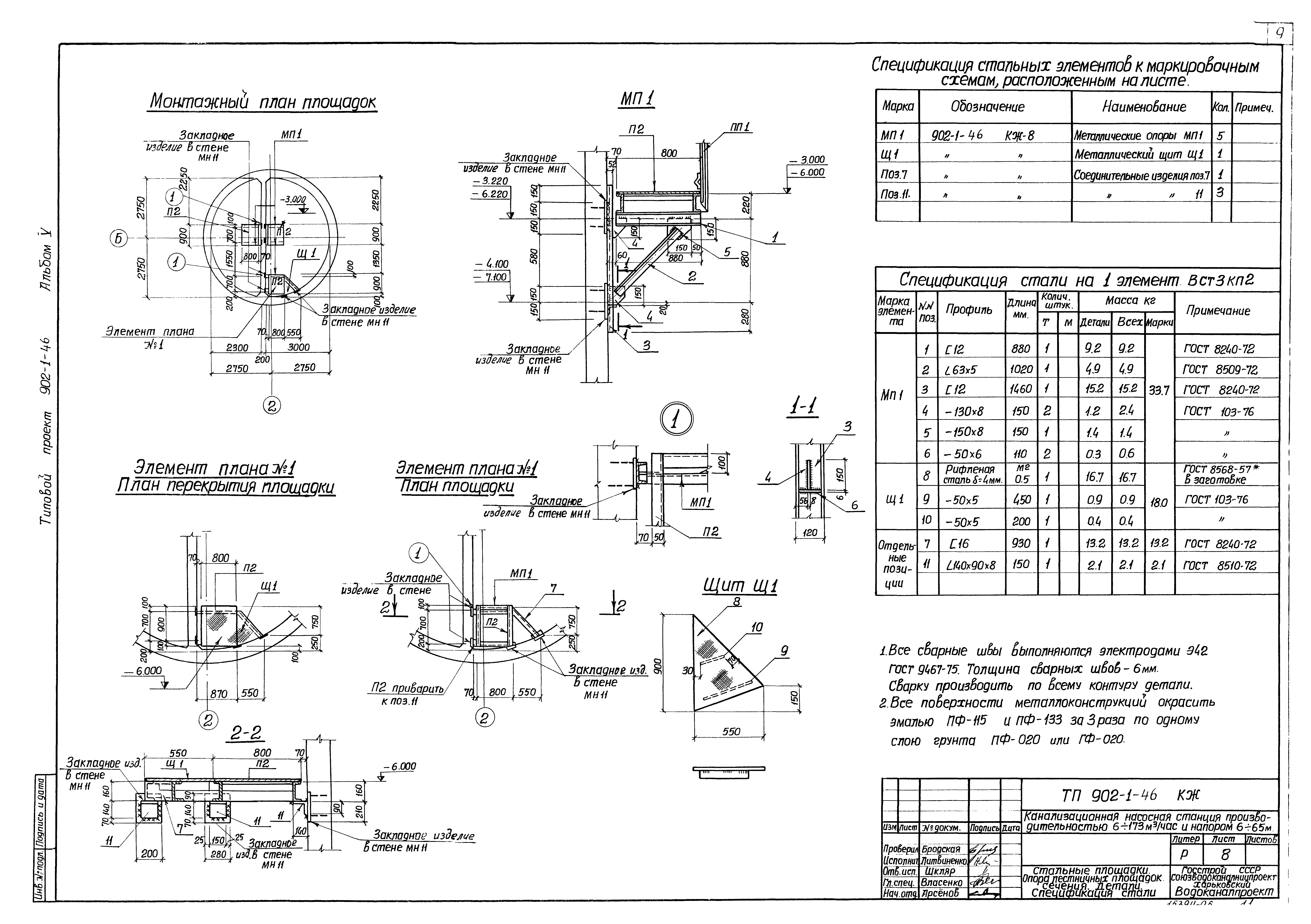
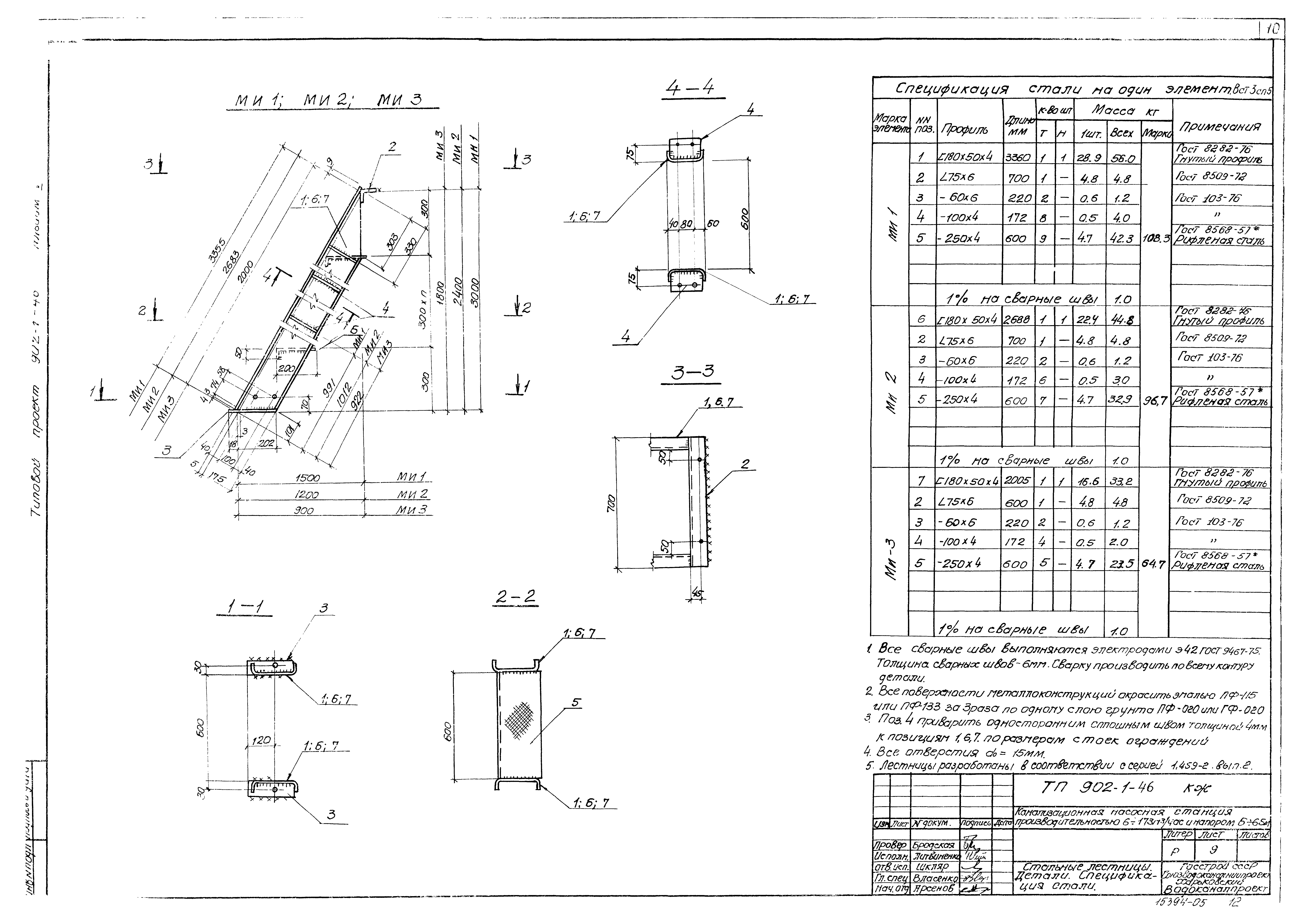
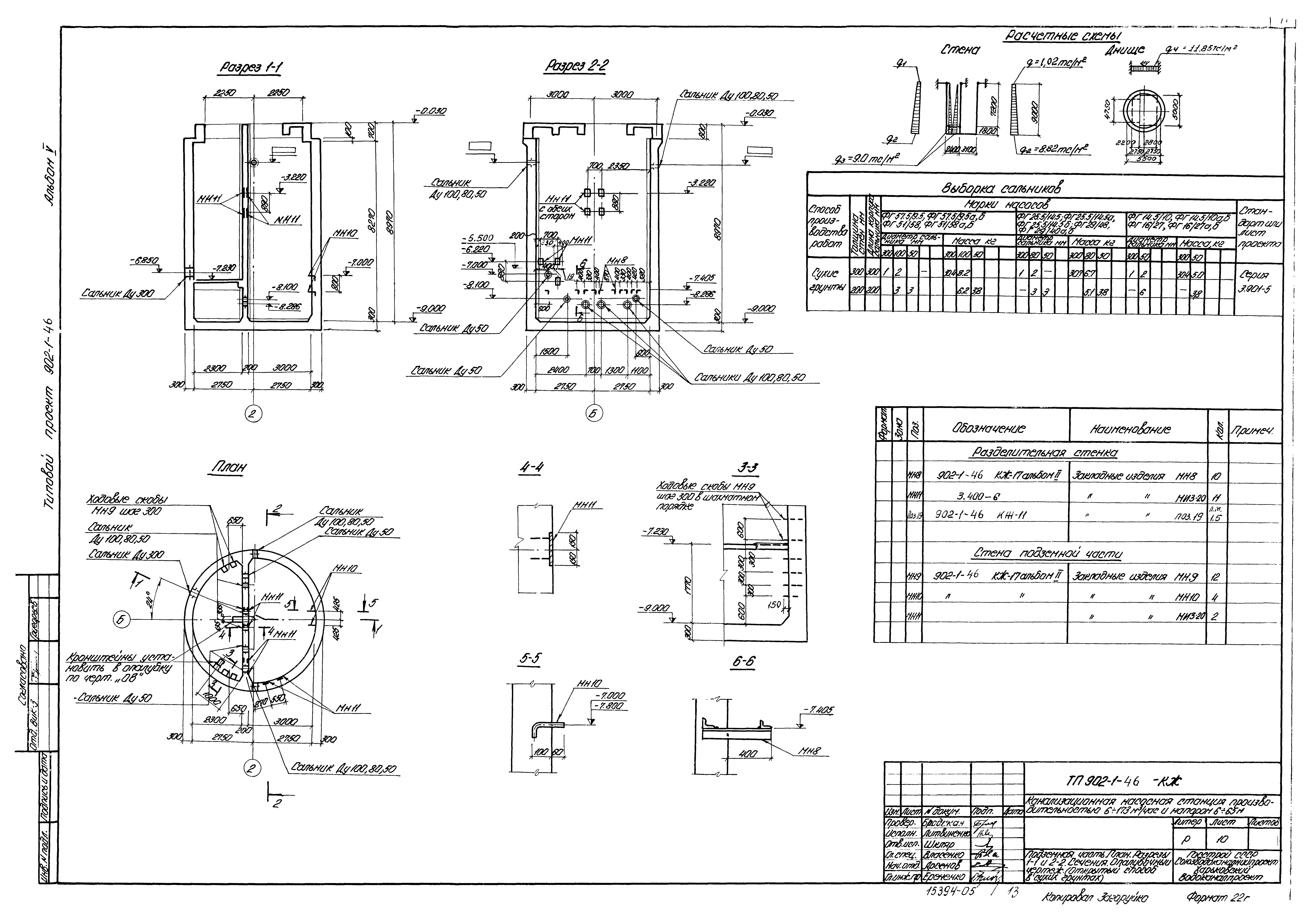
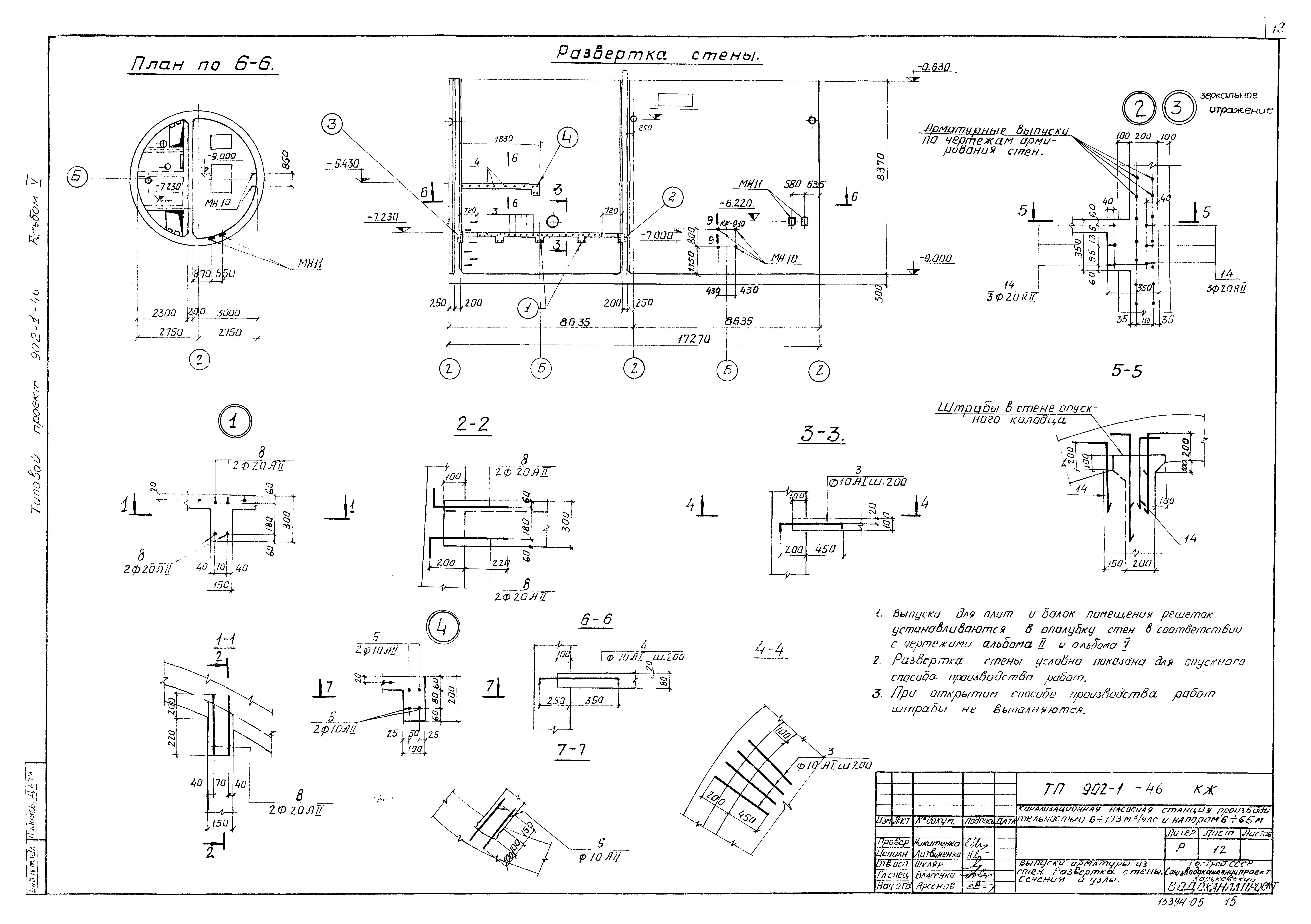
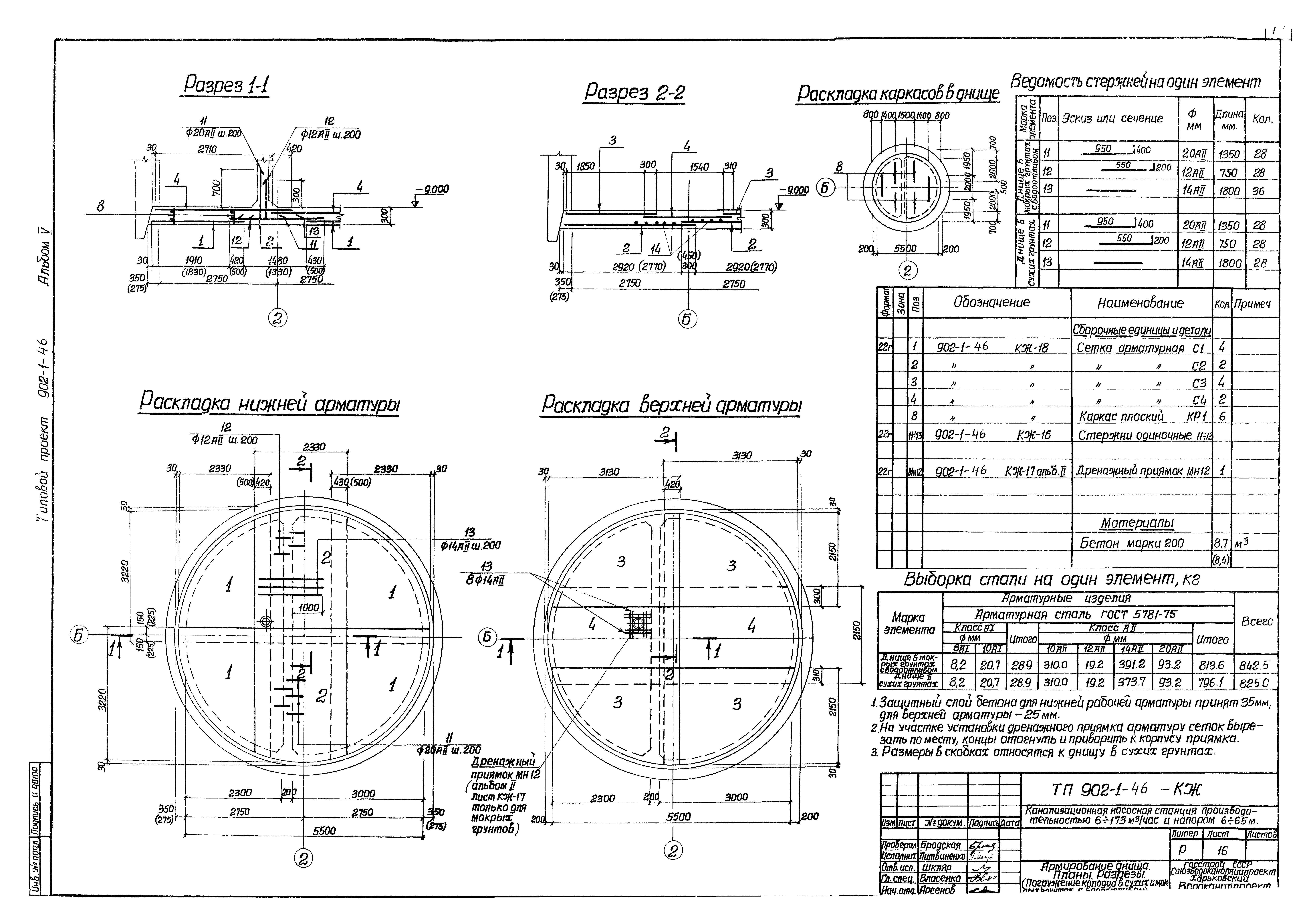
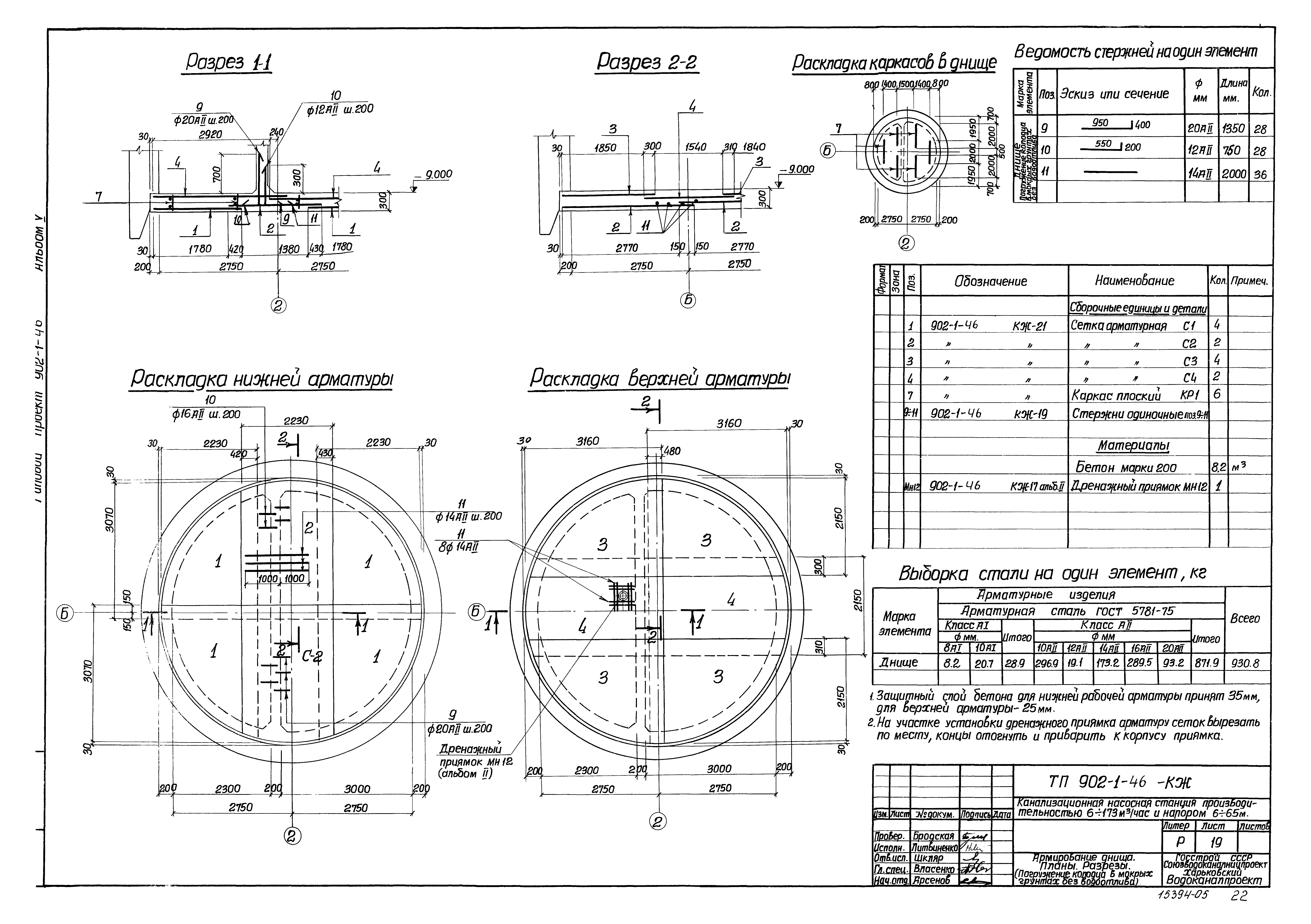
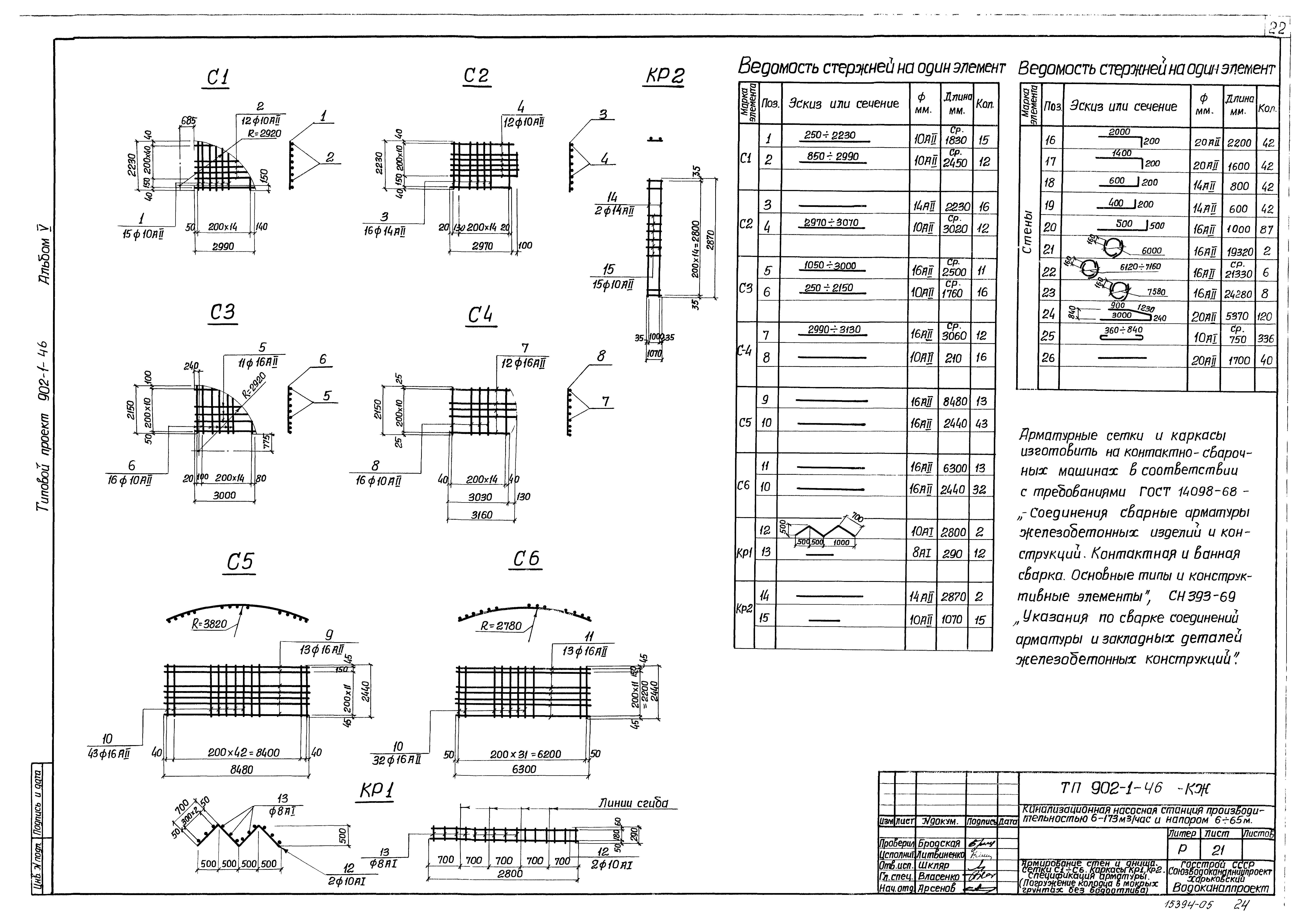
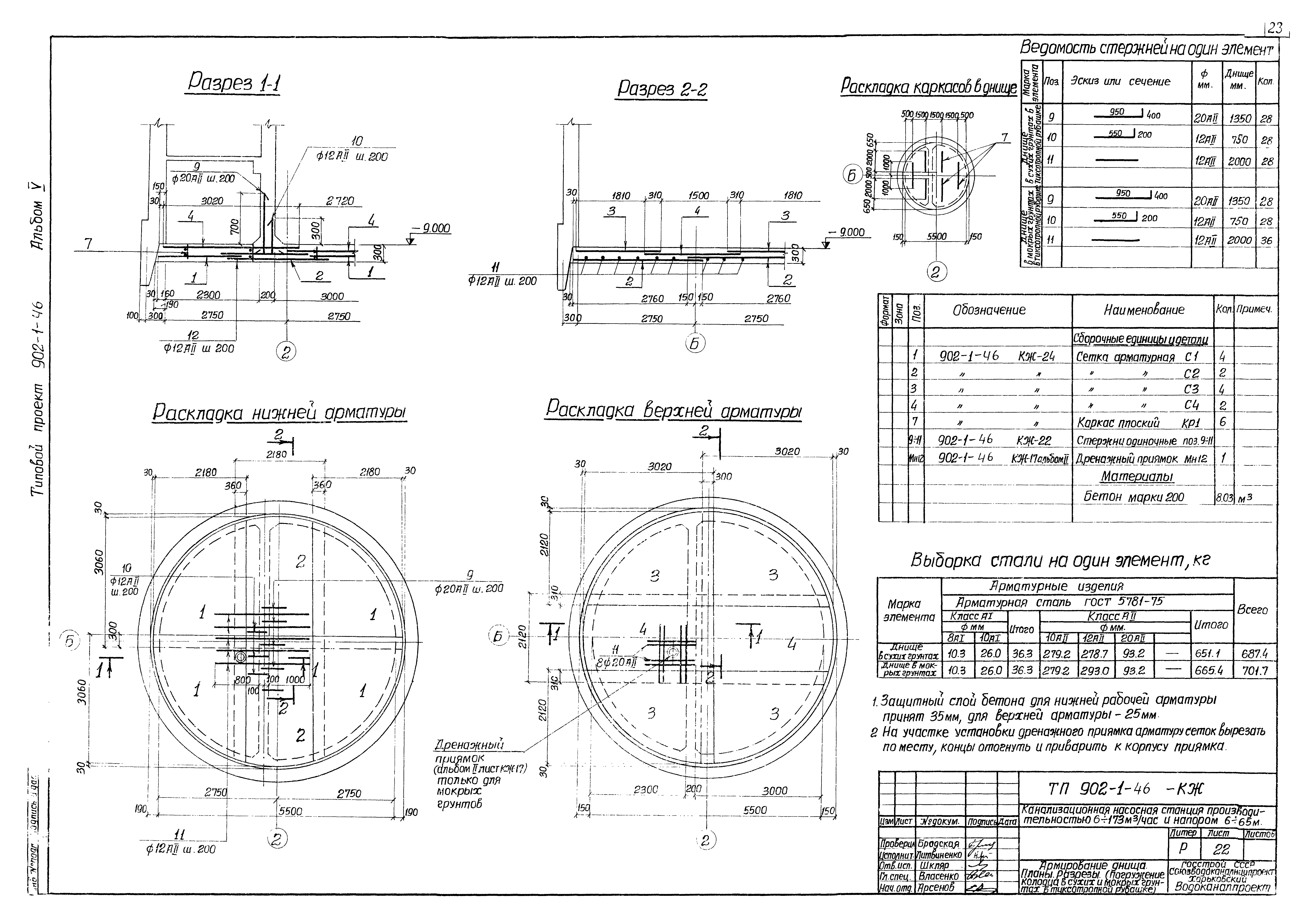
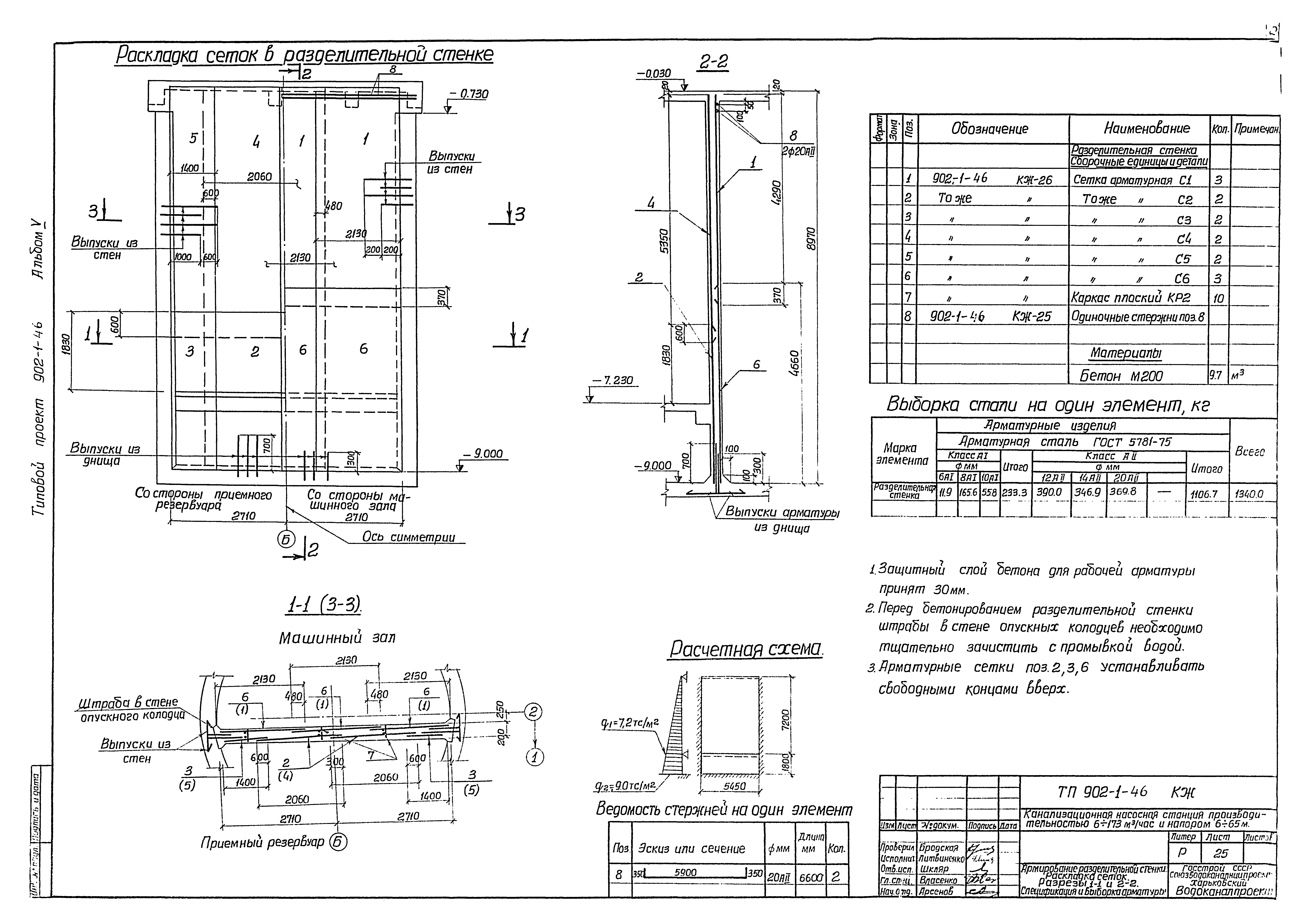
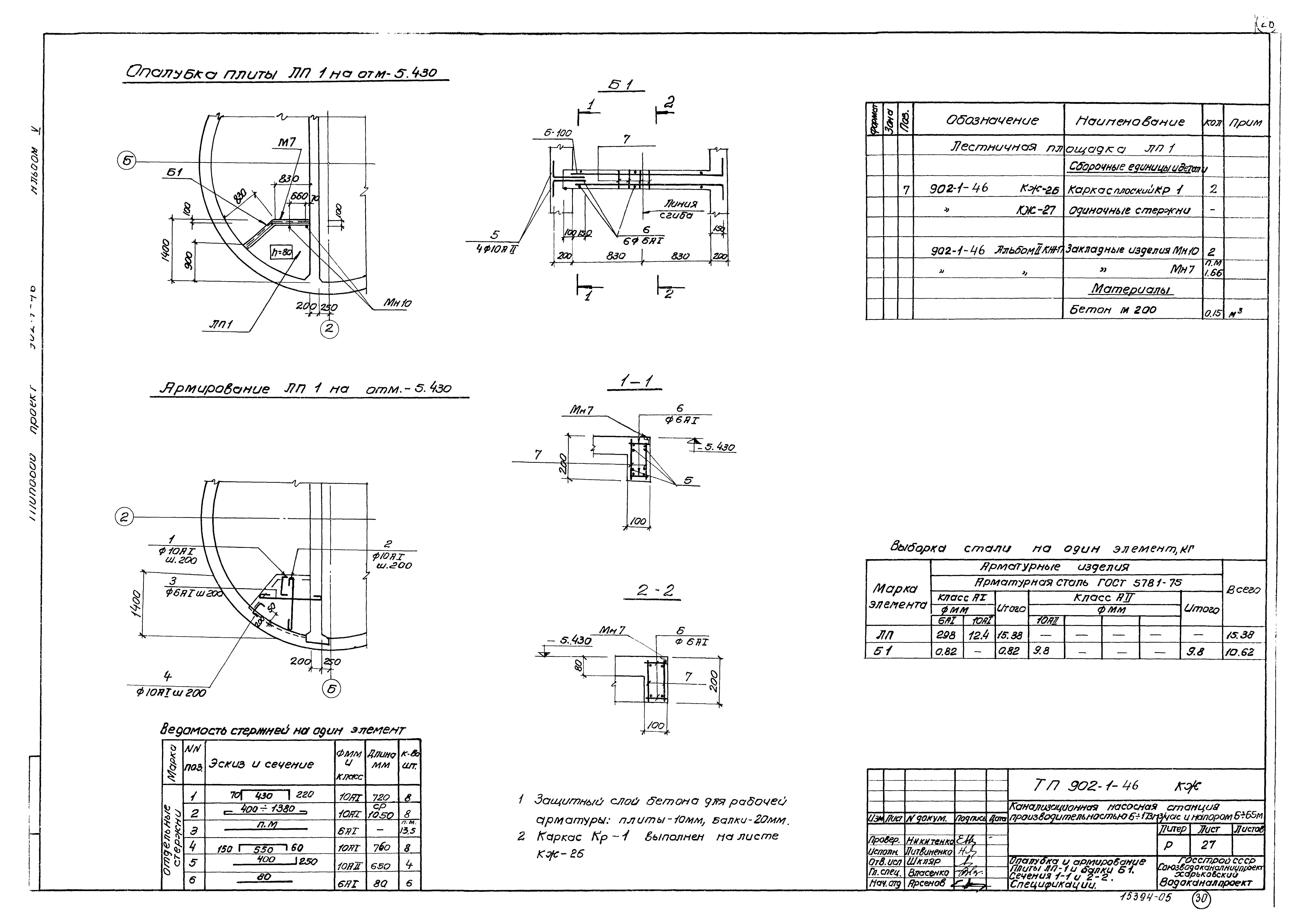
| Оглавление: | Содержание альбома Общие данные План на отм. - 7.200 и - 8.700. Разрезы 1-1, 2-2 и 3-3 (открытый способ в сухих грунтах) План на отм. - 7.200 и - 8.700. Разрезы 1-1, 2-2 и 3-3 (опускной способ в сухих и мокрых грунтах) Фундаменты под стены надземной части. План. Сечения (открытый способ) Фундаменты под стены надземной части. План. Разрезы (опускной способ) Монтажный план лестниц и лестничных площадок. Спецификация стальных элементов Стальные площадки. Опора лестничных площадок. Сечения. Детали. Спецификация стали Стальные лестницы. Детали. Спецификация стали Подземная часть. План. Разрезы 1-1 и 2-2. Сечения. Опалубочный чертеж (открытый способ в сухих грунтах) Подземная часть. План. Разрезы 1-1 и 2-2. Сечения. Опалубочный чертеж (опускной способ в сухих и мокрых грунтах) Выпуски арматуры из стен. Развертка стены. Сечения и узлы Армирование днища. Планы. Разрезы. Раскладка каркасов (открытый способ в сухих грунтах) Армирование стен. План. Разрез. Развертки сеток (открытый способ в сухих грунтах) Армирование стен и днища. Сетки С1 - С4. Каркасы Кр1, Кр2. Спецификация арматуры (открытый способ в сухих грунтах) Армирование днища. Планы. Разрезы (погружение колодца в сухих грунтах и мокрых с водоотливом) Армирование стен. План. Разрезы. Развертки сеток (погружение колодца в сухих грунтах и мокрых с водоотливом) Армирование стен и днища. Сетки С1 - С7. Каркасы Кр1, Кр2. Спецификация арматуры (погружение колодца в сухих грунтах и мокрых с водоотливом) Армирование днища. Планы. Разрезы (погружение колодца в мокрых грунтах без водоотлива) Армирование стен. План. Разрез. Развертки сеток (погружение колодца в мокрых грунтах без водоотлива) Армирование стен и днища. Сетки С1 - С6. Каркасы Кр1, Кр2. Спецификация арматуры (погружение колодца в мокрых грунтах без водоотлива) Армирование днища. Планы. Разрезы (погружение колодца в сухих и мокрых грунтах в тиксотропной рубашке) Армирование стен. План. Разрез. Развертки сеток (погружение колодца в сухих и мокрых грунтах в тиксотропной рубашке) Армирование стен и днища. Сетки С1 - С6. Каркасы Кр1, Кр2. Спецификация арматуры (погружение колодца в сухих и мокрых грунтах в тиксотропной рубашке) Армирование разделительной стенки. Раскладка сеток. Разрезы 1-1 и 2-2. Спецификация и выборка арматуры Армирование разделительной стенки и плиты ПП1 на отм. - 5.430. Сетки С1 - С5 и Кр1, Кр2 Опалубка и армирование плиты ПП1 и балки БМ1. Сечения 1-1 и 2-2. Спецификации |
| Разработан: | Харьковский Водоканалпроект |
| Утверждён: | 08.12.1975 СоюзводоканалНИИпроект (SoyuzvodokanalNIIproject 105) |
| Заменяет собой: |
|
| Чем заменён: |
|






























