Скачать ГОСТ Р ИСО 12164-1-2013 Хвостовики инструментов полые конические (HSK). Типы А и С. Основные размерыДата актуализации: 01.01.2021
|
| Обозначение: | ГОСТ Р ИСО 12164-1-2013 |
| Обозначение англ: | GOST R ISO 12164-1-2013 |
| Статус: | действует |
| Название рус.: | Хвостовики инструментов полые конические (HSK). Типы А и С. Основные размеры |
| Название англ.: | Hollow taper shank of tools (HSK). Types A and C. Basic dimensions |
| Дата добавления в базу: | 01.10.2014 |
| Дата актуализации: | 01.01.2021 |
| Дата введения: | 01.07.2014 |
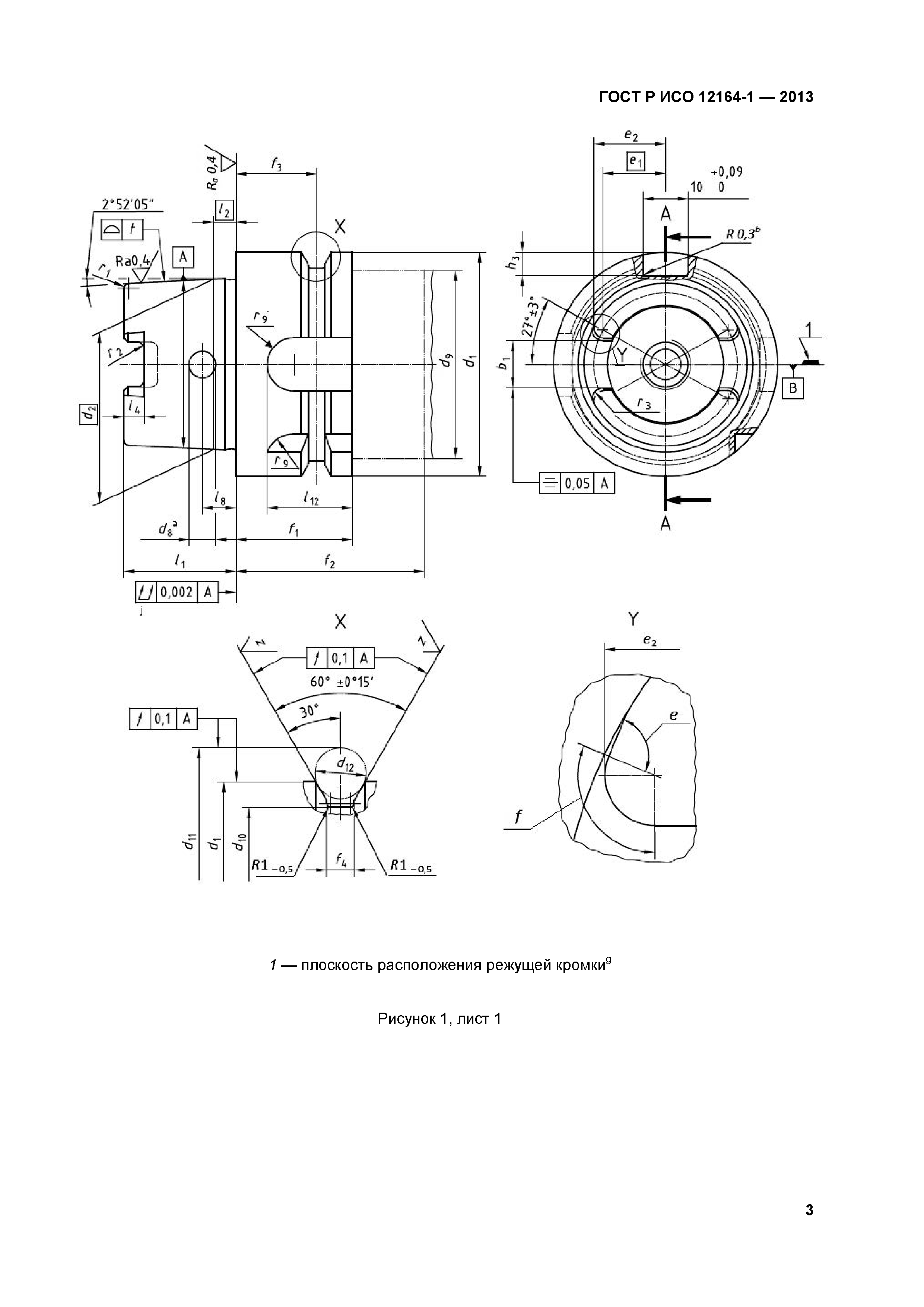
| Область применения: | Стандарт распространяется на размеры полых конических хвостовиков (HSK) инструментов с прилеганием по плоскости фланца к торцу шпинделя токарных, сверлильных, фрезерных и шлифовальных станков. Стандарт распространяется на два типа хвостовиков. Тип А содержит проточенный паз на фланце для автоматической смены инструмента. Инструменты также могут быть заменены вручную. Тип С не содержит проточенный паз на фланце и может быть применен только для ручной смены инструмента. Ручную смену инструмента в обоих типах осуществляют через отверстие в конической части хвостовика. Крутящий момент передается посредством торцовой шпонки на конце хвостовика, а также - силой трения. |
| Оглавление: | 1 Область применения 2 Нормативные ссылки 3 Размеры 4 Конструкция 5 Обозначения Приложение А (обязательное) Размеры канавки Приложение В (справочное) Рекомендации для применения Приложение ДА (справочное) Сведения о соответствии ссылочных международных стандартов ссылочным национальным стандартам Российской Федерации и действующему в этом качестве межгосударственному стандарту |
| Разработан: | ОАО ВНИИИНСТРУМЕНТ |
| Утверждён: | 20.05.2013 Федеральное агентство по техническому регулированию и метрологии (114-ст) |
| Издан: | Стандартинформ (2014 г. ) |
| Заменяет собой: | |
| Нормативные ссылки: |















