Скачать Типовой проект 407-3-255 Альбом V. СметыДата актуализации: 01.01.2021
|
| Обозначение: | Типовой проект 407-3-255 |
| Обозначение англ: | 407-3-255 |
| Статус: | действует |
| Название рус.: | Альбом V. Сметы |
| Дата добавления в базу: | 01.10.2014 |
| Дата актуализации: | 01.01.2021 |
| Дата введения: | 10.07.1979 |
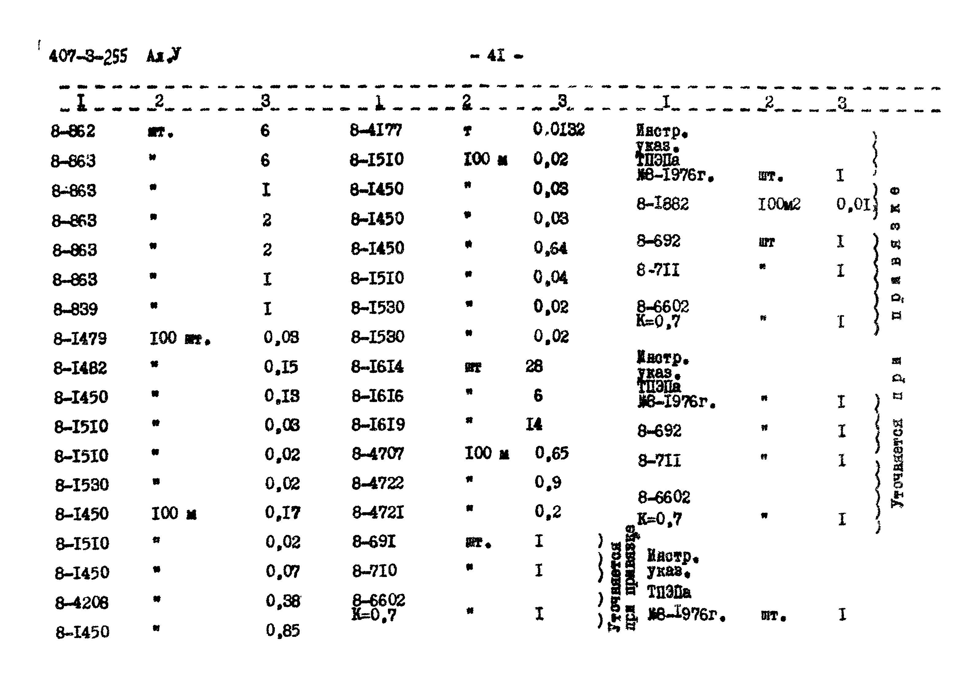
| Оглавление: | Пояснительная записка Объектная смета Сводка объемов и стоимости работ Смета №1. Общестроительные работы Смета №2. Сантехнические работы (внутренние водопровод и канализация) Смета №3. Электроосвещение здания Смета №4. Приобретение и монтаж оборудования по схеме 1 Таблица изменения стоимости по схеме №1 Смета №5. Приобретение и монтаж оборудования по схеме 2 Таблица изменения стоимости по схеме №2 Смета №6. Приобретение и монтаж оборудования по схеме 3 Таблица изменения стоимости по схеме №3 Ведомость объемов строительных и монтажных работ к смете №1 на общестроительные работы Ведомость объемов строительных и монтажных работ к смете №2 на санитарно-технические работы Ведомость объемов строительных и монтажных работ к смете №3 на электроосвещение здания Ведомость объемов строительных и монтажных работ к смете №4 на электротехническое оборудование по схеме 1 Ведомость объемов строительных и монтажных работ к смете №5 на электротехническое оборудование по схеме 2 Ведомость объемов строительных и монтажных работ к смете №6 на электротехническое оборудование по схеме 3 Ведомость потребных ресурсов по объектной смете Калькуляция на транспортные расходы |
| Разработан: | Гипрокоммунэнерго |
| Утверждён: | 13.03.1979 Минжилкомхоз РСФСР (Russian Federation Minzhilkomkhoz 5-ТД) |

















































