Скачать Методические рекомендации по составлению производственно-экономического плана (стройфинплана) строительно-монтажных организацийДата актуализации: 01.01.2021
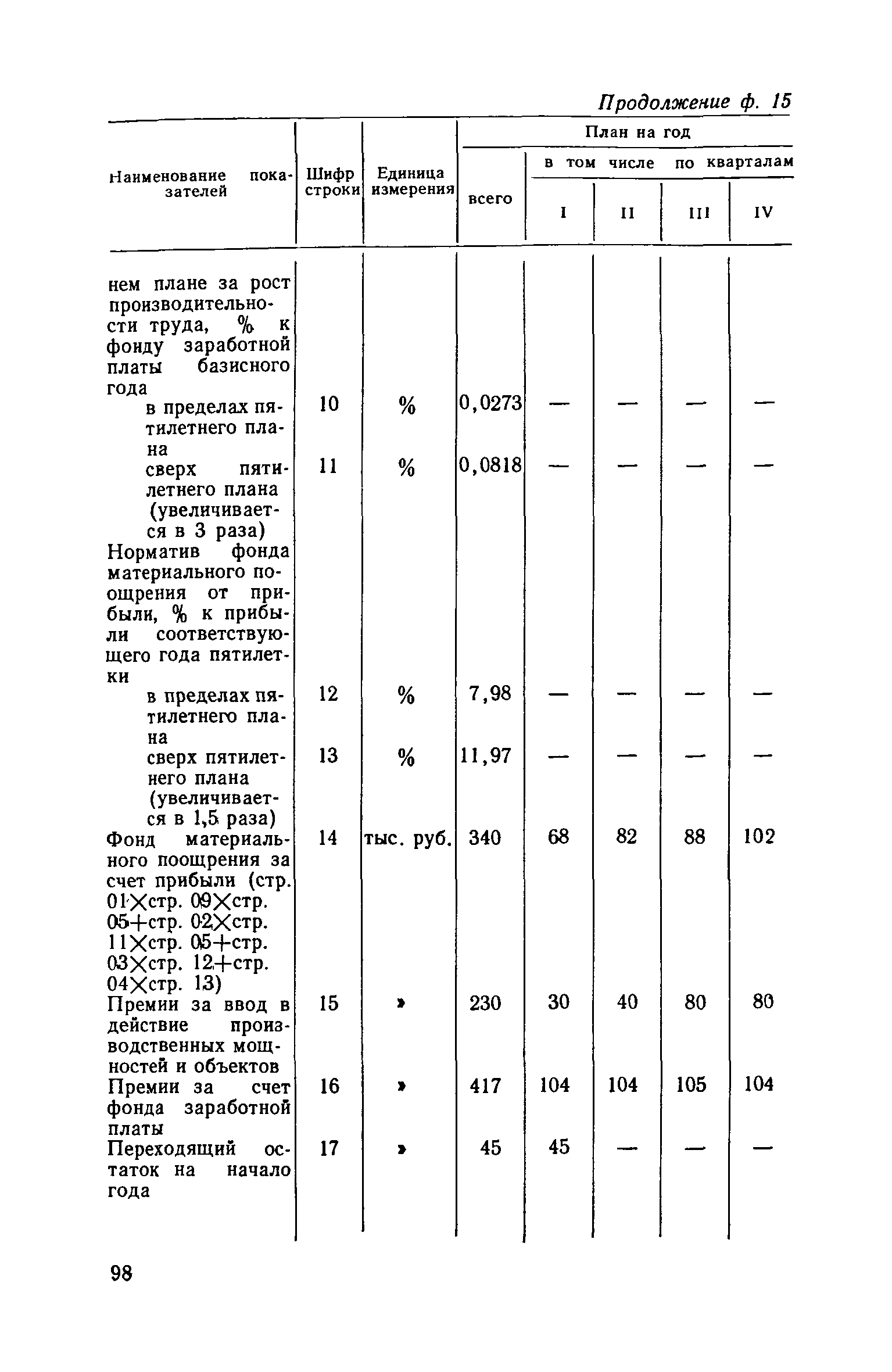
Методические рекомендации по составлению производственно-экономического плана (стройфинплана) строительно-монтажных организаций| Статус: | справочные материалы, мп, тпр | | Название рус.: | Методические рекомендации по составлению производственно-экономического плана (стройфинплана) строительно-монтажных организаций | | Дата добавления в базу: | 01.10.2014 | | Дата актуализации: | 01.01.2021 | | Область применения: | Методические рекомендации содержат новые показатели, формы и методы расчета, обоснования и построения годового производственно-экономического плана. Приведен также сквозной пример годового плана и его расчеты. | | Оглавление: | 1. Основные положения 2. Производственная программа 3. Показатели экономической эффективности производства 4. Развитие и использование производственной мощности 5. Техническое развитие 6. План механизации 7. План собственных капитальных вложений 8. Труд и кадры 9. Материально-техническое обеспечение и комплектация 10. План подсобных производств 11. Себестоимость и прибыль 12. Образование и использование фондов экономического стимулирования 13. Финансовый план 14. Социальное развитие коллектива 15. План мероприятий по охране природы и рациональному использованию природных ресурсов Приложение 1. Формы производственно-экономического плана Форма 1. Производственная программа. Ввод в действие производственных мощностей и объектов Форма 2. Пообъектный план товарной строительной продукции (ТСП) Форма 3-А. Объем товарной строительной продукции по строительным управлениям Форма 3-Б. Объем товарной строительной продукции по субподрядчикам Форма 3-В Объем товарной строительной продукции с распределением по заказчикам Форма 4. План подрядных работ по тресту (СУ) Форма 5. Ведомость физических объемов работ по СУ Форма 6. Основные показатели плана повышения эффективности производства Форма 7. План технического развития и использования достижений науки и техники Форма 8. Уровень механизации и потребность в строительных машинах Форма 8-А. Расчет потребности и расходы по эксплуатации машин Расчет к форме 8. Расчет физических объемов механизированных работ Форма 9. План собственных капитальных вложений Форма 10. План по труду Расчет 1 к форме 10. Затраты труда и заработной платы рабочих Расчет 2 к форме 10. Дополнительные затраты, связанные с производством строительных работ в зимних условиях Расчет 3 к форме 10. Затраты труда и заработная плата рабочих по работам, выполняемым за счет накладных расходов Расчет 4 к форме 10. Доплаты по сдельно-премиальной системе оплаты труда и другие доплаты, входящие в состав фонда основной заработной платы рабочих Расчет 5 к форме 10. дополнительная заработная плата рабочих, занятых на строительно-монтажных работах Расчет 6 к форме 10. Годовой баланс рабочего времени (в расчете на одного рабочего) Расчет 7 к форме 10. Расчет средней продолжительности отпусков рабочих, занятых на строительно-монтажных работах и в подсобных производствах Расчет 8 к форме 10. Календарный план пересмотра местных норм труда Расчет 9 к форме 10. Потребность в рабочей силе и источники ее обеспечения Форма 11-А. Сводный план поставок материальных ресурсов Форма 11. План материально-технического снабжения Расчет 1 к форме 11-А. План поставок материальных ресурсов через базу Форма 11-Б. План комплектации объектов строительства Расчет 1 к форме 11-Б. План поставок в комплектах по объектам и пусковым комплексам Форма 12. План выпуска продукции подсобными производствами Расчет 1 к форме 12. Калькуляция стоимости приготовления 10 м3 раствора марки 50 на бетонорастворном узле Форма 13. План по прибыли Форма 14. План снижения себестоимости строительно-монтажных работ на планируемый год Форма 15. План образования фондов экономического стимулирования строительно-монтажных организаций Форма 16. Смета использования фондов экономического стимулирования строительно-монтажной организации Форма 17. Смета использования фонда материального поощрения производственной единицы строительно-монтажной организации Форма 18. Финансовый план Расчет 1 к форме 18. Расчет амортизационных отчислений Расчет 2 к форме 18. Расчет прироста устойчивых пассивов, направляемого на покрытие норматива собственных оборотных средств и другие плановые затраты Расчет 3 к форме 18. Расчет результатов по жилищно-коммунальному хозяйству Расчет 4 к форме 18. Плата за производственные фонды Расчет 5 к форме 18. Распределение плановой прибыли Расчет 6 к форме 18. Распределение плановой прибыли (для организаций, переведенных на нормативный метод распределения прибыли) Форма 19. План мероприятий по социальному развитию Форма 20. Социальная и профессионально-квалификационная структура коллектива строительной организации Форма 21. Охрана природы, рациональное использование природных ресурсов природных ресурсов Форма 22. Охрана природы и рациональное использование природных ресурсов (основные показатели) Приложение 2. Согласование и увязка показателей годового плана с производственными показателями и расчетами Приложение 3. Распределение обязанностей по разработке производственно-экономического плана | | Разработан: | НИИЭС Госстроя СССР
| | Утверждён: | НИИЭС Госстроя СССР
|
                                                                                                                              
|