Скачать Показатели для оценки изменения трудоемкости и материалоемкости строительства за счет внедрения прогрессивных решений в проекты зданий и сооружений промышленных предприятий

Дата актуализации: 01.01.2021

Показатели для оценки изменения трудоемкости и материалоемкости строительства за счет внедрения прогрессивных решений в проекты зданий и сооружений промышленных предприятий

Статус:справочные материалы, мп, тпр
Название рус.:Показатели для оценки изменения трудоемкости и материалоемкости строительства за счет внедрения прогрессивных решений в проекты зданий и сооружений промышленных предприятий
Дата добавления в базу:01.10.2014
Дата актуализации:01.01.2021
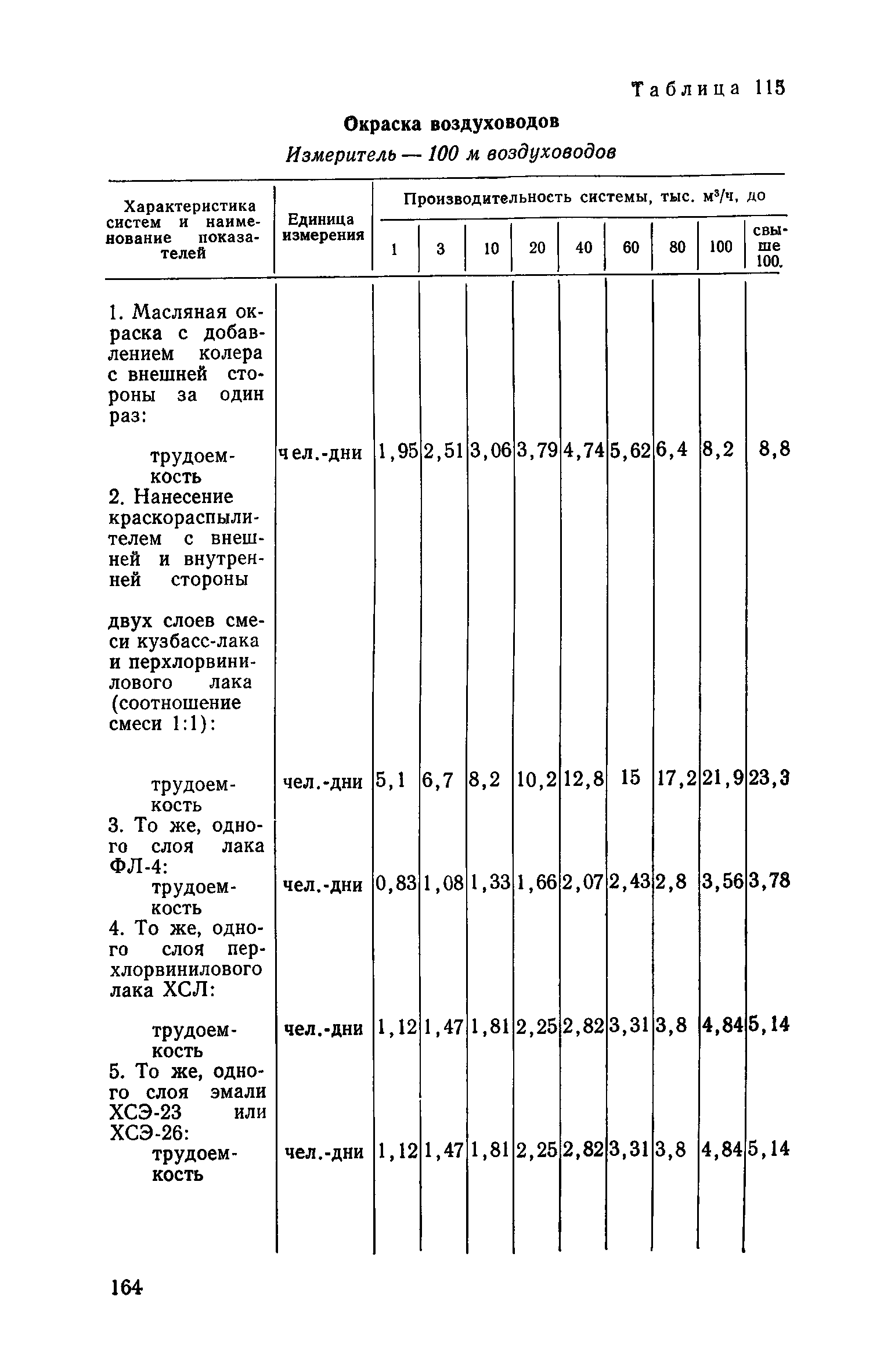
Область применения:Показатели предназначены для технико-экономической оценки проектных решений зданий и сооружений промышленных предприятий по показателям трудоемкости и материалоемкости строительства в результате внедрения прогрессивных решений, направленных на повышение эффективности капитальных вложений.
Оглавление:Предисловие
Методика оценки изменения трудоемкости и материалоемкости строительства за счет внедрения прогрессивных решений в проекты зданий и сооружений промышленных предприятий
Укрупненные показатели трудоемкости и материалоемкости строительно-монтажных работ по конструктивным элементам зданий и сооружений промышленных предприятий (УПКЭ)
1. Общая часть
2. Указания по разработке УПКЭ
3. Конструктивные элементы зданий и сооружений
   Земляные работы
   Фундаменты
   Колонны
   Подкрановые конструкции
   Перекрытия
   Стропильные конструкции
   Каркасы производственных зданий
   Покрытия и кровли
   Стены и перегородки
   Полы
   Фонари
   Заполнение проемов
   Отделочные работы
   Теплоизоляционные работы
   Подвалы
   Тоннели н каналы
   Эстакады и отдельно стоящие опоры под технологические трубопроводы
4. Внутренние санитарно-технические работы
   Внутренние водопровод, канализация и трубопроводы
   Отопление и вентиляция
   Кондиционирование воздуха
5. Сооружения промышленного транспорта
Разработан: Промстройпроект
Проектный институт № 2 Госстроя СССР
ЦНИИпромзданий Госстроя СССР
Утверждён: ЦНИИпромзданий Госстроя СССР (TsNIIpromzdaniy, USSR Gosstroy )
Издан: Стройиздат (1984 г. )
Нормативные ссылки: