Скачать Типовой проект 291-3-46.88 Альбом II. Часть 1. Строительные изделияДата актуализации: 01.01.2021
|
| Обозначение: | Типовой проект 291-3-46.88 |
| Обозначение англ: | 291-3-46.88 |
| Статус: | не определен законодательством |
| Название рус.: | Альбом II. Часть 1. Строительные изделия |
| Дата добавления в базу: | 01.10.2014 |
| Дата актуализации: | 01.01.2021 |
| Дата введения: | 10.12.1987 |
| Дата окончания срока действия: | 30.06.2003 |
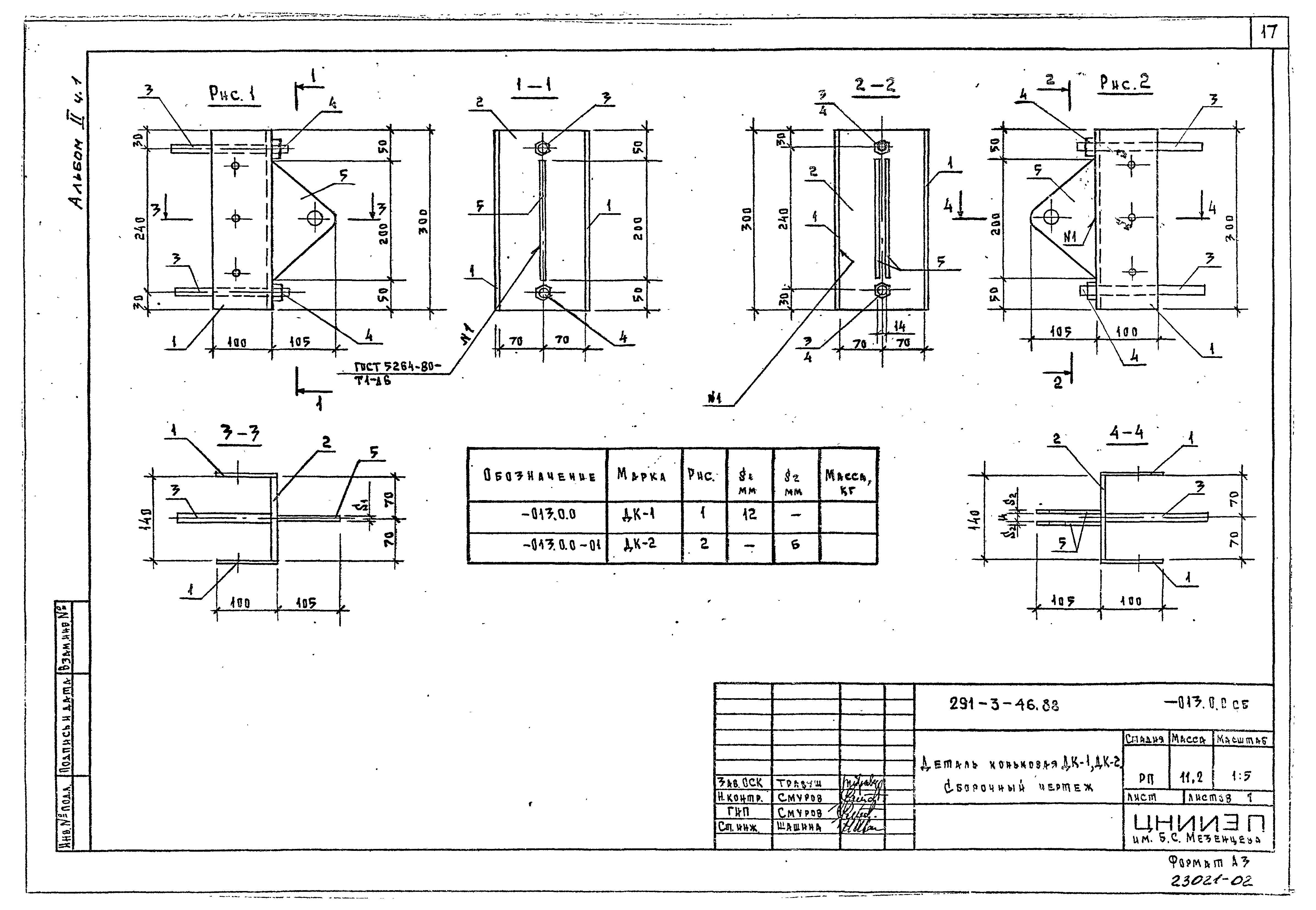
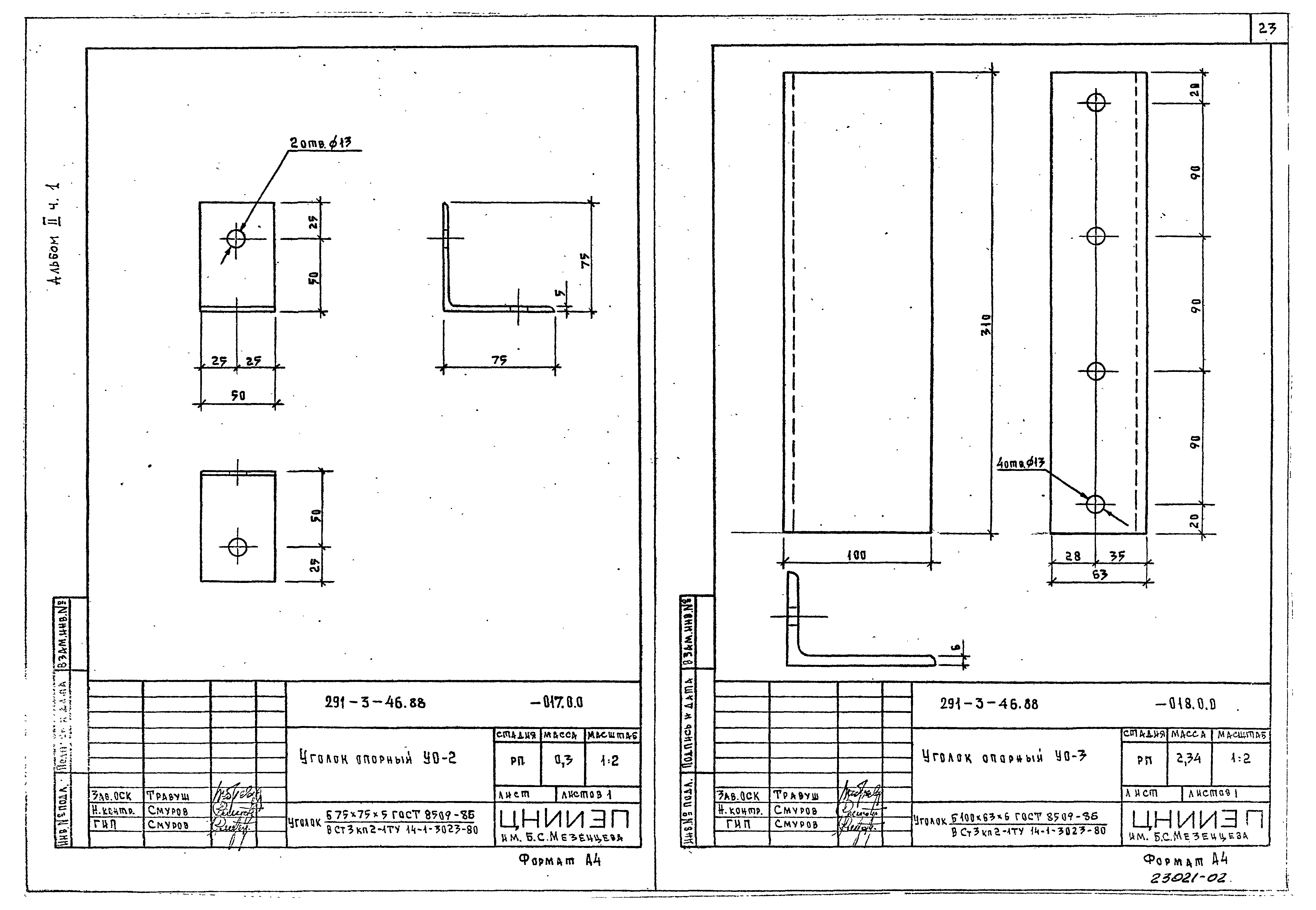
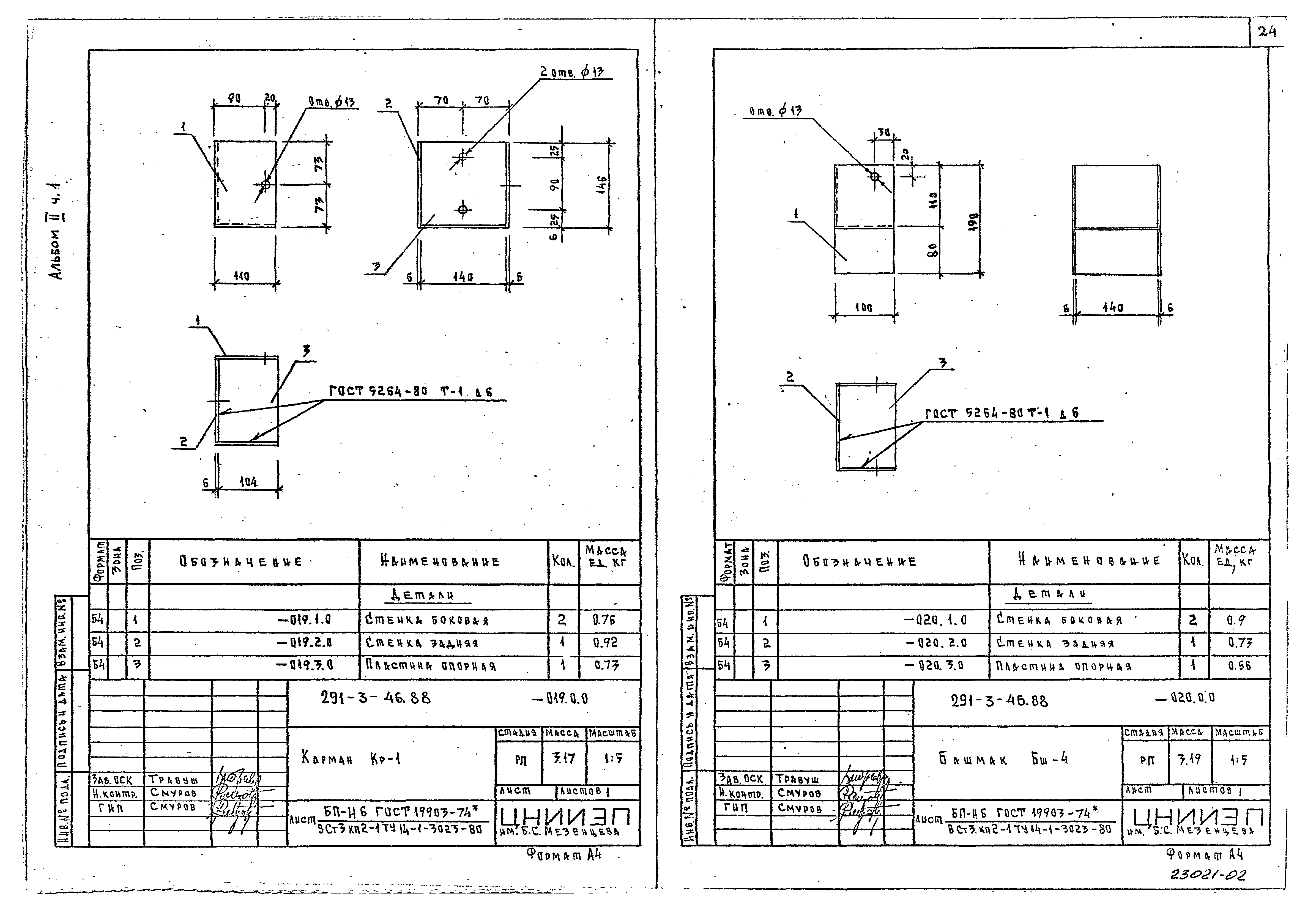
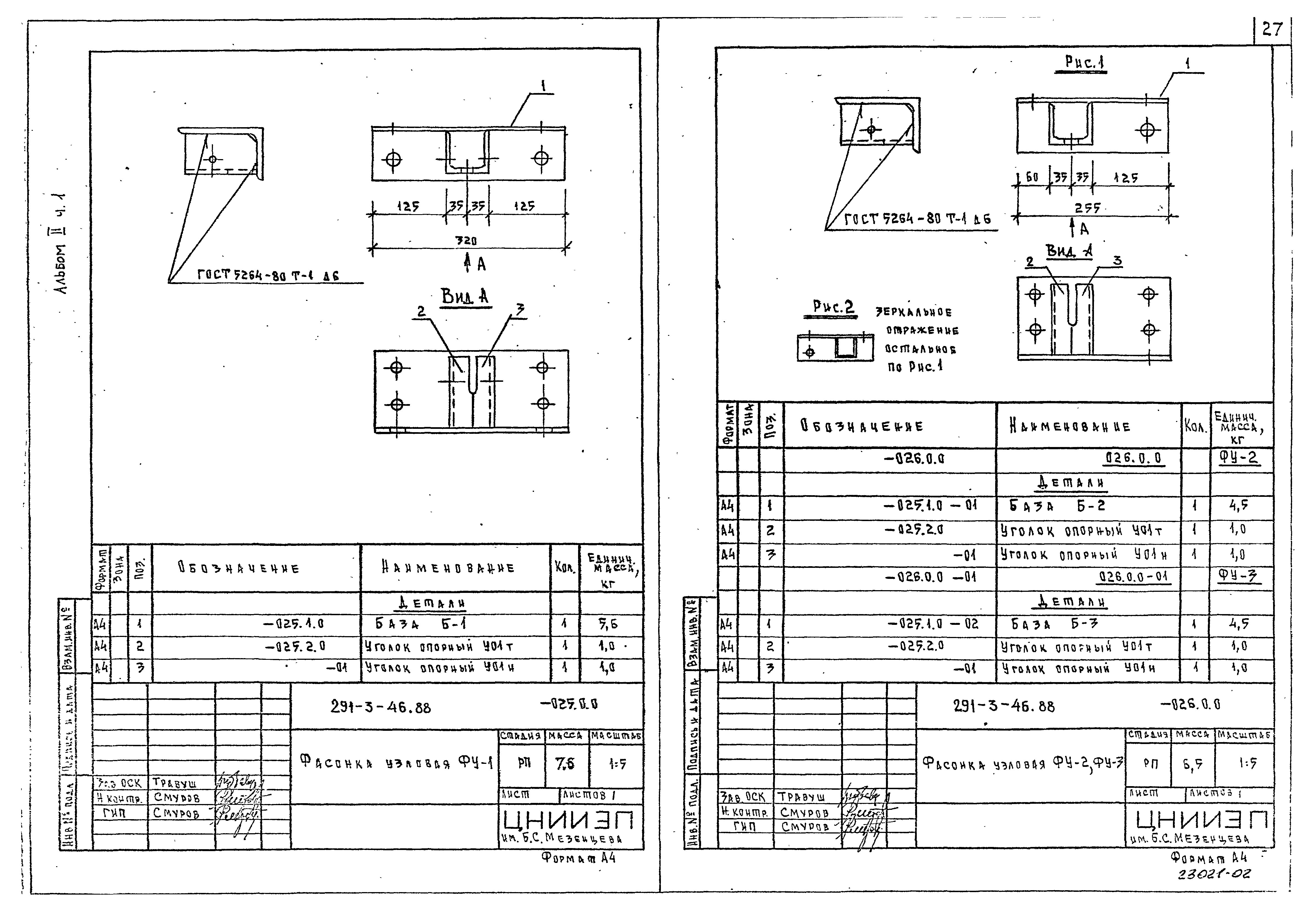
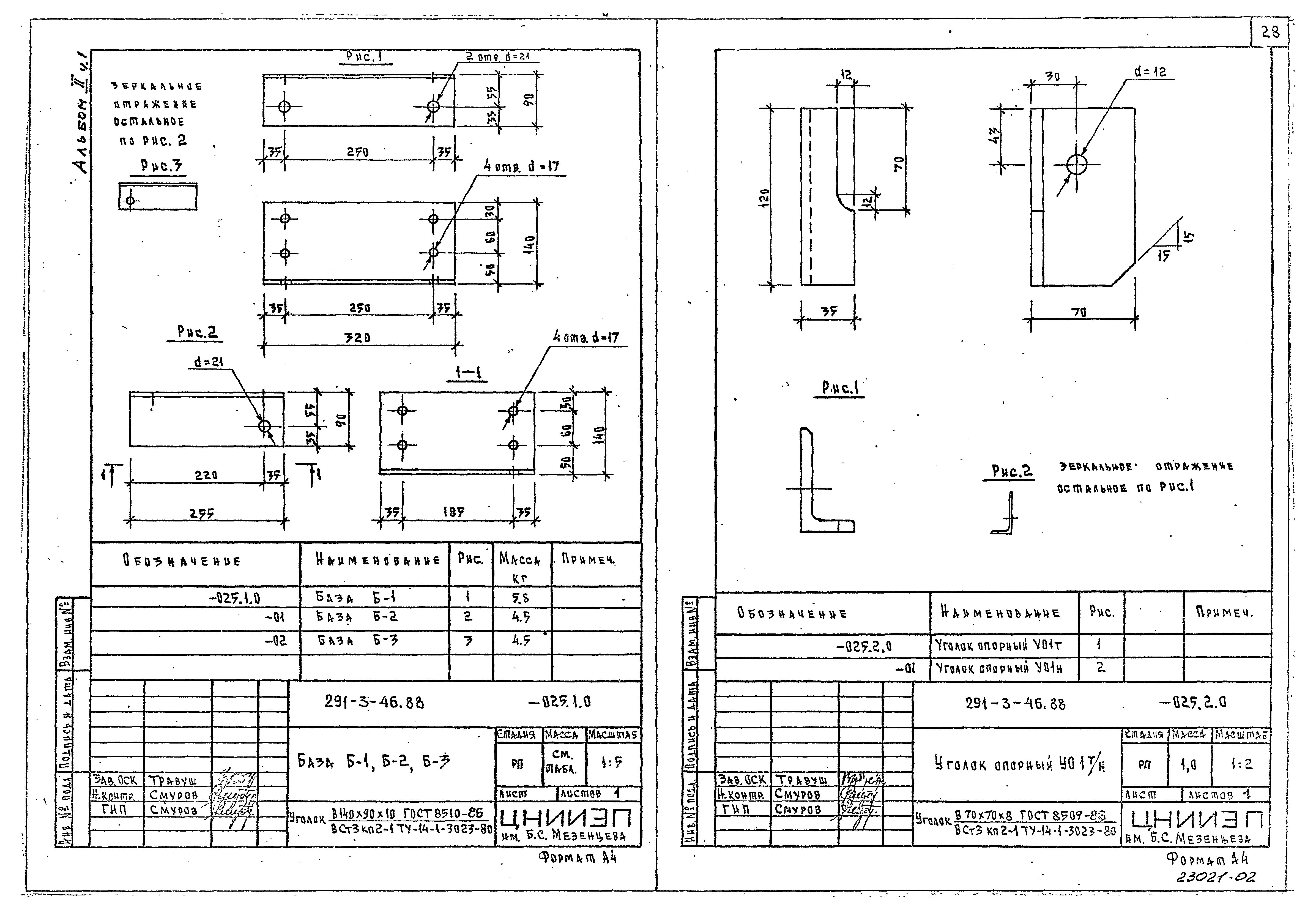
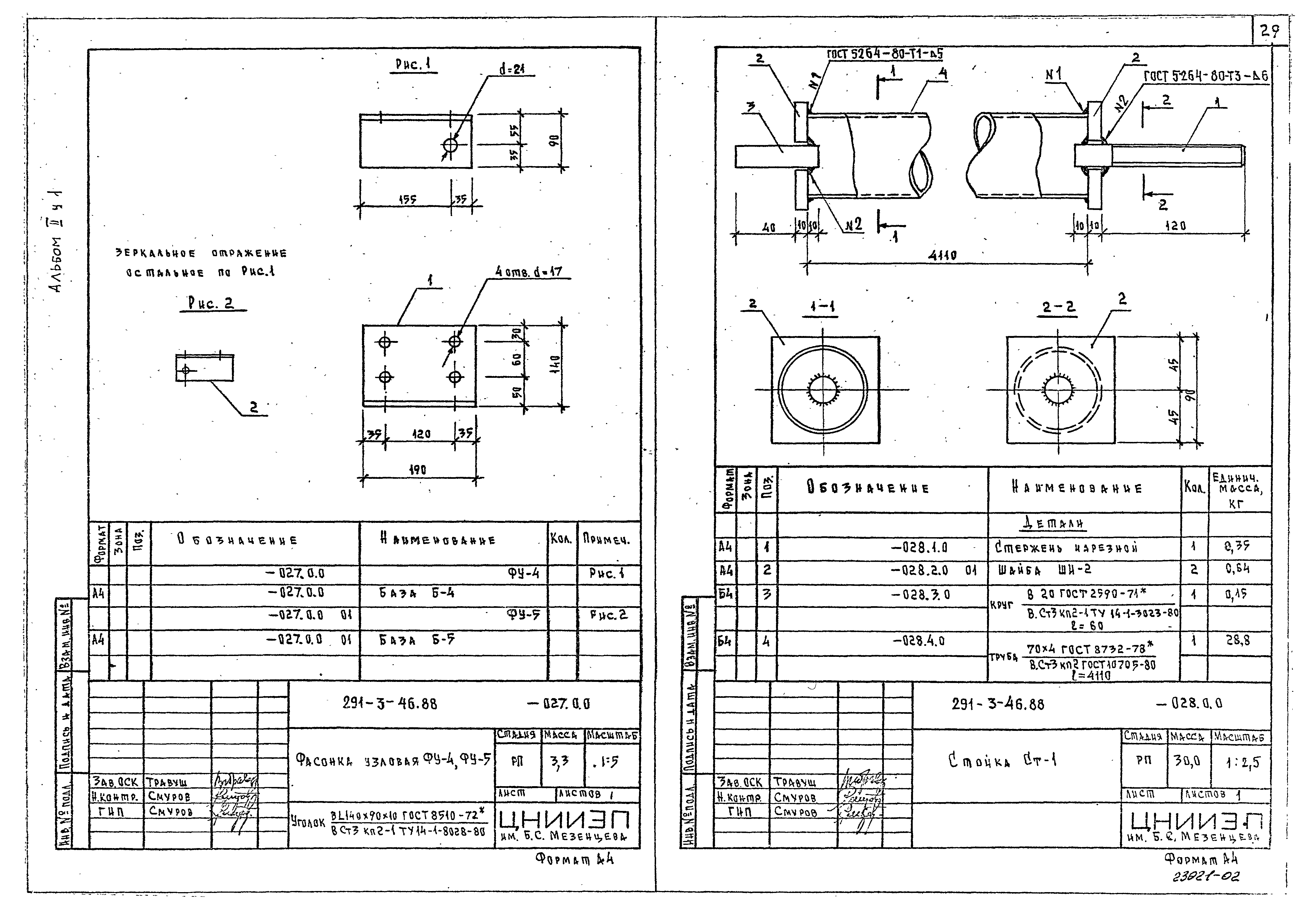
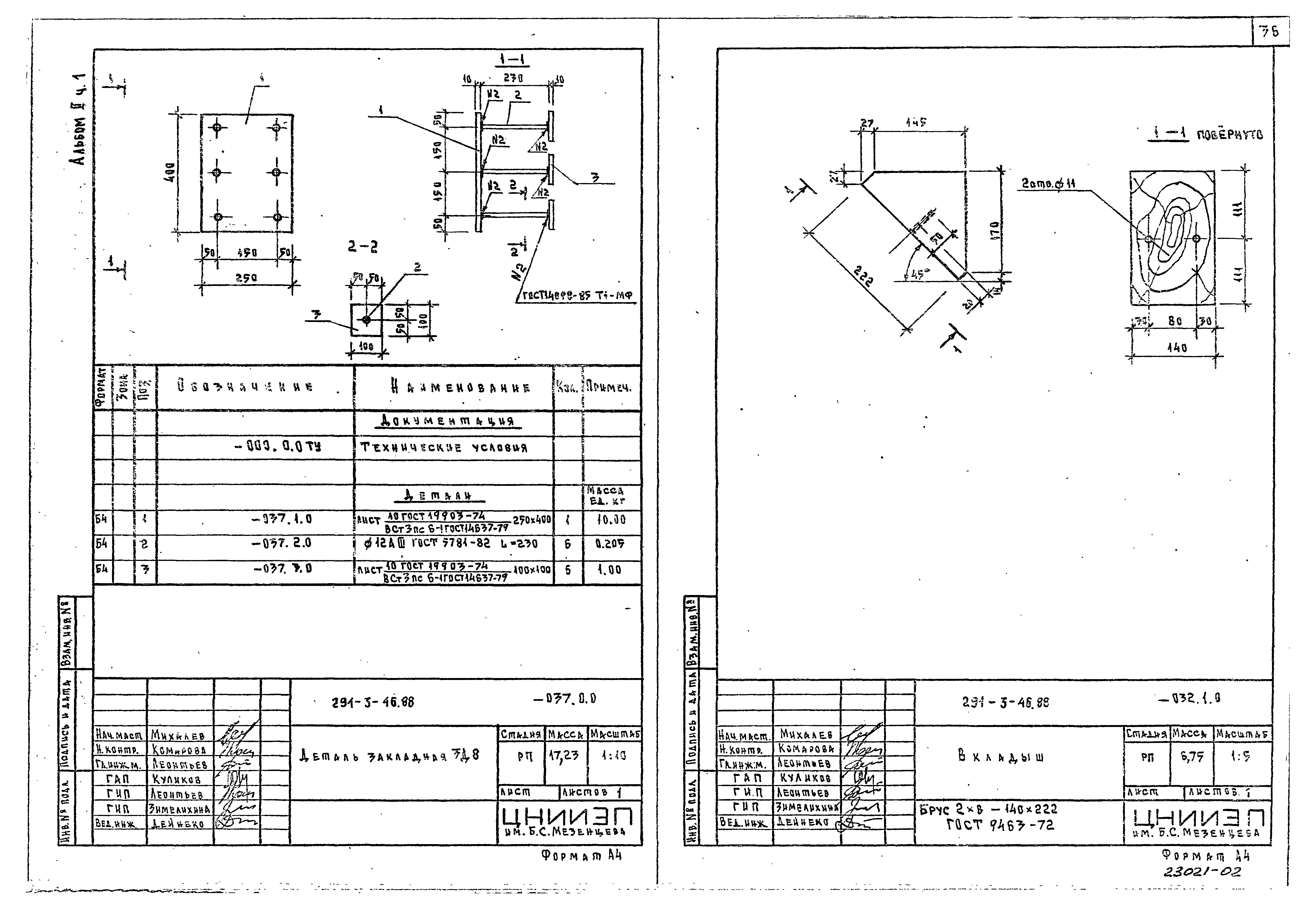
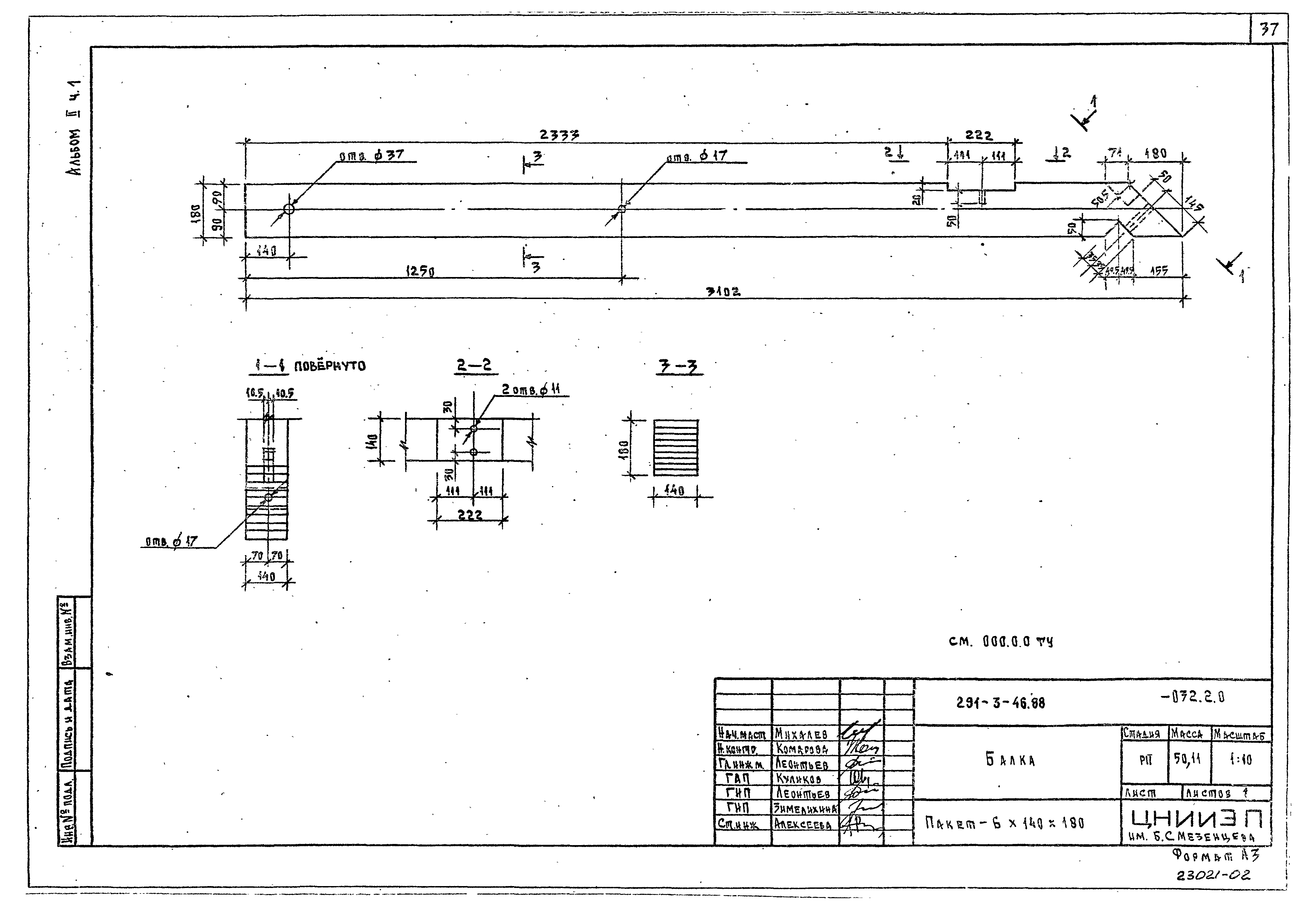
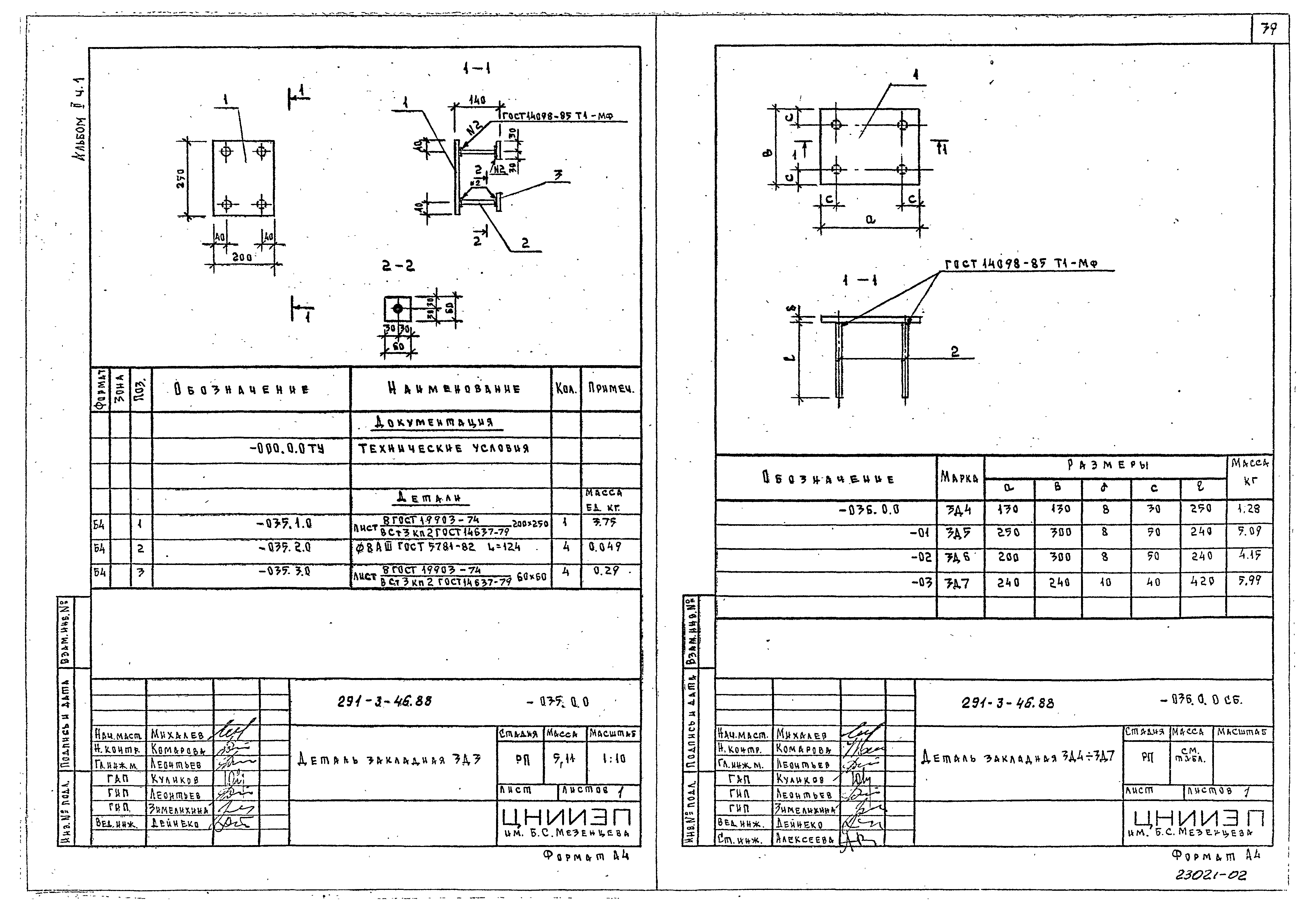
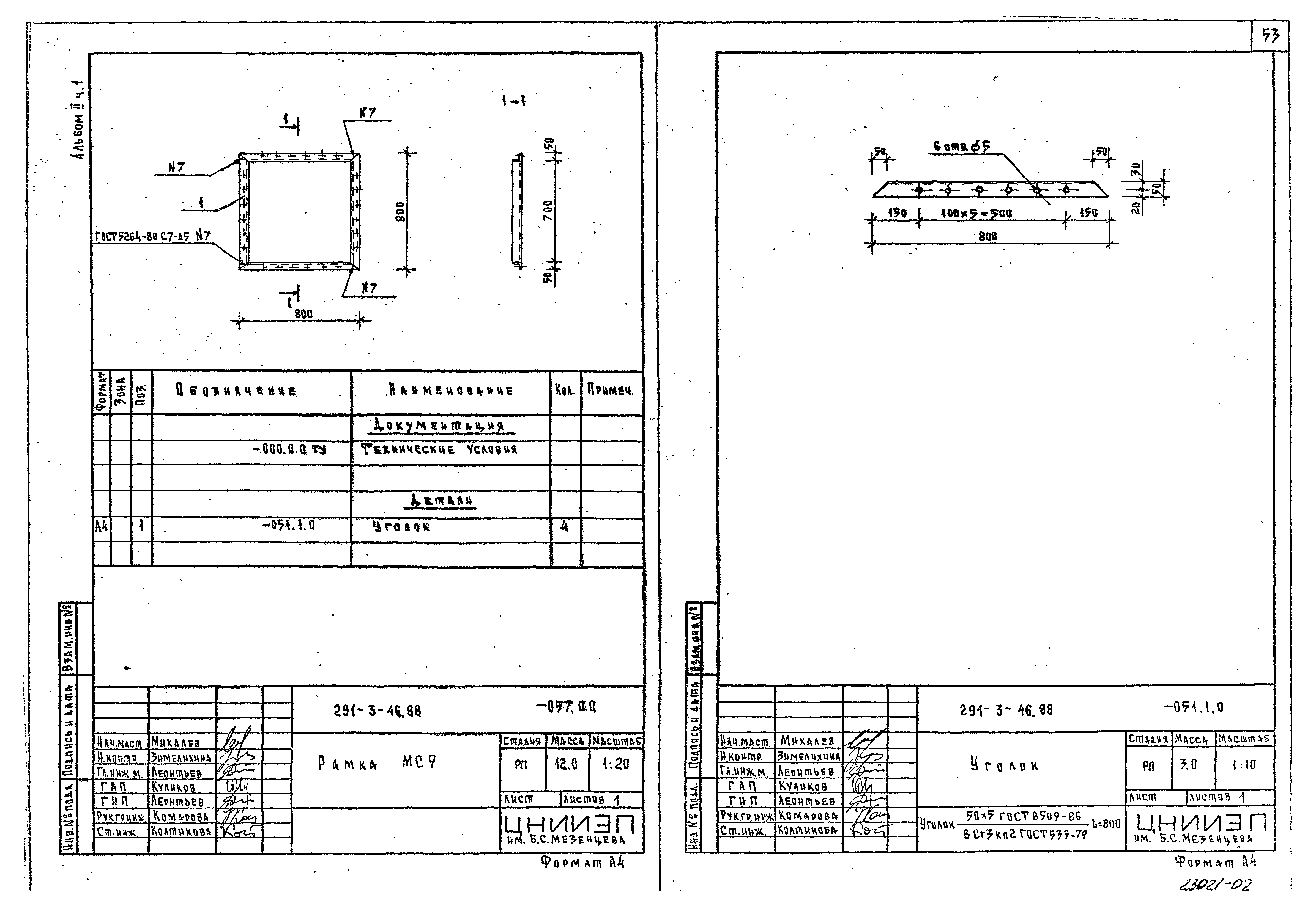
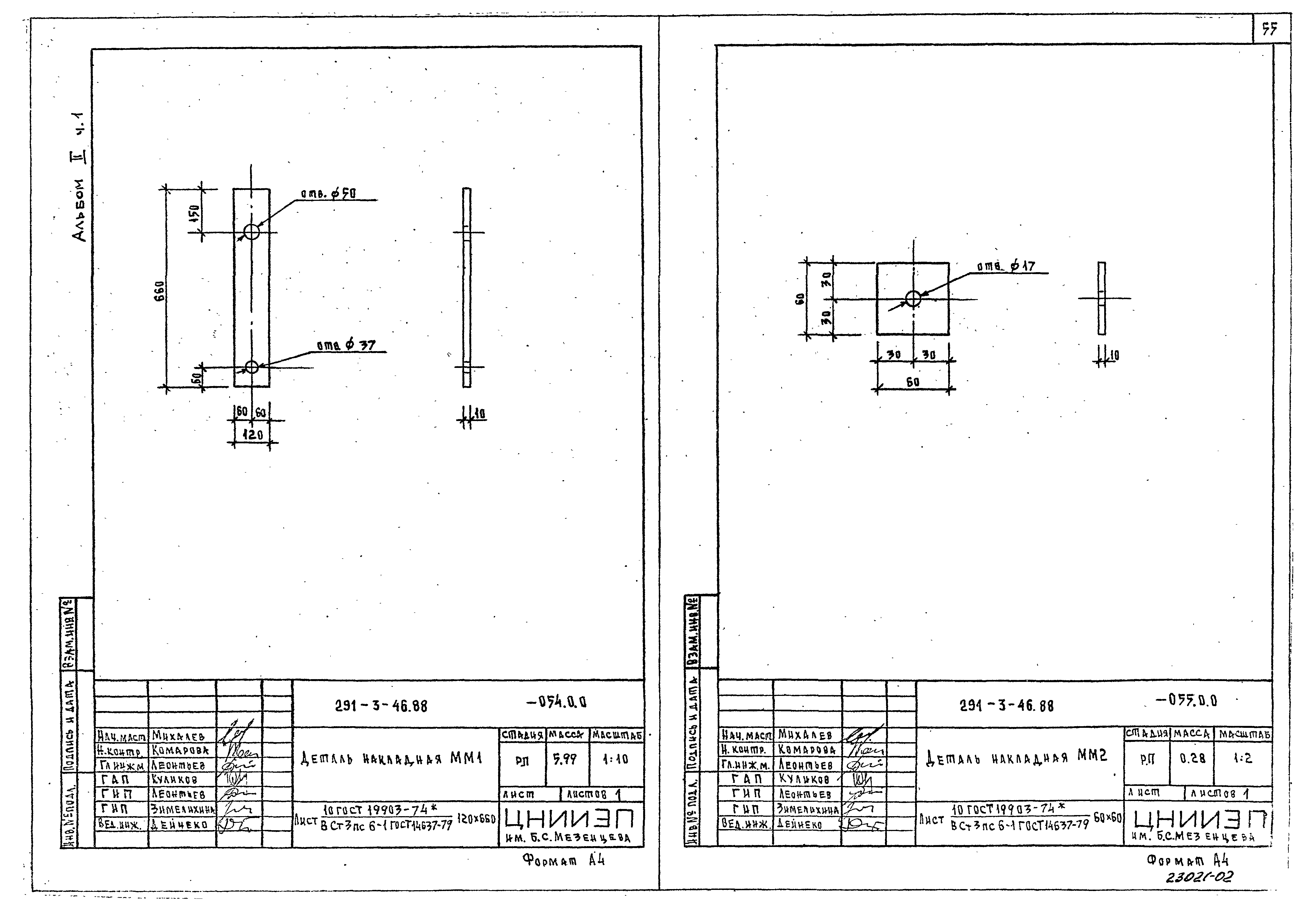
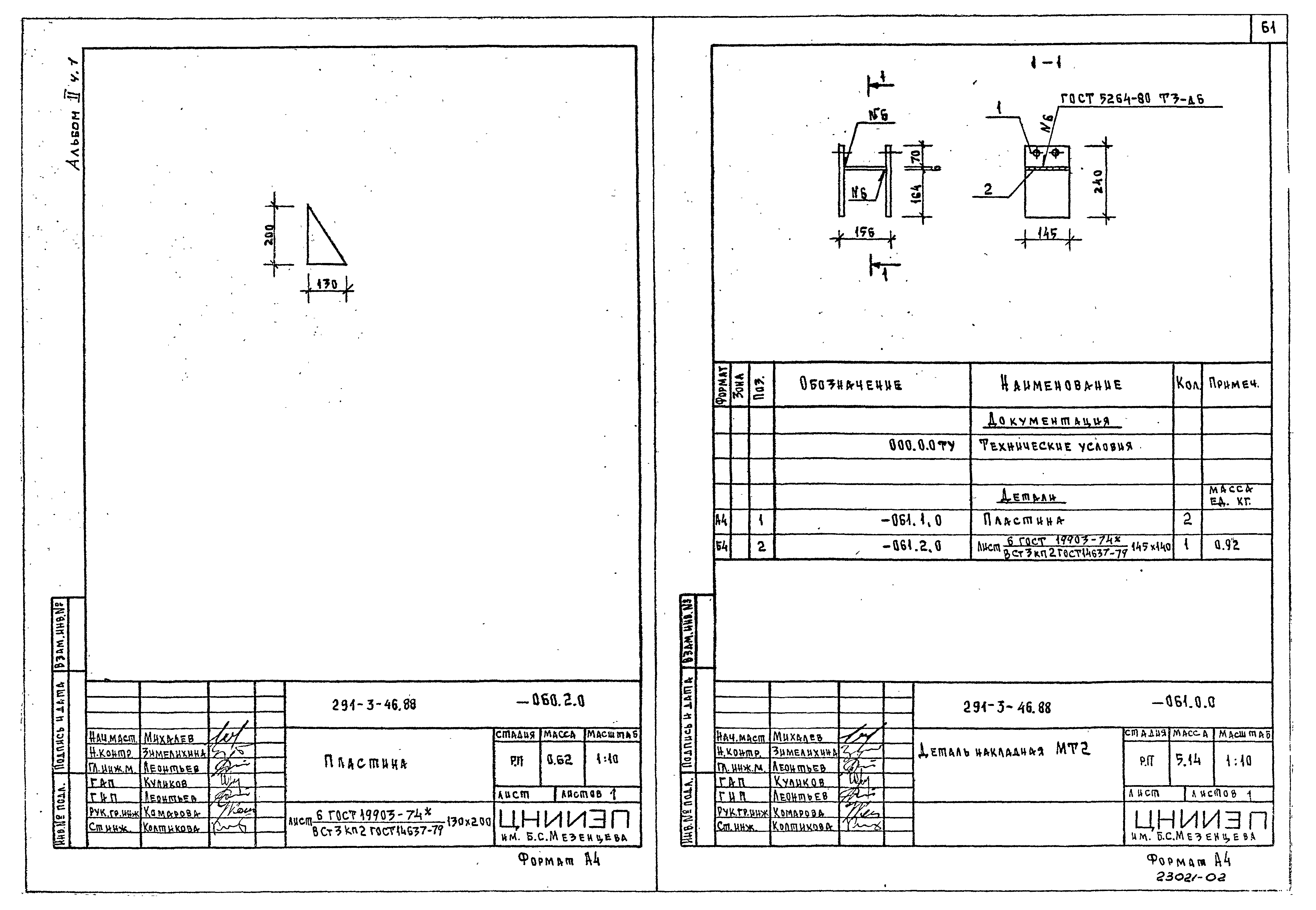
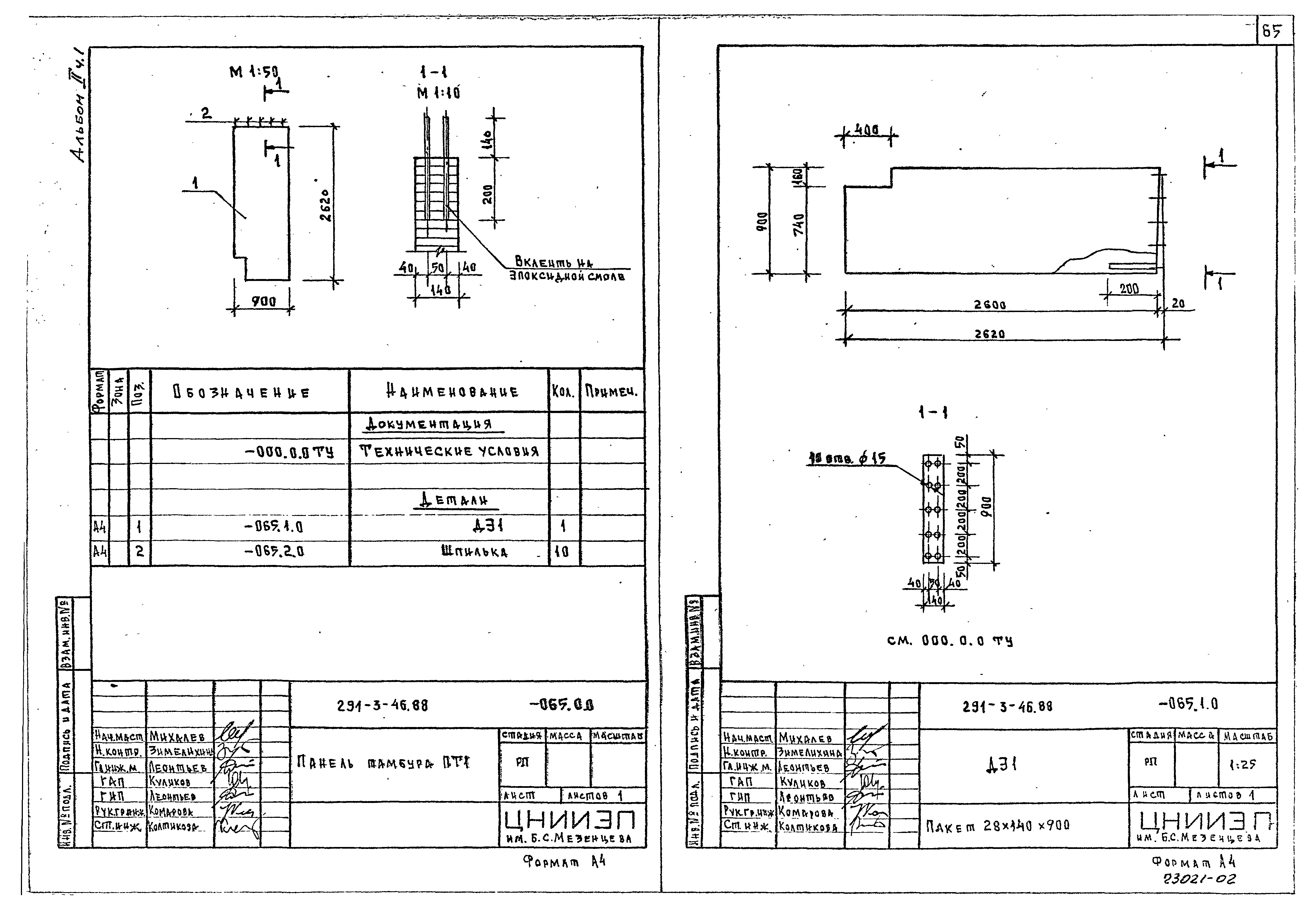
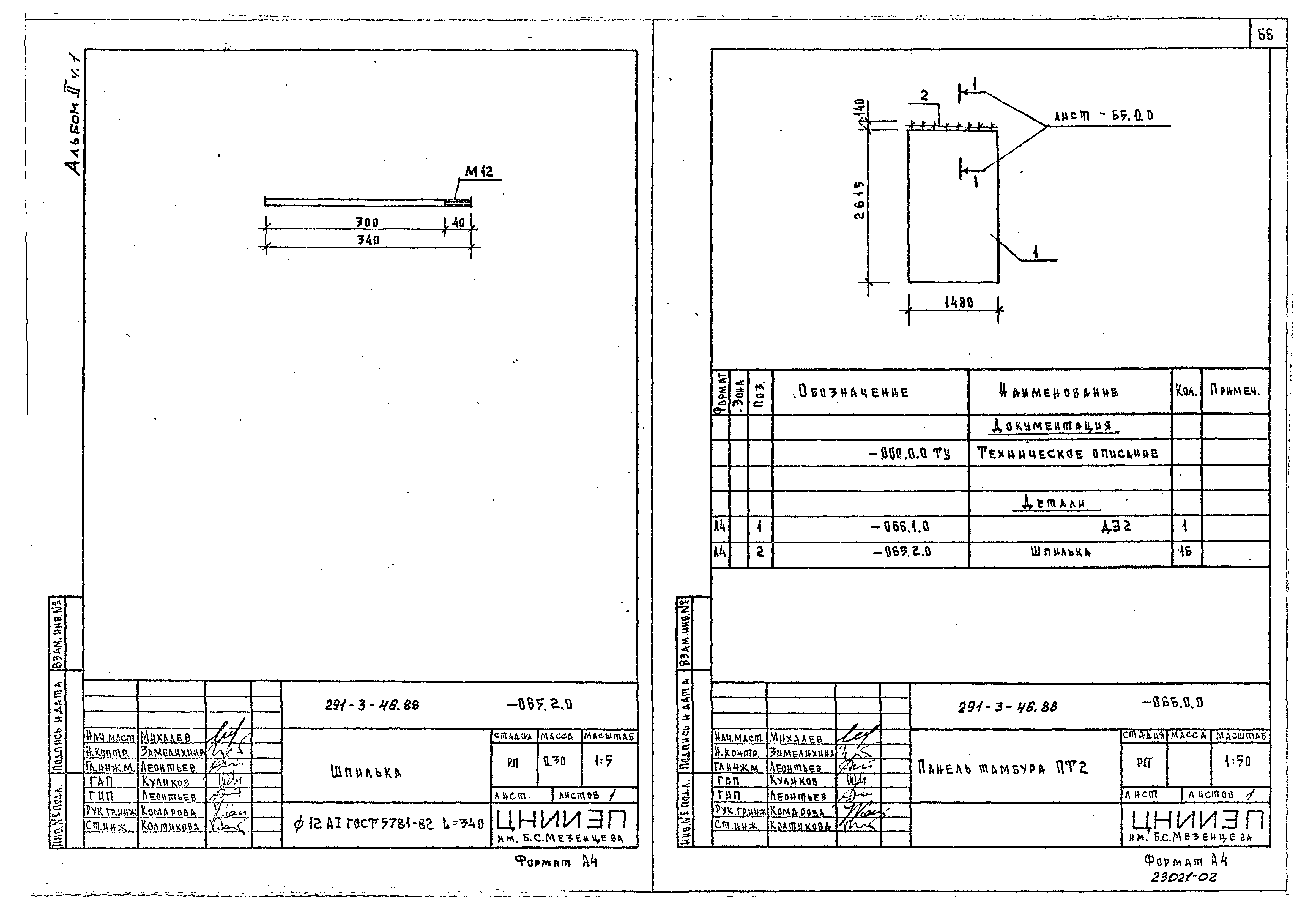
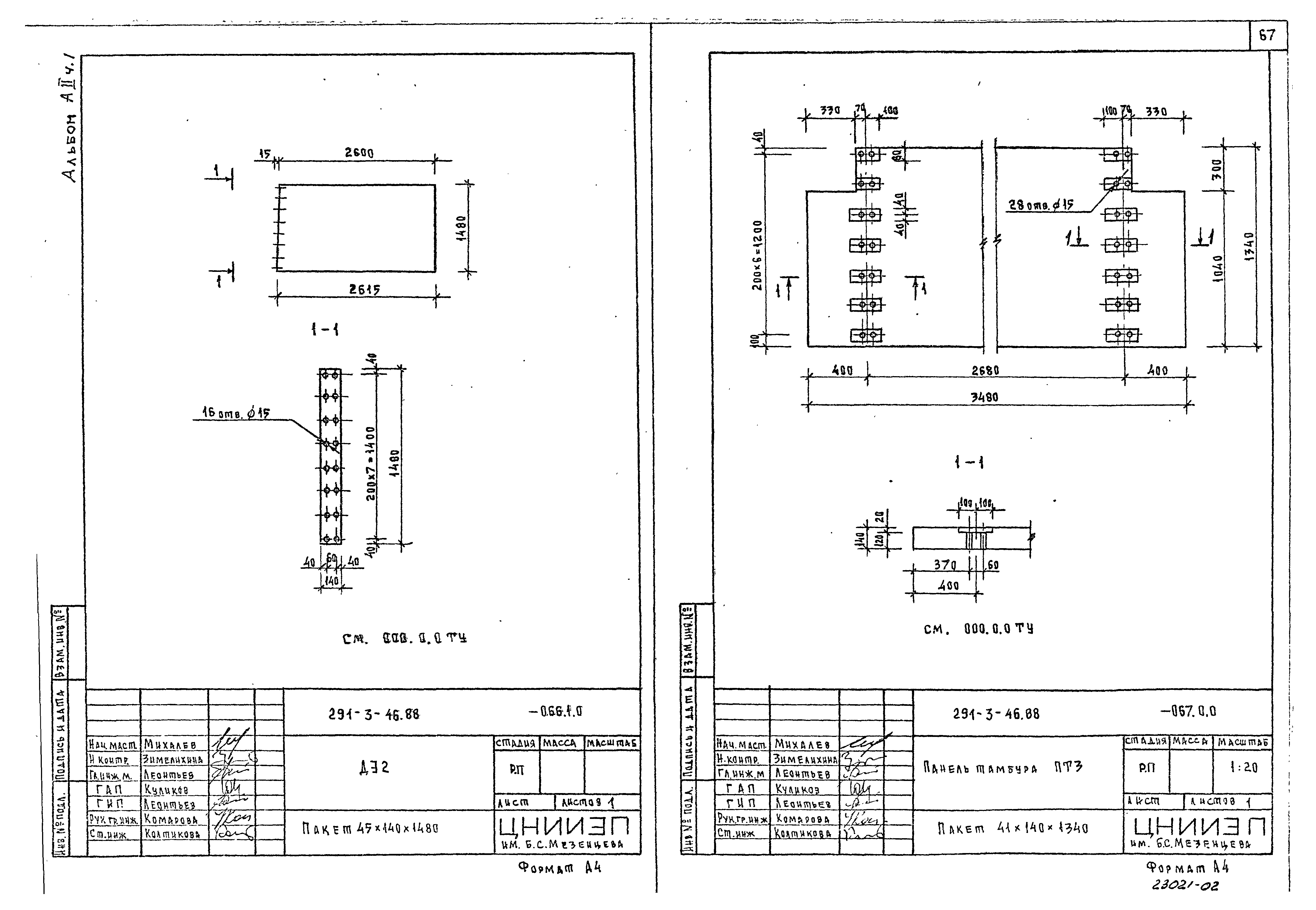
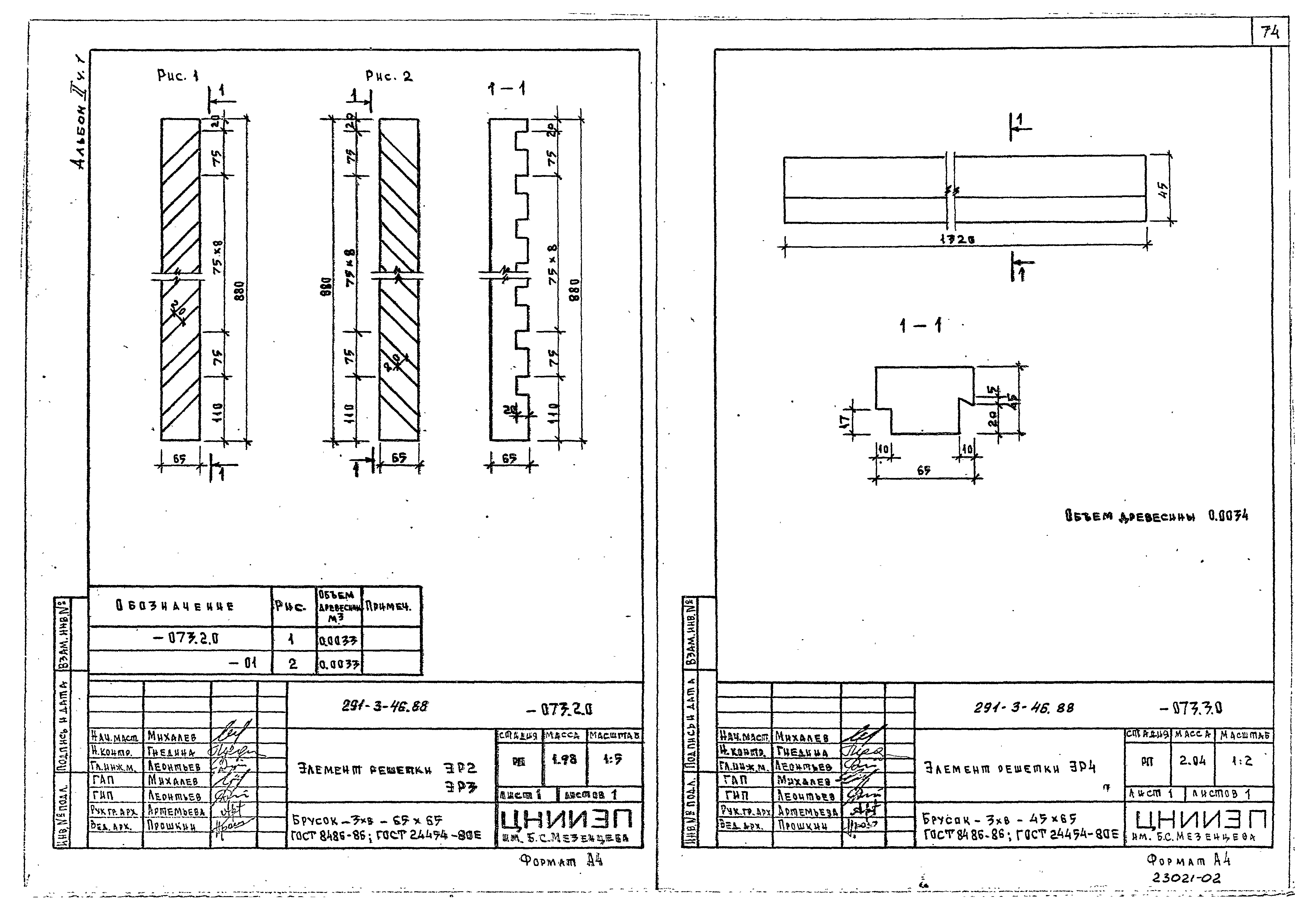
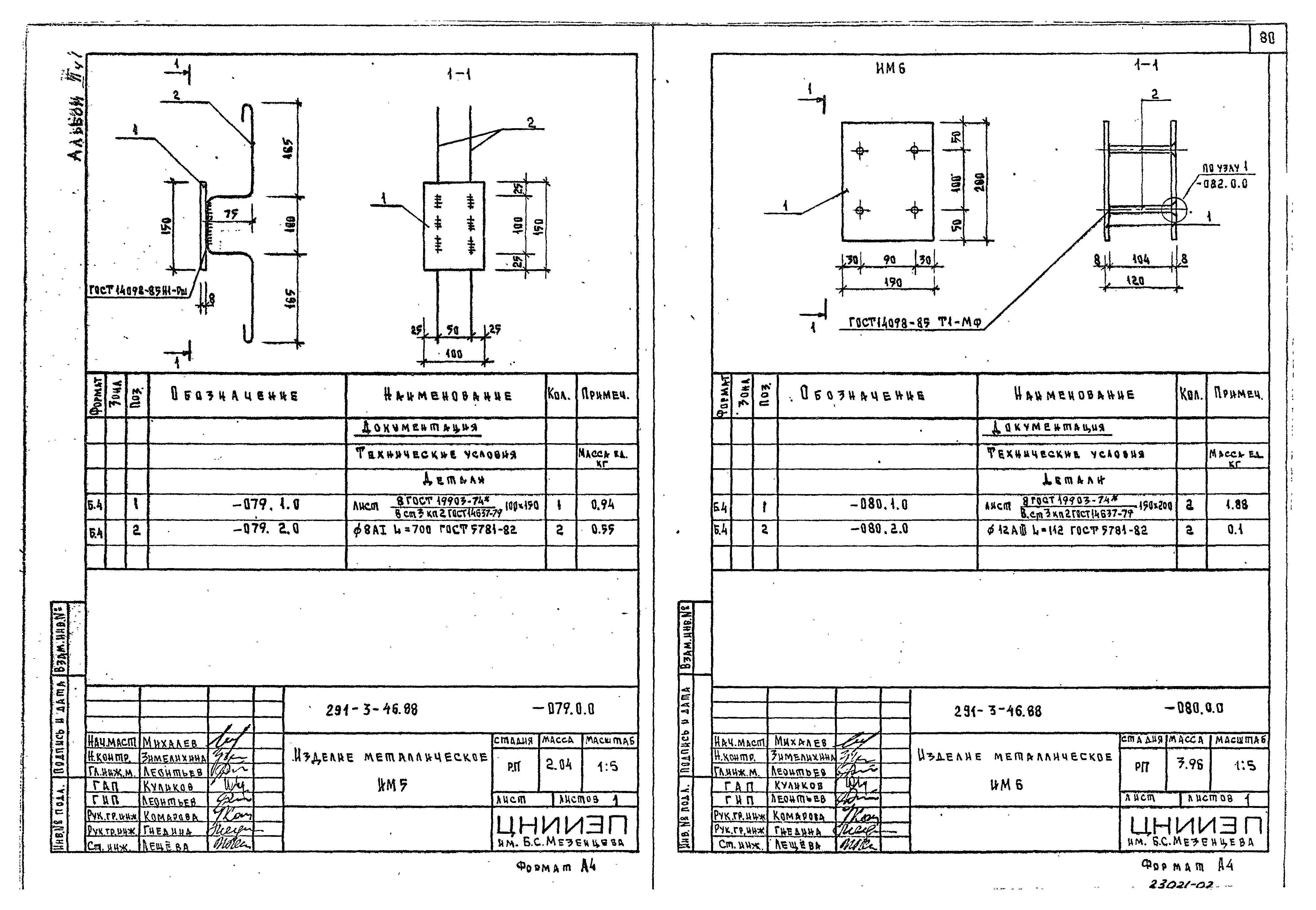
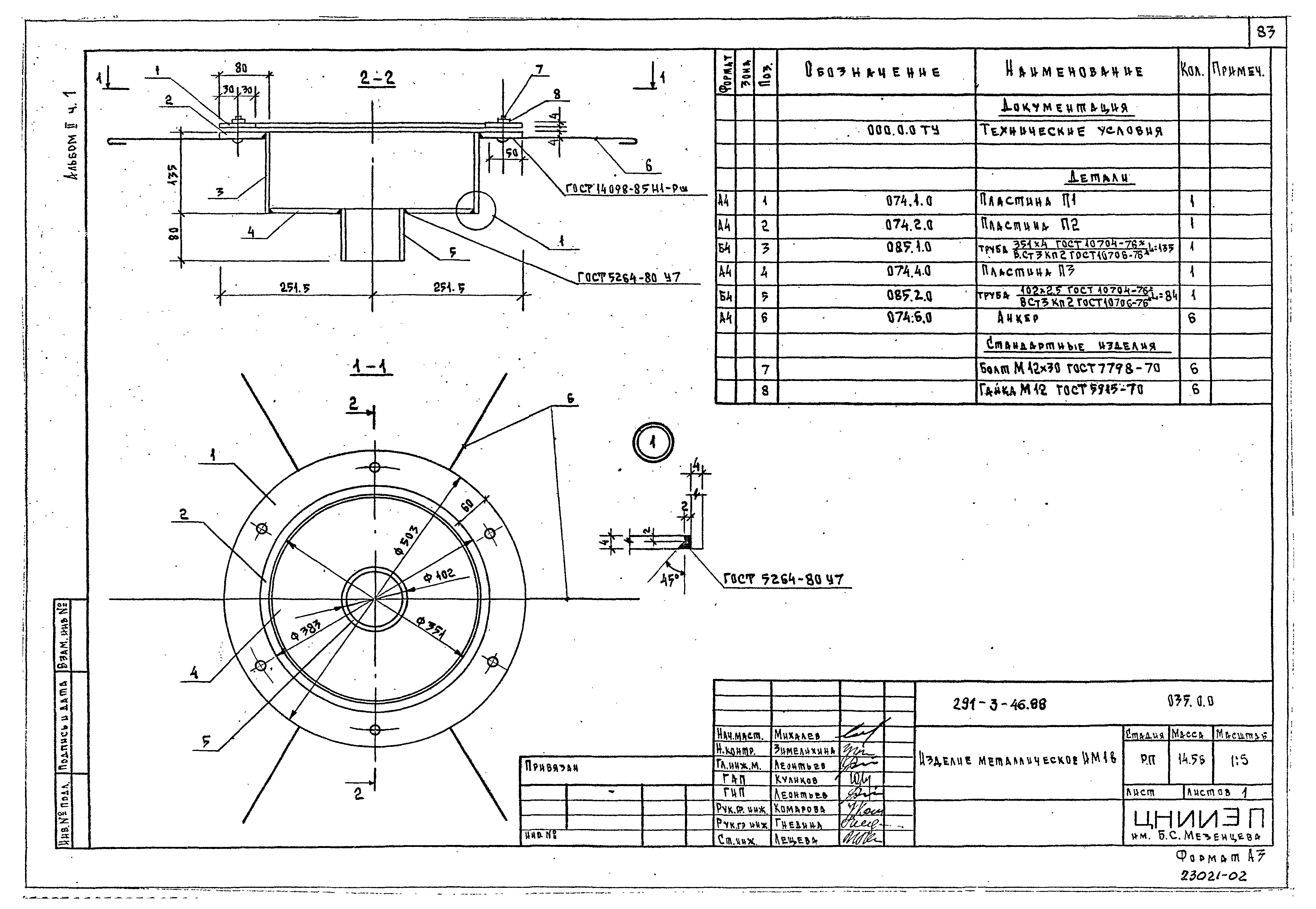
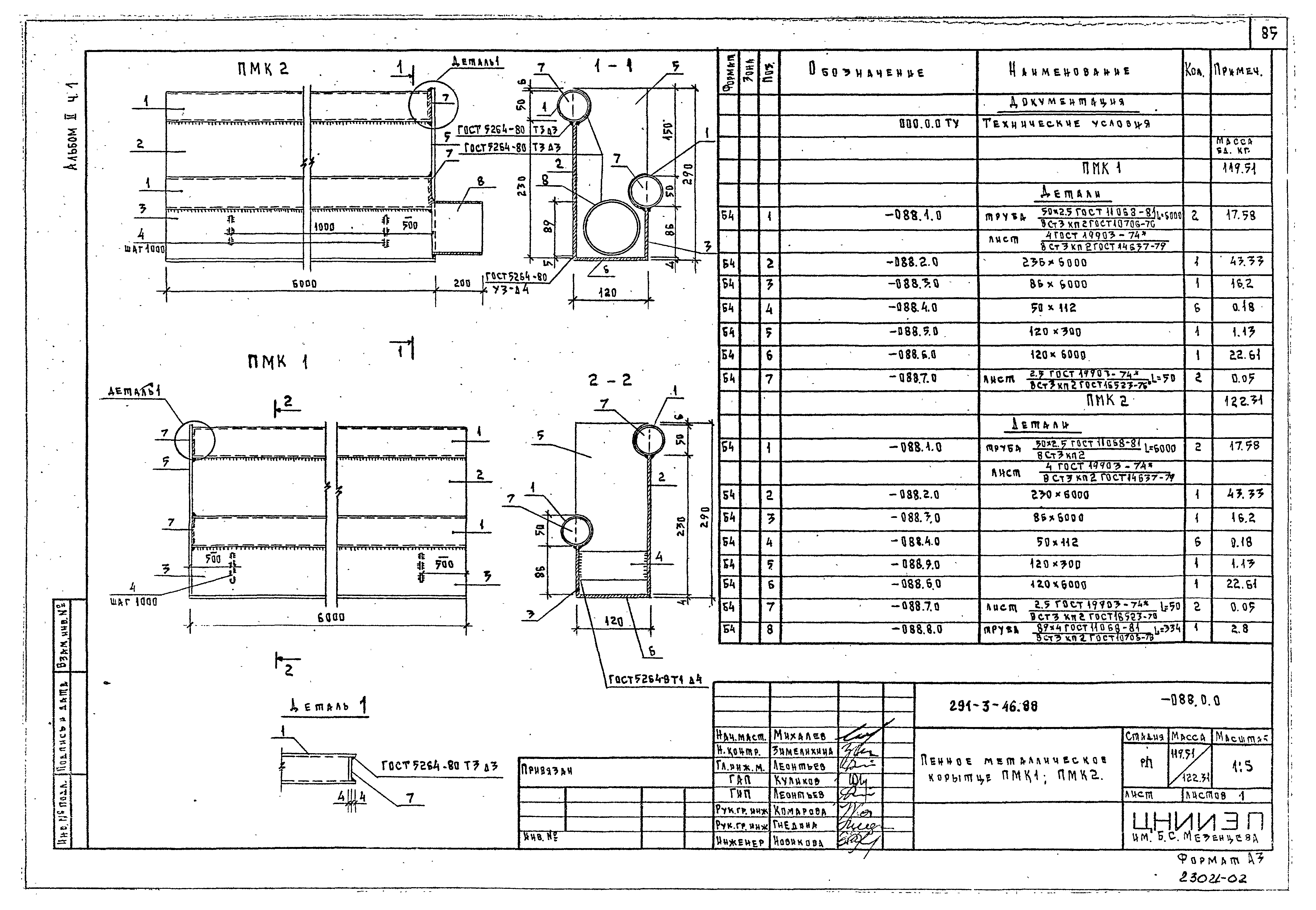
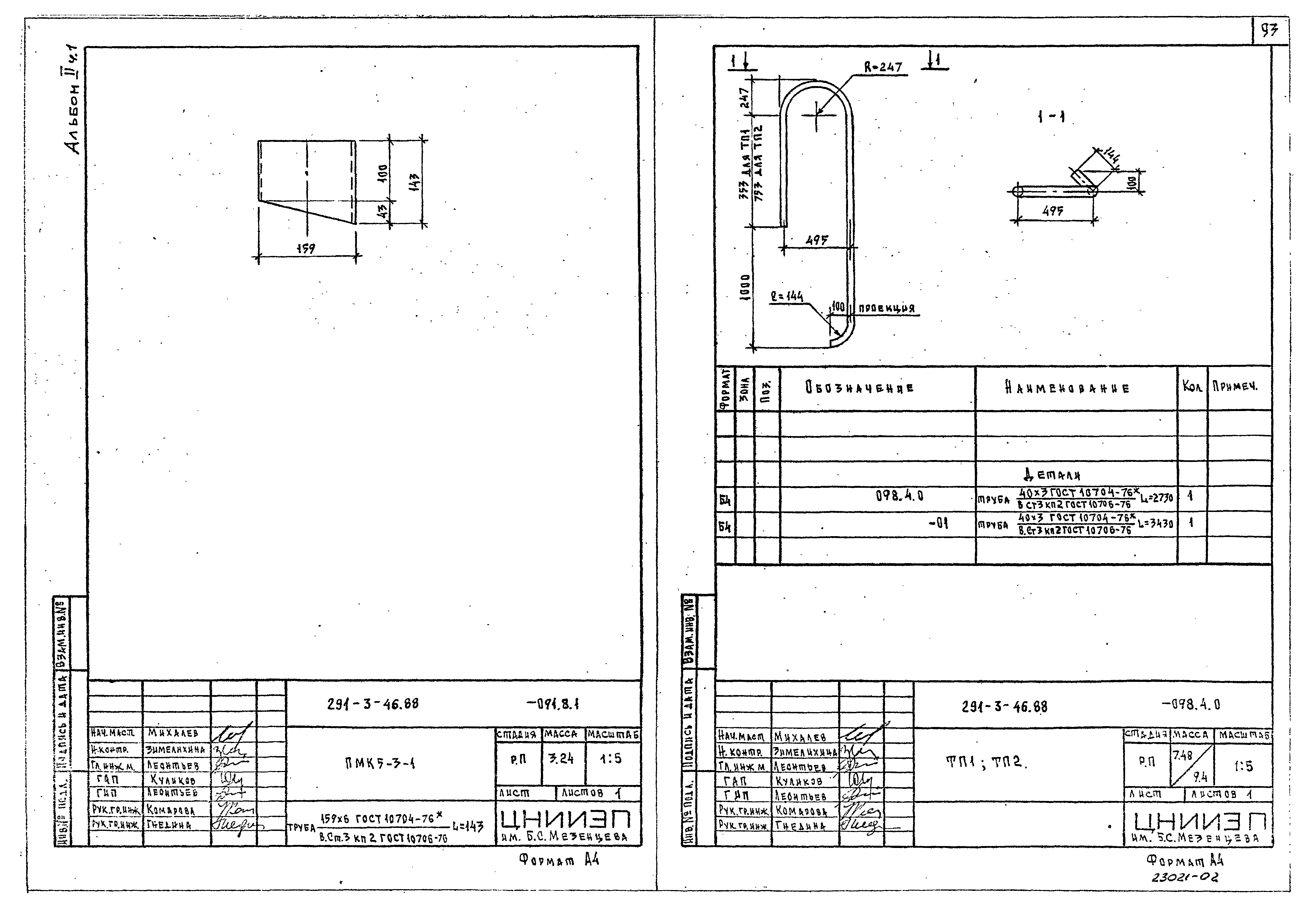
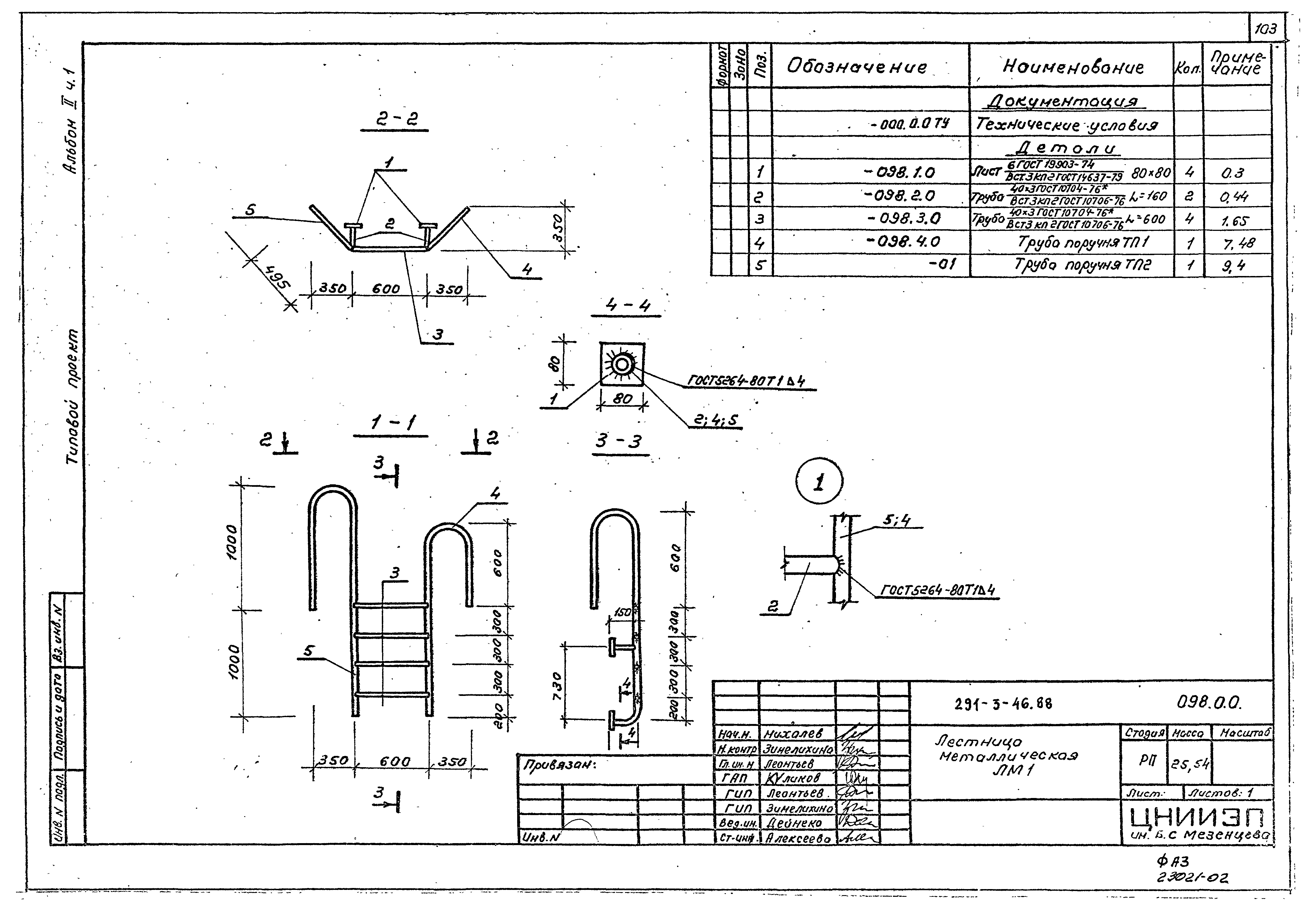
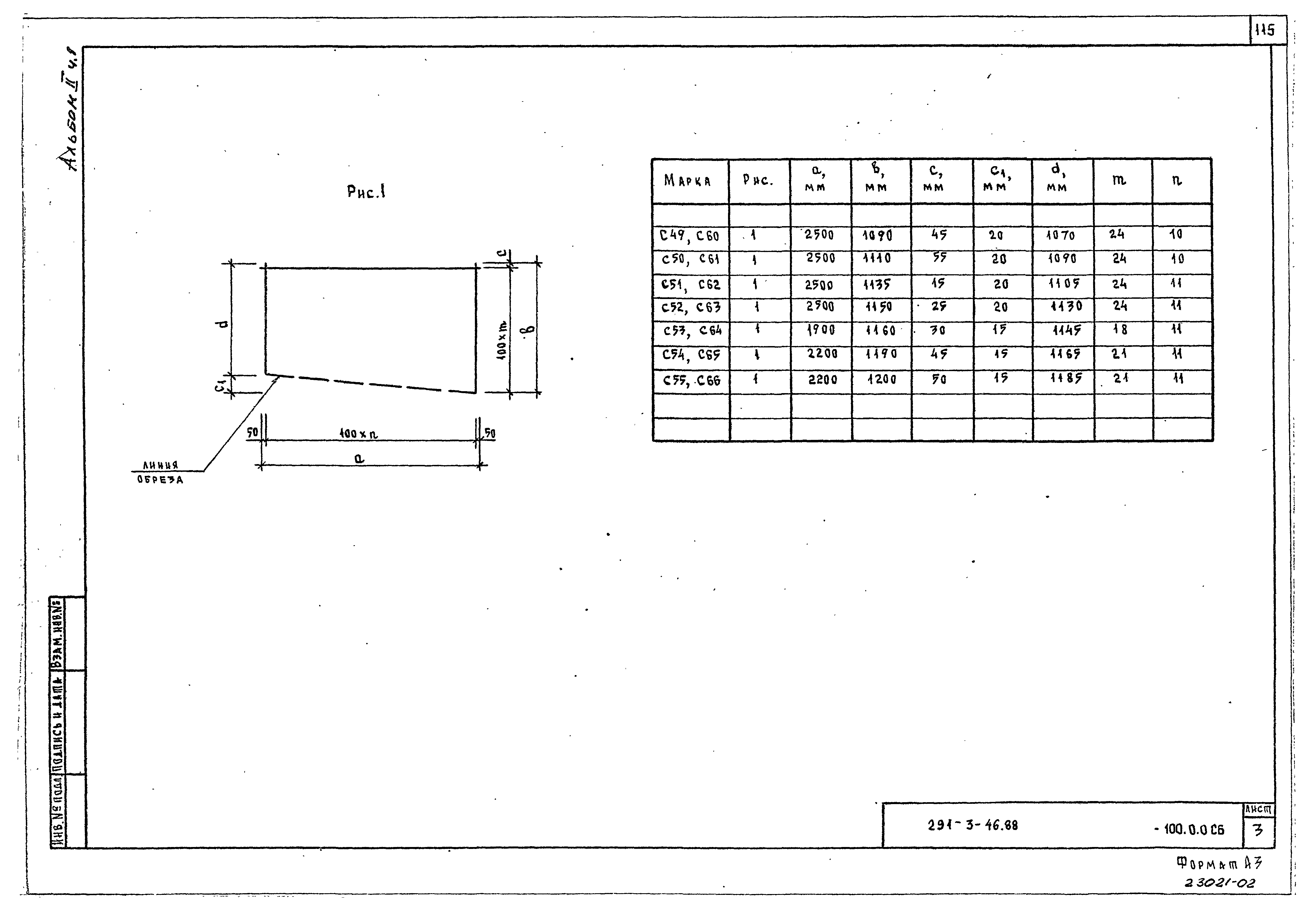
| Оглавление: | 291-3-46.88-000.0.0 Содержание альбома 291-3-46.88-000.0.0ТУ Технические условия 291-3-46.88-001.0.0 Полурама ПР-1 291-3-46.88-002.0.0 Балка БД-1, БО-1 291-3-46.88-003.0.0 Балка БО-2л, БО-2п 291-3-46.88-004.0.0 Балка клееная БК-1 291-3-46.88-005.0.0 Балка фахверка БФ-1…БФ-8 291-3-46.88-006.0.0 Стойка фахверка СФ-1…СФ-4 291-3-46.88-007.0.0 Стойка фахверка СФ-5…СФ-10 291-3-46.88-008.0.0 Балка фахверка БФ-9, БФ-10 291-3-46.88-009.0.0 Стойка фахверка СФ-11…СФ-13 291-3-46.88-009.1.0 Пакет клееный ПК1 - ПК3 291-3-46.88-009.2.0 Брус 291-3-46.88-010.0.0 Башмак Бш-5 291-3-46.88-011.0.0 Балка фахверка БФ-11 291-3-46.88-012.0.0 Полурама ПР1-1т/н - ПР3-т/н 291-3-46.88-013.0.0СБ Деталь коньковая ДК-1, ДК-2. Сборочный чертеж 291-3-46.88-013.0.0 Деталь коньковая ДК-1, ДК-2 291-3-46.88-013.1.0 Стенка боковая СБ-1 291-3-46.88-013.2.0 Пластина П-1…П-3 291-3-46.88-014.0.0 Пластина П-4, П-5 291-3-46.88-015.0.0 Башмак Бш-1, Бш-2 291-3-46.88-015.1.0 Стенка боковая 291-3-46.88-015.2.0 Стенка задняя 291-3-46.88-016.0.0 Рама РМ-1 291-3-46.88-017.0.0 Уголок опорный УО-2 291-3-46.88-018.0.0 Уголок опорный УО-3 291-3-46.88-019.0.0 Карман Кр-1 291-3-46.88-020.0.0 Башмак Бш-4 291-3-46.88-021.0.0 Карман Кр-2 291-3-46.88-022.0.0 Карман Кр-3, Кр-4 291-3-46.88-023.0.0 Шпилька 291-3-46.88-024.0.0 Башмак Бш-3 291-3-46.88-025.0.0 Фасонка узловая ФУ-1 291-3-46.88-026.0.0 Фасонка узловая ФУ-2, ФУ-3 291-3-46.88-025.1.0 База Б-1, Б-2, Б-3 291-3-46.88-025.2.0 Уголок опорный УО1т/н 291-3-46.88-027.0.0 Фасонка узловая ФУ-4, ФУ-5 291-3-46.88-028.0.0 Стойка СТ-1 291-3-46.88-029.0.0 Муфта стяжная М-1 291-3-46.88-029.1.0 Корпус муфты 291-3-46.88-030.0.0 Шарнир 291-3-46.88-030.1.0 Серьга С-1, С-2 291-3-46.88-031.0.0СБ Раскос. Сборочный чертеж 291-3-46.88-031.1.0 Тяж Т-1…Т-4 291-3-46.88-031.0.0 Раскос Р-1…Р-4 291-3-46.88-028.1.0 Стержень нарезной 291-3-46.88-028.2.0 Шайба Ши-1, Ши-2 291-3-46.88-029.2.0 Гайка муфты 291-3-46.88-032.0.0 Опора мостика ОМД1 291-3-46.88-032.1.0 Вкладыш 291-3-46.88-032.2.0 Балка 291-3-46.88-033.0.0 Деталь закладная ЗД1 291-3-46.88-034.0.0 Деталь закладная ЗД2 291-3-46.88-035.0.0 Деталь закладная ЗД3 291-3-46.88-036.0.0СБ Деталь закладная ЗД4 - ЗД7. Сборочный чертеж 291-3-46.88-036.0.0 Деталь закладная ЗД4 - ЗД7 291-3-46.88-037.0.0 Деталь закладная ЗД8 291-3-46.88-038.0.0 Деталь закладная ЗД9 291-3-46.88-038.1.0 Уголок Р1, Р2 291-3-46.88-038.2.0 Анкер 291-3-46.88-039.0.0 Деталь закладная ЗД10 291-3-46.88-040.0.0 Лестница металлическая ЛМ-1 291-3-46.88-040.1.0 ЛМ1-1 291-3-46.88-040.2.0 ЛМ1-2 291-3-46.88-041.0.0 Кронштейн КРН1 291-3-46.88-042.0.0 Каркас пространственный КП1 291-3-46.88-042.1.0 Каркас плоский 291-3-46.88-042.1.2 Стержень поз. 2 291-3-46.88-042.1.4 Стержень поз. 4 291-3-46.88-043.0.0 Деталь накладная МС1 291-3-46.88-044.0.0 Деталь накладная МС2 291-3-46.88-045.0.0 Деталь накладная МС3 291-3-46.88-046.0.0 Деталь накладная МС4 291-3-46.88-047.0.0 Деталь накладная МС5 291-3-46.88-048.0.0 Деталь накладная МС6 291-3-46.88-049.0.0 Деталь накладная МС7 291-3-46.88-049.1.0 Пластина П1 291-3-46.88-049.2.0 Пластина П2, П3 291-3-46.88-050.0.0 Деталь накладная МС8 291-3-46.88-051.0.0 Рамка МС9 291-3-46.88-051.1.0 Уголок 291-3-46.88-052.0.0 Деталь накладная МС10 291-3-46.88-053.0.0 Деталь накладная МС11 291-3-46.88-054.0.0 Деталь накладная ММ1 291-3-46.88-055.0.0 Деталь накладная ММ2 291-3-46.88-056.0.0 Деталь накладная ММ3 291-3-46.88-057.0.0 Деталь накладная ММ4 291-3-46.88-058.0.0 Деталь накладная ММ5 291-3-46.88-059.0.0 Решетка деревянная РС1 291-3-46.88-059.0.0СБ Решетка деревянная РС1. Сборочный чертеж 291-3-46.88-059.0.0У Решетка деревянная РС1. Узел I 291-3-46.88-059.1.0 Элемент решетки ЭР5 291-3-46.88-060.0.0 Деталь накладная МТ1 291-3-46.88-060.1.0 Уголок 291-3-46.88-060.2.0 Пластина 291-3-46.88-061.0.0 Деталь накладная МТ2 291-3-46.88-061.1.0 Пластина 291-3-46.88-062.0.0 Деталь накладная МТ3 291-3-46.88-063.0.0 Деталь накладная МТ4 291-3-46.88-063.1.0 Уголок 291-3-46.88-063.2.0 Пластина 291-3-46.88-064.0.0 Деталь накладная МТ5 291-3-46.88-065.0.0 Панель тамбура ПТ1 291-3-46.88-065.1.0 ДЭ1 291-3-46.88-065.2.0 Шпилька 291-3-46.88-066.0.0 Панель тамбура ПТ2 291-3-46.88-066.1.0 ДЭ2 291-3-46.88-067.0.0 Панель тамбура ПТ3 291-3-46.88-068.0.0 Панель тамбура ПТ4 291-3-46.88-069.0.0 Панель тамбура ПТ5 291-3-46.88-070.0.0 Доска облицовочная 291-3-46.88-071.0.0 Доска облицовочная 291-3-46.88-072.0.0 Клееные элементы Э-1, Э-2, Э-3, Э-4, ПТ-6 291-3-46.88-072.1.0 ДЭ3, ДЭ4 291-3-46.88-072.5.0 ДЭ5 291-3-46.88-073.0.0 Вентиляционная решетка ВР1 291-3-46.88-073.0.0СБ Вентиляционная решетка ВР1. Сборочный чертеж 291-3-46.88-073.0.0У Вентиляционная решетка ВР1. Узлы I, II, III 291-3-46.88-073.1.0 Элемент решетки ЭР1 291-3-46.88-073.2.0 Элемент решетки ЭР2, ЭР3 291-3-46.88-073.3.0 Элемент решетки ЭР4 291-3-46.88-074.0.0 Изделие металлическое ИМ1 291-3-46.88-074.1.0 Пластина П1 291-3-46.88-074.2.0 Пластина П2 291-3-46.88-074.4.0 Пластина П3 291-3-46.88-074.6.0 Анкер 291-3-46.88-075.0.0 Изделие металлическое ИМ2 291-3-46.88-076.0.0 Изделие металлическое ИМ3 291-3-46.88-077.0.0 Изделие металлическое ИМ4 291-3-46.88-078.0.0 Решетка металлическая РМ1 291-3-46.88-079.0.0 Изделие металлическое ИМ5 291-3-46.88-080.0.0 Изделие металлическое ИМ6 291-3-46.88-081.0.0 Изделие металлическое ИМ7 291-3-46.88-082.0.0 Изделие металлическое ИМ28 291-3-46.88-083.0.0 Изделие металлическое ИМ8 291-3-46.88-084.0.0 Изделие металлическое ИМ9 291-3-46.88-085.0.0 Изделие металлическое ИМ18 291-3-46.88-086.0.0 Изделие металлическое ИМ88 291-3-46.88-087.0.0 Изделие металлическое ИМ98 291-3-46.88-088.0.0 Пенные металлические корытца ПМК1, ПМК2 291-3-46.88-089.0.0 Пенное металлическое корытце ПМК3 291-3-46.88-089.0.0СБ Пенное металлическое корытце ПМК3. Сборочный чертеж 291-3-46.88-089.4.0 ПМК3-1 291-3-46.88-090.0.0 Пенное металлическое корытце ПМК4 291-3-46.88-090.0.0СБ Пенное металлическое корытце ПМК4. Сборочный чертеж 291-3-46.88-091.0.0 Пенное металлическое корытце ПМК5 291-3-46.88-091.0.0СБ Пенное металлическое корытце ПМК5. Сборочный чертеж 291-3-46.88-091.0.0У Пенное металлическое корытце ПМК5. Узлы 291-3-46.88-091.4.0 ПМК5-1 291-3-46.88-091.7.0 ПМК5-2 291-3-46.88-091.8.0 ПМК5-3 291-3-46.88-091.8.1 ПМК5-3-1 291-3-46.88-092.0.0 Пенное металлическое корытце ПМК6 291-3-46.88-092.0.0СБ Пенное металлическое корытце ПМК6. Сборочный чертеж 291-3-46.88-092.1.0 ПМК6-1 291-3-46.88-092.4.0 ПМК6-2, ПМК6-3 291-3-46.88-092.6.0 ПМК6-4, ПМК6-5 291-3-46.88-092.1.1 Т1, Т2 291-3-46.88-092.1.2 Т3, Т4 291-3-46.88-093.0.0 Пенное металлическое корытце ПМК7 291-3-46.88-093.0.0СБ Пенное металлическое корытце ПМК7. Сборочный чертеж 291-3-46.88-094.0.0 Решетка металлическая РМ2 291-3-46.88-095.0.0 Решетка металлическая РМ3 291-3-46.88-096.0.0 Решетка металлическая РМ4 291-3-46.88-097.0.0 Решетка металлическая РМ5 291-3-46.88-098.0.0 Лестница металлическая ЛМ1 291-3-46.88-098.4.0 Труба поручня ТП1, ТП2 291-3-46.88-099.0.0 Сетки С1 - С14 291-3-46.88-099.0.0СБ Сетки С1 - С14. Сборочный чертеж 291-3-46.88-100.0.0 Сетки С15 - С28; С33 - С40; С43 - С66; С398 - С408; С43 - С66; С398 - С408 291-3-46.88-100.0.0СБ Сетки С15 - С28; С33 - С40; С43 - С66; С398 - С408; С43 - С66; С398 - С408. Сборочный чертеж 291-3-46.88-101.0.0 Сетки С67 - С71 291-3-46.88-101.0.0СБ Сетки С67 - С71. Сборочный чертеж 291-3-46.88-102.0.0 Анкер А1, А3 291-3-46.88-103.0.0 Анкер А2 |
| Разработан: | ЦНИИЭП им. Б.С. Мезенцева Госгражданстроя |
| Утверждён: | 10.12.1987 Госгражданстрой (Gosgrazhdanstroy 405) |
| Издан: | ЦИТП Госстроя СССР (CITP, Gosstroy (USSR) 1988 г. ) |























































































































